Excellent Modular Component Placer EXCEN Series EXCEN PRO(M)/(D)/(L) Technical Reference - 第444页
Page +$1:+$ 438 EXCEN PRO(M) EXCEN PRO(D ) EXCEN PRO(L) Base - Conveyor IF4 - Large Conveyor Option 1 1 1 1 -A02 -K321 BASE CONTROL BOARD POWER UNIT BR PCB Detection (MOUNT POSITION BR PCB slow down) BR PCB Detection (MO…

Page
+$1:+$
437
Base - Conveyor IF3 - Large Conveyor Option
EXCEN PRO(M)
EXCEN PRO(D)
EXCEN PRO(L)
NO. PART NO. PART NAME Q'TY Old No. Supply Supply LT Reference
1 EP02-001689A HARNESS-BF PCB DETECTION SENSOR CABLE 1
2 EP02-001861A HARNESS-PCB DETECTION S6 SEN CABLE 1
3 EP02-001862A HARNESS-PCB DETECTION S7 SEN CABLE 1
4 AM03-019179B CABLE ASSY-PCB DETECT S8 PHOTO SNS CABLE 1

Page
+$1:+$
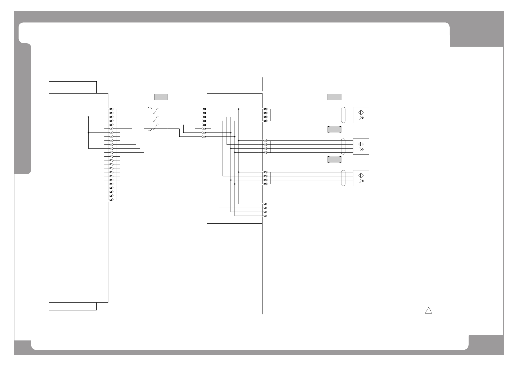
438
EXCEN PRO(M)
EXCEN PRO(D
)
EXCEN PRO(L)
Base - Conveyor IF4 - Large Conveyor Option
1 1
1
1
-A02
-K321
BASE CONTROL BOARD
POWER UNIT
BR PCB Detection
(MOUNT POSITION
BR PCB slow down)
BR PCB Detection
(MOUNT POSITION
BR PCB STOP)
BR PCB Detection
(MOUNT POSITION
BR PCB OUTPUT)
+24V
IN134
24GND
+24V
IN135
24GND
+24V
IN136
24GND
+24V
OT136
+24V
OT137
GND
+24V
OT126
GND
+24V
OT127
N,C
N,C
OT117
(S14)
(S15)
(S16)
J90611801A : CONVEYOR HARNESSAM03-003282A : BASE HARNESS
NO USE
-BR FACB(-K368)
EP02-001867A
EP02-001868A
AM03-019179B
COSTDOWN SENSOR
E3X-DA12-S 2M
OMRON
PK
BK
BN
-B1059
BU
E3X-A12-S 2M
OMRON
PK
BK
BN
-B1060
BU
CX-461A
SUNX
PK
BK
BN
-B1061
BU
24
23
22
21
20
19
15
14
13
CNCNTR_BR
12
11
10
9
8
7
6
5
4
3
2
1
16
17
18
43030-0001
43025-2400
MOLEX
BC-CNCNTR_BR
1
2
3
4
5
6
7
7
9
10
11
12
13
14
15
16
17
18
19
20
21
22
23
24
8
7
6
5
4
3
2
1
CN1
MOLEX
43045-0812
CN2
4
3
2
1
MOLEX
43045-0412
CN3
4
3
2
1
MOLEX
43045-0412
CN4
4
3
2
1
MOLEX
43045-0412
CN5
4
3
2
1
MOLEX
43045-0412
8
7
6
5
4
3
2
1
BRFACB-CN1
MOLEX
43025-0800
43030-0001
EP02-001690A
U-TKVV AWG24-3P
BK
BK/WH
RD
RD/WH
GN
GN/WH
43030-0001
43025-0400
MOLEX
1
2
3
4
BRFACB-CN2
43030-0001
43025-0400
MOLEX
1
2
3
4
BRFACB-CN3
43030-0001
43025-0400
MOLEX
1
2
3
4
BRFACB-CN4
1

Page
+$1:+$
439
Base - Conveyor IF4 - Large Conveyor Option
EXCEN PRO(M)
EXCEN PRO(D)
EXCEN PRO(L)
NO. PART NO. PART NAME Q'TY Old No. Supply Supply LT Reference
1 EP02-001690A HARNESS-BR PCB DETECTION SENSOR CABLE 1
2 EP02-001867A HARNESS-PCB DETECTION S14 SEN CABLE 1
3 EP02-001868A HARNESS-PCB DETECTION S15 SEN CABLE 1
4 AM03-019179B CABLE ASSY-PCB DETECT S8 PHOTO SNS CABLE 1