Excellent Modular Component Placer EXCEN Series EXCEN PRO(M)/(D)/(L) Technical Reference - 第446页
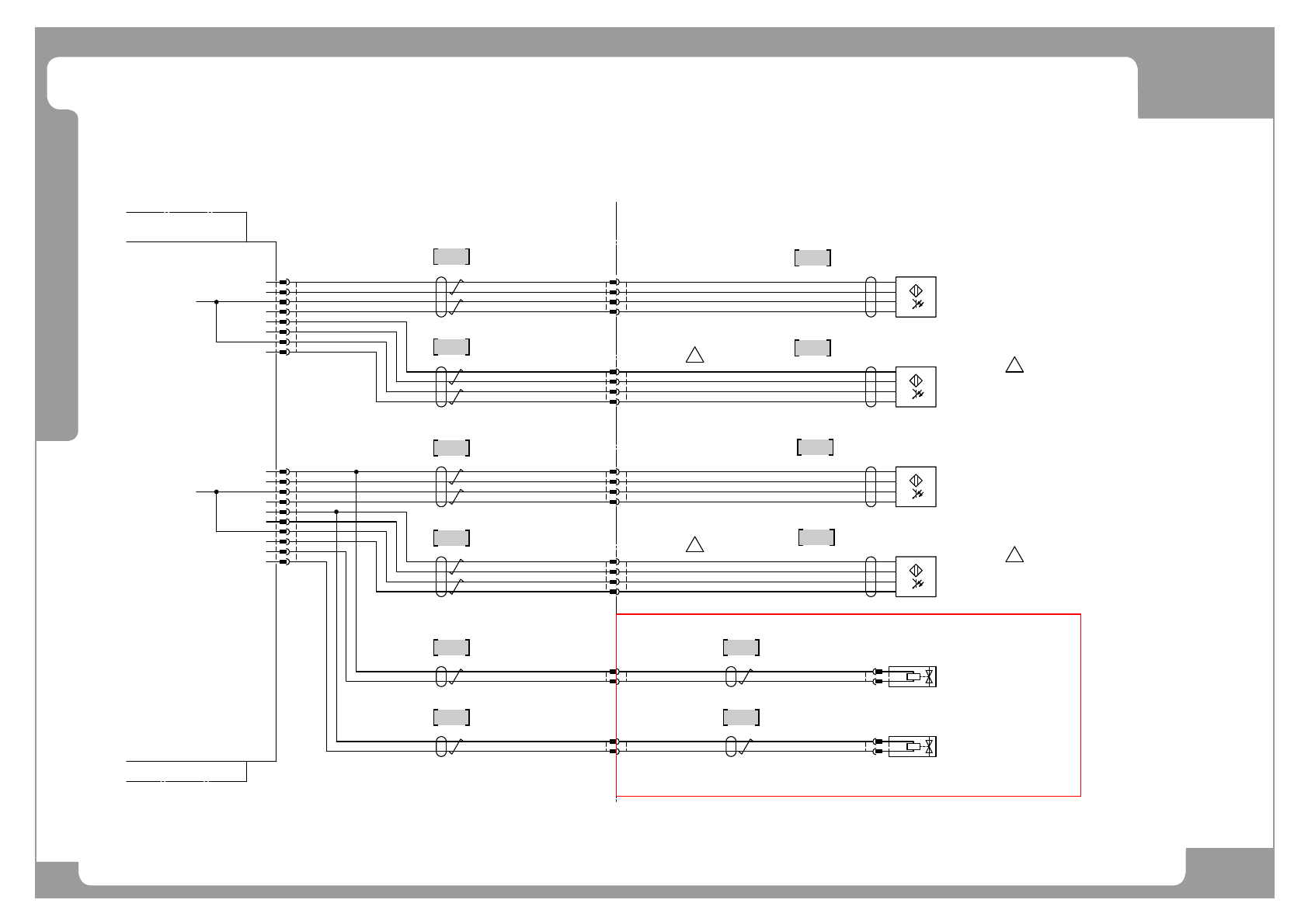
Page +$1:+$ 440 EXCEN PRO(M) EXCEN PRO(D ) EXCEN PRO(L) Base - Ext Conveyor Sensor -A02 -K321 BASE CONTROL BOARD POWER UNIT +24V IN120 24GND +24V IN130 24GND OT1 10 +24V IN127 24GND +24V IN137 24GND O T 111 OT1 15 OT1 14…

Page
+$1:+$
439
Base - Conveyor IF4 - Large Conveyor Option
EXCEN PRO(M)
EXCEN PRO(D)
EXCEN PRO(L)
NO. PART NO. PART NAME Q'TY Old No. Supply Supply LT Reference
1 EP02-001690A HARNESS-BR PCB DETECTION SENSOR CABLE 1
2 EP02-001867A HARNESS-PCB DETECTION S14 SEN CABLE 1
3 EP02-001868A HARNESS-PCB DETECTION S15 SEN CABLE 1
4 AM03-019179B CABLE ASSY-PCB DETECT S8 PHOTO SNS CABLE 1

Page
+$1:+$
440
EXCEN PRO(M)
EXCEN PRO(D
)
EXCEN PRO(L)
Base - Ext Conveyor Sensor
-A02
-K321
BASE CONTROL BOARD
POWER UNIT
+24V
IN120
24GND
+24V
IN130
24GND
OT110
+24V
IN127
24GND
+24V
IN137
24GND
OT111
OT115
OT114
E3X-DA12-S 2M
OMRON
PK
BK
BN
S-FBUF(-B1062)
BU
FRONT BUFFER SLOW
DOWN PCB SENSOR
E3X-DA12-S 2M
OMRON
PK
BK
BN
-B1063
BU
YLS-02V
SYF-01T-P0.5A
YLP-04V
JST
1
2
3
4
F-BUF
YLS-02V
SYF-01T-P0.5A
YLP-04V
JST
1
2
3
4
F-ENT-DET
F-BUF
4
3
2
1
JST
YLR-04V
SYM-01T-P0.5A
YLS-02V
F-ENT-DET
4
3
2
1
JST
YLR-04V
SYM-01T-P0.5A
YLS-02V
E3X-DA12-S 2M
OMRON
PK
BK
BN
S-RBUF(-B1064)
BU
E3X-DA12-S 2M
OMRON
PK
BK
BN
-B1065
BU
YLS-02V
SYF-01T-P0.5A
YLP-04V
JST
1
2
3
4
R-BUF
YLS-02V
SYF-01T-P0.5A
YLP-04V
JST
1
2
3
4
R-ENT-DET
R-BUF
4
3
2
1
JST
YLR-04V
SYM-01T-P0.5A
YLS-02V
R-ENT-DET
4
3
2
1
JST
YLR-04V
SYM-01T-P0.5A
YLS-02V
CNEXTR_A
8
7
6
5
4
3
2
1
7
7
6
5
4
3
2
1
BC_CNEXTR_A
MOLEX
43025-0800
43030-0001
CNEXTR_B
10
9
8
7
6
5
4
3
2
1
43030-0001
43025-1000
MOLEX
BC_CNEXTR_B
1
2
3
4
5
6
7
8
9
10
UL2464 2P*24AWG
EP02-001222A
(0.2mm2-2P)
UL2464 2P*24AWG
EP02-001223A
(0.2mm2-2P)
-R4037
-
+
F-EXT-STO
SMC
SY100-29-1706412-2MK
SUMIKOTEC
(0.2mm2-1P)
J90834509A
UL2464 1P*24AWG
F EXT CONVEYOR
STOPPER
-R4038
-
+
R-EXT-STO
SMC
SY100-29-1706412-2MK
SUMIKOTEC
(0.2mm2-1P)
J90834510A
UL2464 1P*24AWG
2
1
F-EXT-STP
JST
YLR-02V
SYM-01T-P0.5A
YLS-02V
2
1
R-EXT-STP
JST
YLR-02V
SYM-01T-P0.5A
YLS-02V
YLS-02V
SYF-01T-P0.5A
YLP-02V
JST
1
2
F-EXT-STO
YLS-02V
SYF-01T-P0.5A
YLP-02V
JST
1
2
R-EXT-STO
(0.2mm2-1P)
EP02-001223A
UL2464 1P*24AWG
Front Entrance
PCB Detection Sensor
(Front Conveyor)
REAR BUFFER SLOW
DOWN PCB SENSOR
R EXT CONVEYOR
STOPPER
EP02-002071A
EP02-002071A
OPTION
OPTION
UL2464 2P*24AWG
EP02-001222A
(0.2mm2-2P)
UL2464 2P*24AWG
EP02-001223A
(0.2mm2-2P)
(0.2mm2-1P)
EP02-001223A
UL2464 1P*24AWG
Rear Entrance
PCB Detection Sensor
(Rear Conveyor)
1
1
1
1
EP02-002071A
EP02-002071A
(S4)
(S12)
(S1)
(S9)
1
3
4
5
6
7
8
1
2
2
2
2

Page
+$1:+$
441
Base - Ext Conveyor Sensor
EXCEN PRO(M)
EXCEN PRO(D)
EXCEN PRO(L)
NO. PART NO. PART NAME Q'TY Old No. Supply Supply LT Reference
1 EP02-001222A HARNESS-LEFT EXT CONVEYOR SEN CABLE 2
2 EP02-001223A HARNESS-RIGHT EXT CONVEYOR SEN CABLE 4
3 EP02-002071A HARNESS-FRONT BUFFER FIBER SENSOR CABL 1
4 EP02-002071A HARNESS-FRONT ENT PCB DET SEN CABLE 1
5 EP02-002071A HARNESS-REAR BUFFER FIBER SENSOR CABLE 1
6 EP02-002071A HARNESS-REAR ENT PCB DET SEN CABLE 1
7 J90834509A F_EXT_CONVEYOR_CABLE;V1_CONV_005 1
8 J90834510A R_EXT_CONVEYOR_CABLE;V1_CONV_006 1