Excellent Modular Component Placer EXCEN Series EXCEN PRO(M)/(D)/(L) Technical Reference - 第453页
Page +$1:+$ 447 Base - 350MM Conveyor Sens or - Large Conveyor Option EXCEN PRO(M) EXCEN PRO(D) EXCEN PRO(L) NO. P ART NO. P ART NAME Q'TY Old No. Supply Supply L T Reference 1 AM03-014641C CABLE ASSY -CNCNTR AF TRI…

Page
+$1:+$
446
EXCEN PRO(M)
EXCEN PRO(D
)
EXCEN PRO(L)
Base - 350MM Conveyor Sensor - Large Conveyor Option
1
2
3
4
5
6
7
8
9
10
1F-2ND-SEN
4
3
2
1
JST
YLR-04V
SYM-01T-P0.5A
YLS-02V
E3X-DA12-S 2M
OMRON
PK
BK
BN
-B1109
BU
E3X-A12-S 2M
OMRON
PK
BK
BN
-B1110
BU
YLS-02V
SYF-01T-P0.5A
YLP-04V
JST
1
2
3
4
1F-2ND-SEN
E3X-DA12-S 2M
OMRON
PK
BK
BN
-B1111
BU
E3X-A12-S 2M
OMRON
PK
BK
BN
-B1112
BU
18
17
16
1
2
3
4
5
6
7
8
9
10
11
12
EXTOT1
13
14
15
19
20
20
19
18
17
16
15
14
13
12
11
10
9
7
7
6
5
4
3
2
1
EXTOT1
BASE CONTROL BOARD
YLS-02V
SYF-01T-P0.5A
YLP-02V
JST
1
2
2ND-SEN-EXT
2F-2ND-SEN
4
3
2
1
JST
YLR-04V
SYM-01T-P0.5A
YLS-02V
YLS-02V
SYF-01T-P0.5A
YLP-04V
JST
1
2
3
4
2F-2ND-SEN
1R-2ND-SEN
4
3
2
1
JST
YLR-04V
SYM-01T-P0.5A
YLS-02V
YLS-02V
SYF-01T-P0.5A
YLP-04V
JST
1
2
3
4
1R-2ND-SEN
2R-2ND-SEN
4
3
2
1
JST
YLR-04V
SYM-01T-P0.5A
YLS-02V
YLS-02V
SYF-01T-P0.5A
YLP-04V
JST
1
2
3
4
2R-2ND-SEN
1
CT01
12
11
10
9
8
7
6
5
4
3
2
1
12
11
10
9
8
7
6
5
4
3
2
1
BC-CT01
JAE
MX34012SF1
MX34S75C4F1
2
1
2ND-SEN-EXT
JST
YLR-02V
SYM-01T-P0.5A
YLS-02V
(1FBDTS)
(2FBDTS)
1F
RD/WH
RD
BK/WH
BK
U-TKVV AWG24-2P
(0.2mm2-2P)
RD/WH
RD
BK/WH
BK
U-TKVV AWG24-2P
(0.2mm2-2P)
(1RBDTS)
(CTS2)
1RBoard
DetectSensor
(Second Position)
RD/WH
RD
BK/WH
BK
U-TKVV AWG24-2P
(0.2mm2-2P)
RD/WH
RD
BK/WH
BK
U-TKVV AWG24-2P
(0.2mm2-2P)
+24V
AUTO RUNNING
WAITING FRONT PROCESS
WAITING REAR PROCESS
STOP(TRABLE)
EXT BOARD
AUTO Adjust out
+24VOUT
GND
+24VOUT
AUTO RUNNING CO
WAITING FRONT PROCESS CO
WAITING REAR PROCESS CO
STOP(TRABLE) CO
EXT BOARD CO
AUTO Adjust out CO
+24VOUT
GND
IN143 1RBoard Detect Sensor (350 mm)
GND
AM03-003282A+045AD-4E --- BC-CNCNTR_ AF 3 ⶼ䙴 OT112
AM03-003282A+045AD-4E --- BC-CNCNTR_ AF 5 ⶼ䙴 +24VOUT
AM03-003282A+045AD-4E ----- BC-CNCNTR_ AF 4 ⶼ䙴 24GND
2RBoard
DetectSensor
(Second Position)
2FBoard
DetectSensor
(Second Position)
1FBoard
DetectSensor
(Second Position)
AM03-014641C
AM03-014642C
AM03-014822A(FIBER)
AM03-014567A( ⵌ㇠䝉)
AM03-014823A(FIBER)
AM03-014569A( ⵌ㇠䝉)
AM03-014824A(FIBER)
AM03-014568A( ⵌ㇠䝉)
AM03-014825A(FIBER)
AM03-014570A( ⵌ㇠䝉)
BASE CONTROL BOARD
LN006
LN007
GND
OT006
OT007
COM00
IN147
COMS
OT147
GND
GND
+24VOUT
AM03-014642C
AM03-003282A+046AD-4E
BC-CNCNTR_AR 3 ⶼ䙴 OT116

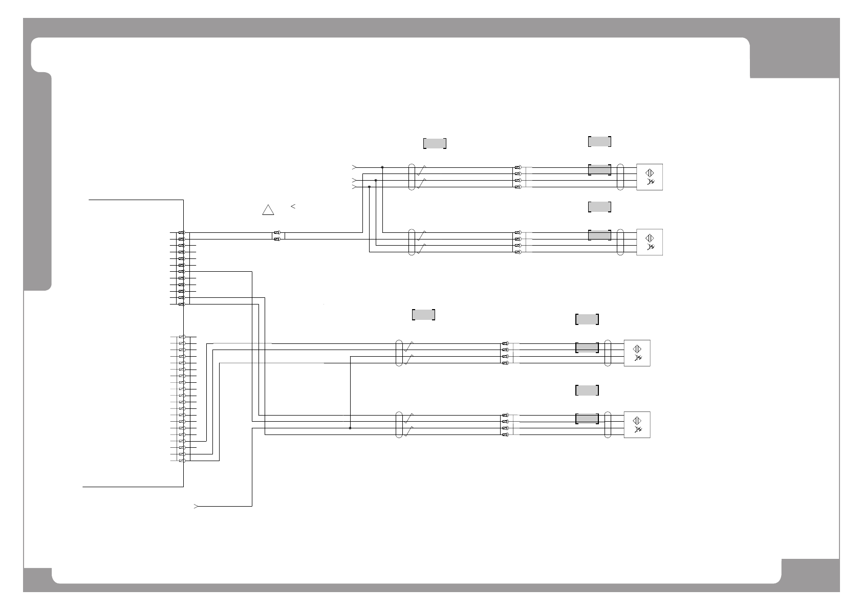
Page
+$1:+$
447
Base - 350MM Conveyor Sensor - Large Conveyor Option
EXCEN PRO(M)
EXCEN PRO(D)
EXCEN PRO(L)
NO. PART NO. PART NAME Q'TY Old No. Supply Supply LT Reference
1 AM03-014641C CABLE ASSY-CNCNTR AF TRI, 2ND EXT CABLE 1
2 AM03-014642C CABLE ASSY-CNCNTR AR TRI, 2ND EXT CABLE 1
3 AM03-014822A CABLE ASSY-350MM AF PCB FIBER SNS CABLE 1
4 AM03-014567A CABLE ASSY-350MM AF PCB SENSOR CABLE AS 1
5 AM03-014823A CABLE ASSY-350MM AR PCB FIBER SNS CABLE 1
6 AM03-014569A CABLE ASSY-350MM BF PCB SENSOR CABLE AS 1
7 AM03-014824A CABLE ASSY-350MM BF PCB FIBER SNS CABLE 1
8 AM03-014568A CABLE ASSY-350MM AR PCB SENSOR CABLE AS 1
9 AM03-014825A CABLE ASSY-350MM BR PCB FIBER SNS CABLE 1
10 AM03-014570A CABLE ASSY-350MM BR PCB SENSOR CABLE AS 1

Page
+$1:+$
448
EXCEN PRO(M)
EXCEN PRO(D
)
EXCEN PRO(L)
Base - Ext Conveyor Sensor - Large Conveyor Option
1
1
4
5
2
2
3
3
-A02
-K321
BASE CONTROL BOARD
POWER UNIT
+24V
IN120
24GND
+24V
IN130
24GND
OT110
+24V
IN127
24GND
+24V
IN137
24GND
OT111
OT115
OT114
FRONT BUFFER SLOW
DOWN PCB SENSOR
Front Entrance
PCB Detection Sensor
(Front Conveyor)
REAR BUFFER SLOW
DOWN PCB SENSOR
Rear Entrance
PCB Detection Sensor
(Rear Conveyor)
AM03-019176B
AM03-019177B
(S4)
(S12)
(S1)
(S9)
㜰ᴴ䝉 CV 㤵㟝㐐 ㇡㥐
㜰ᴴ䝉 CV 㤵㟝㐐 ㇡㥐
CX-461A
SUNX
PK
BK
BN
-B1063
BU
YLS-02V
SYF-01T-P0.5A
YLP-04V
JST
1
2
3
4
F-BUF
YLS-02V
SYF-01T-P0.5A
YLP-04V
JST
1
2
3
4
F-ENT-DET
F-BUF
4
3
2
1
JST
YLR-04V
SYM-01T-P0.5A
YLS-02V
F-ENT-DET
4
3
2
1
JST
YLR-04V
SYM-01T-P0.5A
YLS-02V
CX-461A
SUNX
PK
BK
BN
-B1065
BU
YLS-02V
SYF-01T-P0.5A
YLP-04V
JST
1
2
3
4
R-BUF
YLS-02V
SYF-01T-P0.5A
YLP-04V
JST
1
2
3
4
R-ENT-DET
R-BUF
4
3
2
1
JST
YLR-04V
SYM-01T-P0.5A
YLS-02V
R-ENT-DET
4
3
2
1
JST
YLR-04V
SYM-01T-P0.5A
YLS-02V
CNEXTR_A
8
7
6
5
4
3
2
1
7
7
6
5
4
3
2
1
BC_CNEXTR_A
MOLEX
43025-0800
43030-0001
CNEXTR_B
10
9
8
7
6
5
4
3
2
1
43030-0001
43025-1000
MOLEX
BC_CNEXTR_B
1
2
3
4
5
6
7
8
9
10
UL2464 2P*24AWG
EP02-001222A
(0.2mm2-2P)
UL2464 2P*24AWG
EP02-001223A
(0.2mm2-2P)
2
1
F-EXT-STP
JST
YLR-02V
SYM-01T-P0.5A
YLS-02V
2
1
R-EXT-STP
JST
YLR-02V
SYM-01T-P0.5A
YLS-02V
(0.2mm2-1P)
EP02-001223A
UL2464 1P*24AWG
UL2464 2P*24AWG
EP02-001222A
(0.2mm2-2P)
UL2464 2P*24AWG
EP02-001223A
(0.2mm2-2P)
(0.2mm2-1P)
EP02-001223A
UL2464 1P*24AWG
1
1
1
1
2
2