Excellent Modular Component Placer EXCEN Series EXCEN PRO(M)/(D)/(L) Technical Reference - 第454页
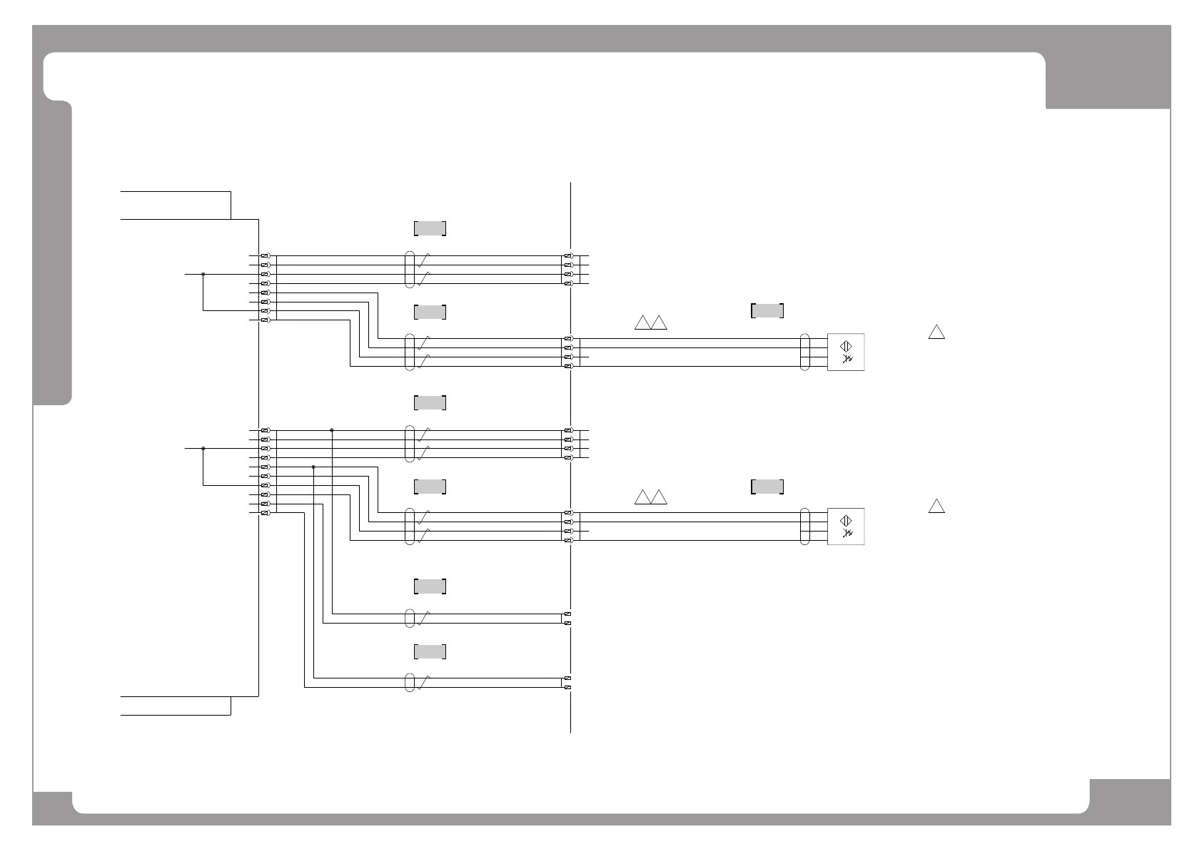
Page +$1:+$ 448 EXCEN PRO(M) EXCEN PRO(D ) EXCEN PRO(L) Base - Ext Conveyor Sensor - Large Conveyor Option 1 1 4 5 2 2 3 3 -A02 -K321 BASE CONTROL BOARD POWER UNIT +24V IN120 24GND +24V IN130 24GND OT1 10 +24V IN127 24GN…

Page
+$1:+$
447
Base - 350MM Conveyor Sensor - Large Conveyor Option
EXCEN PRO(M)
EXCEN PRO(D)
EXCEN PRO(L)
NO. PART NO. PART NAME Q'TY Old No. Supply Supply LT Reference
1 AM03-014641C CABLE ASSY-CNCNTR AF TRI, 2ND EXT CABLE 1
2 AM03-014642C CABLE ASSY-CNCNTR AR TRI, 2ND EXT CABLE 1
3 AM03-014822A CABLE ASSY-350MM AF PCB FIBER SNS CABLE 1
4 AM03-014567A CABLE ASSY-350MM AF PCB SENSOR CABLE AS 1
5 AM03-014823A CABLE ASSY-350MM AR PCB FIBER SNS CABLE 1
6 AM03-014569A CABLE ASSY-350MM BF PCB SENSOR CABLE AS 1
7 AM03-014824A CABLE ASSY-350MM BF PCB FIBER SNS CABLE 1
8 AM03-014568A CABLE ASSY-350MM AR PCB SENSOR CABLE AS 1
9 AM03-014825A CABLE ASSY-350MM BR PCB FIBER SNS CABLE 1
10 AM03-014570A CABLE ASSY-350MM BR PCB SENSOR CABLE AS 1

Page
+$1:+$
448
EXCEN PRO(M)
EXCEN PRO(D
)
EXCEN PRO(L)
Base - Ext Conveyor Sensor - Large Conveyor Option
1
1
4
5
2
2
3
3
-A02
-K321
BASE CONTROL BOARD
POWER UNIT
+24V
IN120
24GND
+24V
IN130
24GND
OT110
+24V
IN127
24GND
+24V
IN137
24GND
OT111
OT115
OT114
FRONT BUFFER SLOW
DOWN PCB SENSOR
Front Entrance
PCB Detection Sensor
(Front Conveyor)
REAR BUFFER SLOW
DOWN PCB SENSOR
Rear Entrance
PCB Detection Sensor
(Rear Conveyor)
AM03-019176B
AM03-019177B
(S4)
(S12)
(S1)
(S9)
㜰ᴴ䝉 CV 㤵㟝㐐 ㇡㥐
㜰ᴴ䝉 CV 㤵㟝㐐 ㇡㥐
CX-461A
SUNX
PK
BK
BN
-B1063
BU
YLS-02V
SYF-01T-P0.5A
YLP-04V
JST
1
2
3
4
F-BUF
YLS-02V
SYF-01T-P0.5A
YLP-04V
JST
1
2
3
4
F-ENT-DET
F-BUF
4
3
2
1
JST
YLR-04V
SYM-01T-P0.5A
YLS-02V
F-ENT-DET
4
3
2
1
JST
YLR-04V
SYM-01T-P0.5A
YLS-02V
CX-461A
SUNX
PK
BK
BN
-B1065
BU
YLS-02V
SYF-01T-P0.5A
YLP-04V
JST
1
2
3
4
R-BUF
YLS-02V
SYF-01T-P0.5A
YLP-04V
JST
1
2
3
4
R-ENT-DET
R-BUF
4
3
2
1
JST
YLR-04V
SYM-01T-P0.5A
YLS-02V
R-ENT-DET
4
3
2
1
JST
YLR-04V
SYM-01T-P0.5A
YLS-02V
CNEXTR_A
8
7
6
5
4
3
2
1
7
7
6
5
4
3
2
1
BC_CNEXTR_A
MOLEX
43025-0800
43030-0001
CNEXTR_B
10
9
8
7
6
5
4
3
2
1
43030-0001
43025-1000
MOLEX
BC_CNEXTR_B
1
2
3
4
5
6
7
8
9
10
UL2464 2P*24AWG
EP02-001222A
(0.2mm2-2P)
UL2464 2P*24AWG
EP02-001223A
(0.2mm2-2P)
2
1
F-EXT-STP
JST
YLR-02V
SYM-01T-P0.5A
YLS-02V
2
1
R-EXT-STP
JST
YLR-02V
SYM-01T-P0.5A
YLS-02V
(0.2mm2-1P)
EP02-001223A
UL2464 1P*24AWG
UL2464 2P*24AWG
EP02-001222A
(0.2mm2-2P)
UL2464 2P*24AWG
EP02-001223A
(0.2mm2-2P)
(0.2mm2-1P)
EP02-001223A
UL2464 1P*24AWG
1
1
1
1
2
2

Page
+$1:+$
449
Base - Ext Conveyor Sensor - Large Conveyor Option
EXCEN PRO(M)
EXCEN PRO(D)
EXCEN PRO(L)
NO. PART NO. PART NAME Q'TY Old No. Supply Supply LT Reference
1 EP02-001222A HARNESS-LEFT EXT CONVEYOR SEN CABLE 2
2 EP02-001223A HARNESS-RIGHT EXT CONVEYOR SEN CABLE 2
3 EP02-001223A HARNESS-RIGHT EXT CONVEYOR SEN CABLE 2
4 AM03-019176B CABLE ASSY-F-ENT PCB DET S1 PHOTO SNS CA 1
5 AM03-019177B CABLE ASSY-R-ENT PCB DET S9 PHOTO SNS CA 1