Excellent Modular Component Placer EXCEN Series EXCEN PRO(M)/(D)/(L) Technical Reference - 第469页
Page +$1:+$ 463 Base - Conveyor IF1 350mm Triple EXCEN PRO(M) EXCEN PRO(D) EXCEN PRO(L) NO. P ART NO. P ART NAME Q'TY Old No. Supply Supply L T Reference 1 AM03-014641C CABLE A SSY -CNCNTR AF TRI, 2ND EXT CAB LE 1 A…

Page
+$1:+$
462
EXCEN PRO(M)
EXCEN PRO(D
)
EXCEN PRO(L)
Base - Conveyor IF1 350mm Triple
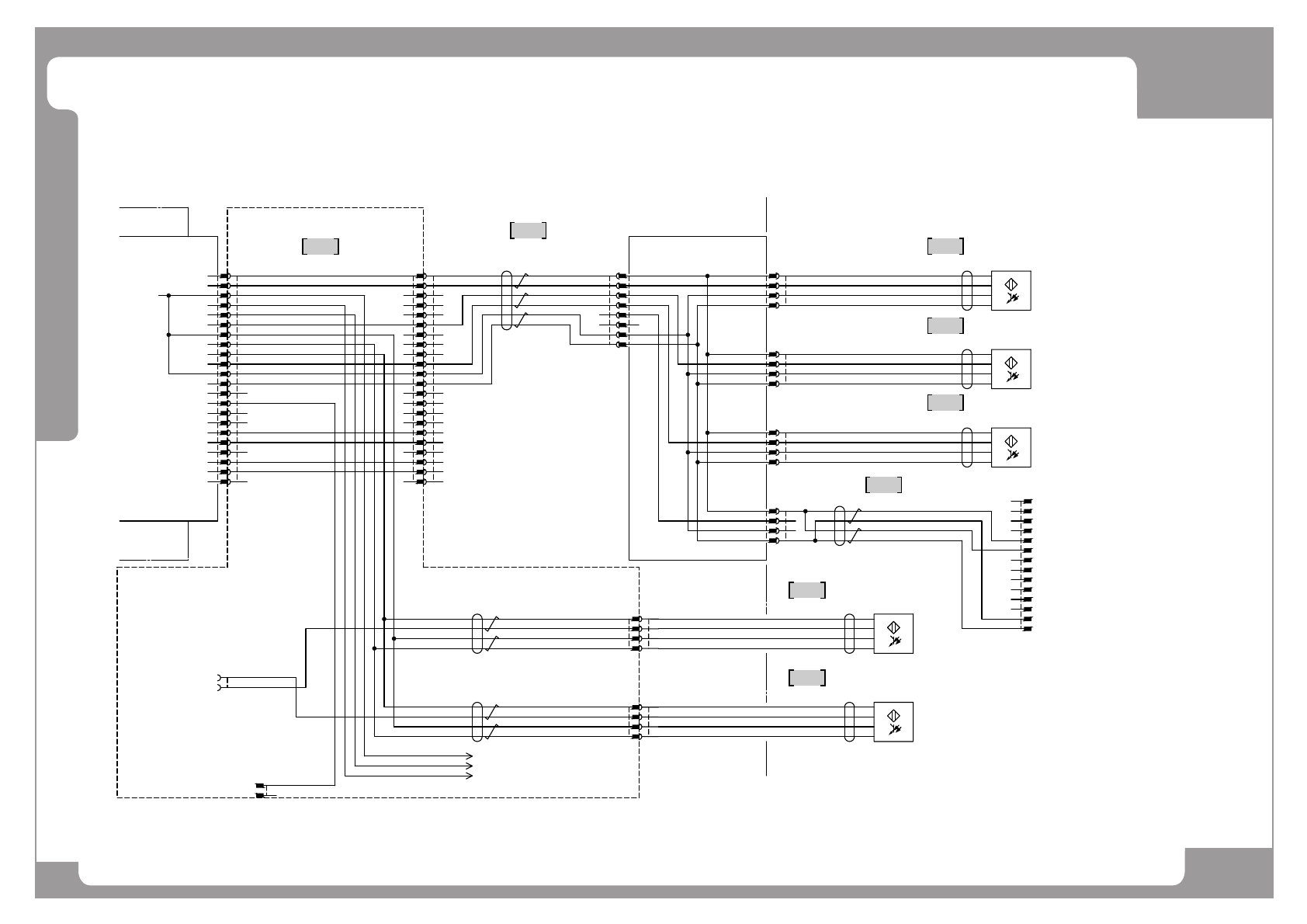
-A02
-K321
BASE
CONTROL
BOARD
POWER
UNIT
+24V
IN121
24GND
+24V
IN122
24GND
+24V
IN123
24GND
+24V
OT130
+24V
OT131
+24V
OT120
+24V
OT121
+24V
N,C
OT112
FRONT
FDR
DC
POWER
CHECK
CABLE
(CTS1)
(CTS2)
CENTER CONVEYOR
Slowdown SENSOR
CENTER CONVEYOR
Stop SENSOR
OT112 SENSOR REMOTE TEACH----AM03-021346A+073AA-3A
LN005 AM03-021346A+038AD-3D----
CENTER EXIT SLOWDOWN SENSOR
LN004 AM03-021346A+038AD-3D----
CENTER EXIT STOP SENSOR
RD/WH
RD
BK/WH
BK
U-TKVV AWG24-2P
(0.2mm2-2P)
RD/WH
RD
BK/WH
BK
U-TKVV AWG24-2P
(0.2mm2-2P)
+24VOUT ----AM03-021346A+073AA-3A
24GND ----AM03-021346A+073AA-3A
OT130 CENTER TRIPLE
CONVEYOR RUN/STOP
AM03-021346A+072AA-3B
AM03-014641B
AM03-014971A
AM03-014972A
AF PCB Detection
(MOUNT POSITION
AF PCB slow down)
AF PCB Detection
(MOUNT POSITION
AF PCB STOP)
AF PCB Detection
(MOUNT POSITION
AF PCB slow down)
(S2)
(S3)
(S5)
-AF FACB(-K365)
EP02-001858A
EP02-001859A
EP02-001860A
EXCEN PRO 350 MM CV OPTION
18
17
16
1
2
3
4
5
6
7
8
9
10
11
12
CNCNTR_AF
13
14
15
19
20
21
22
22
21
20
19
18
17
16
15
14
13
12
11
10
9
8
7
6
5
4
3
2
1
BC-CNCNTR_AF
MOLEX
43025-2200
43030-0001
8
7
6
5
4
3
2
1
CN1
MOLEX
43045-0812
CN2
4
3
2
1
MOLEX
43045-0412
CN3
4
3
2
1
MOLEX
43045-0412
CN4
4
3
2
1
MOLEX
43045-0412
CN5
4
3
2
1
MOLEX
43045-0412
EP02-001687A
U-TKVV AWG24-3P
BK
BK/WH
RD
RD/WH
GN
GN/WH
500146-0000
500145-0152
502405-1401
MOLEX
1
2
3
4
5
6
7
8
9
10
11
12
F-FDR
13
14
43030-0001
43025-0400
MOLEX
1
2
3
4
AFFACB-CN5
RD/WH
RD
BK/WH
BK
U-TKVV AWG24-2P
AM03-018443A
(0.2mm2-2P)
E3X-DA12-S 2M
OMRON
PK
BK
BN
-B1105
BU
E3X-A12-S 2M
OMRON
PK
BK
BN
-B1106
BU
BU UL#24 80/300-0.2mm2
BU UL#24 80/300-0.2mm2
BU UL#24 80/300-0.2mm2
BU UL#24 80/300-0.2mm2
BU UL#24 80/300-0.2mm2
BU UL#24 80/300-0.2mm2
BU UL#24 80/300-0.2mm2
22
21
20
19
18
17
16
15
14
13
12
11
10
9
8
7
6
5
4
3
2
1
/BC-CNCNTR_AF
MOLEX
43025-2200
43030-0001
18
17
16
43031-0001
43020-2200
MOLEX
1
2
3
4
5
6
7
8
9
10
11
12
/CNCNTR_AF
13
14
15
19
20
21
22
YLS-02V
SYF-01T-P0.5A
YLP-02V
JST
1
2
TRI-SEN-EXT
2
1
TRI-RUN-EXT
JST
YLR-02V
SYM-01T-P0.5A
YLS-02V
CT_CONV_SLOW
4
3
2
1
JST
YLR-04V
SYM-01T-P0.5A
YLS-02V
YLS-02V
SYF-01T-P0.5A
YLP-04V
JST
1
2
3
4
CT_CONV_SLOW
CT_CONV_STOP
4
3
2
1
JST
YLR-04V
SYM-01T-P0.5A
YLS-02V
YLS-02V
SYF-01T-P0.5A
YLP-04V
JST
1
2
3
4
CT_CONV_STOP
E3X-DA12-S 2M
OMRON
PK
BK
BN
-B1050
BU
E3X-A12-S 2M
OMRON
PK
BK
BN
-B1051
BU
E3X-DA12-S 2M
OMRON
PK
BK
BN
-B1052
BU
8
7
6
5
4
3
2
1
AFFACB-CN1
MOLEX
43025-0800
43030-0001
43030-0001
43025-0400
MOLEX
1
2
3
4
AFFACB-CN2
43030-0001
43025-0400
MOLEX
1
2
3
4
AFFACB-CN3
43030-0001
43025-0400
MOLEX
1
2
3
4
AFFACB-CN4
1
2
3
4
5
6
7
8

Page
+$1:+$
463
Base - Conveyor IF1 350mm Triple
EXCEN PRO(M)
EXCEN PRO(D)
EXCEN PRO(L)
NO. PART NO. PART NAME Q'TY Old No. Supply Supply LT Reference
1 AM03-014641C CABLE ASSY-CNCNTR AF TRI, 2ND EXT CABLE 1 AM03-014641B
2 EP02-001687A HARNESS-AF PCB DETECTION SENSOR CABLE 1
3 EP02-002070A HARNESS-PCB DETECTION S2 SEN CABLE 1
4 EP02-002070A HARNESS-PCB DETECTION S2 SEN CABLE 1
5 EP02-002070A HARNESS-PCB DETECTION S5 SEN CABLE 1
6 AM03-018443A CABLE ASSY-NEW FRONT FDR PW CHECK CABLE 1
7 AM03-014971A CABLE ASSY-CENTER CONV SLOWDOWN SNS CAB 1
8 AM03-014972A CABLE ASSY-CENTER CONV STOP SNS CABLE 1

Page
+$1:+$
464
EXCEN PRO(M)
EXCEN PRO(D
)
EXCEN PRO(L)
Base - Conveyor IF1 Costdown Sensor
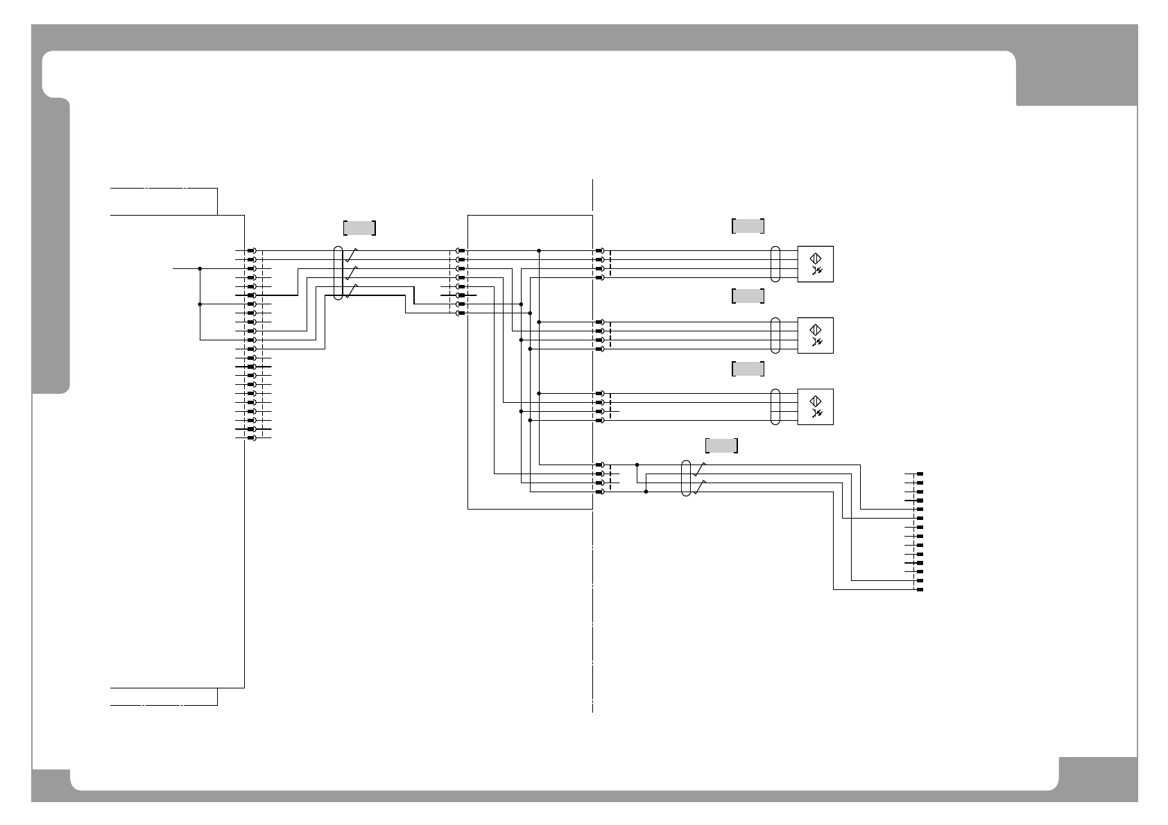
-A02
-K321
BASE CONTROL BOARD
POWER UNIT
+24V
IN121
24GND
+24V
IN122
24GND
+24V
IN123
24GND
+24V
OT130
+24V
OT131
+24V
OT120
+24V
OT121
+24V
N,C
OT112
AF PCB Detection
(MOUNT POSITION
AF PCB slow down)
AF PCB Detection
(MOUNT POSITION
AF PCB STOP)
AF PCB Detection
(MOUNT POSITION
AF PCB slow down)
(S2)
(S3)
(S5)
-AF FACB(-K365)
EP02-001858A
EP02-001859A
AM03-019178B
FRONT FDR
DC POWER
CHECK
CABLE
COSTDOWN SENSOR
18
17
16
1
2
3
4
5
6
7
8
9
10
11
12
CNCNTR_AF
13
14
15
19
20
21
22
22
21
20
19
18
17
16
15
14
13
12
11
10
9
8
7
6
5
4
3
2
1
BC-CNCNTR_AF
MOLEX
43025-2200
43030-0001
E3X-DA12-S 2M
OMRON
PK
BK
BN
-B1050
BU
E3X-A12-S 2M
OMRON
PK
BK
BN
-B1051
BU
CX-461A
SUNX
PK
BK
BN
-B1052
BU
8
7
6
5
4
3
2
1
CN1
MOLEX
43045-0812
CN2
4
3
2
1
MOLEX
43045-0412
CN3
4
3
2
1
MOLEX
43045-0412
CN4
4
3
2
1
MOLEX
43045-0412
CN5
4
3
2
1
MOLEX
43045-0412
8
7
6
5
4
3
2
1
AFFACB-CN1
MOLEX
43025-0800
43030-0001
EP02-001687A
U-TKVV AWG24-3P
BK
BK/WH
RD
RD/WH
GN
GN/WH
43030-0001
43025-0400
MOLEX
1
2
3
4
AFFACB-CN2
43030-0001
43025-0400
MOLEX
1
2
3
4
AFFACB-CN3
43030-0001
43025-0400
MOLEX
1
2
3
4
AFFACB-CN4
500146-0000
500145-0152
502405-1401
MOLEX
1
2
3
4
5
6
7
8
9
10
11
12
F-FDR
13
14
43030-0001
43025-0400
MOLEX
1
2
3
4
AFFACB-CN5
RD/WH
RD
BK/WH
BK
U-TKVV AWG24-2P
AM03-018443A
(0.2mm2-2P)
1
2
3
4
5