Excellent Modular Component Placer EXCEN Series EXCEN PRO(M)/(D)/(L) Technical Reference - 第473页
Page +$1:+$ 467 Base - Conveyor IF2 350mm Triple EXCEN PRO(M) EXCEN PRO(D) EXCEN PRO(L) NO. P ART NO. P ART NAME Q'TY Old No. Supply Supply L T Reference 1 AM03-014642C CABLE A SSY -CNCNTR AR TRI, 2ND EXT CABLE 1 AM…

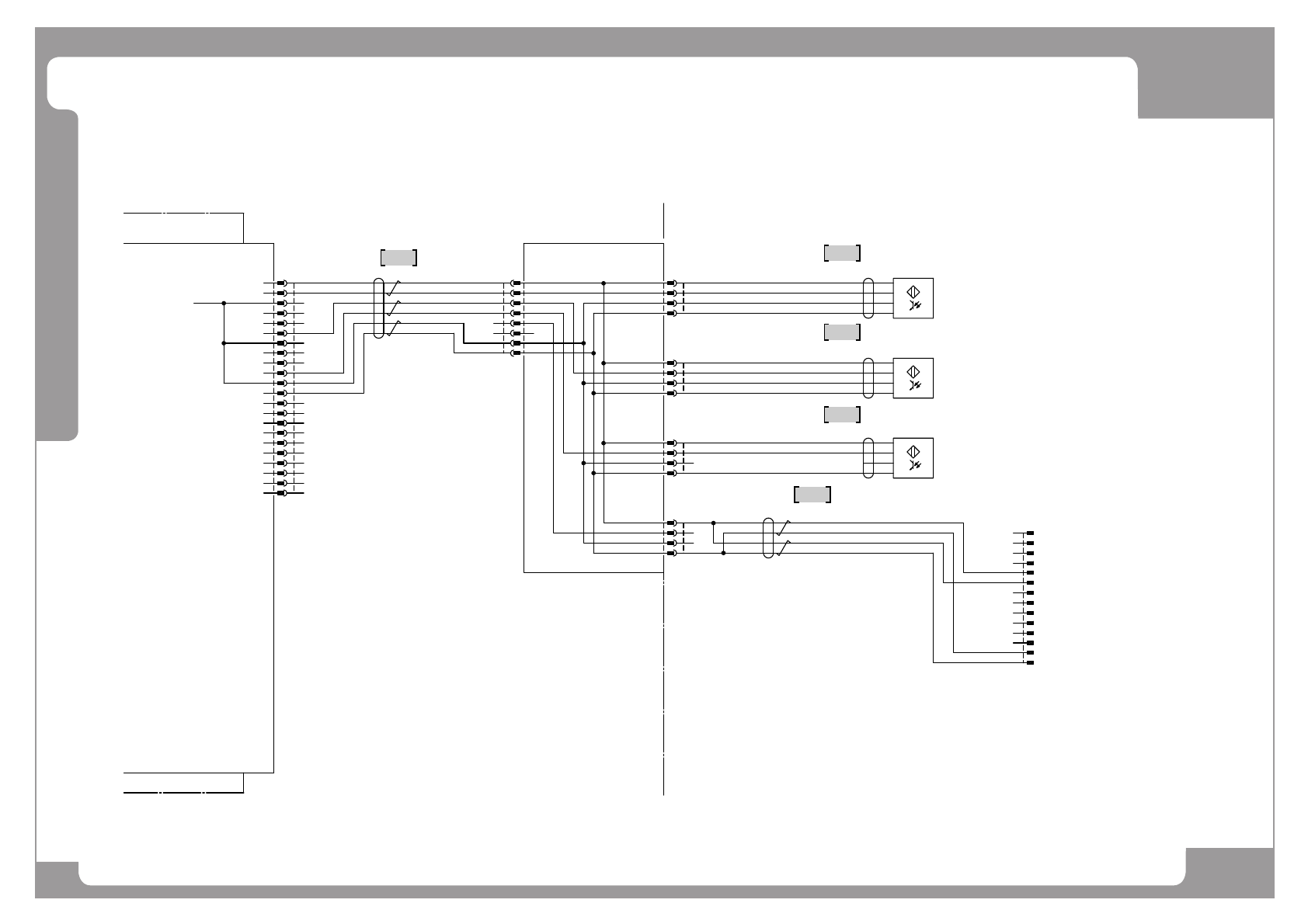
Page
+$1:+$
466
EXCEN PRO(M)
EXCEN PRO(D
)
EXCEN PRO(L)
Base - Conveyor IF2 350mm Triple
-A02
-K321
BASE
CONTROL
OARD
POWER
UNIT
+24V
IN124
24GND
+24V
IN125
24GND
+24V
IN126
24GND
+24V
OT134
+24V
OT135
+24V
OT124
+24V
OT125
N,C
N,C
OT116
REAR
FDR
DC
POWER
CHECK
CABLE
(CTS3)
CENTER-ENTER-DETECT
SENSOR (TRIPLE)
OT134 CENTER TRIPLE CONVEYOR SPD H/L----AM03-021346A+072AA-3C
RD/WH
RD
BK/WH
BK
U-TKVV AWG24-2P
(0.2mm2-2P)
IN146 AM03-021346A+038AB-3D----
CENTER ENTER DETECT SENSOR TRIPLE
OT135 CENTER TRIPLE CONVEYOR REVERSE----AM03-021346A+072AA-3C
OT116 SENSOR REMOTE TEACH----AM03-021346A+073AA-3E
AM03-014642B
-AR FACB(-K366)
AR PCB Detection
(MOUNT POSITION
AR PCB slow down)
AR PCB Detection
(MOUNT POSITION
AR PCB STOP)
AR PCB Detection
(MOUNT POSITION
AR PCB slow down)
(S10)
(S11)
(S13)
EP02-001864A
EP02-001865A
EP02-001866A
AM03-014973A
EXCEN PRO 350 MM CV OPTION
18
17
16
1
2
3
4
5
6
7
8
9
10
11
12
CNCNTR_AR
13
14
15
19
20
21
22
22
21
20
19
18
17
16
15
14
13
12
11
10
9
8
7
6
5
4
3
2
1
BC-CNCNTR_AR
MOLEX
43025-2200
43030-0001
8
7
6
5
4
3
2
1
CN1
MOLEX
43045-0812
CN2
4
3
2
1
MOLEX
43045-0412
CN3
4
3
2
1
MOLEX
43045-0412
CN4
4
3
2
1
MOLEX
43045-0412
CN5
4
3
2
1
MOLEX
43045-0412
EP02-001688A
U-TKVV AWG24-3P
BK
BK/WH
RD
RD/WH
GN
GN/WH
500146-0000
500145-0152
502405-1401
MOLEX
1
2
3
4
5
6
7
8
9
10
11
12
R-FDR
13
14
RD/WH
RD
BK/WH
BK
U-TKVV AWG24-2P
AM03-018442A
(0.2mm2-2P)
CT_ENT_DEC-SEN
4
3
2
1
JST
YLR-04V
SYM-01T-P0.5A
YLS-02V
E3X-DA12-S 2M
OMRON
PK
BK
BN
-B1107
BU
YLS-02V
SYF-01T-P0.5A
YLP-04V
JST
1
2
3
4
CT_ENT_DEC-SEN
BU UL#24 80/300-0.2mm2
BU UL#24 80/300-0.2mm2
BU UL#24 80/300-0.2mm2
BU UL#24 80/300-0.2mm2
BU UL#24 80/300-0.2mm2
BU UL#24 80/300-0.2mm2
BU UL#24 80/300-0.2mm2
22
21
20
19
18
17
16
15
14
13
12
11
10
9
8
7
6
5
4
3
2
1
/BC-CNCNTR_AR
MOLEX
43025-2200
43030-0001
18
17
16
43031-0001
43020-2200
MOLEX
1
2
3
4
5
6
7
8
9
10
11
12
/CNCNTR_AR
13
14
15
19
20
21
22
BU UL#24 80/300-0.2mm2
2
1
TRI-SPD-EXT
JST
YLR-02V
SYM-01T-P0.5A
YLS-02V
8
7
6
5
4
3
2
1
ARFACB-CN1
MOLEX
43025-0800
43030-0001
E3X-DA12-S 2M
OMRON
PK
BK
BN
-B1053
BU
E3X-A12-S 2M
OMRON
PK
BK
BN
-B1054
BU
E3X-DA12-S 2M
OMRON
PK
BK
BN
-B1055
BU
43030-0001
43025-0400
MOLEX
1
2
3
4
ARFACB-CN2
43030-0001
43025-0400
MOLEX
1
2
3
4
ARFACB-CN3
43030-0001
43025-0400
MOLEX
1
2
3
4
ARFACB-CN4
43030-0001
43025-0400
MOLEX
1
2
3
4
ARFACB-CN5
1
2
3
4
5
6
7

Page
+$1:+$
467
Base - Conveyor IF2 350mm Triple
EXCEN PRO(M)
EXCEN PRO(D)
EXCEN PRO(L)
NO. PART NO. PART NAME Q'TY Old No. Supply Supply LT Reference
1 AM03-014642C CABLE ASSY-CNCNTR AR TRI, 2ND EXT CABLE 1 AM03-014642B
2 EP02-001688A HARNESS-AR PCB DETECTION SENSOR CABLE 1
3 EP02-002070A HARNESS-PCB DETECTION S10 SEN CABLE 1
4 EP02-002070A HARNESS-PCB DETECTION S11 SEN CABLE 1
5 EP02-002070A HARNESS-PCB DETECTION S13 SEN CABLE 1
6 AM03-018442A CABLE ASSY-NEW REAR FDR PW CHECK CABLE 1
7 AM03-014973A CABLE ASSY-C-CONV ENT DETECT SNS CABLE 1

Page
+$1:+$
468
EXCEN PRO(M)
EXCEN PRO(D
)
EXCEN PRO(L)
Base - Conveyor IF2 Costdown Sensor
-A02
-K321
BASE CONTROL BOARD
POWER UNIT
AR PCB Detection
(MOUNT POSITION
AR PCB slow down)
AR PCB Detection
(MOUNT POSITION
AR PCB STOP)
AR PCB Detection
(MOUNT POSITION
AR PCB slow down)
+24V
IN124
24GND
+24V
IN125
24GND
+24V
IN126
24GND
+24V
OT134
+24V
OT135
+24V
OT124
+24V
OT125
N,C
N,C
OT116
(S10)
(S11)
(S13)
-AR FACB(-K366)
EP02-001864A
EP02-001865A
AM03-019180B
REAR FDR
DC POWER
CHECK
CABLE
COSTDOWN SENSOR
E3X-DA12-S 2M
OMRON
PK
BK
BN
-B1053
BU
E3X-A12-S 2M
OMRON
PK
BK
BN
-B1054
BU
CX-461A
SUNX
PK
BK
BN
-B1055
BU
18
17
16
1
2
3
4
5
6
7
8
9
10
11
12
CNCNTR_AR
13
14
15
19
20
21
22
22
21
20
19
18
17
16
15
14
13
12
11
10
9
8
7
6
5
4
3
2
1
BC-CNCNTR_AR
MOLEX
43025-2200
43030-0001
8
7
6
5
4
3
2
1
CN1
MOLEX
43045-0812
CN2
4
3
2
1
MOLEX
43045-0412
CN3
4
3
2
1
MOLEX
43045-0412
CN4
4
3
2
1
MOLEX
43045-0412
CN5
4
3
2
1
MOLEX
43045-0412
8
7
6
5
4
3
2
1
ARFACB-CN1
MOLEX
43025-0800
43030-0001
EP02-001688A
U-TKVV AWG24-3P
BK
BK/WH
RD
RD/WH
GN
GN/WH
43030-0001
43025-0400
MOLEX
1
2
3
4
ARFACB-CN2
43030-0001
43025-0400
MOLEX
1
2
3
4
ARFACB-CN3
43030-0001
43025-0400
MOLEX
1
2
3
4
ARFACB-CN4
500146-0000
500145-0152
502405-1401
MOLEX
1
2
3
4
5
6
7
8
9
10
11
12
R-FDR
13
14
43030-0001
43025-0400
MOLEX
1
2
3
4
ARFACB-CN5
RD/WH
RD
BK/WH
BK
U-TKVV AWG24-2P
AM03-018442A
(0.2mm2-2P)
1
2
3
4
5