Excellent Modular Component Placer EXCEN Series EXCEN PRO(M)/(D)/(L) Technical Reference - 第477页
Page +$1:+$ 471 Base - Ast BUT Motor EXCEN PRO(M) EXCEN PRO(D) EXCEN PRO(L) NO. P ART NO. P ART NAME Q'TY Old No. Supply Supply L T Reference 1 EP02-001245A HARNESS-A-ST AGE BUT DR IVER CABLE 1 2 EP02-001707A HARNES…

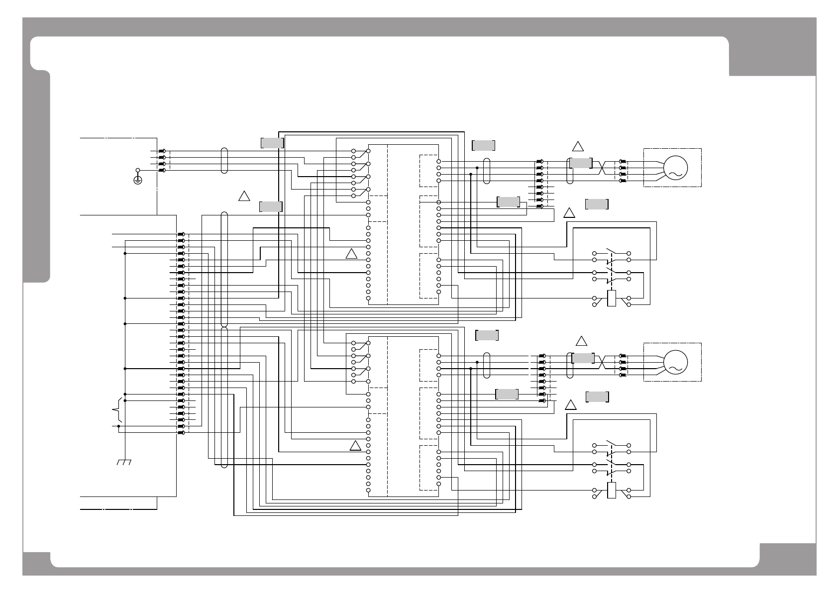
Page
+$1:+$
470
EXCEN PRO(M)
EXCEN PRO(D
)
EXCEN PRO(L)
Base - Ast BUT Motor
-K321
BASE CONTROL BOARD
AFBUT.M_CW
OT106
AFBUT.M_CCW
EMG10
DATA+
DATA-
+24V(M)
+24V(C)
32
31
18
17
16
1
2
3
4
5
6
7
8
9
10
11
12
CNTX_L
13
14
15
19
20
21
22
23
24
25
26
27
28
29
30
+24VOUT
24GND
EMGOUT
DATA+
DATA-
26
25
M34S75C4F1
MX34032SF1
JAE
BC-CNTX_L
1
2
3
4
5
6
7
8
9
10
11
12
13
14
15
16
17
18
19
20
21
22
23
24
27
28
29
30
31
32
L1
L2
L3
FG
U
V
W
FG
C
B
A
FM
RL
RM
RH
MRS
RES
SD
PC
STF
STR
SD
SD
SDA
SDB
RDA
RDB
RUN
FU
SE
AF BUT
MOTOR
AR BUT
MOTOR
MITSUBISHI
FR-E720EX
-0.1K-03
E
W
V
U
-M521
AFBUT-axis MOTOR
M
1
4
3
2
E
W
V
U
-M522
ARBUT-axis MOTOR
M
1
4
3
2
ST-TMH-S-C1B-100-(A534G)
JN4FT04SJ1-R
JAE
BUTM
2
3
4
1
ST-TMH-S-C1B-100-(A534G)
JN4FT04SJ1-R
JAE
BUTM
2
3
4
1
EP02-001072B
BK
WH
RD
GN/YE
GN
BK
WH
RD
U-TKVV AWG20-4C
EP02-001228A
(0.5mm2-4C)
EP02-001072B
BK
WH
RD
GN/YE
GN
BK
WH
RD
U-TKVV AWG20-4C
EP02-001229A
(0.5mm2-4C)
SDA
SDB
RDA
RDB
SG
2
IN072 (DONE)
IN074(ERROR)
IN076 (INT)
IN073 (DONE)
IN075(ERROR)
IN077 (INT)
-K521(AF
BUT DRIVER)
EP02-001234A
BU UL#24 80/300-0.2mm2
BU UL#24 80/300-0.2mm2
MITSUBISHI
MM-GKR13
MITSUBISHI
MM-GKR13
L1
L2
L3
FG
U
V
W
FG
C
B
A
FM
RL
RM
RH
MRS
RES
SD
PC
STF
STR
SD
SD
SDA
SDB
RDA
RDB
RUN
FU
SE
MITSUBISHI
FR-E720EX
-0.1K-03
SDA
SDB
RDA
RDB
SG
2
-K522(AR
BUT DRIVER)
EP02-001235A
BU UL#24 80/300-0.2mm2
BU UL#24 80/300-0.2mm2
ARBUT.M_CW
OT107
ARBUT.M_CCW
EMG10
DATA+
DATA-
U-TKVV AWG24-7P
BK UL#18
-0.75mm2
GNYE UL#18
-0.75mm2
BK UL#18
-0.75mm2
BK UL#18
-0.75mm2
U-TKVV
AWG24-7P
EP02-001707A
-A02
POWER UNIT
A1
4
3
2
1
JSTF32MSP-04V-KX
SF3M-41T-P2.0
L1
L2
L3
LF3f-41T-M2.0NF32FSS-04V-KX
JST
1
2
3
4
POWERA1
GN
BK
WH
RD
U-TKVV AWG16-4C
EP02-001245A
(1.25mm2-4C)
-K121
OMRON
G7SA-2A2B
33 34
11 1 2
43 44
21 22
01
+-
-K122
OMRON
G7SA-2A2B
33 34
11 1 2
43 44
21 22
01
+-
EP02-001391C
EP02-001392C
1
1
1
CNPW521P
8
7
6
5
2
3
1
4
MOLEX
43020-0800
43031-0001
8
7
6
5
2
3
1
4
CNPW
MOLEX
43025-0800
43030-0001
CNPW522P
8
7
6
5
2
3
1
4
MOLEX
43020-0800
43031-0001
8
7
6
5
2
3
1
4
CNPW
MOLEX
43025-0800
43030-0001
2
2
2
2
1
3
4
6
5
7
4
8
9
2

Page
+$1:+$
471
Base - Ast BUT Motor
EXCEN PRO(M)
EXCEN PRO(D)
EXCEN PRO(L)
NO. PART NO. PART NAME Q'TY Old No. Supply Supply LT Reference
1 EP02-001245A HARNESS-A-STAGE BUT DRIVER CABLE 1
2 EP02-001707A HARNESS-A STAGE BUT MOTOR CABLE 1
3 EP02-001228A HARNESS-V1+AF BUT MOTOR CABLE 1
4 EP02-001072C HARNESS-BUT MOTOR CABLE 2 EP02-001072B
5 EP02-001234A HARNESS-AF BUT DRIVER SHORT CABLE 1
6 EP02-001391C HARNESS-AF BUT RELAY CABLE 1 EP02-001391B
7 EP02-001229A HARNESS-V1+AR BUT MOTOT CABLE 1
8 EP02-001235A HARNESS-AR BUT DRIVER SHORT CABLE 1
9 EP02-001392C HARNESS-AR BUT RELAY CABLE 1 EP02-001392B

Page
+$1:+$
472
EXCEN PRO(M)
EXCEN PRO(D
)
EXCEN PRO(L)
Base - Bst BUT Motor
-K321
BASE CONTROL BOARD
BFBUT.M_CW
OT104
BFBUT.M_CCW
EMG10
DATA+
DATA-
+24V(M)
+24V(C)
32
31
18
17
16
1
2
3
4
5
6
7
8
9
10
11
12
CNTX_R
13
14
15
19
20
21
22
23
24
25
26
27
28
29
30
+24VOUT
24GND
EMGOUT
DATA+
DATA-
26
25
M34S75C4F1
MX34032SF1
JAE
BC-CNTX_R
1
2
3
4
5
6
7
8
9
10
11
12
13
14
15
16
17
18
19
20
21
22
23
24
27
28
29
30
31
32
L1
L2
L3
FG
U
V
W
FG
C
B
A
FM
RL
RM
RH
MRS
RES
SD
PC
STF
STR
SD
SD
SDA
SDB
RDA
RDB
RUN
FU
SE
BF BUT
MOTOR
BR BUT
MOTOR
E
W
V
U
-M523
BFBUT-axis MOTOR
M
1
4
3
2
E
W
V
U
-M524
BRBUT-axis MOTOR
M
1
4
3
2
ST-TMH-S-C1B-100-(A534G)
JN4FT04SJ1-R
JAE
BUTM
2
3
4
1
ST-TMH-S-C1B-100-(A534G)
JN4FT04SJ1-R
JAE
BUTM
2
3
4
1
EP02-001072B
BK
WH
RD
GN/YE
GN
BK
WH
RD
U-TKVV AWG20-4C
EP02-001230A
EP02-001072B
BK
WH
RD
GN/YE
GN
BK
WH
RD
U-TKVV AWG20-4C
EP02-001231A
SDA
SDB
RDA
RDB
SG
2
IN172 (DONE)
IN174(ERROR)
IN176 (INT)
IN173 (DONE)
IN175(ERROR)
IN177 (INT)
EP02-001236A
BU UL#24 80/300-0.2mm2
BU UL#24 80/300-0.2mm2
MITSUBISHI
MM-GKR13
MITSUBISHI
MM-GKR13
L1
L2
L3
FG
U
V
W
FG
C
B
A
FM
RL
RM
RH
MRS
RES
SD
PC
STF
STR
SD
SD
SDA
SDB
RDA
RDB
RUN
FU
SE
SDA
SDB
RDA
RDB
SG
2
EP02-001237A
BU UL#24 80/300-0.2mm2
BU UL#24 80/300-0.2mm2
BRBUT.M_CW
OT105
BRBUT.M_CCW
EMG10
DATA+
DATA-
U-TKVV AWG24-7P
BK UL#18
-0.75mm2
GNYE UL#18
-0.75mm2
BK UL#18
-0.75mm2
BK UL#18
-0.75mm2
U-TKVV
AWG24-7P
EP02-001708B
POWER UNIT
-A02
A2
4
3
2
1
JSTF32MSP-04V-KX
SF3M-41T-P2.0
L1
L2
L3
GN
BK
WH
RD
U-TKVV AWG16-4C
EP02-001246A
(1.25mm2-4C)
LF3F-41T-M2.0NF32FSS-04V-KX
JST
1
2
3
4
POWERA2
-K123
OMRON
G7SA-2A2B
33 34
11 1 2
43 44
21 22
01
+-
-K124
OMRON
G7SA-2A2B
33 34
11 1 2
43 44
21 22
01
+-
MITSUBISHI
FR-E720EX
-0.1K-03
-K523(BF
BUT DRIVER)
MITSUBISHI
FR-E720EX
-0.1K-03
-K524(BR
BUT DRIVER)
EP02-001393C
EP02-001394C
1
1
1
CNPW523P
8
7
6
5
2
3
1
4
MOLEX
43020-0800
43031-0001
8
7
6
5
2
3
1
4
CNPW
MOLEX
43025-0800
43030-0001
CNPW524P
8
7
6
5
2
3
1
4
MOLEX
43020-0800
43031-0001
8
7
6
5
2
3
1
4
CNPW
MOLEX
43025-0800
43030-0001
2
2
2
2
2
1
3
4
6
5
7
4
8
9
2