Excellent Modular Component Placer EXCEN Series EXCEN PRO(M)/(D)/(L) Technical Reference - 第487页
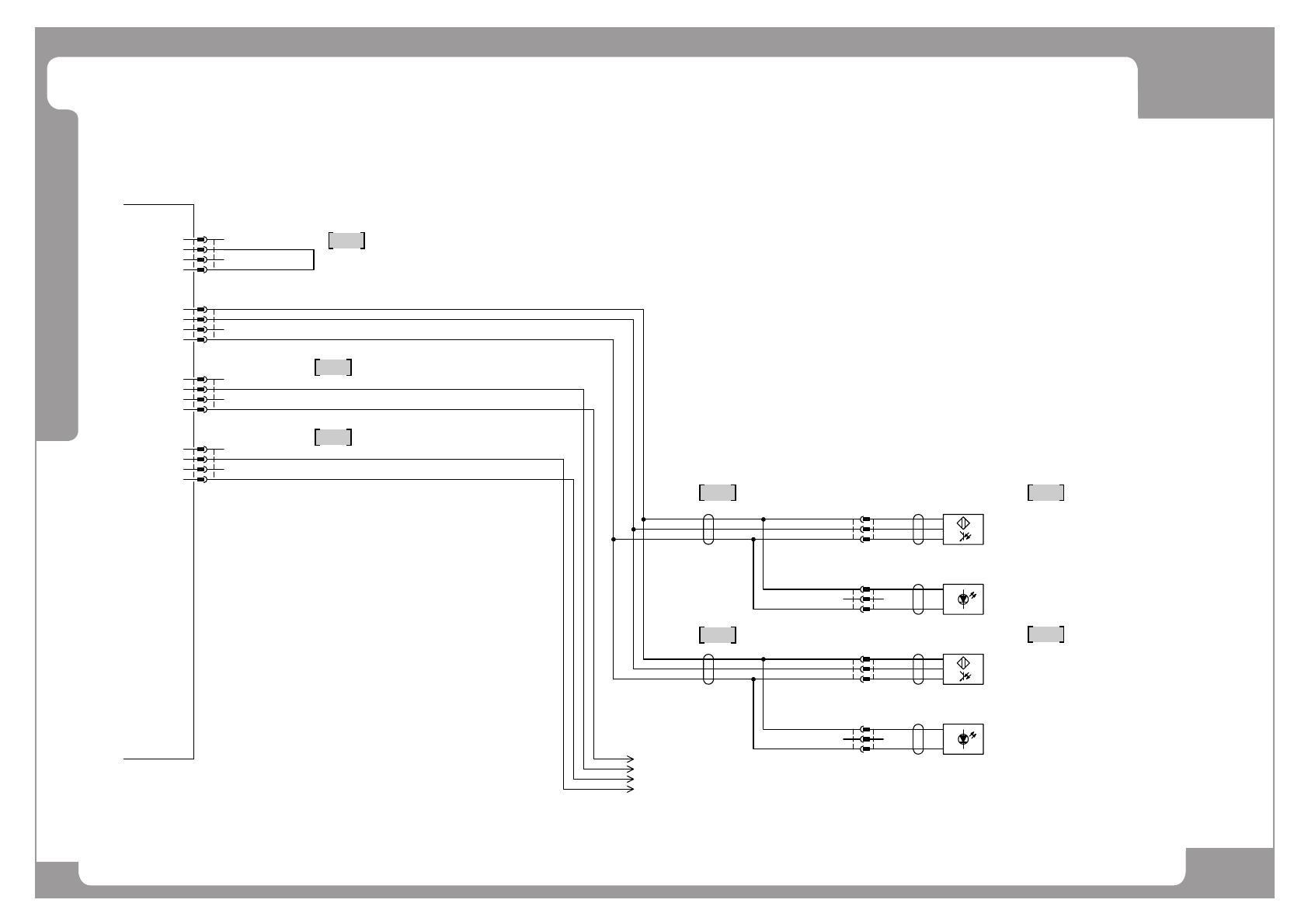
Page +$1:+$ 481 Base - B Feeder Opening Sensor EXCEN PRO(M) EXCEN PRO(D) EXCEN PRO(L) NO. P ART NO. P ART NAME Q'TY Old No. Supply Supply L T Reference 1 EP0 2-001268B HARNESS-IO-CN12-CONNECT CABLE 1 2 EP0 2-001269B…

Page
+$1:+$
480
EXCEN PRO(M)
EXCEN PRO(D
)
EXCEN PRO(L)
Base - B Feeder Opening Sensor
-K322
I/O BOARD
-B1004
BN
BK
BU
OMRON
E3T-FT12
CN13
6
5
4
3
2
1
+24V
IN204
IN205
IN206
IN207
GND
6
5
4
3
2
1
IO-CN13
MOLEX
43025-0600
43030-0001
BU
BN
-B1004T
BF Feeder Opening 1
(Receive side)
BF Feeder Opening 2
(Projection side)
EP02-001269B
UL2464 3C*24AWG
EP02-001990A
BF-DTRY-FD1-1AM03-003282A+037AA-3B
BF-DTRY-FD1-2AM03-003282A+037AA-3B
BR-DTRY-FD1-1AM03-003282A+037AA-3E
BR-DTRY-FD1-2AM03-003282A+037AA-3E
6
5
4
3
2
1
IO-EXT4-CN1(CN1K352)MOLEX
43025-0600
43030-0001
43030-0001
43025-0400MOLEX
1
2
3
4
IO-EXT4-CN2(CN2K352)
43030-0001
43025-0400
MOLEX
1
2
3
4
IO-EXT4-CN4(CN4K352)
43030-0001
43025-0400
MOLEX
1
2
3
4
IO-EXT4-CN5(CN5K352)
(0.2mm2-3P)
EP02-001268B
U-TKVV AWG24-3P
BK
BK/WH
RD
RD/WH
GN
GN/WH
6
5
4
3
2
1
CN1
MOLEX
43045-0612
CN2
4
3
2
1
MOLEX
43045-0412
CN3
4
3
2
1
MOLEX
43045-0412
CN4
4
3
2
1
MOLEX
43045-0412
CN5
4
3
2
1
MOLEX
43045-0412
- IO-EXT4(K352)
BF-FDOP1-RE
3
1
2
JSTYLP-03V
SYF-01T-P0.5AYLS-03V
BF-FDOP2-PR
3
1
2
JSTYLP-03V
SYF-01T-P0.5AYLS-03V
3
2
1
FDOP-RE
JST YLR-03V
SYM-01T-P0.5A YLS-03V
3
2
1
FDOP-PR
JST YLR-03V
SYM-01T-P0.5A YLS-03V
-B1004
BN
BK
BU
OMRON
E3T-FT12
BU
BN
-B1004T
BF Feeder Opening 2
(Receive side)
BF Feeder Opening 1
(Projection side)
EP02-001990A
BF-FDOP2-RE
3
1
2
JSTYLP-03V
SYF-01T-P0.5AYLS-03V
BF-FDOP1-PR
3
1
2
JSTYLP-03V
SYF-01T-P0.5AYLS-03V
3
2
1
FDOP-RE
JST YLR-03V
SYM-01T-P0.5A YLS-03V
3
2
1
FDOP-PR
JST YLR-03V
SYM-01T-P0.5A YLS-03V
-B1004
BN
BK
BU
OMRON
E3T-FT12
BU
BN
-B1004T
BR Feeder Opening 1
(Receive side)
BR Feeder Opening 2
(Projection side)
EP02-001270B
UL2464 3C*24AWG
EP02-001990A
43030-0001
43025-0400MOLEX
1
2
3
4
IO-EXT4-CN3(CN3K352) BR-FDOP1-RE
3
1
2
JSTYLP-03V
SYF-01T-P0.5AYLS-03V
BR-FDOP2-PR
3
1
2
JSTYLP-03V
SYF-01T-P0.5AYLS-03V
3
2
1
FDOP-RE
JST YLR-03V
SYM-01T-P0.5A YLS-03V
3
2
1
FDOP-PR
JST YLR-03V
SYM-01T-P0.5A YLS-03V
-B1004
BN
BK
BU
OMRON
E3T-FT12
BU
BN
-B1004T
BR Feeder Opening 2
(Receive side)
BR Feeder Opening 1
(Projection side)
EP02-001990A
BR-FDOP2-RE
3
1
2
JSTYLP-03V
SYF-01T-P0.5AYLS-03V
BR-FDOP1-PR
3
1
2
JSTYLP-03V
SYF-01T-P0.5AYLS-03V
3
2
1
FDOP-RE
JST YLR-03V
SYM-01T-P0.5A YLS-03V
3
2
1
FDOP-PR
JST YLR-03V
SYM-01T-P0.5A YLS-03V
2
2
2
1 2
3
4
4
4
4

Page
+$1:+$
481
Base - B Feeder Opening Sensor
EXCEN PRO(M)
EXCEN PRO(D)
EXCEN PRO(L)
NO. PART NO. PART NAME Q'TY Old No. Supply Supply LT Reference
1 EP02-001268B HARNESS-IO-CN12-CONNECT CABLE 1
2 EP02-001269B HARNESS-IO-CN13-CONNECT CABLE 1
3 EP02-001270B HARNESS-BF FEEDER OPEN SEN CABLE 1
4 EP02-001990A HARNESS-FDR UNLOCK 2 SNS CABLE ASSY 4

Page
+$1:+$
482
EXCEN PRO(M)
EXCEN PRO(D
)
EXCEN PRO(L)
Base - B Feeder Opening Sensor - PRO(D) Standard
-K322
+24V
IN204
N.C.
GND
BR Feeder Opening
sensor-1
(Receive side)
BR Feeder Opening
sensor-2
(䡟䢌rojection side)
EP02-001990A
BF-DTRY-FD2-1
AM03-021346A+037AA-3C
BF-DTRY-FD2-2
AM03-021346A+037AA-3C
BR-DTRY-FD2-1
AM03-021346A+037AA-3E
BR-DTRY-FD2-2
AM03-021346A+037AA-3E
BR Feeder Opening
sensor-2
(Receive side)
BR Feeder Opening
sensor-1
(䡟䢌rojection side)
EP02-001990A
+24V
IN205
N.C.
GND
+24V
IN206
N.C.
GND
+24V
IN207
N.C.
GND
GIO EX BOARD
(REV5.0)
AM03-020185A
AM03-020186A
EXCEN D ST OPTION
AM03-021440A
-B1005
BN
BK
BU
OMRON
E3T-FT12
BU
BN
-B1005T
AM03-020170A
UL2464 3C*24AWG
43030-0001
43025-0400MOLEX
1
2
3
4
CN131
43030-0001
43025-0400
MOLEX
1
2
3
4
CN132
43030-0001
43025-0400
MOLEX
1
2
3
4
CN133
43030-0001
43025-0400
MOLEX
1
2
3
4
CN134
CN131
4
3
2
1
MOLEX
43045-0412
CN132
4
3
2
1
MOLEX
43045-0412
CN133
4
3
2
1
MOLEX
43045-0412
CN134
4
3
2
1
MOLEX
43045-0412
BR-FDOP1-RE
3
1
2
JSTYLP-03V
SYF-01T-P0.5AYLS-03V
BR-FDOP2-PR
3
1
2
JSTYLP-03V
SYF-01T-P0.5AYLS-03V
3
2
1
FDOP1-RE
JST YLR-03V
SYM-01T-P0.5AYLS-03V
3
2
1
FDOP2-PR
JST YLR-03V
SYM-01T-P0.5AYLS-03V
-B1005
BN
BK
BU
OMRON
E3T-FT12
BU
BN
-B1005T
AM03-020170A
UL2464 3C*24AWG
BR-FDOP2-RE
3
1
2
JSTYLP-03V
SYF-01T-P0.5AYLS-03V
BR-FDOP1-PR
3
1
2
JSTYLP-03V
SYF-01T-P0.5AYLS-03V
3
2
1
FDOP2-RE
JST YLR-03V
SYM-01T-P0.5AYLS-03V
3
2
1
FDOP1-PR
JST YLR-03V
SYM-01T-P0.5AYLS-03V
1
2
3
4 5
5
4