Excellent Modular Component Placer EXCEN Series EXCEN PRO(M)/(D)/(L) Technical Reference - 第493页
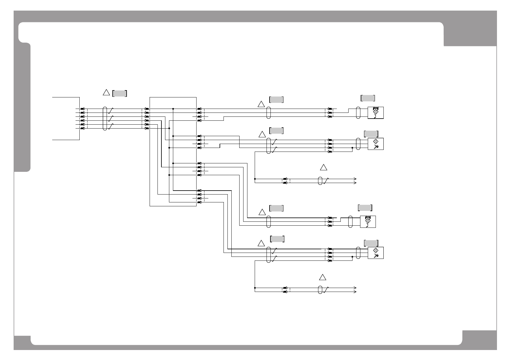
Page +$1:+$ 487 Base - Ast Cart Sensor EXCEN PRO(M) EXCEN PRO(D) EXCEN PRO(L) NO. PA R T N O . P ART NAME Q'TY Old No. Supply Supply L T Re ference 1 EP02-001271B HARNESS-I O CN14-CONNECT CABLE 1 2 EP02-001272B HARN…

Page
+$1:+$
486
EXCEN PRO(M)
EXCEN PRO(D
)
EXCEN PRO(L)
Base - Ast Cart Sensor
-K322
CN14
6
5
4
3
2
1
+24V
IN210
IN211
IN212
IN213
GND
6
5
4
3
2
1
IO-CN14
MOLEX
43025-0600
43030-0001
AF Cart lock release
confirmation
AF Cart setting check
AR Cart lock release
confirmation
AR Cart setting check
2
1
AF-LOCK/CUT
JST
YLR-02V
SYM-01T-P0.5A
YLS-02V
YLS-02V
SYF-01T-P0.5A
YLP-02V
JST
1
2
AF-LOCK/CUT
2
1
AR-LOCK/CUT
JST
YLR-02V
SYM-01T-P0.5A
YLS-02V
YLS-02V
SYF-01T-P0.5A
YLP-02V
JST
1
2
AR-LOCK/CUT
I/O BOARD
AF_LOCK
AM03-003282A+064AA-4A
AF_CUT
AM03-003282A+064AA-4B
AR_LOCK
AM03-003282A+064AA-4C
AR_CUT
AM03-003282A+064AA-4D
EP02-001272B
UL2464 3C*24AWG
EP02-001274B
UL2464 3C*24AWG
UL2464 2P*24AWG
EP02-001273B
UL2464 2P*24AWG
EP02-001275B
-B1013
BN
BU
TPC
W8H
-B1012
BN
BU
TPC
W8H
6
5
4
3
2
1
IO-EXT5-CN1(CN1K353)
MOLEX
43025-0600
43030-0001
(0.2mm2-3P)
EP02-001271B
U-TKVV AWG24-3P
BK
BK/WH
RD
RD/WH
GN
GN/WH
43030-0001
43025-0400MOLEX
1
2
3
4
IO-EXT5-CN2(CN2K353)
43030-0001
43025-0400MOLEX
1
2
3
4
IO-EXT5-CN3(CN3K353)
43030-0001
43025-0400MOLEX
1
2
3
4
IO-EXT5-CN4(CN4K353)
43030-0001
43025-0400MOLEX
1
2
3
4
IO-EXT5-CN5(CN5K353)
6
5
4
3
2
1
CN1
MOLEX
43045-0612
CN2
4
3
2
1
MOLEX
43045-0412
CN3
4
3
2
1
MOLEX
43045-0412
CN4
4
3
2
1
MOLEX
43045-0412
CN5
4
3
2
1
MOLEX
43045-0412
-IO-EXT5(K353)
AF-CART-LOCK-1
3
1
2
JST
YLP-03V
SYF-01T-P0.5A
YLS-03V
3
2
1
CART-LOCK
JST
YLR-03V
SYM-01T-P0.5A
YLS-03V
CART-SET
4
3
2
1
JST
YLR-04V
SYM-01T-P0.5A
YLS-02V
YLS-02V
SYF-01T-P0.5A
YLP-04V
JST
AF-CART-SET-1
1
2
3
4
AR-CART-LOCK-1
3
1
2
JST
YLP-03V
SYF-01T-P0.5A
YLS-03V
3
2
1
CART-LOCK
JST
YLR-03V
SYM-01T-P0.5A
YLS-03V
CART-SET
4
3
2
1
JST
YLR-04V
SYM-01T-P0.5A
YLS-02V
YLS-02V
SYF-01T-P0.5A
YLP-04V
JST
AR-CART-SET-1
1
2
3
4
-S335
BK
BU
BN
OMRON
E3T-FD12
EP02-001635A
BU UL#24 80/300-0.2mm2
-S336
BK
BU
BN
OMRON
E3T-FD12
EP02-001635A
BU UL#24 80/300-0.2mm2
EP02-001637A
EP02-001637A
EP02-001302B
UL2464 1P*24AWG
EP02-001301B
UL2464 1P*24AWG
1
1
1
1
1
1
1
1
2
6
7
6
7
3
4
5

Page
+$1:+$
487
Base - Ast Cart Sensor
EXCEN PRO(M)
EXCEN PRO(D)
EXCEN PRO(L)
NO. PART NO. PART NAME Q'TY Old No. Supply Supply LT Reference
1 EP02-001271B HARNESS-IO CN14-CONNECT CABLE 1
2 EP02-001272B HARNESS-AF CART LOCK CABLE 1
3 EP02-001273B HARNESS-AF CART SET CABLE 1
4 EP02-001274B HARNESS-AR CART LOCK CABLE 1
5 EP02-001275B HARNESS-AR CART SET CABLE 1
6 EP02-001637B HARNESS-CART LOCK RELEASE SENSOR CABLE 2 EP02-001637A
7 EP02-001635B HARNESS-CART CLAMP SENSOR CABLE ASSY 2 EP02-001635A

Page
+$1:+$
488
EXCEN PRO(M)
EXCEN PRO(D
)
EXCEN PRO(L)
Base - Ast Cart Sensor - PRO(D) Extension
-K322
AF Cart lock release
confirmation
AF Cart setting check
AR Cart lock release
confirmation
AR Cart setting check
AF_LOCK
AM03-021346A+064AA-4A
AF_CUT
AM03-021346A+064AA-4B
AR_LOCK
AM03-021346A+064AA-4C
AR_CUT
AM03-021346A+064AA-4D
+24V
IN210
N.C.
GND
+24V
IN211
N.C.
GND
+24V
IN212
N.C.
GND
+24V
IN213
N.C.
GND
GIO EX BOARD
(REV5.0)
EXCEN D EXT OPTION
1
2
3
4
3
4
5
6
7
8
2
1
AF-LOCK/CUT
JST
YLR-02V
SYM-01T-P0.5A
YLS-02V
YLS-02V
SYF-01T-P0.5A
YLP-02V
JST
1
2
AF-LOCK/CUT
2
1
AR-LOCK/CUT
JST
YLR-02V
SYM-01T-P0.5A
YLS-02V
YLS-02V
SYF-01T-P0.5A
YLP-02V
JST
1
2
AR-LOCK/CUT
AM03-020171A
UL2464 3C*24AWG
AM03-020173A
UL2464 3C*24AWG
UL2464 2P*24AWG
AM03-020172A
UL2464 2P*24AWG
AM03-020174A
-B1013
BN
BU
SMC
D-A93
-B1012
BN
BU
SMC
D-A93
43030-0001
43025-0400MOLEX
1
2
3
4
CN141
43030-0001
43025-0400MOLEX
1
2
3
4
CN142
43030-0001
43025-0400MOLEX
1
2
3
4
CN143
43030-0001
43025-0400MOLEX
1
2
3
4
CN144
CN141
4
3
2
1
MOLEX
43045-0412
CN142
4
3
2
1
MOLEX
43045-0412
CN143
4
3
2
1
MOLEX
43045-0412
CN144
4
3
2
1
MOLEX
43045-0412
AF-CART-LOCK-1
3
1
2
JST
YLP-03V
SYF-01T-P0.5A
YLS-03V
3
2
1
CART-LOCK
JST
YLR-03V
SYM-01T-P0.5A
YLS-03V
CART-SET
4
3
2
1
JST
YLR-04V
SYM-01T-P0.5A
YLS-02V
YLS-02V
SYF-01T-P0.5A
YLP-04V
JST
AF-CART-SET-1
1
2
3
4
AR-CART-LOCK-1
3
1
2
JST
YLP-03V
SYF-01T-P0.5A
YLS-03V
3
2
1
CART-LOCK
JST
YLR-03V
SYM-01T-P0.5A
YLS-03V
CART-SET
4
3
2
1
JST
YLR-04V
SYM-01T-P0.5A
YLS-02V
YLS-02V
SYF-01T-P0.5A
YLP-04V
JST
AR-CART-SET-1
1
2
3
4
-S335
BK
BU
BN
OMRON
E3T-FD12
EP02-001635A
BU UL#24 80/300-0.2mm2
-S336
BK
BU
BN
OMRON
E3T-FD12
EP02-001635A
BU UL#24 80/300-0.2mm2
EP02-001637B
EP02-001637B
AM03-020188A
UL2464 1P*24AWG
AM03-020187A
UL2464 1P*24AWG