Excellent Modular Component Placer EXCEN Series EXCEN PRO(M)/(D)/(L) Technical Reference - 第499页
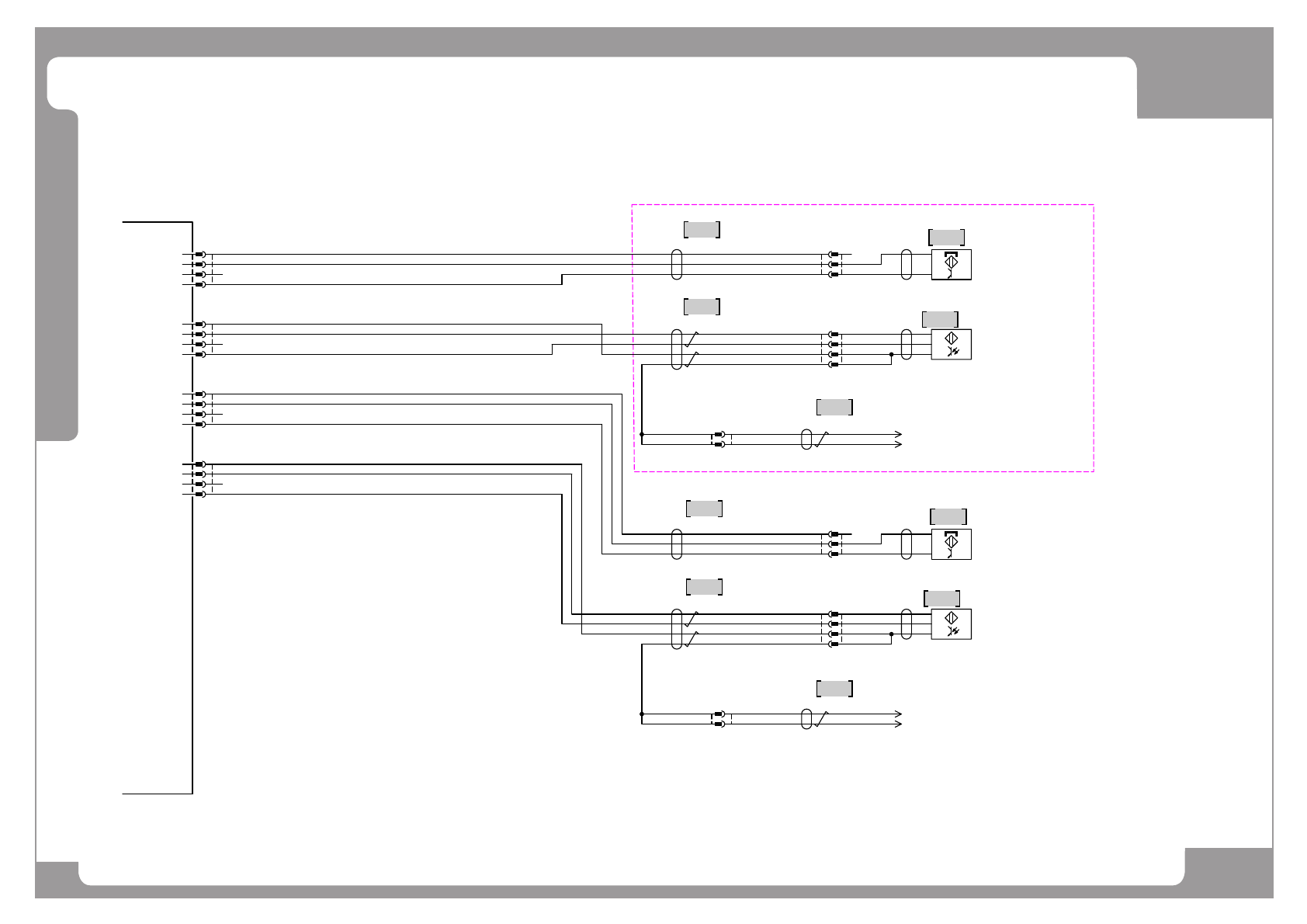
Page +$1:+$ 493 Base - Bst Cart Sensor - PRO(D) Extension EXCEN PRO(M) EXCEN PRO(D) EXCEN PRO(L) NO. PA R T N O . P ART NAME Q'TY Old No. Supply Supply L T Re ference 1 AM03-020175A CABLE ASSY -BF CART LOCK CABLE AS…

Page
+$1:+$
492
EXCEN PRO(M)
EXCEN PRO(D
)
EXCEN PRO(L)
Base - Bst Cart Sensor - PRO(D) Extension
-K322
BF Cart lock release
confirmation
BF Cart setting check
BR Cart lock release
confirmation
BR Cart setting check
BF_LOCK
AM03-021346A+065AA-4A
BF_CUT
AM03-021346A+065AA-4B
BR_LOCK
AM03-021346A+065AA-4C
BR_CUT
AM03-021346A+065AA-4D
+24V
IN214
N.C.
GND
+24V
IN215
N.C.
GND
+24V
IN216
N.C.
GND
+24V
IN217
N.C.
GND
GIO EX BOARD
(REV5.0)
EXCEN D EXT OPTION
2
1
BF-LOCK/CUT
JST
YLR-02V
SYM-01T-P0.5A
YLS-02V
YLS-02V
SYF-01T-P0.5A
YLP-02V
JST
1
2
BF-LOCK/CUT
2
1
BR-LOCK/CUT
JST
YLR-02V
SYM-01T-P0.5A
YLS-02V
YLS-02V
SYF-01T-P0.5A
YLP-02V
JST
1
2
BR-LOCK/CUT
AM03-020190A
UL2464 1P*24AWG
AM03-020189A
UL2464 1P*24AWG
AM03-020175A
UL2464 3C*24AWG
AM03-020177A
UL2464 3C*24AWG
UL2464 2P*24AWG
AM03-020176A
UL2464 2P*24AWG
AM03-020178A
43030-0001
43025-0400MOLEX
1
2
3
4
CN151
43030-0001
43025-0400MOLEX
1
2
3
4
CN152
43030-0001
43025-0400MOLEX
1
2
3
4
CN153
43030-0001
43025-0400MOLEX
1
2
3
4
CN154
CN151
4
3
2
1
MOLEX
43045-0412
CN152
4
3
2
1
MOLEX
43045-0412
CN153
4
3
2
1
MOLEX
43045-0412
CN154
4
3
2
1
MOLEX
43045-0412
BF-CART-LOCK-1
3
1
2
JST
YLP-03V
SYF-01T-P0.5A
YLS-03V
3
2
1
CART-LOCK
JST
YLR-03V
SYM-01T-P0.5A
YLS-03V
CART-SET
4
3
2
1
JST
YLR-04V
SYM-01T-P0.5A
YLS-02V
YLS-02V
SYF-01T-P0.5A
YLP-04V
JST
BF-CART-SET-1
1
2
3
4
BR-CART-LOCK-1
3
1
2
JST
YLP-03V
SYF-01T-P0.5A
YLS-03V
3
2
1
CART-LOCK
JST
YLR-03V
SYM-01T-P0.5A
YLS-03V
CART-SET
4
3
2
1
JST
YLR-04V
SYM-01T-P0.5A
YLS-02V
YLS-02V
SYF-01T-P0.5A
YLP-04V
JST
BR-CART-SET-1
1
2
3
4
-S337
BK
BU
BN
OMRON
E3T-FD12
EP02-001635A
BU UL#24 80/300-0.2mm2
-S338
BK
BU
BN
OMRON
E3T-FD12
EP02-001635A
BU UL#24 80/300-0.2mm2
-B1014
BN
BU
D-A93
W8H
EP02-001637B
-B1015
BN
BU
SMC
D-A93
EP02-001637B
1
2
5
6
7
8
3
4
3
4

Page
+$1:+$
493
Base - Bst Cart Sensor - PRO(D) Extension
EXCEN PRO(M)
EXCEN PRO(D)
EXCEN PRO(L)
NO. PART NO. PART NAME Q'TY Old No. Supply Supply LT Reference
1 AM03-020175A CABLE ASSY-BF CART LOCK CABLE ASSY 1
2 AM03-020176A CABLE ASSY-BF CART SET CABLE ASSY 1
3 EP02-001637B HARNESS-CART LOCK RELEASE SENSOR CABLE 2
4 EP02-001635A HARNESS-CART CLAMP SENSOR CABLE ASSY 2
5 AM03-020189A CABLE ASSY-BF-VALVE CABLE ASSY 1
6 AM03-020177A CABLE ASSY-BR CART LOCK CABLE ASSY 1
7 AM03-020178A CABLE ASSY-BR CART SET CABLE ASSY 1
8 AM03-020190A CABLE ASSY-BR-VALVE CABLE ASSY 1

Page
+$1:+$
494
EXCEN PRO(M)
EXCEN PRO(D
)
EXCEN PRO(L)
Base - Loof Fan
n
SANYO_DENNKI
FM
FAN
9LB1424H5J05
RD
YE
BK
CN16
6
5
4
3
2
1
6
5
4
3
2
1
IO-CN16
MOLEX
43025-0600
43030-0001
6
5
4
3
2
1
CN1
MOLEX
43045-0612
CN2
4
3
2
1
MOLEX
43045-0412
CN3
4
3
2
1
MOLEX
43045-0412
CN4
4
3
2
1
MOLEX
43045-0412
CN5
4
3
2
1
MOLEX
43045-0412
6
5
4
3
2
1
IO-EXT7-CN1(CN1K355)
MOLEX
43025-0600
43030-0001
43030-0001
43025-0400
MOLEX
1
2
3
4
IO-EXT7-CN2(CN2K355)
43030-0001
43025-0400MOLEX
1
2
3
4
IO-EXT7-CN4(CN4K355)
43030-0001
43025-0400MOLEX
1
2
3
4
IO-EXT7-CN5(CN5K355)
(0.2mm2-1P)
EP02-000999B
U-TKVV AWG24-1P
BK
BK/WH
(0.2mm2-1P)
EP02-001000C
U-TKVV AWG24-1P
BK
BK/WH
AFLOOF-FAN
4
3
2
1
MOLEX
43020-0400
43031-0001
43030-0001
43025-0400
MOLEX
1
2
3
4
FAN
(0.2mm2-3C)
EP02-001713B
U-TKVV AWG24-3C
BK
BK/WH
RD
EP02-001281B
BN
UL#24 80/300-0.2mm2
WHUL#24 80/300-0.2mm2
WHUL#24 80/300-0.2mm2
WHUL#24 80/300-0.2mm2
WHUL#24 80/300-0.2mm2
BU UL#24 80/300-0.2mm2
1
MID-FAN
4
3
2
1
MOLEX
43020-0400
43031-0001
n
SANYO_DENNKI
FM
FAN
9LB1424H5J05
RD
YE
BK
43030-0001
43025-0400
MOLEX
1
2
3
4
FANSIDE-FAN
4
3
2
1
MOLEX
43020-0400
43031-0001
n
SANYO_DENNKI
FM
FAN
9LB1424H5J05
RD
YE
BK
43030-0001
43025-0400
MOLEX
1
2
3
4
FAN
1
MID-FAN
4
3
2
1
MOLEX
43020-0400
43031-0001
n
SANYO_DENNKI
FM
FAN
9LB1424H5J05
RD
YE
BK
43030-0001
43025-0400
MOLEX
1
2
3
4
FANSIDE-FAN
4
3
2
1
MOLEX
43020-0400
43031-0001
BFLOOF-FAN
4
3
2
1
MOLEX
43020-0400
43031-0001
3
3
3
3
3
9aRLYM1
JST
FV0.5-3
13aRLYM1
JST
FV0.5-3
10aRLYM1
JST
FV0.5-3
14aRLYM1
JST
FV0.5-3
11aRLYM1
JST
FV0.5-3
12aRLYM1
JST
FV0.5-3
5aRLYM1
JST
FV0.5-3
1aRLYM1
JST
FV0.5-3
6aRLYM1
JST
FV0.5-3
2aRLYM1
JST
FV0.5-3
7aRLYM1
JST
FV0.5-3
8aRLYM1
15aRLYM1
JST
FV0.5-3
16aRLYM1
JST
FV0.5-3
3aRLYM1
4aRLYM1
1
2
3
4
43030-0001
43025-0400
MOLEX
1
2
3
4
IO-EXT7-CN3(CN3K355)
43030-0001
43025-0400
MOLEX
1
2
3
4
FAN
9aRLYM1
JST
FV0.5-3
13aRLYM1
JST
FV0.5-3
10aRLYM1
JST
FV0.5-3
14aRLYM1
JST
FV0.5-3
11aRLYM1
JST
FV0.5-3
12aRLYM1
JST
FV0.5-3
5aRLYM1
JST
FV0.5-3
1aRLYM1
JST
FV0.5-3
6aRLYM1
JST
FV0.5-3
2aRLYM1
JST
FV0.5-3
7aRLYM1
JST
FV0.5-3
8aRLYM1
15aRLYM1
JST
FV0.5-3
16aRLYM1
JST
FV0.5-3
3aRLYM1
4aRLYM1
-K322
I/O BOARD
+24V
IN220
IN221
IN222
IN223
GND
A MID LOOF
COOLING FAN
AF-STRY-FD1-1
AM03-003282A+036AA-3B
AM03-003282A+036AA-3B
AR-STRY-FD1-1
AM03-003282A+036AA-3E
AM03-003282A+036AA-3E
-IO-EXT7(K355)
EP02-001745B
A SIDE LOOF
COOLING FAN
EP02-001745B
B MID LOOF
COOLING FAN
EP02-001745B
B SIDE LOOF
COOLING FAN
EP02-001745B
EP02-001691B
+
-
+
-
+
-
+
+
-
+
-
+
-
+
-
-
16
12
15
11
5
1
6
214
7
10
13
9
3
8
4
AY34002
Panasonic
-FAN RELAY_B
OUT
IN
AM03-015832A
AM03-015833A
+
-
+
-
+
-
+
+
-
+
-
+
-
+
-
-
16
12
15
11
5
1
6
214
7
10
13
9
3
8
4
AY34002
Panasonic
-FAN RELAY_A
OUT
IN
AY3702
AY3702
1
2
4
8
3
7
7
7
7
5
6