Excellent Modular Component Placer EXCEN Series EXCEN PRO(M)/(D)/(L) Technical Reference - 第500页
Page +$1:+$ 494 EXCEN PRO(M) EXCEN PRO(D ) EXCEN PRO(L) Base - Loof Fan n SANYO_DENNKI FM FA N 9LB1424H5J05 RD YE BK CN16 6 5 4 3 2 1 6 5 4 3 2 1 IO-CN16 MOLEX 43025-0600 43030-0001 6 5 4 3 2 1 CN1 MOLEX 43045-0612 CN2 4…

Page
+$1:+$
493
Base - Bst Cart Sensor - PRO(D) Extension
EXCEN PRO(M)
EXCEN PRO(D)
EXCEN PRO(L)
NO. PART NO. PART NAME Q'TY Old No. Supply Supply LT Reference
1 AM03-020175A CABLE ASSY-BF CART LOCK CABLE ASSY 1
2 AM03-020176A CABLE ASSY-BF CART SET CABLE ASSY 1
3 EP02-001637B HARNESS-CART LOCK RELEASE SENSOR CABLE 2
4 EP02-001635A HARNESS-CART CLAMP SENSOR CABLE ASSY 2
5 AM03-020189A CABLE ASSY-BF-VALVE CABLE ASSY 1
6 AM03-020177A CABLE ASSY-BR CART LOCK CABLE ASSY 1
7 AM03-020178A CABLE ASSY-BR CART SET CABLE ASSY 1
8 AM03-020190A CABLE ASSY-BR-VALVE CABLE ASSY 1

Page
+$1:+$
494
EXCEN PRO(M)
EXCEN PRO(D
)
EXCEN PRO(L)
Base - Loof Fan
n
SANYO_DENNKI
FM
FAN
9LB1424H5J05
RD
YE
BK
CN16
6
5
4
3
2
1
6
5
4
3
2
1
IO-CN16
MOLEX
43025-0600
43030-0001
6
5
4
3
2
1
CN1
MOLEX
43045-0612
CN2
4
3
2
1
MOLEX
43045-0412
CN3
4
3
2
1
MOLEX
43045-0412
CN4
4
3
2
1
MOLEX
43045-0412
CN5
4
3
2
1
MOLEX
43045-0412
6
5
4
3
2
1
IO-EXT7-CN1(CN1K355)
MOLEX
43025-0600
43030-0001
43030-0001
43025-0400
MOLEX
1
2
3
4
IO-EXT7-CN2(CN2K355)
43030-0001
43025-0400MOLEX
1
2
3
4
IO-EXT7-CN4(CN4K355)
43030-0001
43025-0400MOLEX
1
2
3
4
IO-EXT7-CN5(CN5K355)
(0.2mm2-1P)
EP02-000999B
U-TKVV AWG24-1P
BK
BK/WH
(0.2mm2-1P)
EP02-001000C
U-TKVV AWG24-1P
BK
BK/WH
AFLOOF-FAN
4
3
2
1
MOLEX
43020-0400
43031-0001
43030-0001
43025-0400
MOLEX
1
2
3
4
FAN
(0.2mm2-3C)
EP02-001713B
U-TKVV AWG24-3C
BK
BK/WH
RD
EP02-001281B
BN
UL#24 80/300-0.2mm2
WHUL#24 80/300-0.2mm2
WHUL#24 80/300-0.2mm2
WHUL#24 80/300-0.2mm2
WHUL#24 80/300-0.2mm2
BU UL#24 80/300-0.2mm2
1
MID-FAN
4
3
2
1
MOLEX
43020-0400
43031-0001
n
SANYO_DENNKI
FM
FAN
9LB1424H5J05
RD
YE
BK
43030-0001
43025-0400
MOLEX
1
2
3
4
FANSIDE-FAN
4
3
2
1
MOLEX
43020-0400
43031-0001
n
SANYO_DENNKI
FM
FAN
9LB1424H5J05
RD
YE
BK
43030-0001
43025-0400
MOLEX
1
2
3
4
FAN
1
MID-FAN
4
3
2
1
MOLEX
43020-0400
43031-0001
n
SANYO_DENNKI
FM
FAN
9LB1424H5J05
RD
YE
BK
43030-0001
43025-0400
MOLEX
1
2
3
4
FANSIDE-FAN
4
3
2
1
MOLEX
43020-0400
43031-0001
BFLOOF-FAN
4
3
2
1
MOLEX
43020-0400
43031-0001
3
3
3
3
3
9aRLYM1
JST
FV0.5-3
13aRLYM1
JST
FV0.5-3
10aRLYM1
JST
FV0.5-3
14aRLYM1
JST
FV0.5-3
11aRLYM1
JST
FV0.5-3
12aRLYM1
JST
FV0.5-3
5aRLYM1
JST
FV0.5-3
1aRLYM1
JST
FV0.5-3
6aRLYM1
JST
FV0.5-3
2aRLYM1
JST
FV0.5-3
7aRLYM1
JST
FV0.5-3
8aRLYM1
15aRLYM1
JST
FV0.5-3
16aRLYM1
JST
FV0.5-3
3aRLYM1
4aRLYM1
1
2
3
4
43030-0001
43025-0400
MOLEX
1
2
3
4
IO-EXT7-CN3(CN3K355)
43030-0001
43025-0400
MOLEX
1
2
3
4
FAN
9aRLYM1
JST
FV0.5-3
13aRLYM1
JST
FV0.5-3
10aRLYM1
JST
FV0.5-3
14aRLYM1
JST
FV0.5-3
11aRLYM1
JST
FV0.5-3
12aRLYM1
JST
FV0.5-3
5aRLYM1
JST
FV0.5-3
1aRLYM1
JST
FV0.5-3
6aRLYM1
JST
FV0.5-3
2aRLYM1
JST
FV0.5-3
7aRLYM1
JST
FV0.5-3
8aRLYM1
15aRLYM1
JST
FV0.5-3
16aRLYM1
JST
FV0.5-3
3aRLYM1
4aRLYM1
-K322
I/O BOARD
+24V
IN220
IN221
IN222
IN223
GND
A MID LOOF
COOLING FAN
AF-STRY-FD1-1
AM03-003282A+036AA-3B
AM03-003282A+036AA-3B
AR-STRY-FD1-1
AM03-003282A+036AA-3E
AM03-003282A+036AA-3E
-IO-EXT7(K355)
EP02-001745B
A SIDE LOOF
COOLING FAN
EP02-001745B
B MID LOOF
COOLING FAN
EP02-001745B
B SIDE LOOF
COOLING FAN
EP02-001745B
EP02-001691B
+
-
+
-
+
-
+
+
-
+
-
+
-
+
-
-
16
12
15
11
5
1
6
214
7
10
13
9
3
8
4
AY34002
Panasonic
-FAN RELAY_B
OUT
IN
AM03-015832A
AM03-015833A
+
-
+
-
+
-
+
+
-
+
-
+
-
+
-
-
16
12
15
11
5
1
6
214
7
10
13
9
3
8
4
AY34002
Panasonic
-FAN RELAY_A
OUT
IN
AY3702
AY3702
1
2
4
8
3
7
7
7
7
5
6

Page
+$1:+$
495
Base - Loof Fan
EXCEN PRO(M)
EXCEN PRO(D)
EXCEN PRO(L)
NO. PART NO. PART NAME Q'TY Old No. Supply Supply LT Reference
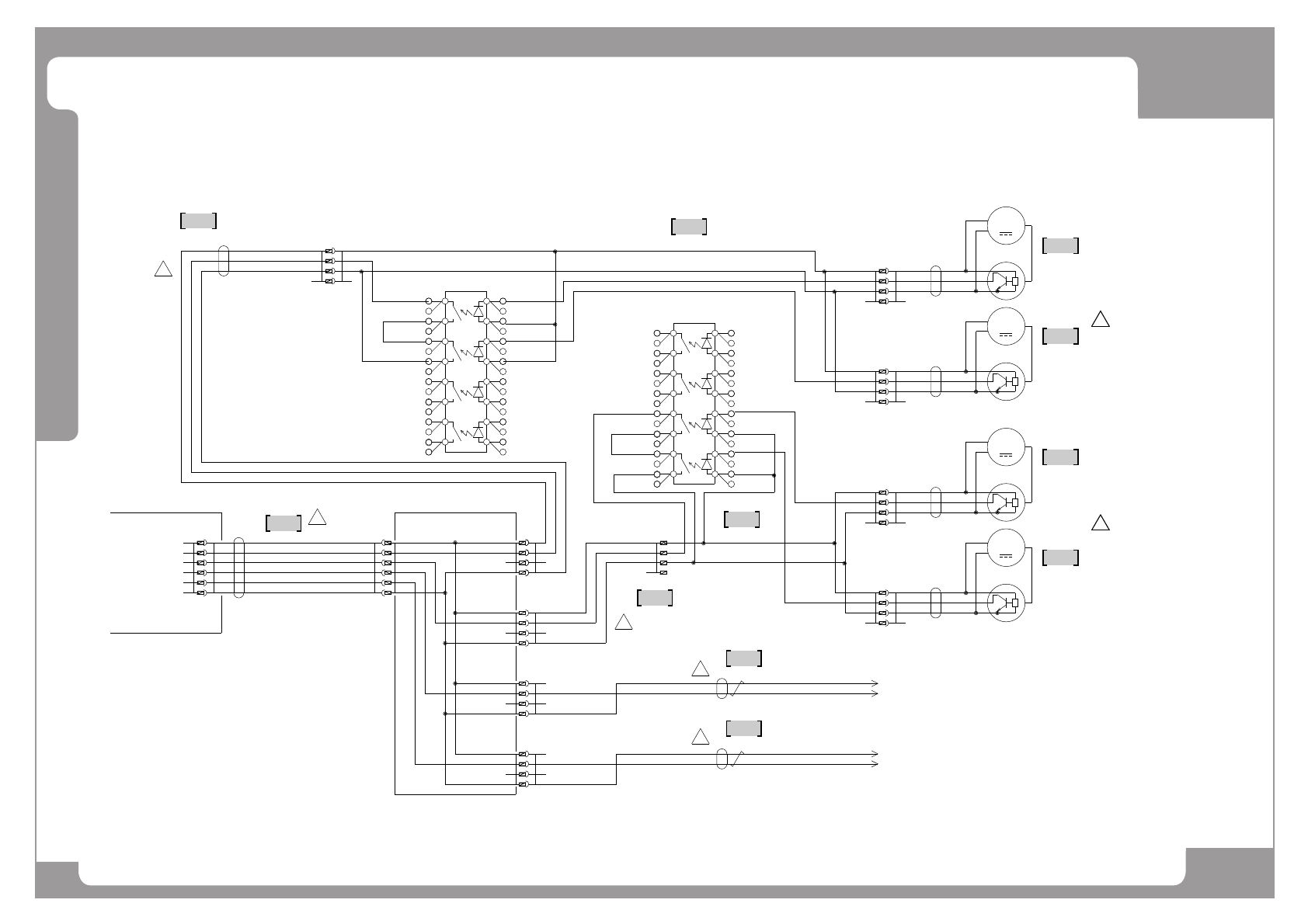
1 EP02-001281B HARNESS-IO-CN16-CONNECT CABLE 1
2 EP02-001713B HARNESS-FRONT LOOF FAN CABLE 1
3 AM03-015832A ALOOF FAN RELAY CABLE ASSY 1
4 EP02-001691B HARNESS-REAR LOOF COOLING FAN CABLE 1
5 EP02-000999B HARNESS-AFTRAY CONNECT CABLE ASSY 1
6 EP02-001000C HARNESS-AR TRAY CONNECT CABLE ASSY 1
7 EP02-001745B HARNESS-V1+ NEW LOOF FAN CABLE ASSY 4
8 AM03-015833A BLOOF FAN RELAY CABLE ASSY 1