Excellent Modular Component Placer EXCEN Series EXCEN PRO(M)/(D)/(L) Technical Reference - 第503页
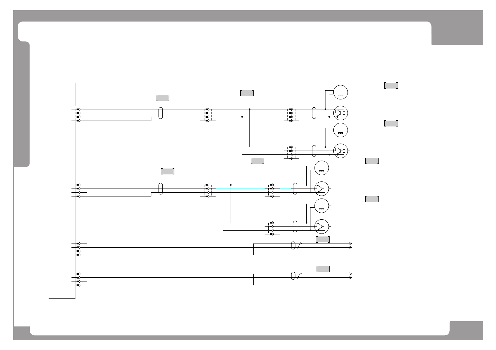
Page +$1:+$ 497 Base - Loof Fan - PRO(D) Standard EXCEN PRO(M) EXCEN PRO(D) EXCEN PRO(L) NO. P ART NO. P ART NAME Q'TY Old No. Supply Supply L T Reference 1 AM03-020165A CAB LE ASSY -FRONT LOOF F AN CABLE ASSY 1 2 A…

Page
+$1:+$
496
EXCEN PRO(M)
EXCEN PRO(D
)
EXCEN PRO(L)
Base - Loof Fan - PRO(D) Standard
AF-STRY-FD1-1 AM03-021346A+036AA-3B
AF-STRY-FD1-2 AM03-021346A+036AA-3B
AR-STRY-FD1-1 AM03-021346A+036AA-3E
AR-STRY-FD1-2 AM03-021346A+036AA-3E
-K322
+24V
IN220
N.C.
GND
+24V
IN221
N.C.
GND
+24V
IN222
N.C.
GND
+24V
IN223
N.C.
GND
GIO EX BOARD
(REV5.0)
A MID LOOF
COOLING FAN
EP02-001745B
A SIDE LOOF
COOLING FAN
EP02-001745B
EP02-002000A
B MID LOOF
COOLING FAN
EP02-001745B
B SIDE LOOF
COOLING FAN
EP02-001745B
EP02-002000A
(0.2mm2-1P)
AM03-020183A
U-TKVV AWG24-1P
BK
BK/WH
(0.2mm2-1P)
AM03-020184A
U-TKVV AWG24-1P
BK
BK/WH
BLOOF-FAN
4
3
2
1
MOLEX
43020-0400
43031-0001
(0.2mm2-3C)
AM03-020166A
U-TKVV AWG24-3C
BK
BK/WH
RD
ALOOF-FAN
4
3
2
1
MOLEX
43020-0400
43031-0001
(0.2mm2-3C)
AM03-020165A
U-TKVV AWG24-3C
BK
BK/WH
RD
43030-0001
43025-0400MOLEX
1
2
3
4
CN161
43030-0001
43025-0400MOLEX
1
2
3
4
CN162
43030-0001
43025-0400MOLEX
1
2
3
4
CN163
43030-0001
43025-0400MOLEX
1
2
3
4
CN164
CN161
4
3
2
1
MOLEX
43045-0412
CN162
4
3
2
1
MOLEX
43045-0412
CN163
4
3
2
1
MOLEX
43045-0412
CN164
4
3
2
1
MOLEX
43045-0412
n
SANYO_DENNKI
FM
FAN
9LB1424H5J05
RD
YE
BK
43030-0001
43025-0400
MOLEX
1
2
3
4
FAN
MID-FAN
4
3
2
1
MOLEX
43020-0400
43031-0001
n
SANYO_DENNKI
FM
FAN
9LB1424H5J05
RD
YE
BK
43030-0001
43025-0400
MOLEX
1
2
3
4
FAN
SIDE-FAN
4
3
2
1
MOLEX
43020-0400
43031-0001
43030-0001
43025-0400
MOLEX
1
2
3
4
LOOF FAN EXT
n
SANYO_DENNKI
FM
FAN
9LB1424H5J05
RD
YE
BK
43030-0001
43025-0400
MOLEX
1
2
3
4
FAN
MID-FAN
4
3
2
1
MOLEX
43020-0400
43031-0001
n
SANYO_DENNKI
FM
FAN
9LB1424H5J05
RD
YE
BK
43030-0001
43025-0400
MOLEX
1
2
3
4
FAN
SIDE-FAN
4
3
2
1
MOLEX
43020-0400
43031-0001
43030-0001
43025-0400
MOLEX
1
2
3
4
LOOF FAN EXT
1
2
3
3
4
4
4
4
5
6

Page
+$1:+$
497
Base - Loof Fan - PRO(D) Standard
EXCEN PRO(M)
EXCEN PRO(D)
EXCEN PRO(L)
NO. PART NO. PART NAME Q'TY Old No. Supply Supply LT Reference
1 AM03-020165A CABLE ASSY-FRONT LOOF FAN CABLE ASSY 1
2 AM03-020166A CABLE ASSY-REAR LOOF COOLING FAN CABLE 1
3 EP02-002000A HARNESS-V1P LOOF FAN 4TYPE CABLE ASSY 2
4 EP02-001745B HARNESS-V1+ NEW LOOF FAN CABLE ASSY 4
5 AM03-020183A CABLE ASSY-AF TRAY CONNECT CABLE ASSY 1
6 AM03-020184A CABLE ASSY-AR TRAY CONNECT CABLE ASSY 1

Page
+$1:+$
498
EXCEN PRO(M)
EXCEN PRO(D
)
EXCEN PRO(L)
Base - Dust Box Sensor
-K322
CN17
6
5
4
3
2
1
+24V
IN224
IN225
IN226
IN227
GND
3
2
1
DUSTBOX-1
JST
YLR-03V
SYP-01T-P0.5A
YLS-03V
6
5
4
3
2
1
IO-CN17
MOLEX
43025-0600
43030-0001
EP02-001284B
UL2464 3C*24AWG
EP02-001285B
UL2464 3C*24AWG
EP02-001286B
UL2464 3C*24AWG
EP02-001287B
UL2464 3C*24AWG
3
2
1
DUSTBOX-2
JST
YLR-03V
SYP-01T-P0.5A
YLS-03V
3
2
1
DUSTBOX-3
JST
YLR-03V
SYP-01T-P0.5A
YLS-03V
3
2
1
DUSTBOX-4
JST
YLR-03V
SYP-01T-P0.5A
YLS-03V
I/O BOARD
6
5
4
3
2
1
CN1
MOLEX
43045-0612
CN2
4
3
2
1
MOLEX
43045-0412
CN3
4
3
2
1
MOLEX
43045-0412
CN4
4
3
2
1
MOLEX
43045-0412
CN5
4
3
2
1
MOLEX
43045-0412
-IO-EXT8(K356)
6
5
4
3
2
1
IO-EXT8-CN1(CN1K356)
MOLEX
43025-0600
43030-0001
(0.2mm2-3P)
EP02-001283B
U-TKVV AWG24-3P
BK
BK/WH
RD
RD/WH
GN
GN/WH
DUSTBOX-1
3
1
2
JST
YLP-03V
SYF-01T-P0.5A
YLS-03V
DUSTBOX-2
3
1
2
JST
YLP-03V
SYF-01T-P0.5A
YLS-03V
DUSTBOX-3
3
1
2
JST
YLP-03V
SYF-01T-P0.5A
YLS-03V
DUSTBOX-4
3
1
2
JST
YLP-03V
SYF-01T-P0.5A
YLS-03V
43030-0001
43025-0400
MOLEX
1
2
3
4
IO-EXT8-CN2(CN2K356)
43030-000143025-0400
MOLEX
1
2
3
4
IO-EXT8-CN3(CN3K356)
43030-000143025-0400
MOLEX
1
2
3
4
IO-EXT8-CN4(CN4K356)
43030-000143025-0400
MOLEX
1
2
3
4
IO-EXT8-CN5(CN5K356)
DSHW-C243M
OMRON
-S331
AF DUST BOX
setting check
BK UL#26 80/300-0.15mm2
EP02-001396A
BU UL#26 80/300-0.15mm2
DSHW-C243M
OMRON
-S332
BK UL#26 80/300-0.15mm2
EP02-001396A
BU UL#26 80/300-0.15mm2
DSHW-C243M
OMRON
-S333
BK UL#26 80/300-0.15mm2
EP02-001396A
BU UL#26 80/300-0.15mm2
DSHW-C243M
OMRON
-S334
BK UL#26 80/300-0.15mm2
EP02-001396A
BU UL#26 80/300-0.15mm2
AR DUST BOX
setting check
BF DUST BOX
setting check
BR DUST BOX
setting check
1
1
1
1
2
6
3
6
4
6
6
5