Excellent Modular Component Placer EXCEN Series EXCEN PRO(M)/(D)/(L) Technical Reference - 第510页
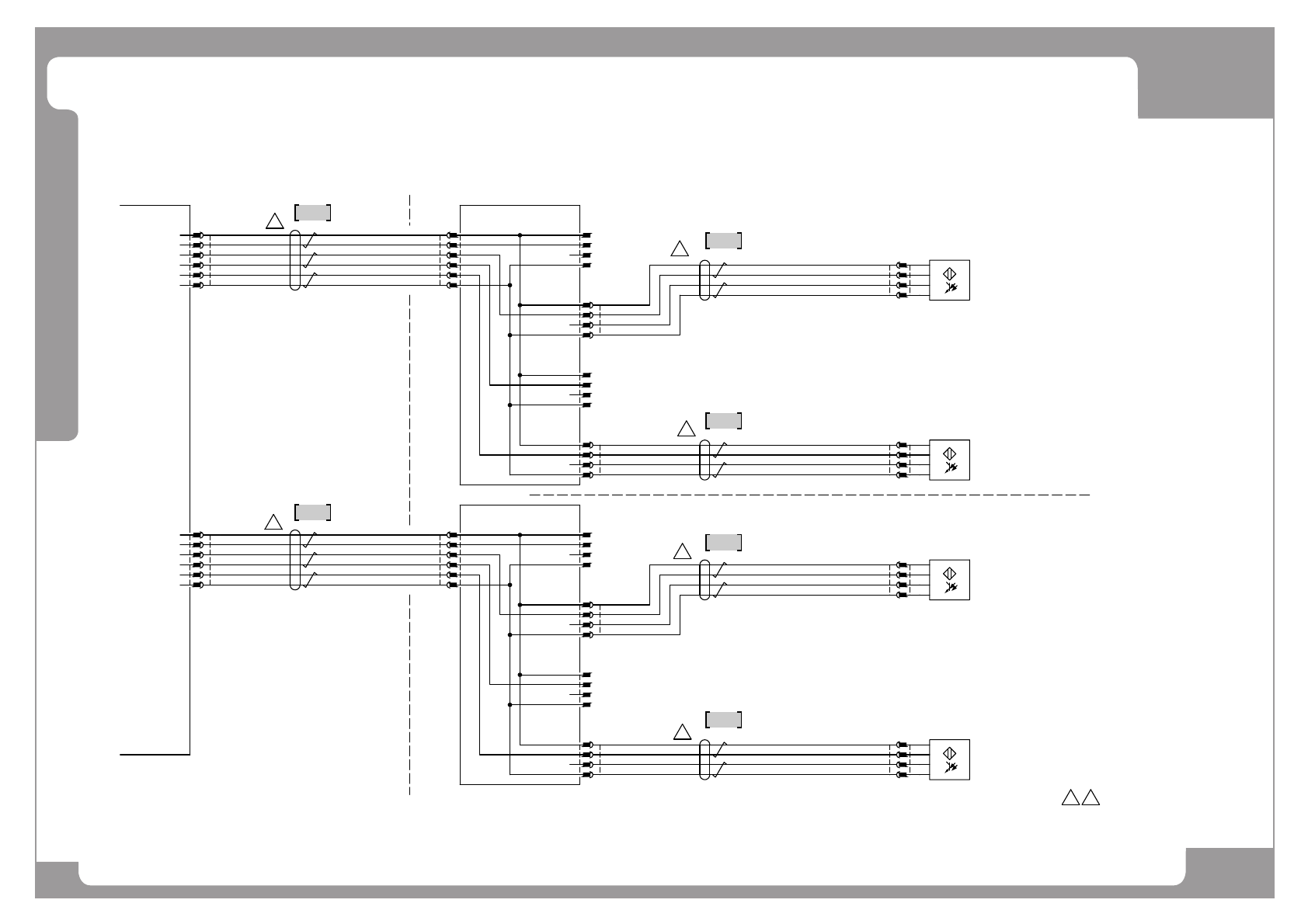
Page +$1:+$ 504 EXCEN PRO(M) EXCEN PRO(D ) EXCEN PRO(L) Base - A BUT ILK -K322 I/O BOARD +24V IN230 IN231 IN232 IN233 24GND CN18 6 5 4 3 2 1 CN19 6 5 4 3 2 1 +24V IN234 IN235 IN236 IN237 24GND 6 5 4 3 2 1 IO-CN18 MOLEX 4…

Page
+$1:+$
503
Base - Dust Box Sensor - PRO(D) Extension
EXCEN PRO(M)
EXCEN PRO(D)
EXCEN PRO(L)
NO. PART NO. PART NAME Q'TY Old No. Supply Supply LT Reference
1 AM03-020179A CABLE ASSY-BR CART LOCK CABLE ASSY 1
2 AM03-020180A CABLE ASSY-DUSTBOX-2 CABLE ASSY 1
3 AM03-020181A CABLE ASSY-DUSTBOX-3 CABLE ASSY 1
4 EP02-001396A HARNESS-DUST BOX SNS CABLE ASSY 4

Page
+$1:+$
504
EXCEN PRO(M)
EXCEN PRO(D
)
EXCEN PRO(L)
Base - A BUT ILK
-K322
I/O BOARD
+24V
IN230
IN231
IN232
IN233
24GND
CN18
6
5
4
3
2
1
CN19
6
5
4
3
2
1
+24V
IN234
IN235
IN236
IN237
24GND
6
5
4
3
2
1
IO-CN18
MOLEX
43025-0600
43030-0001
6
5
4
3
2
1
IO-CN19
MOLEX
43025-0600
43030-0001
6
5
4
3
2
1
IO-EXT10-CN1(CN1K357)
MOLEX
43025-0600
43030-0001
6
5
4
3
2
1
IO-EXT11-CN1(CN1K358)
MOLEX
43025-0600
43030-0001
6
5
4
3
2
1
CN1
MOLEX
43045-0612
CN2
4
3
2
1
MOLEX
43045-0412
CN3
4
3
2
1
MOLEX
43045-0412
CN4
4
3
2
1
MOLEX
43045-0412
CN5
4
3
2
1
MOLEX
43045-0412
-IO-EXT10(K357)(AFBUT)
6
5
4
3
2
1
CN1
MOLEX
43045-0612
CN2
4
3
2
1
MOLEX
43045-0412
CN3
4
3
2
1
MOLEX
43045-0412
CN4
4
3
2
1
MOLEX
43045-0412
CN5
4
3
2
1
MOLEX
43045-0412
-IO-EXT11(K358)(ARBUT)
NO USE
AF BUT BACK UP
PIN BLOCK
Detection
(AF mount position)
(LIGHT ON)
AF BUT BLK SET
STATUS Detection
(AF mount position)
(LIGHT ON)
43030-0001
43025-0400
MOLEX
1
2
3
4
IO-EXT10-CN3
43030-0001
43025-0400
MOLEX
1
2
3
4
IO-EXT10-CN5
1
2
3
4
-B1069
PMS-04V-S
SPA-001T-P0.5PARP-04V
JST
BUT-SET-1
1
2
3
4
1
2
3
4
-B1067
PMS-04V-S
SPA-001T-P0.5PARP-04V
JST
BUT-BLK-1
1
2
3
4
RD/WH
RD
BK/WH
BK
U-TKVV AWG24-2P
EP02-001747B
(0.2mm2-2P)
RD/WH
RD
BK/WH
BK
U-TKVV AWG24-2P
EP02-001750B
(0.2mm2-2P)
NO USE
AR BUT BACK UP
PIN BLOCK
Detection
(AR mount position)
(LIGHT ON)
AR BUT BLK SET
STATUS Detection
(AR mount position)
(LIGHT ON)
43030-0001
43025-0400
MOLEX
1
2
3
4
IO-EXT11-CN3
43030-0001
43025-0400
MOLEX
1
2
3
4
IO-EXT11-CN5
1
2
3
4
-B1073
PMS-04V-S
SPA-001T-P0.5PARP-04V
JST
BUT-SET-1
1
2
3
4
1
2
3
4
-B1071
PMS-04V-S
SPA-001T-P0.5PARP-04V
JST
BUT-BLK-1
1
2
3
4
RD/WH
RD
BK/WH
BK
U-TKVV AWG24-2P
EP02-001747B
(0.2mm2-2P)
RD/WH
RD
BK/WH
BK
U-TKVV AWG24-2P
EP02-001750B
(0.2mm2-2P)
1
(0.2mm2-3P)
EP02-001288B
U-TKVV AWG24-3P
BK
BK/WH
RD
RD/WH
GN
GN/WH
(0.2mm2-3P)
EP02-001290B
U-TKVV AWG24-3P
BK
BK/WH
RD
RD/WH
GN
GN/WH
2
AF BUT UNIT
AR BUT UNIT
NO USE
NO USE
3
3
3
3
3
3
1
3
4
3
4
2

Page
+$1:+$
505
Base - A BUT ILK
EXCEN PRO(M)
EXCEN PRO(D)
EXCEN PRO(L)
NO. PART NO. PART NAME Q'TY Old No. Supply Supply LT Reference
1 EP02-001288C HARNESS-IO-CN18-CONNECT CABLE 1 EP02-001288B
2 EP02-001290B HARNESS-IO-CN19-CONNECT CABLE 1
3 EP02-001747B HARNESS-BUT-BLOCK-SENSOR CABLE 2
4 EP02-001750B HARNESS-BUT BLOCK SET SENSOR CABLE 2