Excellent Modular Component Placer EXCEN Series EXCEN PRO(M)/(D)/(L) Technical Reference - 第513页
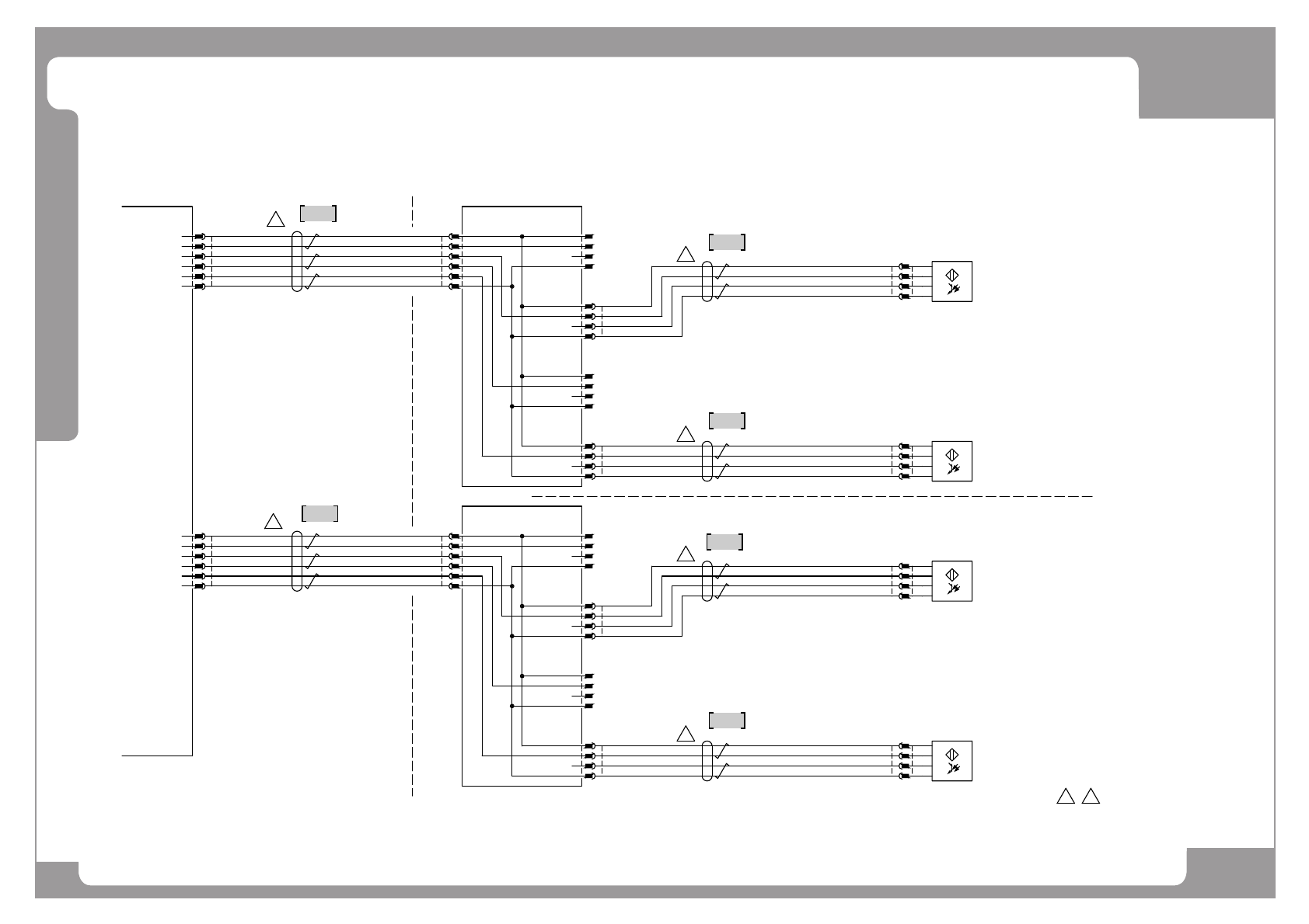
Page +$1:+$ 507 Base - B BUT ILK EXCEN PRO(M) EXCEN PRO(D) EXCEN PRO(L) NO. P ART NO. P ART NAME Q'TY Old No. Supply Supply L T Reference 1 EP0 2-001294B HARNESS-IO-CN19-CONNECT CABLE 1 2 EP0 2-001296C HARNESS-IO-CN…

Page
+$1:+$
506
EXCEN PRO(M)
EXCEN PRO(D
)
EXCEN PRO(L)
Base - B BUT ILK
-K322
I/O BOARD
+24V
IN240
IN241
IN242
IN243
24GND
CN20
6
5
4
3
2
1
CN21
6
5
4
3
2
1
+24V
IN244
IN245
IN246
IN247
24GND
6
5
4
3
2
1
IO-CN20
MOLEX
43025-0600
43030-0001
6
5
4
3
2
1
IO-CN21
MOLEX
43025-0600
43030-0001
6
5
4
3
2
1
IO-EXT12-CN1(CN1K359)
MOLEX
43025-0600
43030-0001
6
5
4
3
2
1
IO-EXT13-CN1(CN1K360)
MOLEX
43025-0600
43030-0001
6
5
4
3
2
1
CN1
MOLEX
43045-0612
CN2
4
3
2
1
MOLEX
43045-0412
CN3
4
3
2
1
MOLEX
43045-0412
CN4
4
3
2
1
MOLEX
43045-0412
CN5
4
3
2
1
MOLEX
43045-0412
-IO-EXT12(K359)(BFBUT)
6
5
4
3
2
1
CN1
MOLEX
43045-0612
CN2
4
3
2
1
MOLEX
43045-0412
CN3
4
3
2
1
MOLEX
43045-0412
CN4
4
3
2
1
MOLEX
43045-0412
CN5
4
3
2
1
MOLEX
43045-0412
-IO-EXT13(K360)(BRBUT)
NO USE
BF BUT BACK UP
PIN BLOCK
Detection
(BF mount position)
BF BUT BLK SET
STATUS Detection
(BF mount position)
43030-0001
43025-0400
MOLEX
1
2
3
4
IO-EXT12-CN3
43030-0001
43025-0400
MOLEX
1
2
3
4
IO-EXT12-CN5
1
2
3
4
-B1077
PMS-04V-S
SPA-001T-P0.5PARP-04V
JST
BUT-BLKS-1
1
2
3
4
1
2
3
4
-B1075
PMS-04V-S
SPA-001T-P0.5PARP-04V
JST
BUT-BLK-1
1
2
3
4
RD/WH
RD
BK/WH
BK
U-TKVV AWG24-2P
EP02-001747B
(0.2mm2-2P)
RD/WH
RD
BK/WH
BK
U-TKVV AWG24-2P
EP02-001750B
(0.2mm2-2P)
NO USE
BR BUT BACK UP
PIN BLOCK
Detection
(BR mount position)
BR BUT BLK SET
STATUS Detection
(BR mount position)
43030-0001
43025-0400
MOLEX
1
2
3
4
IO-EXT13-CN3
43030-0001
43025-0400
MOLEX
1
2
3
4
IO-EXT13-CN5
1
2
3
4
-B1080
PMS-04V-S
SPA-001T-P0.5PARP-04V
JST
BUT-BLKS-1
1
2
3
4
1
2
3
4
-B1078
PMS-04V-S
SPA-001T-P0.5PARP-04V
JST
BUT-BLK-1
1
2
3
4
RD/WH
RD
BK/WH
BK
U-TKVV AWG24-2P
EP02-001747B
(0.2mm2-2P)
RD/WH
RD
BK/WH
BK
U-TKVV AWG24-2P
EP02-001750B
(0.2mm2-2P)
1
(0.2mm2-3P)
EP02-001294B
U-TKVV AWG24-3P
BK
BK/WH
RD
RD/WH
GN
GN/WH
(0.2mm2-3P)
EP02-001296B
U-TKVV AWG24-3P
BK
BK/WH
RD
RD/WH
GN
GN/WH
2
BF BUT UNIT
BR BUT UNIT
NO USE
NO USE
3
3
3
3
3
3
1
2
3
4
3
4

Page
+$1:+$
507
Base - B BUT ILK
EXCEN PRO(M)
EXCEN PRO(D)
EXCEN PRO(L)
NO. PART NO. PART NAME Q'TY Old No. Supply Supply LT Reference
1 EP02-001294B HARNESS-IO-CN19-CONNECT CABLE 1
2 EP02-001296C HARNESS-IO-CN21-CONNECT CABLE 1 EP02-001296B
3 EP02-001747B HARNESS-BUT-BLOCK-SENSOR CABLE 2
4 EP02-001750B HARNESS-BUT BLOCK SET SENSOR CABLE 2

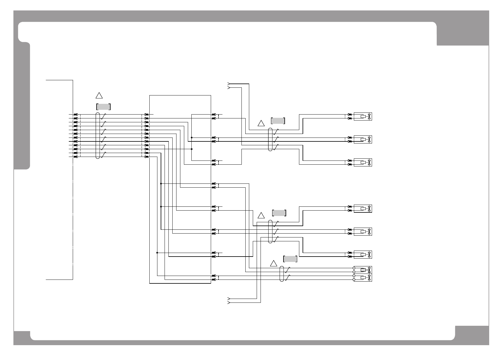
Page
+$1:+$
508
EXCEN PRO(M)
EXCEN PRO(D
)
EXCEN PRO(L)
Base - Ast Cart Valve
-K322
I/O BOARD
GND
OT200
OT201
OT202
OT203
OT204
OT205
OT206
OT207
+24V
+24V
+24V
CN1
12
11
10
9
8
7
6
5
4
3
2
1
12
11
10
9
8
7
6
5
4
3
2
1
IO-CN1
MOLEX
43025-1200
43030-0001
-R4005
AF Cart LOCK
-R4006
AF Cart LOCK OFF
-R4007
AF Tape CUT
-R4009
AR Cart LOCK
-R4010
AR Cart LOCK OFF
-R4011
AR Tape CUT
-
+
AF-LOCK
SMC
SY100-29-1706412-2MK
SUMIKOTEC
-
+
AF-LOCK-OFF
SMC
SY100-29-1706412-2MK
SUMIKOTEC
-
+
AF-CUT
SMC
SY100-29-1706412-2MK
SUMIKOTEC
-
+
AR-LOCK
SMC
SY100-29-1706412-2MK
SUMIKOTEC
-
+
AR-LOCK-OFF
SMC
SY100-29-1706412-2MK
SUMIKOTEC
-
+
AR-CUT
SMC
SY100-29-1706412-2MK
SUMIKOTEC
AM03-003282A+058AA-7B AF_CUT
AM03-003282A+058AA-7B AF_LOCK
AM03-003282A+058AA-7E AR_CUT
AM03-003282A+058AA-7E AR_LOCK
AF BLOW VALVE
AR BLOW VALVE
12
11
10
9
8
7
6
5
4
3
2
1
CN1
MOLEX
43045-1212
2
1
CN2
MOLEX
43045-0212
2
1
CN3
MOLEX
43045-0212
2
1
CN4
MOLEX
43045-0212
2
1
CN5
MOLEX
43045-0212
2
1
CN6
MOLEX
43045-0212
2
1
CN7
MOLEX
43045-0212
2
1
CN8
MOLEX
43045-0212
2
1
CN9
MOLEX
43045-0212
-IO-EXT1(K381)
12
11
10
9
8
7
6
5
4
3
2
1
IO-EXT1-CN1(CN1K381)
MOLEX
43025-1200
43030-0001
BU/WH
BU
BN/WH
BN
(0.2mm2-6P)
EP02-001300B
U-TKVV AWG24-6P
BK
BK/WH
RD
RD/WH
YE/WH
YE
GN
GN/WH
43030-0001
43025-0200
MOLEX
1
2
IO-EXT1-CN2(CN2K381)
43030-0001
43025-0200
MOLEX
1
2
IO-EXT1-CN3(CN3K381)
43030-0001
43025-0200
MOLEX
1
2
IO-EXT1-CN4(CN4K381)
43030-0001
43025-0200
MOLEX
1
2
IO-EXT1-CN5(CN5K381)
43030-0001
43025-0200
MOLEX
1
2
IO-EXT1-CN6(CN6K381)
43030-0001
43025-0200
MOLEX
1
2
IO-EXT1-CN7(CN7K381)
43030-0001
43025-0200
MOLEX
1
2
IO-EXT1-CN8(CN8K381)
43030-0001
43025-0200
MOLEX
1
2
IO-EXT1-CN9(CN9K381)
-R4101
AF-SOL1
AF-SOL2
-R4102
AR-SOL1
AR-SOL2
RD/WH
RD
BK/WH
BK
U-TKVV AWG24-2P
EP02-001303B
(0.2mm2-2P)
EP02-001301B
U-TKVV AWG24-3P
BK
BK/WH
RD
RD/WH
GN
GN/WH
EP02-001302B
U-TKVV AWG24-3P
BK
BK/WH
RD
RD/WH
GN
GN/WH
1
1
1
1
1
2
3
4