Excellent Modular Component Placer EXCEN Series EXCEN PRO(M)/(D)/(L) Technical Reference - 第517页
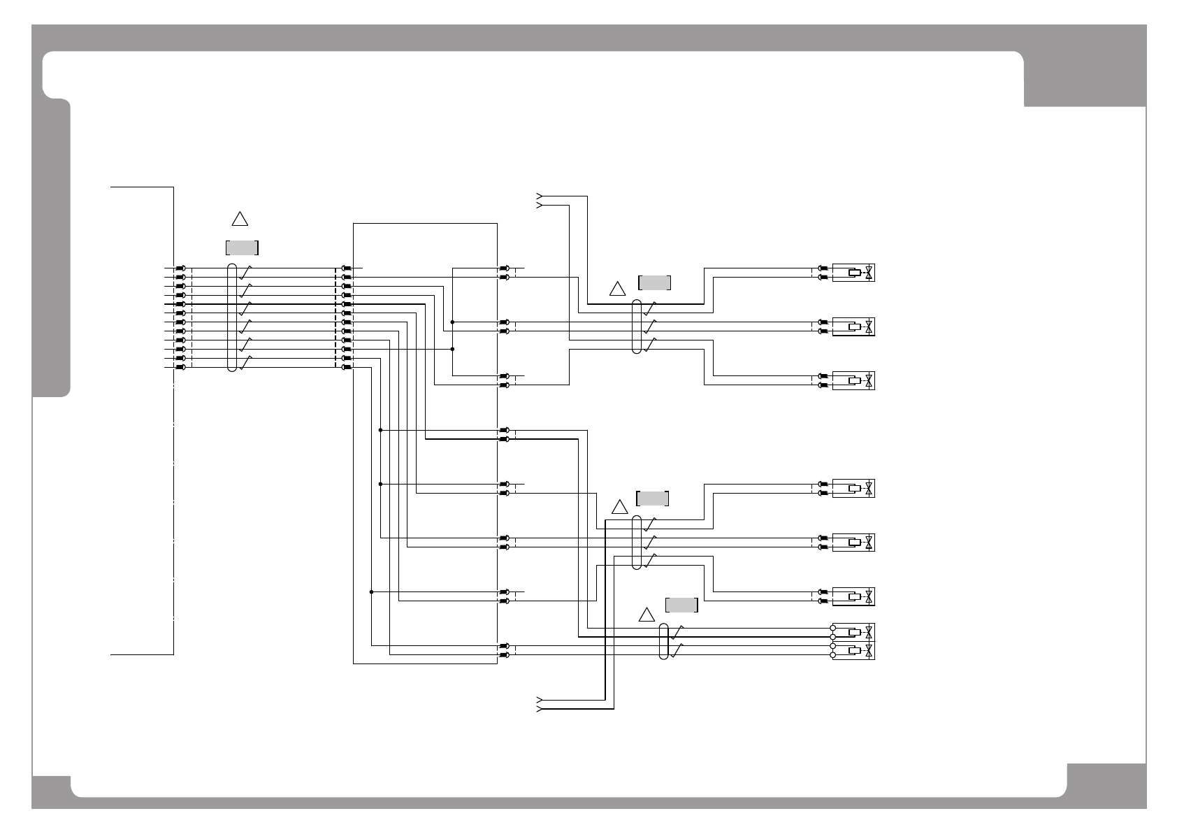
Page +$1:+$ 51 1 Base - Ast Cart Valv e - PRO(D) Extension EXCEN PRO(M) EXCEN PRO(D) EXCEN PRO(L) NO. P ART NO. P ART NAME Q'TY Old No. Supply Supply L T Reference 1 AM03-020187A CAB LE ASSY -AF-V AL VE CABLE ASS Y …

Page
+$1:+$
510
EXCEN PRO(M)
EXCEN PRO(D
)
EXCEN PRO(L)
Base - Ast Cart Valve - PRO(D) Extension
-R4005
-R4006
-R4007
-R4009
-R4010
-R4011
-
+
AF-LOCK
SMC
SY100-29-1706412-2MK
SUMIKOTEC
-
+
AF-LOCK-OFF
SMC
SY100-29-1706412-2MK
SUMIKOTEC
-
+
AF-CUT
SMC
SY100-29-1706412-2MK
SUMIKOTEC
-
+
AR-LOCK
SMC
SY100-29-1706412-2MK
SUMIKOTEC
-
+
AR-LOCK-OFF
SMC
SY100-29-1706412-2MK
SUMIKOTEC
-
+
AR-CUT
SMC
SY100-29-1706412-2MK
SUMIKOTEC
2
1
CN011
MOLEX
43045-0212
2
1
CN012
MOLEX
43045-0212
2
1
CN013
MOLEX
43045-0212
2
1
CN014
MOLEX
43045-0212
2
1
CN015
MOLEX
43045-0212
2
1
CN016
MOLEX
43045-0212
2
1
CN017
MOLEX
43045-0212
2
1
CN018
MOLEX
43045-0212
43030-0001
43025-0200
MOLEX
1
2
CN011
43030-0001
43025-0200
MOLEX
1
2
CN012
43030-0001
43025-0200
MOLEX
1
2
CN013
43030-0001
43025-0200
MOLEX
1
2
CN014
43030-0001
43025-0200
MOLEX
1
2
CN015
43030-0001
43025-0200
MOLEX
1
2
CN016
43030-0001
43025-0200
MOLEX
1
2
CN017
-R4101
AF SOL1
AF SOL2
AM03-020187A
U-TKVV AWG24-3P
BK
BK/WH
RD
RD/WH
GN
GN/WH
AM03-020188A
U-TKVV AWG24-3P
BK
BK/WH
RD
RD/WH
GN
GN/WH
2
3
1
-K322
AF Cart LOCK
AF Cart LOCK OFF
AF Tape CUT
AR Cart LOCK
AR Cart LOCK OFF
AR Tape CUT
AM03-021346A+058AA-7B AF_CUT
AM03-021346A+058AA-7B AF_LOCK
AM03-021346A+058AA-7E AR_CUT
AM03-021346A+058AA-7E AR_LOCK
AF BLOW VALVE
+24V
OT200
+24V
OT201
+24V
OT202
+24V
OT203
+24V
OT204
+24V
OT205
+24V
OT206
+24V
OT207
GIO EX BOARD
(REV5.0)
AM03-021090A
EXCEN D EXT OPTION

Page
+$1:+$
511
Base - Ast Cart Valve - PRO(D) Extension
EXCEN PRO(M)
EXCEN PRO(D)
EXCEN PRO(L)
NO. PART NO. PART NAME Q'TY Old No. Supply Supply LT Reference
1 AM03-020187A CABLE ASSY-AF-VALVE CABLE ASSY 1
2 AM03-020188A CABLE ASSY-AR-VALVE CABLE ASSY 1
3 AM03-021090A CABLE ASSY-MTED AF BLOW VALVE CABLE ASSY 1

Page
+$1:+$
512
EXCEN PRO(M)
EXCEN PRO(D
)
EXCEN PRO(L)
Base - Bst Cart Valve
-K322
I/O BOARD
GND
OT210
OT211
OT212
OT213
OT214
OT215
OT216
OT217
+24V
+24V
+24V
CN2
12
11
10
9
8
7
6
5
4
3
2
1
12
11
10
9
8
7
6
5
4
3
2
1
IO-CN2
MOLEX
43025-1200
43030-0001
-R4013
BF Cart LOCK
-R4014
BF Cart LOCK OFF
-R4015
BF Tape CUT
-R4017
BR Cart LOCK
-R4018
BR Cart LOCK OFF
-R4019
BR Tape CUT
-
+
BF-LOCK
SMC
SY100-29-1706412-2MK
SUMIKOTEC
-
+
BF-LOCK-OFF
SMC
SY100-29-1706412-2MK
SUMIKOTEC
-
+
BF-CUT
SMC
SY100-29-1706412-2MK
SUMIKOTEC
-
+
BR-LOCK
SMC
SY100-29-1706412-2MK
SUMIKOTEC
-
+
BR-LOCK-OFF
SMC
SY100-29-1706412-2MK
SUMIKOTEC
-
+
BR-CUT
SMC
SY100-29-1706412-2MK
SUMIKOTEC
AM03-003282A+059AA-7B BF_CUT
AM03-003282A+059AA-7B BF_LOCK
AM03-003282A+059AA-7E AR_CUT
AM03-003282A+059AA-7E BR_LOCK
BF BLOW VALVE
BR BLOW VALVE
12
11
10
9
8
7
6
5
4
3
2
1
CN1
MOLEX
43045-1212
2
1
CN2
MOLEX
43045-0212
2
1
CN3
MOLEX
43045-0212
2
1
CN4
MOLEX
43045-0212
2
1
CN5
MOLEX
43045-0212
2
1
CN6
MOLEX
43045-0212
2
1
CN7
MOLEX
43045-0212
2
1
CN8
MOLEX
43045-0212
2
1
CN9
MOLEX
43045-0212
-IO-EXT2-CN(K382)
12
11
10
9
8
7
6
5
4
3
2
1
IO-EXT2-CN1(CN1K382)
MOLEX
43025-1200
43030-0001
BU/WH
BU
BN/WH
BN
(0.2mm2-6P)
EP02-001304B
U-TKVV AWG24-6P
BK
BK/WH
RD
RD/WH
YE/WH
YE
GN
GN/WH
43030-0001
43025-0200
MOLEX
1
2
IO-EXT2-CN2(CN2K382)
43030-0001
43025-0200
MOLEX
1
2
IO-EXT2-CN3(CN3K382)
43030-0001
43025-0200
MOLEX
1
2
IO-EXT2-CN4(CN4K382)
43030-0001
43025-0200
MOLEX
1
2
IO-EXT2-CN5(CN5K382)
43030-0001
43025-0200
MOLEX
1
2
IO-EXT2-CN6(CN6K382)
43030-0001
43025-0200
MOLEX
1
2
IO-EXT2-CN7(CN7K382)
43030-0001
43025-0200
MOLEX
1
2
IO-EXT2-CN8(CN8K382)
43030-0001
43025-0200
MOLEX
1
2
IO-EXT2-CN9(CN9K382)
-R4103
BF-SOL1
BF-SOL2
-R4104
BR-SOL1
BR-SOL2
RD/WH
RD
BK/WH
BK
U-TKVV AWG24-2P
EP02-001307B
(0.2mm2-2P)
EP02-001305B
U-TKVV AWG24-3P
BK
BK/WH
RD
RD/WH
GN
GN/WH
EP02-001306B
U-TKVV AWG24-3P
BK
BK/WH
RD
RD/WH
GN
GN/WH
BF-SOL1
1
1
1
1
1
2
3
4