Excellent Modular Component Placer EXCEN Series EXCEN PRO(M)/(D)/(L) Technical Reference - 第540页
Page +$1:+$ 534 EXCEN PRO(M) EXCEN PRO(D ) EXCEN PRO(L) Base - Cylinder Type B BUT Link - PRO(D) Standard CN20 6 5 4 3 2 1 CN21 6 5 4 3 2 1 6 5 4 3 2 1 IO-CN20 MOLEX 43025-0600 43030-0001 6 5 4 3 2 1 IO-CN21 MOLEX 43025-…

Page
+$1:+$
533
Base - Cylinder Type A BUT Link - PRO(D) Standard
EXCEN PRO(M)
EXCEN PRO(D)
EXCEN PRO(L)
NO. PART NO. PART NAME Q'TY Old No. Supply Supply LT Reference
1 EP02-001288B HARNESS-IO-CN18-CONNECT CABLE 1
2 EP02-001290B HARNESS-IO-CN19-CONNECT CABLE 1
3 AM03-019657A CABLE ASSY-BUT STAGE1(MID) SEN CABLE ASS 1
4 AM03-019658A CABLE ASSY-BUT STAGE2(CLAMP) SEN CABLE 1
5 AM03-019655A CABLE ASSY-BUT STATUS MONITOR SEN CABLE 1
6 AM03-021050A CABLE ASSY-V1P SOL BUT INNER CABLE ASSY 1

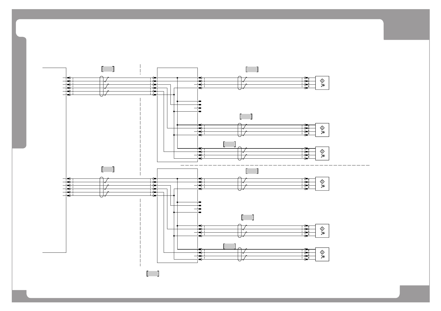
Page
+$1:+$
534
EXCEN PRO(M)
EXCEN PRO(D
)
EXCEN PRO(L)
Base - Cylinder Type B BUT Link - PRO(D) Standard
CN20
6
5
4
3
2
1
CN21
6
5
4
3
2
1
6
5
4
3
2
1
IO-CN20
MOLEX
43025-0600
43030-0001
6
5
4
3
2
1
IO-CN21
MOLEX
43025-0600
43030-0001
6
5
4
3
2
1
IO-EXT12-CN1(CN1K359)
MOLEX
43025-0600
43030-0001
6
5
4
3
2
1
IO-EXT13-CN1(CN1K360)
MOLEX
43025-0600
43030-0001
6
5
4
3
2
1
CN1
MOLEX
43045-0612
CN2
4
3
2
1
MOLEX
43045-0412
CN3
4
3
2
1
MOLEX
43045-0412
CN4
4
3
2
1
MOLEX
43045-0412
CN5
4
3
2
1
MOLEX
43045-0412
6
5
4
3
2
1
CN1
MOLEX
43045-0612
CN2
4
3
2
1
MOLEX
43045-0412
CN3
4
3
2
1
MOLEX
43045-0412
CN4
4
3
2
1
MOLEX
43045-0412
CN5
4
3
2
1
MOLEX
43045-0412
(0.2mm2-3P)
EP02-001294B
U-TKVV AWG24-3P
BK
BK/WH
RD
RD/WH
GN
GN/WH
(0.2mm2-3P)
EP02-001296B
U-TKVV AWG24-3P
BK
BK/WH
RD
RD/WH
GN
GN/WH
43030-0001
43025-0400
MOLEX
1
2
3
4
BUT-CN5
1
2
3
4
PMS-04V-S
SPA-001T-P0.5PARP-04V
JST
BUT-SETSEN
1
2
3
4
RD/WH
RD
BK/WH
BK
ROVV 2P*0.3SQ
AM03-019655A
(0.2mm2-2P)
43030-0001
43025-0400
MOLEX
1
2
3
4
BUT-CN2
1
2
3
4
PMS-04V-S
SPA-001T-P0.5PARP-04V
JST
BUT-STAGE1
1
2
3
4
RD/WH
RD
BK/WH
BK
UL2464 2P*24AWG
AM03-019657A
(0.2mm2-2P)
43030-0001
43025-0400
MOLEX
1
2
3
4
BUT-CN4
1
2
3
4
PMS-04V-S
SPA-001T-P0.5PARP-04V
JST
BUT-STAGE2
1
2
3
4
RD/WH
RD
BK/WH
BK
UL2464 2P*24AWG
AM03-019658A
(0.2mm2-2P)
43030-0001
43025-0400
MOLEX
1
2
3
4
BUT-CN5
1
2
3
4
PMS-04V-S
SPA-001T-P0.5PARP-04V
JST
BUT-SETSEN
1
2
3
4
RD/WH
RD
BK/WH
BK
ROVV 2P*0.3SQ
AM03-019655A
(0.2mm2-2P)
43030-0001
43025-0400
MOLEX
1
2
3
4
BUT-CN2
1
2
3
4
PMS-04V-S
SPA-001T-P0.5PARP-04V
JST
BUT-STAGE1
1
2
3
4
RD/WH
RD
BK/WH
BK
UL2464 2P*24AWG
AM03-019657A
(0.2mm2-2P)
43030-0001
43025-0400
MOLEX
1
2
3
4
BUT-CN4
1
2
3
4
PMS-04V-S
SPA-001T-P0.5PARP-04V
JST
BUT-STAGE2
1
2
3
4
RD/WH
RD
BK/WH
BK
UL2464 2P*24AWG
AM03-019658A
(0.2mm2-2P)
-K322
I/O BOARD
+24V
IN240
IN241
IN242
IN243
24GND
+24V
IN244
IN245
IN246
IN247
24GND
-IO-EXT12(K359)(BFBUT)
-IO-EXT13(K360)(BRBUT)
BF BUT UNIT
BR BUT UNIT
BF BUT BLK SET
STATUS Detection
(BF mount position)
(LIGHT ON)
NO USE
BF BUT STAGE1
Detection
(BF MIDDLE position)
(LIGHT ON)
BF BUT STAGE2
Detection
(BF CLAMP position)
(LIGHT ON)
BR BUT BLK SET
STATUS Detection
(BR mount position)
(LIGHT ON)
NO USE
BR BUT STAGE1
Detection
(BR MIDDLE position)
(LIGHT ON)
BR BUT STAGE2
Detection
(BR CLAMP position)
(LIGHT ON)
AM03-021050A V1P SOL BUT INNER CABLE ASSY
1
2
3
4
5
3
4
5
6

Page
+$1:+$
535
Base - Cylinder Type B BUT Link - PRO(D) Standard
EXCEN PRO(M)
EXCEN PRO(D)
EXCEN PRO(L)
NO. PART NO. PART NAME Q'TY Old No. Supply Supply LT Reference
1 EP02-001294B HARNESS-IO-CN19-CONNECT CABLE 1
2 EP02-001296B HARNESS-IO-CN21-CONNECT CABLE 1
3 AM03-019657A CABLE ASSY-BUT STAGE1(MID) SEN CABLE ASS 1
4 AM03-019658A CABLE ASSY-BUT STAGE2(CLAMP) SEN CABLE 1
5 AM03-019655A CABLE ASSY-BUT STATUS MONITOR SEN CABLE 1
6 AM03-021050A CABLE ASSY-V1P SOL BUT INNER CABLE ASSY 1