Excellent Modular Component Placer EXCEN Series EXCEN PRO(M)/(D)/(L) Technical Reference - 第550页
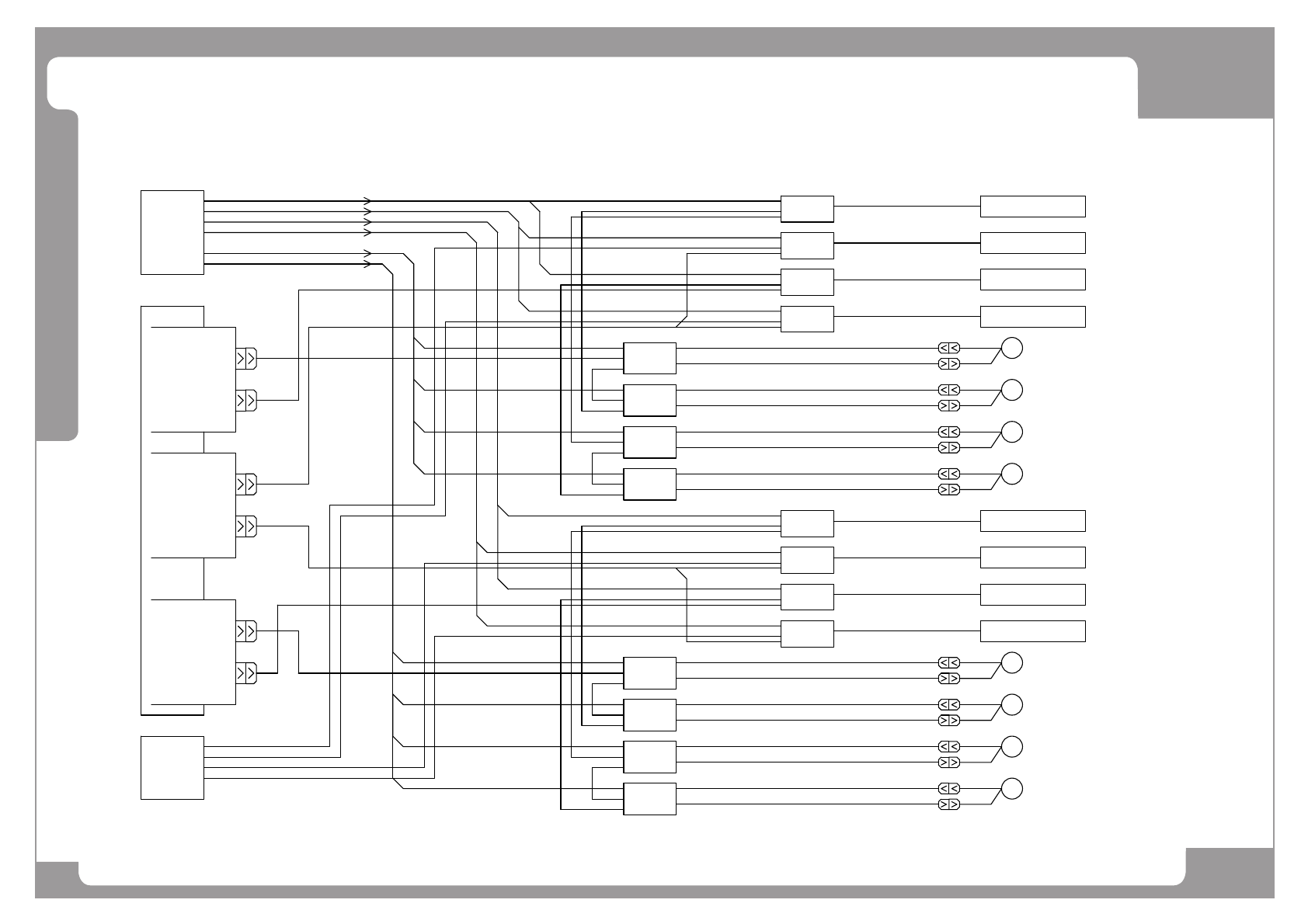
Page +$1:+$ 544 EXCEN PRO(M) EXCEN PRO(D ) EXCEN PRO(L) XY - XY Unit Block Wiring POWER UNIT -A02 -K501 -A1 1 -A12 CPU BOX -A01 M M M M M M M M AFX-axis Linear Motor AFY -axis Linear Motor ARX-axis Linear Motor ARY -axis…

Page
+$1:+$
543
Base - CNTX Right Wiring - Large Conveyor Option
EXCEN PRO(M)
EXCEN PRO(D)
EXCEN PRO(L)
NO. PART NO. PART NAME Q'TY Old No. Supply Supply LT Reference
1 AM03-021087A CABLE ASSY-MTED CNTX_R RMBCONT IF CABLE 1

Page
+$1:+$
544
EXCEN PRO(M)
EXCEN PRO(D
)
EXCEN PRO(L)
XY - XY Unit Block Wiring
POWER
UNIT
-A02
-K501
-A11
-A12
CPU
BOX
-A01
M
M
M
M
M
M
M
M
AFX-axis
Linear
Motor
AFY-axis
Linear
Motor
ARX-axis
Linear
Motor
ARY-axis
Linear
Motor
BFX-axis
Linear
Motor
BFY-axis
Linear
Motor
BRX-axis
Linear
Motor
BRY-axis
Linear
Motor
DC+48V
3 䡞䡢AC220V
3 䡞䡢AC220V
AF HEAD
UNIT
AR HEAD
UNIT
SILL
CONTROL UNIT
-A50
AFX-axis
DRIVER
-K302
MOTION
CONTROL
BOARD #1
-K305
VISION
GRABBER
BOARD
-K303
MOTION
CONTROL
BOARD #2
-K502
AFY-axis
DRIVER
-K503
ARX-axis
DRIVER
-K504
ARY-axis
DRIVER
-K505
BFX-axis
DRIVER
-K506
BFY-axis
DRIVER
-K507
BRX-axis
DRIVER
-K508
BRY-axis
DRIVER
-K316
G1 HEAD
AMP Board
-K312
AF CAMERA
SW Board
-K317
-K313
G2 HEAD
AMP Board
AR CAMERA
SW Board
-K318
G3 HEAD
AMP Board
-K314
BF CAMERA
SW Board
-K319
-K315
G4 HEAD
AMP Board
BR
CAMERA
SW Board
DC+24V
-A37,A45
-A38,A46
AF FID,SVSCAMRA
AR FID,SVSCAMRA
DC+48V
DC+24V
-A13
-A14
BF HEAD
UNIT
BR HEAD
UNIT
-A39,A47
-A40,A48
BF FID,SVSCAMRA
BR FID,SVSCAMRA
-M501
-M502
-M503
-M504
-M505
-M506
-M507
-M508

Page
+$1:+$
545
EXCEN PRO(M)
EXCEN PRO(D)
EXCEN PRO(L)