Excellent Modular Component Placer EXCEN Series EXCEN PRO(M)/(D)/(L) Technical Reference - 第575页
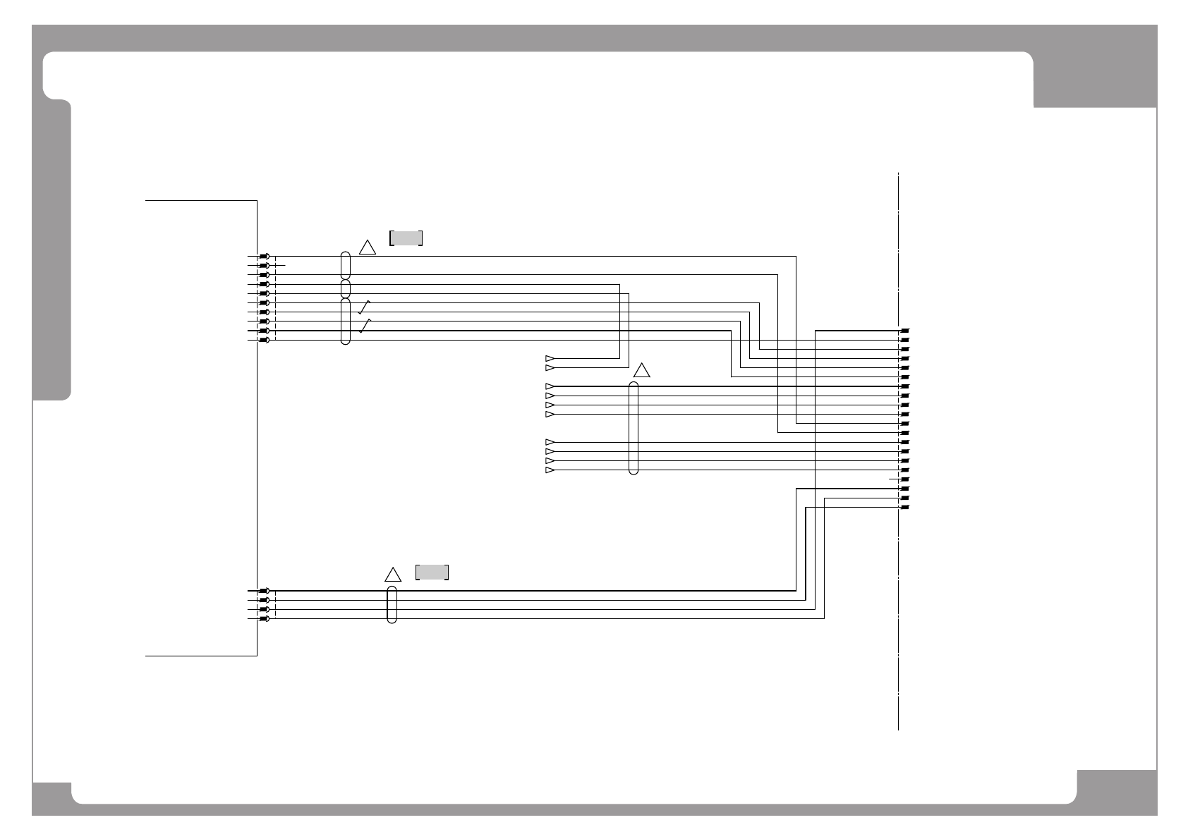
Page +$1:+$ 569 XY - AF DR40 Motor EXCEN PRO(M) EXCEN PRO(D) EXCEN PRO(L) NO. P ART NO. P ART NAME Q'TY Old No. Supply Supply L T Reference 1 EP02-000844A HARNESS-AF_CNHEAD1 CA BLE ASSY 2

Page
+$1:+$
568
EXCEN PRO(M)
EXCEN PRO(D
)
EXCEN PRO(L)
XY - AF DR40 Motor
UL1007 AWG26BK
UL1007 AWG26GN
UL1007 AWG26BN
UL1007 AWG26BU
UL1007 AWG26WH
AR HEAD
AMP BOARD
AR
HEAD UNIT
SIGNAL
Wiring
15
16
13
14
11
9
10
7
8
5
35
36
29
30
27
CN12
28
31
25
26
33
34
22
19
20
17
18
21
32
24
23
2
1
3
4
6
12
24GND
Z1-F,G
Z1-U
Z1-V
Z1-W
Z2-F,G
Z2-U
Z2-V
Z2-W
Z3-F,G
Z3-U
Z3-V
Z3-W
Z4-F,G
Z4-U
Z4-V
Z4-W
F,G
P5V#4
P5G#4
MR#4
MRR#4
F,G
P5V#1
P5G#1
MR#1
MRR#1
F,G
P5V#3
P5G#3
MR#3
MRR#3
F,G
P5V#2
P5G#2
MR#2
MRR#2
P24V
24GND
P24V
4
3
1
2
15
16
13
14
11
9
56134-9000
51353-3600MOLEX
AR-AMP-CN12
21
18
17
20
19
22
34
33
26
25
31
28
27
30
29
32
24
23
36
35
5
8
7
10
6
12
UL1007 AWG26WH
UL1007 AWG26GN
UL1007 AWG26BN
UL1007 AWG26BU
UL1007 AWG26BK
EP02-000844A
UL1007 AWG26BK
UL1007 AWG26GN
UL1007 AWG26BN
UL1007 AWG26BU
UL1007 AWG26WH
UL1007 AWG26WH
UL1007 AWG26GN
UL1007 AWG26BN
UL1007 AWG26BU
UL1007 AWG26BK
UL1007 AWG22BK
UL1007 AWG22BK
UL1007 AWG22BK
UL1007 AWG22BK
UL1007 AWG22GN
EP02-000844A
UL1007 AWG22RD
UL1007 AWG22WH
UL1007 AWG22WH
UL1007 AWG22WH
UL1007 AWG22WH
UL1007 AWG22GN
UL1007 AWG22GN
UL1007 AWG22GN
UL1007 AWG22RD
UL1007 AWG22RD
UL1007 AWG22RD
-AR AMP
Z1_F.G
Z1_U
Z1_V
Z1-W
Z2_F.G
Z2_U
Z2_V
Z2-W
Z3_F.G
Z3_U
Z3_V
Z3-W
Z4_F.G
Z4_U
Z4_V
Z4-W
SXF-01T-P0.7
XLP-16V
JST
AR-AMP-CNJ3
15
7
16
8
13
5
14
6
11
3
12
4
9
1
10
2
10
1
9
CNJ3
4
12
3
11
6
14
5
13
8
16
7
15
2
F,G
ENC0-PWR
ENC0-GND
ENC0-SER+
ENC0-SER-
F,G
ENC1-PWR
ENC1-GND
ENC1-SER+
ENC1-SER-
F,G
ENC2-PWR
ENC2-GND
ENC2-SER+
ENC2-SER-
F,G
ENC3-PWR
ENC3-GND
ENC3-SER+
ENC3-SER-
EXT_GND
DI_IN1
IDI_N2
IDI_N3
IDI_N4
EXT_GND
OUT1
OUT2
OUT3
OUT4
HOME_IN1
HOME_IN2
HOME_IN3
HOME_IN4
EXT_GND
EXT_GND
IN1
IN3
24GND
OUT1
OUT2
OUT3
OUT4
-3CAM03-001754A+017AAIN1
-3CAM03-001754A+017AAIN3
-3BAM03-001754A+017AA24GND
-3CAM03-001754A+017AAOUT2
-3CAM03-001754A+017AAOUT1
-3CAM03-001754A+017AAOUT3
-3CAM03-001754A+017AAOUT4
IN2
IN4
AR-CNHEADSIG
12
11
10
9
8
7
6
5
4
3
2
1
MOLEX
43020-1200
43031-0001
43031-0004
12
11
10
9
8
7
6
5
4
3
2
1
AR-CNHEADSIG
MOLEX
43025-1200
43030-0001
43030-0004
-3C
AM03-001754A+017AAIN2
-3C
AM03-001754A+017AAIN4
P24V
-3BAM03-001754A+017AAP24V
BN UL1007 AWG24
BN UL1007 AWG24
BU UL1007 AWG24
BU UL1007 AWG24
BU UL1007 AWG24
BU UL1007 AWG24
WHUL1007 AWG26
1
WHUL1007 AWG26
2
WHUL1007 AWG26
3
WHUL1007 AWG26
4
BK UL1007 AWG26
5
BK UL1007 AWG26
6
BK UL1007 AWG26
7
BK UL1007 AWG26
8
B15
A15
B14
A14
B13
A13
B12
A12
B11
A11
B10
A10
A8
B7
A7
AR-CNHEAD1
B6
A6
B5
A5
B4
A4
B3
A3
B2
A2
B1
A1
KEL
FA12-040-1
#570
5
B8
A9
B9
A16
B16
A17
B17
A18
B18
A19
B19
A20
B20
1
1

Page
+$1:+$
569
XY - AF DR40 Motor
EXCEN PRO(M)
EXCEN PRO(D)
EXCEN PRO(L)
NO. PART NO. PART NAME Q'TY Old No. Supply Supply LT Reference
1 EP02-000844A HARNESS-AF_CNHEAD1 CABLE ASSY 2

Page
+$1:+$
570
EXCEN PRO(M)
EXCEN PRO(D
)
EXCEN PRO(L)
XY - AF DR20 Sig
AF
HEAD UNIT
POWER
Wiring
AF CAMERA
SW BOARD
DETACH
24GND
Z_ILK
24GND
+24V
RXD+
RXD-
TXD+
TXD-
GND
+24V
+24V
24GND
24GND
CN8
4
3
2
1
IL-AG5-C1-5000
IL-AG5-10S-S3C1JAE
AF-CAM-CN1
1
2
3
4
5
6
7
8
9
10
-AF CAMERA SW
CN1
10
9
8
7
6
5
4
3
2
1
5556T
5557-04R-210MOLEX
1
2
3
4
AF-CAM-CN8
B9
A9
B8
#570
FA12-020-1
KEL
A1
B1
A2
B2
A3
B3
A4
B4
A5
B5
A6
B6
AF-CNHEAD2
A7
B7
A8
A10
B10
EP02-000845B
BN
UL1007 AWG22
BN UL1007 AWG22
BU UL1007 AWG22
BU UL1007 AWG22
24GND
P24V
-7EAM03-001754A+008AA IN1
IN1
-7EAM03-001754A+008AA IN3
IN3
-7EAM03-001754A+008AA OUT3
OUT3
-7EAM03-001754A+008AA OUT4
OUT4
-7EAM03-001754A+008AA OUT1
OUT1
-7EAM03-001754A+008AA OUT2
OUT2
BU UL1007 AWG26
BU UL1007 AWG26
WHUL1007 AWG26
WHUL1007 AWG26
WHUL1007 AWG26
WHUL1007 AWG26
24GND
GND
RX+
RX-
TX+
TX-
DONE(IN-2)
ORG(IN-4)
HABP#1(IN-1)
HABP#2(IN-3)
DETACH
ZILK
OUT_3
OUT_4
OUT_1
OUT_2
ID(Addrerss)
P24V
24GND
P24V
-7EAM03-001754A+008AA IN2
IN2
-7EAM03-001754A+008AA IN4
IN4
EP02-000845B
BU
UL1007 AWG26
BU UL1007 AWG26
-7EAM03-001754A+008AA 24GND
-7EAM03-001754A+008AA P24V
EP02-000845B
WH
UL1007 AWG22
WHUL1007 AWG22
BU UL1007 AWG24
BN UL1007 AWG24
BU UL1007 AWG22
WHUL1007 AWG22
BK UL1007 AWG22
BK UL1007 AWG22
WHUL1007 AWG22
1
1
1
1
1