Excellent Modular Component Placer EXCEN Series EXCEN PRO(M)/(D)/(L) Technical Reference - 第601页
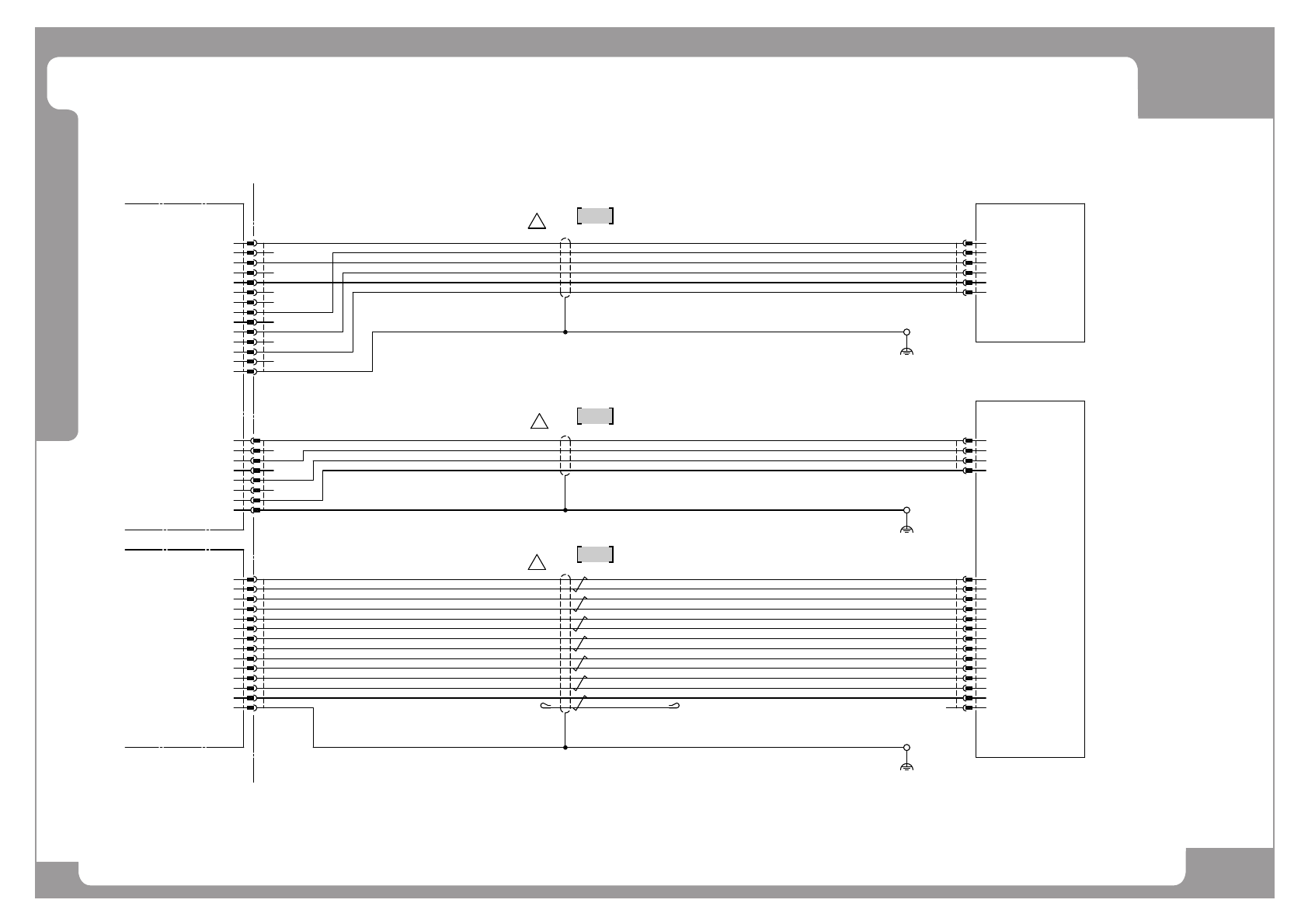
Page +$1:+$ 595 XY - BF DC Power EXCEN PRO(M) EXCEN PRO(D) EXCEN PRO(L) NO. P ART NO. P ART NAME Q'TY Old No. Supply Supply L T Reference 1 EP02-001816B HARNESS-BF_HEAD AMP PWR CABL E ASSY 1 2 EP02-001820B HARNESS-B…

Page
+$1:+$
594
EXCEN PRO(M)
EXCEN PRO(D
)
EXCEN PRO(L)
XY - BF DC Power
POWER UNIT
-A02
+24V
+24V
+24V
N,C
GND
GND
GND
FG
1
2
3
4
5
6
7
8
9
10
11
12
HEADBF
13
14
5556T
5557-14R
MOLEX
PW-HEADBF
1
2
3
4
5
6
7
8
9
10
11
12
13
14
+24V
+24V
GND
GND
-BF CAMERA SW
G3 CAMERA
SW Board(BF)
+48V
48GND
+48V
48GND
+24V
24GND
-BF HEAD AMP
G3 HEAD AMP(BF)
A2
A1
B2
B1
CN7
1871731-1
1-1827864-2
AMP
BF-CAM-CN7
B1
B2
A1
A2
8
7
6
5
4
3
2
1
HEADCBF
8
7
6
5
4
3
2
1
PW-HEADCAF
AMP
YLP-08V
SYF-41T-P0.5A
YLS-08V
1.5SQ/M4
FG
6
3
5
2
4
1
BF-AMP-J7
MOLEX
5557-06R
5556T
6
3
5
2
4
1
J7
RMFEV SWST(2517) 21AWG-6C
EP02-001816B
(0.5mm2-6C)
(0.5mm2-4C)
EP02-001820B
RMFEV SB(2517) 21AWG 4C
+48V
+48V
+48V
+48V
+24V
+24V
N,C
48GND
48GND
48GND
48GND
24GND
24GND
FG
2
9
3
10
4
11
5
12
6
13
1
8
CNBF
14
7
-SILL
SILL UNIT
43030-0001
43025-1400
MOLEX
SILL-CNBF
2
9
3
10
4
11
5
12
6
13
1
8
14
7
11
6
14
10
9
3
8
2
7
1
13
5
12
4
BF-CAM-CN4
JAE
IL-AG5-14S-D3C1-A
IL-AG5-C1-5000
(0.2mm2-7P)
EP02-001824B
RMFEV-SWST(2517) 25AWG 7P
CN4
4
12
5
13
1
7
2
8
3
9
10
14
6
11
RS485_AF_RXD+
RS485_AF_RXD-
RS485_AF_TXD+
RS485_AF_TXD-
DETACH
+24V
Z_ILK
+24V
ITF_IN
+24V
N,C
GND
GND
N,C
RS485_AF_RXD+
RS485_AF_RXD-
RS485_AF_TXD+
RS485_AF_TXD-
DETACH
24V
Z_ILK
24V
ITF_IN
24V
N.C
GND
GND
FG
1.5SQ/M3
FG
1.5SQ/M4
FG
J90611803A : XY ROBOT HARNESS
J90611798A
: XY HARNESS
1
1
1
1
2
3

Page
+$1:+$
595
XY - BF DC Power
EXCEN PRO(M)
EXCEN PRO(D)
EXCEN PRO(L)
NO. PART NO. PART NAME Q'TY Old No. Supply Supply LT Reference
1 EP02-001816B HARNESS-BF_HEAD AMP PWR CABLE ASSY 1
2 EP02-001820B HARNESS-BF SW BOARD PWR CABLE ASSY 1 EP02-001820B
3 EP02-001824B HARNESS-BF-HEAD AE-LINK CABLE ASSY 1

Page
+$1:+$
596
EXCEN PRO(M)
EXCEN PRO(D
)
EXCEN PRO(L)
XY - BF SVS Fid Camera
-BF CAMERA SW
BF CAMERA
SW BOARD
BF SVS
ILLMINATIONN
-BF SVS
BF SVS
CAMERA
+24V
+24V
N.C
SVS1_ILK
SVS2_ILK
N.C
GND
CAM12V
GND
FC_VIN
GND
FC_HD
FC_VD
GND
FC_SCAN
FC_TRG
GND
F.G
BF FID
OUTER ILL
-BF FID CAMERA
BF FID
CAMERA
+24V
+24V
FC1_ILK
FC2_ILK
EP02-001911B
UL1061 AWG28 BK
EP02-001911B
UL1061 AWG28 BK
UL1061 AWG28 BK
UL1061 AWG28 BK
N.C
N.C
+24V
ILK OUT
+24V
N.C
ILK OUT
N.C
+24V
ILK OUT
N.C
N.C
BF FID
INNER ILL
J90611798A : XY HARNESS
J90611803A: XY
ROBOT HARNESS
GND
CAM12V
GND
SVS_VIN
GND
SVS_HD
SVS_VD
GND
SVS_SCAN
SVS_TRG
GND
F.G
PT02-000043
VCC-G20V30BPSTW(CIS)
PT02-000043
VCC-G20V30BPSTW(CIS)
4
3
2
1
SVSILL
4
3
2
1
SVSILL
HRS
KN30-4S-1.25C
KN30-2630SCF
43030-0001
43025-0600
MOLEX
BF-CAM-CN6
1
2
3
4
5
6
UL1061 AWG28 BK
EP02-001910B
UL1061 AWG28 BK
CN6
6
5
4
3
2
1
4
3
2
1
FIDINNER
4
3
2
1
FIDINNER
HRS
KN30-4S-1.25C
KN30-2630SCF
4
3
2
1
FIDOUTER
4
3
2
1
FIDOUTER
HRS
KN30-4S-1.25C
KN30-2630SCF
CN11
12
11
10
9
8
7
6
5
4
3
2
1
12
11
10
9
8
7
6
5
4
3
2
1
CAM-CN11
MOLEX
502380-1200
502381-0000
43030-0001
43025-0400
MOLEX
1
2
3
4
BF-CAM-CN9CN9
4
3
2
1
1
1
CN13
12
11
10
9
8
7
6
5
4
3
2
1
12
11
10
9
8
7
6
5
4
3
2
1
CAM-CN13
MOLEX
502380-1200
502381-0000
2
2
1
2
1
3
3