Excellent Modular Component Placer EXCEN Series EXCEN PRO(M)/(D)/(L) Technical Reference - 第608页
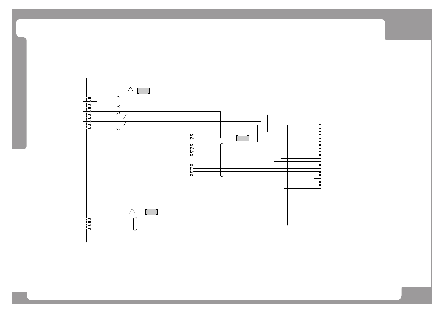
Page +$1:+$ 602 EXCEN PRO(M) EXCEN PRO(D ) EXCEN PRO(L) XY - BF DR20 Sig BF HEAD UNIT POWER Wiring BF CAMERA SW BOARD DET ACH 24GND Z_ILK 24GND +24V RXD+ RXD- TXD+ TXD- GND +24V +24V 24GND 24GND CN8 4 3 2 1 IL-AG5-C1-500…

Page
+$1:+$
601
XY - BF DR40 Motor
EXCEN PRO(M)
EXCEN PRO(D)
EXCEN PRO(L)
NO. PART NO. PART NAME Q'TY Old No. Supply Supply LT Reference
1 EP02-000850A HARNESS-BF-CNHEAD1 CABLE ASSY 2

Page
+$1:+$
602
EXCEN PRO(M)
EXCEN PRO(D
)
EXCEN PRO(L)
XY - BF DR20 Sig
BF
HEAD UNIT
POWER
Wiring
BF CAMERA
SW BOARD
DETACH
24GND
Z_ILK
24GND
+24V
RXD+
RXD-
TXD+
TXD-
GND
+24V
+24V
24GND
24GND
CN8
4
3
2
1
IL-AG5-C1-5000
IL-AG5-10S-S3C1JAE
BF-CAM-CN1
1
2
3
4
5
6
7
8
9
10
-BF CAMERA SW
CN1
10
9
8
7
6
5
4
3
2
1
5556T
5557-04R-210MOLEX
1
2
3
4
BF-CAM-CN8
B9
A9
B8
#570
FA12-020-1
KEL
A1
B1
A2
B2
A3
B3
A4
B4
A5
B5
A6
B6
BF-CNHEAD2
A7
B7
A8
A10
B10
24GND
P24V
-7EAM03-001754A+023AA IN1
IN1
-7EAM03-001754A+023AA IN3
IN3
-7EAM03-001754A+023AA OUT3
OUT3
-7EAM03-001754A+023AA OUT4
OUT4
-7EAM03-001754A+023AA OUT1
OUT1
-7EAM03-001754A+023AA OUT2
OUT2
24GND
GND
RX+
RX-
TX+
TX-
DONE(IN-2)
ORG(IN-4)
HABP#1(IN-1)
HABP#2(IN-3)
DETACH
ZILK
OUT_3
OUT_4
OUT_1
OUT_2
ID(Address)
P24V
24GND
P24V
-7EAM03-001754A+023AA IN2
IN2
-7EAM03-001754A+023AA IN4
IN4
-7EAM03-001754A+023AA 24GND
-7EAM03-001754A+023AA P24V
EP02-000851B
BN UL1007 AWG22
BN UL1007 AWG22
BU UL1007 AWG22
BU UL1007 AWG22
BU UL1007 AWG26
BU UL1007 AWG26
WHUL1007 AWG26
WHUL1007 AWG26
WHUL1007 AWG26
WHUL1007 AWG26
EP02-000851B
BU UL1007 AWG26
BU UL1007 AWG26
EP02-000851B
WHUL1007 AWG22
WHUL1007 AWG22
BU UL1007 AWG24
BN UL1007 AWG24
BU UL1007 AWG22
WHUL1007 AWG22
BK UL1007 AWG22
BK UL1007 AWG22
WHUL1007 AWG22
1
1
1
1
1

Page
+$1:+$
603
XY - BF DR20 Sig
EXCEN PRO(M)
EXCEN PRO(D)
EXCEN PRO(L)
NO. PART NO. PART NAME Q'TY Old No. Supply Supply LT Reference
1 EP02-000851B HARNESS-BF_CNHEAD2_CABLE ASSY 3