Excellent Modular Component Placer EXCEN Series EXCEN PRO(M)/(D)/(L) Technical Reference - 第614页
Page +$1:+$ 608 EXCEN PRO(M) EXCEN PRO(D ) EXCEN PRO(L) XY - BRY Axis 11 4 10 3 9 -A02 L 111 L21 1 L31 1 L1 1 L21 8 7 5 4 6 3 2 1 J1 1 8 7 5 4 6 3 2 1 J12 BRY -DRV -J1 1 8 7 5 4 6 3 2 1 AMP 5-569552-3 8 7 5 4 6 3 2 1 BRX…

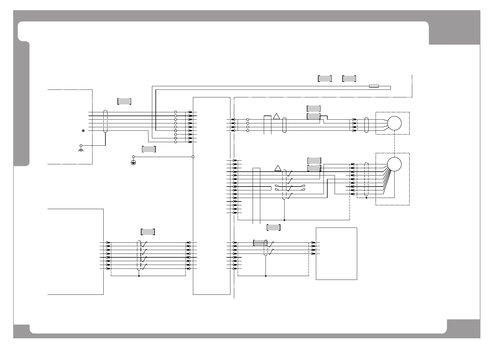
Page
+$1:+$
607
XY - BRX Axis - PRO(D) Standard
EXCEN PRO(M)
EXCEN PRO(D)
EXCEN PRO(L)
NO. PART NO. PART NAME Q'TY Old No. Supply Supply LT Reference
1 AM03-006568D CABLE ASSY-BRX_SERVO_DRV_CABLE_ASSY 1
2 J90834003A BRX PE CABLE;V1_BASE_015 1
3 AM03-020732A CABLE ASSY-MTN2 SYNQNET OUT CABLE ASSY 1
4 EP02-001828B HARNESS-MTN2 SYNQNET OUT ROBOT CABLE 1
5 AM03-020718A CABLE ASSY-BRX MOTOR PW CABLE ASSY 1
6 AM03-020713A CABLE ASSY-BRX DRIVER ENC CABLE ASSY 1

Page
+$1:+$
608
EXCEN PRO(M)
EXCEN PRO(D
)
EXCEN PRO(L)
XY - BRY Axis
11
4
10
3
9
-A02
L111
L211
L311
L11
L21
8
7
5
4
6
3
2
1
J11
8
7
5
4
6
3
2
1
J12
BRY-DRV-J11
8
7
5
4
6
3
2
1
AMP
5-569552-3
8
7
5
4
6
3
2
1
BRX-DRV-J12
AMP
5-569552-3
RD1+
RD1-
TD1+
TD1-
RTERM1
RTERM1
TTERM1
TTERM1
TD0+
TD0-
RD0+
RD0-
RTERM0
RTERM0
TTERM0
TTERM0
L1
L2
L3
C1
C2
+BUS
-BUS
REGEN
PE
1
J1
9
8
7
6
5
4
3
2
-BRYDRV
U
V
W
PE
RD1+
RD1-
TD1+
+5V
GND
DATA+
DATA-
AUXPTC
PTCRTN
+5V
GND
AUXA+
AUXA-
AUXB+
AUXB-
J2
1
2
3
4
UA-F1012
MSTB2.5/4-STF-5.08
PHOENIX CONTACT
4
3
2
1
BRY-DRV-J2
350536-1
350780-1
AMP
BRY-MOT
1
2
3
4
15
14
13
12
11
10
9
8
7
6
5
4
3
2
1
J14
15
14
13
12
11
10
9
8
7
6
5
4
3
2
1
BRY-DRV-J14
DDK/SKE
17SE-9H-1C(3ROW 15P)
17JE-23090-02
EP02-001812B
AM03-020714A
RMFEV-SWST(20276)AWG25-4P
POWER UNIT
HKIV 2.5SQGN/YE
J90834004A
AM03-006569D
BRY Driver
8
7
5
4
6
3
2
1
J12
8
7
5
4
6
3
2
1
BRY-DRV-J12
AMP
5-569552-3
RD1+
RD1-
TD1+
TD1-
RTERM1
RTERM1
TTERM1
TTERM1
-BR HEAD AMP
G4 HEAD AMP
1.5SQ/M4
FG
BRX Driver
-BRX
EP02-000664A
U
V
W
BRY-LIN
8
7
6
5
4
3
2
1
DDK
17JE23090-02(D1)
9
4
3
2
1
Linear
SSG
SM
BRY-axis MOTOR
U
V
W
-BRY
8
7
6
5
4
3
2
1
9
UTP-4PR 24AWG(CAT5e)
GN
BK
WH
RD
RMFEV(2517)AWG15-4C
EP02-001804B
AM03-020719A
(2.0mm2-4C)
TMEE2-4
NICHIFU
BRY-DRV-FG
2.5SQ/M4
TDIN+
TDIN-
RDIN+
RDIN-
2
4
1
3
CN13B
2
4
1
3
BR-AMP-CN13B
HIROSE
GT17HNS-4DS-HU
GT8-2428SCF(70)
GT17HNS-4DS-5CF
GT17HN-4DS-2C(B)
RM-CAT5ST AWG26/2P
EP02-002073A
AM03-020712A
WH/GN
GN
WH/OG
OG
RD
WH
BK
BU
BN
GN/YE
VCT 6C 0.75SQ
AWG15(1.5mm2)
AWG15(1.5mm2)
AWG15(1.5mm2)
AWG19(0.65mm2)
AWG19(0.65mm2)
AWG15(1.5mm2)
1
UA-F1512
UA-F1012
MSTB2,5/9-STF-5,08-BK
PHONENIX CONTACT
BRY-J1
9
8
7
6
5
4
3
2
-R2004
RARA
IRN 100/ULN 100C
J90611803A : XY ROBOT HARNESSJ90611798A : XY HARNESS
DRV-J1-4
DRV-J1-2
J90834544AAM03-011928A
TDK
ZCAT3035-1330
TDK
ZCAT3035-1330
1
1
1
7
68
5
2

Page
+$1:+$
609
XY - BRY Axis
EXCEN PRO(M)
EXCEN PRO(D)
EXCEN PRO(L)
NO. PART NO. PART NAME Q'TY Old No. Supply Supply LT Reference
1 J90834004A BRY PE CABLE;V1_BASE_016 1
2 EP02-000664B HARNESS-BR SYNQNET CABLE 300 1 EP02-000664A
3 EP02-001804B HARNESS-BRY MOTOR PW CABLE ASSY 1
4 EP02-001812B HARNESS-BRY DRIVER ENC CABLE ASSY 1
5 EP02-002073A HARNESS-BRY SYNQNET IN ROBOT CABLE 1
6 J90834544A REGEN_RESISTER_ASSY;V1_BASE_202 1
7 AM03-006569D CABLE ASSY-BRY_SERVO_DRV_CABLE_ASSY 1 PRO(D)
8 AM03-011928A CABLE ASSY-REGEN_RESISTER_ASSY 2 PRO(D)
9 AM03-020719A CABLE ASSY-BRY MOTOR PW CABLE ASSY 1 PRO(D)
10 AM03-020714A CABLE ASSY-BRY DRIVER ENC CABLE ASSY 1 PRO(D)
11 AM03-020712A CABLE ASSY-BR AMP SYNQNET IN ROBOT CABLE 1 PRO(D)