Excellent Modular Component Placer EXCEN Series EXCEN PRO(M)/(D)/(L) Technical Reference - 第630页
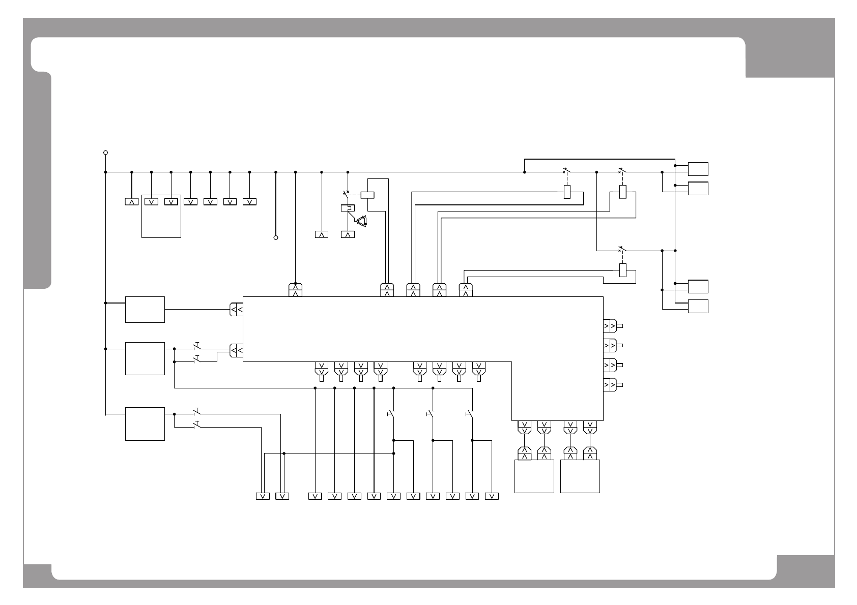
Page +$1:+$ 624 EXCEN PRO(M) EXCEN PRO(D ) EXCEN PRO(L) PW - PW Block Diagram Wiring - PRO(D) Standard -K321 BASE CONTROL BOARD 3 PHASE AC220V INPUT CPUAC A1 BUT AF ,AR A2 BUT BF ,BR TRA Y _A TRA Y _B PUMP CNSILL Main ai…

Page
+$1:+$
623
EXCEN PRO(M)
EXCEN PRO(D)
EXCEN PRO(L)

Page
+$1:+$
624
EXCEN PRO(M)
EXCEN PRO(D
)
EXCEN PRO(L)
PW - PW Block Diagram Wiring - PRO(D) Standard
-K321
BASE CONTROL BOARD
3 PHASE AC220V INPUT
CPUAC A1
BUT
AF,AR
A2
BUT
BF,BR
TRAY
_A
TRAY
_B
PUMP CNSILL
Main air
valve
PUMP
cooling
FAN
BRY
Driver
BRX
Driver
AFY
Driver
AFX
Driver
CN220V_IN CNMC0 CNMC1 CNMC2CNMC3
Vaccum
PUMP
-F221
CN28
CN13
DC24_LV
SUPPLY
-PS1(T121)
DC24V
SUPPLY
-PS2(T122)
DC48V
SUPPLY
-PS3(T123)
HEAD
BR
HEAD
AF
CART
AF
CART
AR
CART
BF
CART
BR
HEAD
CAF
HEAD
CAR
HEAD
CBF
HEAD
CBR
CNIOP CNSWC
CNSR
1_1
COPSAF
COPSAR
COPSBF
COPSBR
SAFETY
RELAY
Board#1
SAFETY
RELAY
Board#2
CNSR
1_2
CNSR
2_1
CNSR
2_2
FCOV
AF
FCOV
AR
FCOV
BF
FCOV
BR
TOP
SA
TOP
SB
CN3DF CN3DR
(Reserved)
-MC1(K221) -MC2(K222)
-MC3(K223)
-MC4(K224)
-CP1(F121)
-CP2(F122)
-CP9(F129)
-CP10(F130)
-CP7(F127) -CP8(F128) -CP13(F133)

Page
+$1:+$
625
EXCEN PRO(M)
EXCEN PRO(D)
EXCEN PRO(L)