Excellent Modular Component Placer EXCEN Series EXCEN PRO(M)/(D)/(L) Technical Reference - 第631页
Page +$1:+$ 625 EXCEN PRO(M) EXCEN PRO(D) EXCEN PRO(L)

Page
+$1:+$
624
EXCEN PRO(M)
EXCEN PRO(D
)
EXCEN PRO(L)
PW - PW Block Diagram Wiring - PRO(D) Standard
-K321
BASE CONTROL BOARD
3 PHASE AC220V INPUT
CPUAC A1
BUT
AF,AR
A2
BUT
BF,BR
TRAY
_A
TRAY
_B
PUMP CNSILL
Main air
valve
PUMP
cooling
FAN
BRY
Driver
BRX
Driver
AFY
Driver
AFX
Driver
CN220V_IN CNMC0 CNMC1 CNMC2CNMC3
Vaccum
PUMP
-F221
CN28
CN13
DC24_LV
SUPPLY
-PS1(T121)
DC24V
SUPPLY
-PS2(T122)
DC48V
SUPPLY
-PS3(T123)
HEAD
BR
HEAD
AF
CART
AF
CART
AR
CART
BF
CART
BR
HEAD
CAF
HEAD
CAR
HEAD
CBF
HEAD
CBR
CNIOP CNSWC
CNSR
1_1
COPSAF
COPSAR
COPSBF
COPSBR
SAFETY
RELAY
Board#1
SAFETY
RELAY
Board#2
CNSR
1_2
CNSR
2_1
CNSR
2_2
FCOV
AF
FCOV
AR
FCOV
BF
FCOV
BR
TOP
SA
TOP
SB
CN3DF CN3DR
(Reserved)
-MC1(K221) -MC2(K222)
-MC3(K223)
-MC4(K224)
-CP1(F121)
-CP2(F122)
-CP9(F129)
-CP10(F130)
-CP7(F127) -CP8(F128) -CP13(F133)

Page
+$1:+$
625
EXCEN PRO(M)
EXCEN PRO(D)
EXCEN PRO(L)

Page
+$1:+$
626
EXCEN PRO(M)
EXCEN PRO(D
)
EXCEN PRO(L)
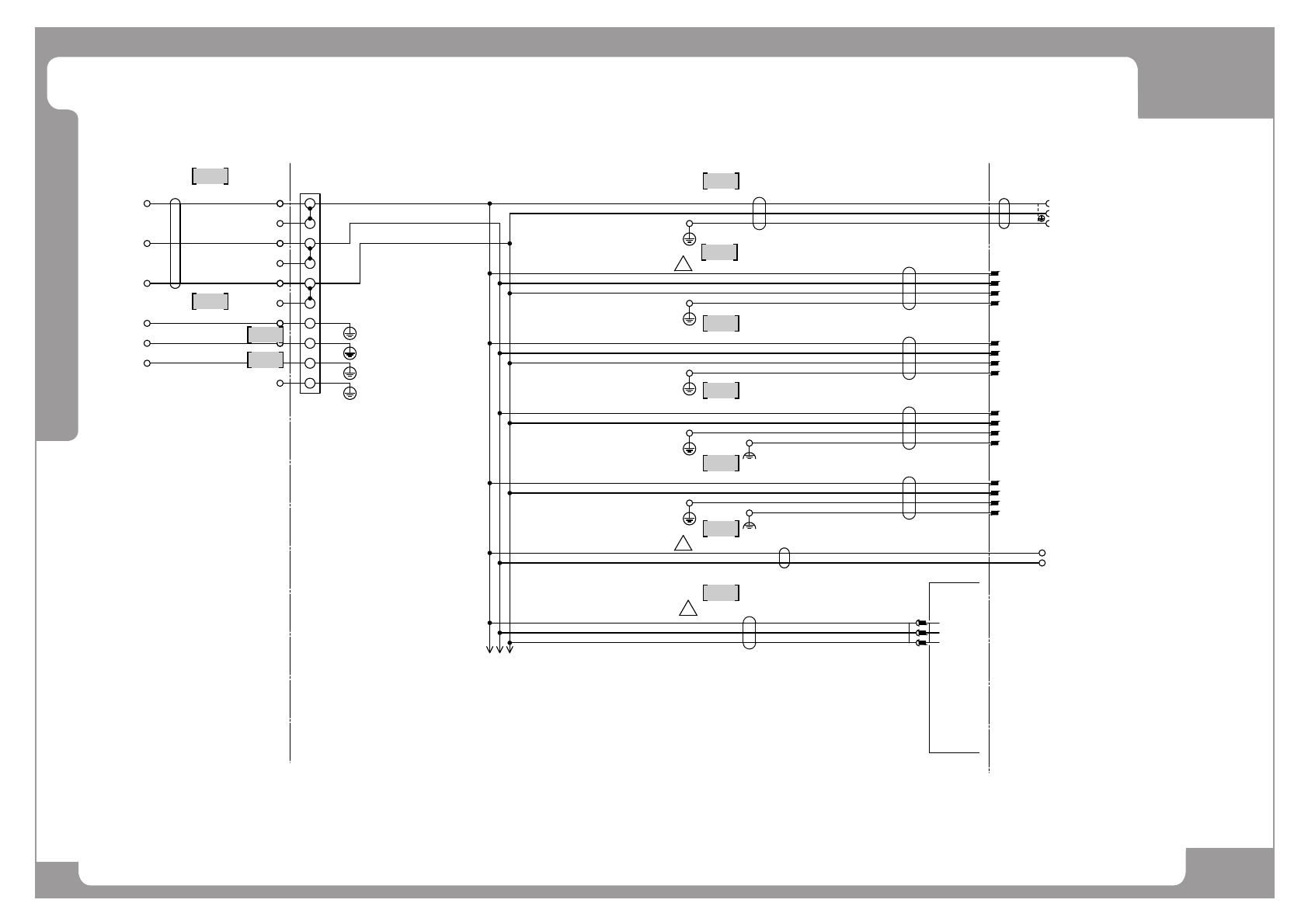
PW - AC220V Input
10
9
8
7
6
5
4
3
2
1
-TB10(X111)
PHOENIX CONTACT
TB-X111
A1
4
3
2
1
JST F32MSP-04V-KX
SF3M-41T-P2.0
A2
4
3
2
1
JST F32MSP-04V-KX
SF3M-41T-P2.0
TRAY_A
4
3
2
1
JST F32MSP-04V-KY
SF3M-41T-P2.0
TRAY_B
4
3
2
1
JST F32MSP-04V-KY
SF3M-41T-P2.0
AI-6 RD
PHOENIX CONTACT
1R
2R
STOW(A) LF AWG18-2C
WH
BK
(0.75mm2-2C)
PHOENIX CONTACT
AI 1,5-10 BK
PHOENIX CONTACT
AI 1,5-10 BK
PHOENIX CONTACT
AI 1,5-10 BK
PHOENIX CONTACT
AI 1,5-10 BK
NICHIFU
TMEE1.25-4
PHOENIX CONTACT
AI 1,5-10 BK
NICHIFU
TMEE1.25-4
KS-31 GTCE 3X1.0sq 4m
KAWASAKI DENSEN
CPUAC
1
W
BN
BU
GNYE
(1.0mm2-3C)
UL#12 105/600-3.5mm2BK
L11
UL#12 105/600-3.5mm2BK
L21
UL#12 105/600-3.5mm2BK
L31
UL#16 105/600-1.25mm2BK
L11
UL#16 105/600-1.25mm2BK
L21
UL#16 105/600-1.25mm2BK
L31
UL#16 105/600-1.25mm2BK
L11
UL#16 105/600-1.25mm2BK
L21
UL#16 105/600-1.25mm2BK
L31
UL#16 105/600-1.25mm2BK
L21
UL#16 105/600-1.25mm2BK
L31
UL#16 105/600-1.25mm2BK
L11
UL#16 105/600-1.25mm2BK
L31
UL#16 105/600-1.25mm2GN/YE
UL#16 105/600-1.25mm2GN/YE
UL#16 105/600-1.25mm2GN/YE
UL#16 105/600-1.25mm2GN/YE
UL#16 105/600-1.25mm2GN/YE
UL#16 105/600-1.25mm2GN/YE
AM03-003986A+003AA-1A L11
AM03-003986A+003AA-1A L21
AM03-003986A+003AA-1A L31
3
2
1
CN220V IN
3
2
1
CN220V_IN
JST
F32FSS-03V-KX
SF3F-41T-P2.0
BASE
CONTROL
BOARD
R
S
T
UL#16 105/600-1.25mm2BK
L11
UL#16 105/600-1.25mm2BK
L21
UL#16 105/600-1.25mm2BK
L31
TO
CPU BOX
TO
AF,AR BUT
DR
TO
TRAY
FEEDER A
TO
BF,BR BUT
DR
TO
TRAY
FEEDER B
TO
Main air
valve
-K321
J90834591A
UL#12 105/600-3.5mm2BK
EP02-001535A
UL#12 105/600-3.5mm2BK
UL#12 105/600-3.5mm2BK
UL#12 105/600-3.5mm2GN/YE
EP02-001872A
UL#12 105/600-3.5mm2GN/YE
EP02-001873B
UL#14 105/600-2.0mm2GN/YE
EP02-001876B
NICHIFU
TMEE5.5-4N
NICHIFUTMEE2-4
NICHIFU
TMEE5.5-4N
NICHIFU
TMEE5.5-4N
NICHIFUTMEE5.5-4N
NICHIFUTMEE5.5-4N
AI 4-10 GY
PHOENIX CONTACT
AI 4-10 GY
PHOENIX CONTACT
AI 4-10 GY
PHOENIX CONTACT
AI 4-10 GY
PHOENIX CONTACT
AI 4-10 GY
PHOENIX CONTACT
AI 2.5-12 BU
PHOENIX CONTACT
AM03-006461A
AM03-006557B
AM03-006558A
AM03-006462A
AM03-006463A
AM03-006464B
AM03-006465B
1
1
1
1
2
3
7
8
9
10
11
5
6
4