Excellent Modular Component Placer EXCEN Series EXCEN PRO(M)/(D)/(L) Technical Reference - 第635页
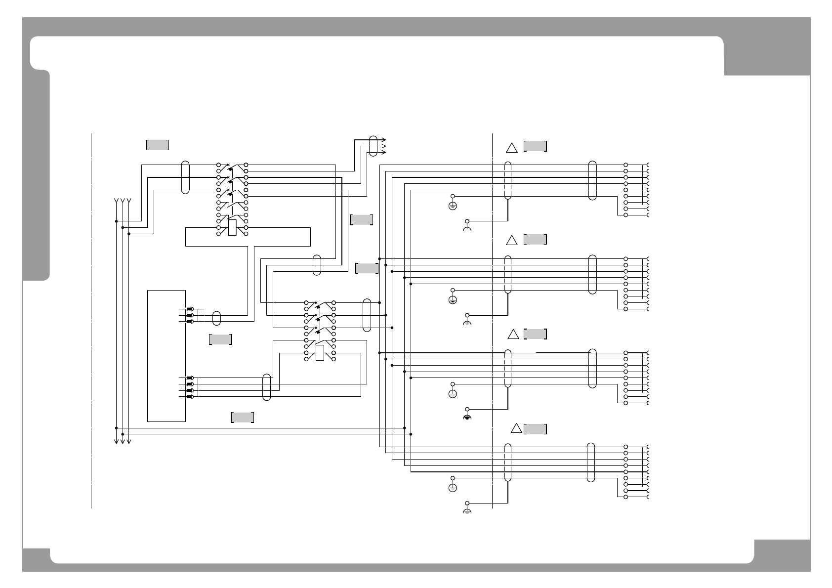
Page +$1:+$ 629 PW - Driver Power1 EXCEN PRO(M) EXCEN PRO(D) EXCEN PRO(L) NO. P ART NO. P ART NAME Q'TY Old No. Supply Supply L T Reference 1 AM03-006466A CAB LE ASSY -MC1_INPUT_2 20V_CABLE_AS SY 1 2 AM03-006468A CA…

Page
+$1:+$
628
EXCEN PRO(M)
EXCEN PRO(D
)
EXCEN PRO(L)
PW - Driver Power1
65
43
21
-MC1(K221)
MITSUBISHI ELECTRIC
SD-Q19 DC24V1a1b
13 14
21 22
A1 A2
A2A1
2221
SD-Q11 DC24V1b
MITSUBISHI ELECTRIC
-MC2(K222)
12
34
56
MSTBC-MT 1.5-2.5
MSTBC-MT 0.5-1.0
RD
WH
BK
BU
BN
GN/YE
HRZVV-SB-H(c2570)AWG17×4C+AWG19×2C
AWG17(1.0mm2)
AWG17(1.0mm2)
AWG17(1.0mm2)
AWG19(0.65mm2)
AWG19(0.65mm2)
AWG17(1.0mm2)
RD
WH
BK
BU
BN
GN/YE
HRZVV-SB-H(c2570)AWG15×4C+AWG19×2C
AWG15(1.5mm2)
AWG15(1.5mm2)
AWG15(1.5mm2)
AWG19(0.65mm2)
AWG19(0.65mm2)
AWG15(1.5mm2)
RD
WH
BK
BU
BN
GN/YE
HRZVV-SB-H(c2570)AWG17×4C+AWG19×2C
AWG17(1.0mm2)
AWG17(1.0mm2)
AWG17(1.0mm2)
AWG19(0.65mm2)
AWG19(0.65mm2)
AWG17(1.0mm2)
RD
WH
BK
BU
BN
GN/YE
HRZVV-SB-H(c2570)AWG15×4C+AWG19×2C
AWG15(1.5mm2)
AWG15(1.5mm2)
AWG15(1.5mm2)
AWG19(0.65mm2)
AWG19(0.65mm2)
AWG15(1.5mm2)
AI 1.5-10 BK
PHOENIX CONTACT
TMEE2-4
NICHIFU
FG
AI 1.5-10 BK
PHOENIX CONTACT
TMEE2-4
NICHIFU
FG
AI 1.5-10 BK
PHOENIX CONTACT
TMEE2-4
NICHIFU
FG
AI 1.5-10 BK
PHOENIX CONTACT
TMEE2-4
NICHIFU
FG
L11 AM03-003986A+002AA-3E
L21 AM03-003986A+002AA-3E
L31 AM03-003986A+002AA-3E
1
MSTB2,5/9-STF-5,08-BK
PHONENIX CONTACT
AFX-J1
9
8
7
6
5
4
3
2
TO
Servo
Driver1
(AFX)
TO
Servo
Driver2
(AFY)
TO
Servo
Driver3
(ARX)
TO
Servo
Driver4
(ARY)
MSTBC-MT 1.5-2.5
MSTBC-MT 0.5-1.0
1
MSTB2,5/9-STF-5,08-BK
PHONENIX CONTACT
AFY-J1
9
8
7
6
5
4
3
2
MSTBC-MT 1.5-2.5
MSTBC-MT 0.5-1.0
1
MSTB2,5/9-STF-5,08-BK
PHONENIX CONTACT
ARX-J1
9
8
7
6
5
4
3
2
MSTBC-MT 1.5-2.5
MSTBC-MT 0.5-1.0
1
MSTB2,5/9-STF-5,08-BK
PHONENIX CONTACT
ARY-J1
9
8
7
6
5
4
3
2
AM03-003986A+004AA-1A L11
AM03-003986A+004AA-1A L21
AM03-003986A+004AA-1A L31
L111 AM03-003986A+004AA-2C
L211 AM03-003986A+004AA-2C
L311 AM03-003986A+004AA-2C
CNMC1
4
3
2
1
XMS-04V
SXA-01T-P0.6
XARP-04V
JST
1
2
3
4
BC-CNMC1
UL#12 105/600-3.5mm2BK
L11
UL#12 105/600-3.5mm2BK
L21
UL#12 105/600-3.5mm2BK
L31
TMEE5.5-4N
NICHIFU
MC1-1
TMEE5.5-4N
MC1-3
TMEE5.5-4N
NICHIFU
MC1-5
MC1-2a
NICHIFU
TMEE5.5-4N
MC1-2b
NICHIFU
TMEE5.5-4N
MC1-4a
NICHIFU
TMEE5.5-4N
MC1-4b
NICHIFU
TMEE5.5-4N
MC1-6a
NICHIFU
TMEE5.5-4N
MC1-6b
NICHIFU
TMEE5.5-4N
UL#12 105/600-3.5mm2BK
UL#12 105/600-3.5mm2BK
UL#12 105/600-3.5mm2BK
UL#12 105/600-3.5mm2BK
UL#12 105/600-3.5mm2BK
UL#12 105/600-3.5mm2BK
BU UL#20 80/300-0.5mm2
BU UL#20 80/300-0.5mm2
BU UL#20 80/300-0.5mm2
BU UL#20 80/300-0.5mm2
MC2-2
NICHIFU
TMEE5.5-4N
MC2-4
NICHIFU
TMEE5.5-4N
MC2-6
NICHIFU
TMEE5.5-4N
MC2-22
NICHIFU
TMEE1.25-3.5
MC2-A2
NICHIFU
TMEE1.25-3.5
TMEE5.5-4N
NICHIFU
MC2-1
TMEE5.5-4N
NICHIFU
MC2-3
TMEE5.5-4N
NICHIFU
MC2-5
TMEE1.25-3.5
NICHIFU
MC2-A1
TMEE1.25-3.5
NICHIFU
MC2-21
-K321
BASE
CONTROL
BOARD
3
2
1
CNMC0 BC-CNMCO
3
1
2
JST
XARP-03V
SXA-01T-P0.6
XMS-03V
BU UL#20 80/300-0.5mm2 BU UL#20 80/300-0.5mm2
P24
PON-MG
G24
RESET
RESET.COM
PON-MGA
G24
TMEE1.25-3.5
NICHIFU
MC1-A1 MC1-A2
NICHIFU
TMEE1.25-3.5
AM03-006562B
AM03-006563C
AM03-006564C
AM03-006565C
AM03-006466A
AM03-006468A
AM03-006470A
AM03-006471A
AM03-006469A
1
1
1
1
1
2
6
7
8
9
3
4
5

Page
+$1:+$
629
PW - Driver Power1
EXCEN PRO(M)
EXCEN PRO(D)
EXCEN PRO(L)
NO. PART NO. PART NAME Q'TY Old No. Supply Supply LT Reference
1 AM03-006466A CABLE ASSY-MC1_INPUT_220V_CABLE_ASSY 1
2 AM03-006468A CABLE ASSY-MC1_MC2_220V_CABLE_ASSY 1
3 AM03-006469A CABLE ASSY-MC2_TB30_220V_CABLE_ASSY 1
4 AM03-006470A CABLE ASSY-MC1_A1_A2_CABLE_ASSY 1
5 AM03-006471A CABLE ASSY-MC2_A1_A2_21_22_CABLE_ASSY 1
6 AM03-006562B CABLE ASSY-AFX_SERVO_DRV_CABLE ASSY 1
7 AM03-006563D CABLE ASSY-AFY_SERVO_DRV_CABLE ASSY 1 AM03-006563B / AM03-006563C
8 AM03-006564C CABLE ASSY-ARX_SERVO_DRV 1 AM03-006564B
9 AM03-006565C CABLE ASSY-ARY_SERVO_DRV 1 AM03-006565B

Page
+$1:+$
630
EXCEN PRO(M)
EXCEN PRO(D
)
EXCEN PRO(L)
PW - Driver Power1 - PRO(D) Standard
65
43
21
-MC1(K221)
MITSUBISHI ELECTRIC
SD-Q19 DC24V1a1b
13 14
21 22
A1 A2
A2A1
2221
SD-Q11 DC24V1b
MITSUBISHI ELECTRIC
-MC2(K222)
12
34
56
MSTBC-MT 1.5-2.5
MSTBC-MT 0.5-1.0
RD
WH
BK
BU
BN
GN/YE
HRZVV-SB-H(c2570)AWG17×4C+AWG19×2C
AWG17(1.0mm2)
AWG17(1.0mm2)
AWG17(1.0mm2)
AWG19(0.65mm2)
AWG19(0.65mm2)
AWG17(1.0mm2)
RD
WH
BK
BU
BN
GN/YE
HRZVV-SB-H(c2570)AWG15×4C+AWG19×2C
AWG15(1.5mm2)
AWG15(1.5mm2)
AWG15(1.5mm2)
AWG19(0.65mm2)
AWG19(0.65mm2)
AWG15(1.5mm2)
AI 1.5-10 BK
PHOENIX CONTACT
TMEE2-4
NICHIFU
FG
AI 1.5-10 BK
PHOENIX CONTACT
TMEE2-4
NICHIFU
FG
L11 AM03-003986A+002AA-3E
L21 AM03-003986A+002AA-3E
L31 AM03-003986A+002AA-3E
1
MSTB2,5/9-STF-5,08-BK
PHONENIX CONTACT
AFX-J1
9
8
7
6
5
4
3
2
TO
Servo
Driver1
(AFX)
TO
Servo
Driver2
(AFY)
MSTBC-MT 1.5-2.5
MSTBC-MT 0.5-1.0
1
MSTB2,5/9-STF-5,08-BK
PHONENIX CONTACT
AFY-J1
9
8
7
6
5
4
3
2
AM03-003986A+004AA-1A L11
AM03-003986A+004AA-1A L21
AM03-003986A+004AA-1A L31
L111 AM03-003986A+004AA-2C
L211 AM03-003986A+004AA-2C
L311 AM03-003986A+004AA-2C
CNMC1
4
3
2
1
XMS-04V
SXA-01T-P0.6
XARP-04V
JST
1
2
3
4
BC-CNMC1
UL#12 105/600-3.5mm2BK
L11
UL#12 105/600-3.5mm2BK
L21
UL#12 105/600-3.5mm2BK
L31
TMEE5.5-4N
NICHIFU
MC1-1
TMEE5.5-4N
MC1-3
TMEE5.5-4N
NICHIFU
MC1-5
MC1-2a
NICHIFU
TMEE5.5-4N
MC1-2b
NICHIFU
TMEE5.5-4N
MC1-4a
NICHIFU
TMEE5.5-4N
MC1-4b
NICHIFU
TMEE5.5-4N
MC1-6a
NICHIFU
TMEE5.5-4N
MC1-6b
NICHIFU
TMEE5.5-4N
UL#12 105/600-3.5mm2BK
UL#12 105/600-3.5mm2BK
UL#12 105/600-3.5mm2BK
UL#12 105/600-3.5mm2BK
UL#12 105/600-3.5mm2BK
UL#12 105/600-3.5mm2BK
BU UL#20 80/300-0.5mm2
BU UL#20 80/300-0.5mm2
BU UL#20 80/300-0.5mm2
BU UL#20 80/300-0.5mm2
MC2-2
NICHIFU
TMEE5.5-4N
MC2-4
NICHIFU
TMEE5.5-4N
MC2-6
NICHIFU
TMEE5.5-4N
MC2-22
NICHIFU
TMEE1.25-3.5
MC2-A2
NICHIFU
TMEE1.25-3.5
TMEE5.5-4N
NICHIFU
MC2-1
TMEE5.5-4N
NICHIFU
MC2-3
TMEE5.5-4N
NICHIFU
MC2-5
TMEE1.25-3.5
NICHIFU
MC2-A1
TMEE1.25-3.5
NICHIFU
MC2-21
-K321
BASE
CONTROL
BOARD
3
2
1
CNMC0 BC-CNMCO
3
1
2
JST
XARP-03V
SXA-01T-P0.6
XMS-03V
BU UL#20 80/300-0.5mm2 BU UL#20 80/300-0.5mm2
P24
PON-MG
G24
RESET
RESET.COM
PON-MGA
G24
TMEE1.25-3.5
NICHIFU
MC1-A1 MC1-A2
NICHIFU
TMEE1.25-3.5
AM03-006562D
AM03-006563D
AM03-006466A
AM03-006468A
AM03-006470A
AM03-006471A
AM03-006469A
1
1
1
2
6
7
3
4
5