Excellent Modular Component Placer EXCEN Series EXCEN PRO(M)/(D)/(L) Technical Reference - 第640页
Page +$1:+$ 634 EXCEN PRO(M) EXCEN PRO(D ) EXCEN PRO(L) PW - Driver Power2 - PRO(D) Standard A2 A1 22 21 SD-Q1 1 DC24V1b MITSUBISHI ELECTRIC -MC3(K223) 12 34 56 RD WH BK BU BN GN/YE HRZVV -SB-H(c2570)A WG17×4C+AWG19×2C A…

Page
+$1:+$
633
PW - Driver Power2
EXCEN PRO(M)
EXCEN PRO(D)
EXCEN PRO(L)
NO. PART NO. PART NAME Q'TY Old No. Supply Supply LT Reference
1 AM03-006466A CABLE ASSY-MC1_INPUT_220V_CABLE_ASSY 1
2 AM03-006476A CABLE ASSY-MC3_OUTPUT_CABLE_ASSY 1
3 AM03-006478A CABLE ASSY-BC_CNMC2_CABLE_ASSY 1
4 AM03-006566C CABLE ASSY-BFX_SERVO_DRV_CABLE ASSY 1 AM03-006566B
5 AM03-006567C CABLE ASSY-BFY_SERVO_DRV_CABLE ASSY 1 AM03-006567B
6 AM03-006568D CABLE ASSY-BRX_SERVO_DRV 1 AM03-006568B / AM03-006568C
7 AM03-006569D CABLE ASSY-BRY_SERVO_DRV 1 AM03-006569B / AM03-006569C

Page
+$1:+$
634
EXCEN PRO(M)
EXCEN PRO(D
)
EXCEN PRO(L)
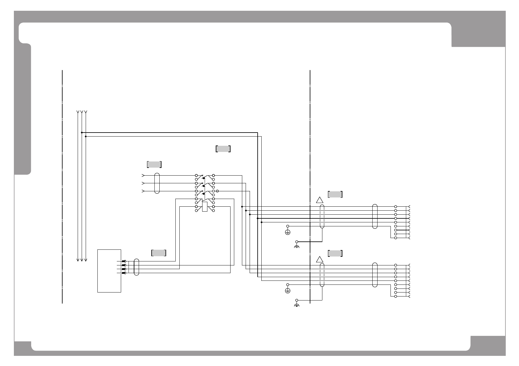
PW - Driver Power2 - PRO(D) Standard
A2A1
2221
SD-Q11 DC24V1b
MITSUBISHI ELECTRIC
-MC3(K223)
12
34
56
RD
WH
BK
BU
BN
GN/YE
HRZVV-SB-H(c2570)AWG17×4C+AWG19×2C
AWG17(1.0mm2)
AWG17(1.0mm2)
AWG17(1.0mm2)
AWG19(0.65mm2)
AWG19(0.65mm2)
AWG17(1.0mm2)
RD
WH
BK
BU
BN
GN/YE
HRZVV-SB-H(c2570)AWG15×4C+AWG19×2C
AWG15(1.5mm2)
AWG15(1.5mm2)
AWG15(1.5mm2)
AWG19(0.65mm2)
AWG19(0.65mm2)
AWG15(1.5mm2)
TO
Servo
Driver7
(BRX)
TO
Servo
Driver8
(BRY)
AI 1.5-10 BK
PHOENIX CONTACT
TMEE2-4
NICHIFU
FG
AI 1.5-10 BK
PHOENIX CONTACT
TMEE2-4
NICHIFU
FG
MSTBC-MT 1.5-2.5
MSTBC-MT 0.5-1.0
1
MSTB2,5/9-STF-5,08-BK
PHONENIX CONTACT
BRX-J1
9
8
7
6
5
4
3
2
MSTBC-MT 1.5-2.5
MSTBC-MT 0.5-1.0
1
MSTB2,5/9-STF-5,08-BK
PHONENIX CONTACT
BRY-J1
9
8
7
6
5
4
3
2
CNMC2
4
3
2
1
XMS-04V
SXA-01T-P0.6
XARP-04V
JST
1
2
3
4
BC-CNMC2
AM03-003986A+002AA-5A L111
AM03-003986A+002AA-5A L211
AM03-003986A+002AA-5A L311
2aK223
NICHIFU
TMEE5.5-4N
4aK223
NICHIFU
6aK223
MC3-22
NICHIFU
TMEE1.25-3.5
MC3-A2
NICHIFU
TMEE5.5-4N
NICHIFU
MC3-1
TMEE5.5-4N
NICHIFU
MC3-3
TMEE5.5-4N
NICHIFU
MC3-5
TMEE1.25-3.5
NICHIFU
MC3-A1
TMEE1.25-3.5
NICHIFU
MC3-21
BU UL#20 80/300-0.5mm2
BU UL#20 80/300-0.5mm2
BU UL#20 80/300-0.5mm2
BU UL#20 80/300-0.5mm2
-K321
BASE
CONTROL
BOARD
RESET
RESET.COM
PON-MGA
G24
L11 AM03-003986A+003AA-1E
L21 AM03-003986A+003AA-1E
L31 AM03-003986A+003AA-1E
AM03-003986A+005AA-1A L11
AM03-003986A+005AA-1A L21
AM03-003986A+005AA-1A L31
AM03-006568D
AM03-006569D
AM03-006476A
AM03-006466A
AM03-006478A
1
1
1
2
4
5
3

Page
+$1:+$
635
PW - Driver Power2 - PRO(D) Standard
EXCEN PRO(M)
EXCEN PRO(D)
EXCEN PRO(L)
NO. PART NO. PART NAME Q'TY Old No. Supply Supply LT Reference
1 AM03-006466A CABLE ASSY-MC1_INPUT_220V_CABLE_ASSY 1
2 AM03-006476A CABLE ASSY-MC3_OUTPUT_CABLE_ASSY 1
3 AM03-006478A CABLE ASSY-BC_CNMC2_CABLE_ASSY 1
4 AM03-006568D CABLE ASSY-BRX_SERVO_DRV 1
5 AM03-006569D CABLE ASSY-BRY_SERVO_DRV 1