Excellent Modular Component Placer EXCEN Series EXCEN PRO(M)/(D)/(L) Technical Reference - 第642页
Page +$1:+$ 636 EXCEN PRO(M) EXCEN PRO(D ) EXCEN PRO(L) PW - Vacuum Pump TMEE2-3.5 NICHIFU MC4-1a TMEE2-3.5 NICHIFU MC4-3a TMEE2-3.5 NICHIFU MC4-5a -SK1(F221) MITSUBISHI ELECTRIC UN-SA33 TMEE2-3.5 NICHIFU SK1-1 TMEE2-3.5…

Page
+$1:+$
635
PW - Driver Power2 - PRO(D) Standard
EXCEN PRO(M)
EXCEN PRO(D)
EXCEN PRO(L)
NO. PART NO. PART NAME Q'TY Old No. Supply Supply LT Reference
1 AM03-006466A CABLE ASSY-MC1_INPUT_220V_CABLE_ASSY 1
2 AM03-006476A CABLE ASSY-MC3_OUTPUT_CABLE_ASSY 1
3 AM03-006478A CABLE ASSY-BC_CNMC2_CABLE_ASSY 1
4 AM03-006568D CABLE ASSY-BRX_SERVO_DRV 1
5 AM03-006569D CABLE ASSY-BRY_SERVO_DRV 1

Page
+$1:+$
636
EXCEN PRO(M)
EXCEN PRO(D
)
EXCEN PRO(L)
PW - Vacuum Pump
TMEE2-3.5
NICHIFU
MC4-1a
TMEE2-3.5
NICHIFU
MC4-3a
TMEE2-3.5
NICHIFU
MC4-5a
-SK1(F221)
MITSUBISHI ELECTRIC
UN-SA33
TMEE2-3.5
NICHIFU
SK1-1
TMEE2-3.5
NICHIFU
SK1-2
TMEE2-3.5
NICHIFU
SK1-3
BU
UL#20 80/300-0.5mm2
TMEE1.25-3.5
NICHIFU
MC4-A1
TMEE1.25-3.5
NICHIFU
TH1-95
TMEE1.25-3.5
NICHIFU
MC4-A2
TMEE2-3.5
NICHIFU
TH1-2c
TMEE2-3.5
NICHIFU
TH1-2d
2
1
G111
SANYO DENKI
489-086-L21
TMEE2-3.5
NICHIFU
TH1-4c
TMEE2-3.5
NICHIFU
TH1-4d
TMEE2-3.5
NICHIFU
TH1-6c
TMEE2-3.5
NICHIFU
TH1-6d
TMEE1.25-3.5
NICHIFU
TH1-96
L11 AM03-003986A+004AA-1E
L21 AM03-003986A+004AA-1E
L31 AM03-003986A+004AA-1E
AM03-003986A+006AA-1A L11
AM03-003986A+006AA-1A L21
AM03-003986A+006AA-1A L31
TO
Pump
cooling
FAN
TMEE1.25-4
NICHIFU
AI 1,5-10 BK
PHOENIX CONTACT
UL#16 105/600-1.25mm2GN/YE
IN030
GND24
OT020
GND24
AI 1,5-10 BK
PHOENIX CONTACT
UL#16 105/600-1.25mm2GN/YE
UL#16 105/600-1.25mm2BK
UL#16 105/600-1.25mm2BK
UL#16 105/600-1.25mm2BK
UL#16 105/600-1.25mm2BK
UL#16 105/600-1.25mm2BK
UL#16 105/600-1.25mm2BK
UL#14 105/600-2.0mm2BK
L11
UL#14 105/600-2.0mm2BK
L21
UL#14 105/600-2.0mm2BK
L31
TO
Vacuum
Pump A
Stage
-K321
3
2
1
CNSILL
JST
F32MSP-03V-KX
SF3M-71T-M2.0N
TMEE2-4
PHOENIX CONTACT
UL#14 105/600-2.0mm2BK
L11
UL#14 105/600-2.0mm2BK
L21
UL#14 105/600-2.0mm2GN/YE
TO
SILL AMP
TH1-97
TH1-98
PUMPA
B3
A3
B2
B1
A2
A1
JST
F32MDP-06V-KXX
SF3M-71T-M2.0N
-SK2(F222)
MITSUBISHI ELECTRIC
UN-SA33
TMEE2-3.5
NICHIFU
SK2-1
TMEE2-3.5
NICHIFU
SK2-2
TMEE2-3.5
NICHIFU
SK2-3
BU
UL#20 80/300-0.5mm2
TMEE1.25-3.5
NICHIFU
TH2-95
TMEE1.25-3.5
NICHIFU
MC4-A2
TMEE2-3.5
NICHIFU
TH2-2c
TMEE2-3.5
NICHIFU
TH2-2d
TMEE2-3.5
NICHIFU
TH2-4c
TMEE2-3.5
NICHIFU
TH2-4d
TMEE2-3.5
NICHIFU
TH2-6c
TMEE2-3.5
NICHIFU
TH2-6d
TMEE1.25-3.5
NICHIFU
TH2-96
AI 1,5-10 BK
PHOENIX CONTACT
UL#16 105/600-1.25mm2GN/YE
UL#16 105/600-1.25mm2BK
UL#16 105/600-1.25mm2BK
UL#16 105/600-1.25mm2BK
UL#16 105/600-1.25mm2BK
UL#16 105/600-1.25mm2BK
UL#16 105/600-1.25mm2BK
TO
Vacuum
Pump B
Stage
TH2-97
TH2-98
PUMPB
B3
A3
B2
B1
A2
A1
JST
F32MDP-06V-KXX
SF3M-71T-M2.0N
1
1
1
1
A2A1
2221
SD-N11(CX)
MITSUBISHI ELECTRIC
-MC4
12
34
56
9897
9695
6
4
2
5
3
1
-TH1
MITSUBISHI ELECTRIC
UN-HZ12+TH-N12KP 2.3A 220V DC24V
9897
9695
6
4
2
5
3
1
-TH2
MITSUBISHI ELECTRIC
UN-HZ12+TH-N12KP 2.3A 220V DC24V
MC4-2a
NICHIFU
TMEE2-3.5
MC4-4a
MC4-6a
UL#16 105/600-1.25mm2BK
UL#16 105/600-1.25mm2BK
UL#16 105/600-1.25mm2BK
TMEE2-3.5
NICHIFU
TH1-1a
TMEE2-3.5
NICHIFU
TH1-3a
TH1-5a
TMEE2-3.5
NICHIFU
TH2-1a
TMEE2-3.5
NICHIFU
TH2-3a
TH2-5a
UL#16 105/600-1.25mm2BK
UL#16 105/600-1.25mm2BK
UL#16 105/600-1.25mm2BK
1
IN031
GND24
OT021
GND24
CNMC3
4
3
2
1
CNMC4
4
3
2
1
43030-0001
43025-0400
MOLEX
1
2
3
4
CNMC3
43030-0001
43025-0400
MOLEX
1
2
3
4
CNMC4
BU UL#20 80/300-0.5mm2
BU UL#20 80/300-0.5mm2
BU UL#20 80/300-0.5mm2
BU UL#20 80/300-0.5mm2
BU UL#20 80/300-0.5mm2
BU UL#20 80/300-0.5mm2
1
1
1
1
AM03-006559B
AM03-006560A
AM03-006481A
AM03-006483A
EP02-001844A
EP02-001845A
EP02-001846A
EP02-001848A
EP02-001847A
EP02-001843A
2
10
8
9
1
2
3
4
5
6
7

Page
+$1:+$
637
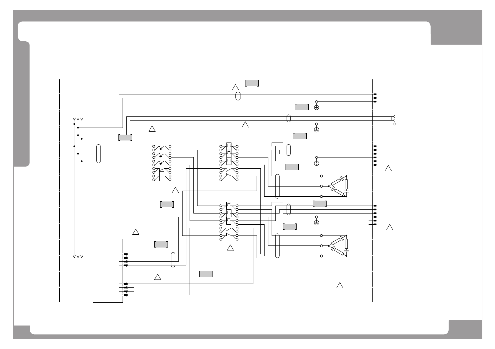
PW - Vacuum Pump
EXCEN PRO(M)
EXCEN PRO(D)
EXCEN PRO(L)
NO. PART NO. PART NAME Q'TY Old No. Supply Supply LT Reference
1 AM03-006559B CABLE ASSY-TO SILL_AMP_CABLE_ASSY 1
2 AM03-006560A CABLE ASSY-TB30_PUMP_FAN_CABLE_ASSY 1
3 EP02-001848A HARNESS-V1+ PUMP1 CABLE ASSY 1
4 AM03-006483A CABLE ASSY-MC4_SK_CABLE_ASSY 1
5 EP02-001844A HARNESS-V1+ VACUUM PUMP2 PWR CABLE ASS 1
6 EP02-001845A HARNESS-V1+ SK2 CABLE ASSY 1
7 EP02-001847A HARNESS-V1+ IN031 CABLE ASSY 1
8 EP02-001846A HARNESS-V1+ IN030 CABLE ASSY 1
9 EP02-001843A HARNESS-V1+ MC5 INPUT PWR CABLE ASSY 1
10 AM03-006481A CABLE ASSY-MC4_INPUT_CABLE_ASSY 1