Excellent Modular Component Placer EXCEN Series EXCEN PRO(M)/(D)/(L) Technical Reference - 第645页
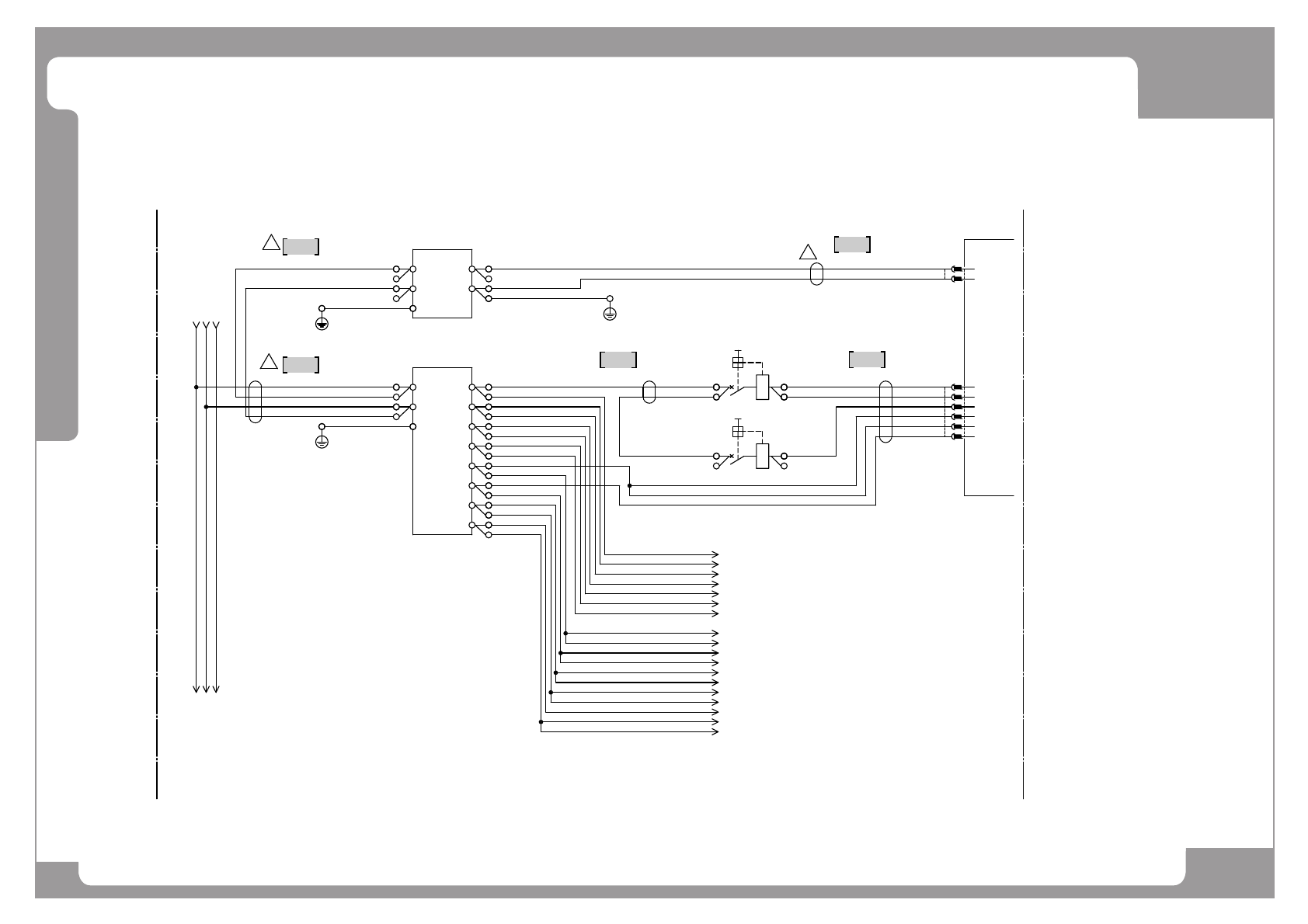
Page +$1:+$ 639 PW - DC Power1 EXCEN PRO(M) EXCEN PRO(D) EXCEN PRO(L) NO. P ART NO. P ART NAME Q'TY Old No. Supply Supply L T Reference 1 AM03-006486B CABLE ASSY -PS1_P S2_220V_CABL E_ASSY 1 2 AM03-006487B CABLE ASS…

Page
+$1:+$
638
EXCEN PRO(M)
EXCEN PRO(D
)
EXCEN PRO(L)
PW - DC Power1
-PS2(T122)
COSEL
ADA600F-24-N
-V4bT122
(2.1/3.5A) (14A)
AC(L)
AC(N)
FG
+V(1)
+V(2)
+V(3)
+V(4)
-V(1)
-V(2)
-V(3)
-V(4)
-PS1(T121)
COSEL
PBA15F-24-N
(0.7A)
AC(L)
AC(N)
FG
+V(1)
-V(2)
(15A)
-CP1(F121)
FUJI ELECTRIC
CP31F1/15(CCC)
12
L11 AM03-003986A+005AA-1E
L21 AM03-003986A+005AA-1E
L31 AM03-003986A+005AA-1E
AM03-003986A+010AA-1A L11
AM03-003986A+010AA-1A L21
AM03-003986A+010AA-1A L31
(5A)
-CP2(F122)
FUJI ELECTRIC
CP31F1/5(CCC)
12
BASE
CONTROL
BOARD
24V
24V
24VCP
GND24
GND24
GND24
-K321
6
5
4
3
2
1
CN13
6
5
4
3
2
1
BC-CN13
JST
VLP-06V
SVF-61T-P2.0
VLS-03V
2
1
CN28
2
1
BC-CN28
MOLEX
5557-02R-210
5556T
24V_LV
GND_LV
UL#16 105/600-1.25mm2
GN/YE
PS2-220(L)b
NICHIFU
TMEE2-4
PS2-220(N)b
NICHIFU
TMEE2-4
NICHIFU
TMEE2-4
PHOENIX CONTACT
AI 1,5-10 BK
UL#16 105/600-1.25mm2
GN/YE
PHOENIX CONTACT
AI 1,5-10 BK
PHOENIX CONTACT
AI 1,5-10 BK
TMEE2-3
NICHIFU
PS1-220(L)
TMEE2-3
NICHIFU
PS1-220(N)
TMEE2-3
NICHIFU
PS1+V
NICHIFU
TMEE1.25-3
PS1-V
NICHIFU
TMEE1.25-3
NICHIFU
TMEE1.25-3
UL#16 105/600-1.25mm2
GN/YE
UL#16 105/600-1.25mm2BK
L11
UL#16 105/600-1.25mm2BK
L21
BU UL#20 80/300-0.5mm2
BU UL#20 80/300-0.5mm2
UL#16 105/600-1.25mm2BK
L11
UL#16 105/600-1.25mm2BK
L21
PS2+V1a
NICHIFU
TMEE2-4
UL#14 80/300-2.0mm2BU
BUUL#18 80/300-0.75mm2
BU UL#18 80/300-0.75mm2
BU UL#18 80/300-0.75mm2
BU UL#18 80/300-0.75mm2
BU UL#18 80/300-0.75mm2
BU UL#18 80/300-0.75mm2
BU UL#18 80/300-0.75mm2
CP1-2a
NICHIFU
TMEE1.25-4
CP1-2b
NICHIFU
TMEE1.25-4
CP2-2
NICHIFU
TMEE1.25-4
TMEE2-4
NICHIFU
CP1-1a
TMEE1.25-4
NICHIFU
CP2-1
+V1bT122
NICHIFU
TMEE2-4
+V2aT122
NICHIFU
TMEE1.25-4
+V2bT122
NICHIFU
TMEE2-4
+V3aT122
NICHIFU
TMEE2-4
+V3bT122
NICHIFU
TMEE2-4
+V4aT122
NICHIFU
TMEE2-4
+V4bT122
NICHIFU
TMEE2-4
PS2-V1a
NICHIFU
TMEE2-4
-V1bT122
NICHIFU
TMEE2-4
PS2-V2a
NICHIFU
TMEE1.25-4
-V2bT122
NICHIFU
TMEE2-4
-V3aT122
NICHIFU
TMEE2-4
-V3bT122
NICHIFU
TMEE2-4
-V4aT122
NICHIFU
TMEE2-4
P24(1) J90991307A+007AB-2A
P24(2) J90991307A+007AB-2B
P24(3) J90991307A+007AB-2C
P24(4) J90991307A+007AB-2D
P24(5) J90991307A+008AB-2A
P24(6) J90991307A+008AB-2A
G24(1) J90991307A+007AB-2A
G24(2) J90991307A+007AB-2A
G24(3) J90991307A+007AB-2B
G24(4) J90991307A+007AB-2B
G24(5) J90991307A+007AB-2C
G24(6) J90991307A+007AB-2C
G24(7) J90991307A+007AB-2D
G24(8) J90991307A+007AB-2D
G24(9) J90991307A+008AB-2B
P24(7) J90991307A+008AB-2B
TMEE1.25-4
NICHIFU
CP1-1b
G24(10)J90991307A+007AB-2B
G24(11) J90991307A+007AB-2C
AM03-006486B
AM03-006487B
AM03-006488B
AM03-006489AAM03-006490A
1
1
1
1
3
5
4
2

Page
+$1:+$
639
PW - DC Power1
EXCEN PRO(M)
EXCEN PRO(D)
EXCEN PRO(L)
NO. PART NO. PART NAME Q'TY Old No. Supply Supply LT Reference
1 AM03-006486B CABLE ASSY-PS1_PS2_220V_CABLE_ASSY 1
2 AM03-006487B CABLE ASSY-TB10_PS2_220V_CABLE_ASSY 1
3 AM03-006488B CABLE ASSY-PS1_CN28_CABLE_ASSY 1
4 AM03-006489A CABLE ASSY-BC_CN13_CABLE_ASSY 1
5 AM03-006490A CABLE ASSY-PS2_CP1_CP2_CABLE_ASSY 1

Page
+$1:+$
640
EXCEN PRO(M)
EXCEN PRO(D
)
EXCEN PRO(L)
PW - DC Power2
(10A)
-CP3(F123)
FUJI ELECTRIC
CP31F1/10(CCC)
12
(10A)
-CP4(F124)
FUJI ELECTRIC
CP31F1/10(CCC)
12
(10A)
-CP5(F125)
FUJI ELECTRIC
CP31F1/10(CCC)
12
(10A)
-CP6(F126)
FUJI ELECTRIC
CP31F1/10(CCC)
12
NICHIFU
TMEE1.25-4
NICHIFU
TMEE1.25-4
NICHIFU
TMEE1.25-4
NICHIFU
TMEE1.25-4
FG
FG
FG
FG
UL#14 80/300-2.0mm2BU
UL#14 80/300-2.0mm2BU
UL#14 80/300-2.0mm2BU
UL#14 80/300-2.0mm2BU
TMEE2-4
NICHIFU
CP3-1 CP3-2a
NICHIFU
TMEE1.25-4
CP3-2b
NICHIFU
TMEE2-4
AM03-003986A+006AA-5C
P24(1)
AM03-003986A+006AA-5D
G24(1)
AM03-003986A+006AA-5D
G24(2)
AM03-003986A+006AA-5D
P24(2)
AM03-003986A+006AA-5D
G24(3)
AM03-003986A+006AA-5D
G24(4)
AM03-003986A+006AA-5D
P24(3)
AM03-003986A+006AA-5D
G24(5)
AM03-003986A+006AA-5D
G24(6)
AM03-003986A+006AA-5D
P24(4)
AM03-003986A+006AA-5C
G24(7)
AM03-003986A+006AA-5C
G24(8)
TMEE2-4
NICHIFU
CP4-1 CP4-2a
NICHIFU
TMEE2-4
CP4-2b
NICHIFU
TMEE1.25-4
TMEE2-4
NICHIFU
CP5-1a CP5-2a
NICHIFU
TMEE1.25-4
CP5-2b
NICHIFU
TMEE2-4
TMEE2-4
NICHIFU
CP6-1a CP6-2a
NICHIFU
TMEE1.25-4
CP6-2b
NICHIFU
TMEE2-4
TO
AF
CART(I/O)
TO
AR
CART(I/O)
TO
BF
CART(I/O)
TO
BR
CART(I/O)
BU UL#20 80/300-0.75mm2
BU UL#20 80/300-0.75mm2
BU UL#20 80/300-0.75mm2
BU UL#20 80/300-0.75mm2
BU UL#18 80/300-0.75mm2
BU UL#18 80/300-0.75mm2
BU UL#18 80/300-0.75mm2
BU UL#18 80/300-0.75mm2
BU UL#18 80/300-0.75mm2
BU UL#18 80/300-0.75mm2
BU UL#18 80/300-0.75mm2
BU UL#18 80/300-0.75mm2
BU UL#18 80/300-0.75mm2
BU UL#18 80/300-0.75mm2
BU UL#18 80/300-0.75mm2
BU UL#18 80/300-0.75mm2
BU UL#18 80/300-0.75mm2
BU UL#18 80/300-0.75mm2
BU UL#18 80/300-0.75mm2
BU UL#18 80/300-0.75mm2
BK UL#18 80/300-0.75mm2
BK UL#18 80/300-0.75mm2
BK UL#18 80/300-0.75mm2
BK UL#18 80/300-0.75mm2
CARTAF
8
7
6
5
4
3
2
1
MOLEX
5559-08P-210
5558TL
CARTAR
8
7
6
5
4
3
2
1
MOLEX
5559-08P-210
5558TL
CARTBF
8
7
6
5
4
3
2
1
MOLEX
5559-08P-210
5558TL
CARTBR
8
7
6
5
4
3
2
1
MOLEX
5559-08P-210
5558TL
AM03-003986A+006AA-5D
G24(10)
AM03-003986A+006AA-5D
G24(11)
AM03-003986A+008AB-3E
G24(X113-71)
AM03-003986A+008AB-3E
G24(X113-72)
BU UL#18 80/300-0.75mm2
BU UL#18 80/300-0.75mm2
BU UL#18 80/300-0.75mm2
BU UL#18 80/300-0.75mm2
AM03-006491B
AM03-006492B
1
1
1
2