Excellent Modular Component Placer EXCEN Series EXCEN PRO(M)/(D)/(L) Technical Reference - 第649页
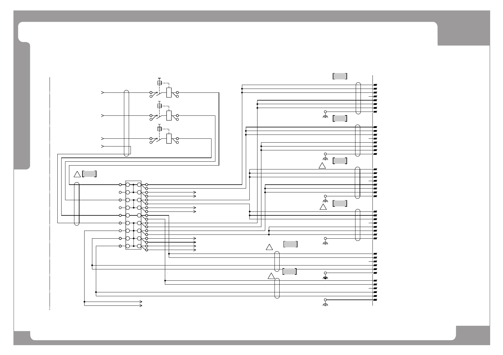
Page +$1:+$ 643 PW - DC Power3 EXCEN PRO(M) EXCEN PRO(D) EXCEN PRO(L) NO. P ART NO. P ART NAME Q'TY Old No. Supply Supply L T Reference 1 AM03-006493B CAB LE ASSY -PS2_CP7_TB9 1 2 AM03-006494A CAB LE ASSY -HEADCAF_C…

Page
+$1:+$
642
EXCEN PRO(M)
EXCEN PRO(D
)
EXCEN PRO(L)
PW - DC Power3
1
2
6
(10A)
-CP7(F127)
FUJI ELECTRIC
CP31F1/10(CCC)
12
FG
NICHIFU
TMEE1.25-4
UL#18 105/600-0.75mm2BK
UL#18 105/600-0.75mm2BK
AM03-003986A+006AA-5D
P24(5)
TMEE2-4
NICHIFU
CP7-1a CP7-2a
NICHIFU
TMEE2-4
FG
NICHIFU
TMEE1.25-4
HEADCAF
8
7
6
5
4
3
2
1
JST
YLR-08V
SYM-41T-P0.5A
YLS-08V
HEADCAR
8
7
6
5
4
3
2
1
JST
YLR-08V
SYM-41T-P0.5A
YLS-08V
HEADCBF
8
7
6
5
4
3
2
1
JST
YLR-08V
SYM-41T-P0.5A
YLS-08V
HEADCBR
8
7
6
5
4
3
2
1
JST
YLR-08V
SYM-41T-P0.5A
YLS-08V
(10A)
-CP8(F128)
FUJI ELECTRIC
CP31F1/10(CCC)
12
UL#18 105/600-0.75mm2BK
UL#18 105/600-0.75mm2BK
AM03-003986A+006AA-5D
P24(6)
AM03-003986A+006AA-5E
G24(9)
FG
NICHIFU
TMEE1.25-4
TMEE2-4
NICHIFU
CP8-1a CP8-2a
NICHIFU
TMEE2-4
FG
NICHIFU
TMEE1.25-4
TO AF
HEAD
Switching
Board
UL#14 80/300-2.0mm2BU
TMEE2-3.5N
NICHIFU
TB9-1a
TB9-1b
NICHIFU
TMEE1.25-3.5
UL#14 80/300-2.0mm2BU
TMEE2-3.5N
NICHIFU
TB9-3a
UL#14 80/300-2.0mm2BU
TMEE2-3.5N
NICHIFU
TB9-5a
UL#14 80/300-2.0mm2BU
UL#14 80/300-2.0mm2BU
BU UL#20 80/300-0.5mm2
BU UL#20 80/300-0.5mm2
BU UL#20 80/300-0.5mm2
BU UL#20 80/300-0.5mm2
BU UL#20 80/300-0.5mm2
BU UL#20 80/300-0.5mm2
BU UL#20 80/300-0.5mm2
BU UL#20 80/300-0.5mm2
BU UL#20 80/300-0.5mm2
BU UL#20 80/300-0.5mm2
BU UL#20 80/300-0.5mm2
BU UL#20 80/300-0.5mm2
BU UL#20 80/300-0.5mm2
BU UL#20 80/300-0.5mm2
BU UL#20 80/300-0.5mm2
BU UL#20 80/300-0.5mm2
BU UL#20 80/300-0.5mm2
BU UL#20 80/300-0.5mm2
BU UL#20 80/300-0.5mm2
BU UL#20 80/300-0.5mm2
BU UL#20 80/300-0.5mm2
BU UL#20 80/300-0.5mm2
BU UL#20 80/300-0.5mm2
BU UL#20 80/300-0.5mm2
+24V21
AM03-003986A+010AA-2C
+24V22
AM03-003986A+010AA-2D
TB9-1c
NICHIFU
TMEE1.25-3.5
TB9-2b
NICHIFU
TMEE1.25-3.5
TB9-2c
NICHIFU
TMEE1.25-3.5
TB9-3b
NICHIFU
TMEE1.25-3.5
TB9-3c
NICHIFU
TMEE1.25-3.5
TB9-4b
NICHIFU
TMEE1.25-3.5
TB9-4c
NICHIFU
TMEE1.25-3.5
TB9-5b
NICHIFU
TMEE2-3.5N
TB9-5c
NICHIFU
TMEE1.25-3.5
TB9-6b
NICHIFU
TMEE1.25-3.5
TB9-6c
NICHIFU
TMEE1.25-3.5
TB9-7b
NICHIFU
TMEE1.25-3.5
TB9-7c
NICHIFU
TMEE1.25-3.5
TB9-8b
NICHIFU
TMEE1.25-3.5
TB9-8c
NICHIFU
TMEE1.25-3.5
+24V11
AM03-003986A+009AA-2C
+24V12
AM03-003986A+009AA-2D
-V(1) AM03-003986A+009AA-2C
-V(2) AM03-003986A+009AA-2D
-V(3) AM03-003986A+010AA-2C
-V(4) AM03-003986A+010AA-2D
CNIOP
6
5
4
3
2
1
JST
YLR-06V
SYM-41T-P0.5A
YLS-03V
TO
I/O
Board
BU UL#18 80/300-0.75mm2
BU UL#18 80/300-0.75mm2
BU UL#18 80/300-0.75mm2
BU UL#18 80/300-0.75mm2
TMEE2-3.5N
NICHIFU
TB9-9a
UL#18 105/600-0.75mm2BK
FG
NICHIFU
TMEE1.25-4
TO AR
HEAD
Switching
Board
TO BF
HEAD
Switching
Board
TO BR
HEAD
Switching
Board
(10A)
-CP13(F133)
FUJI ELECTRIC
CP31F1/10(CCC)
12
AM03-003986A+006AA-5D
P24(7)
TMEE2-4
NICHIFU
CP13-1a CP13-2a
NICHIFU
TMEE2-4
UL#14 80/300-2.0mm2BU
99
88
77
66
55
44
33
22
1
+24V3
+24V2
1
BTBH15LC9
IDEC
-24V1
-TB9(X113)
-V(G24)
UL#14 80/300-2.0mm2BU
TMEE2-3.5N
NICHIFU
TB9-6a
TMEE1.25-3.5
NICHIFU
TB9-8a
TB9-9b
NICHIFU
TMEE1.25-3.5
TB9-9c
NICHIFU
TMEE1.25-3.5
BU UL#18 80/300-0.75mm2
BU UL#18 80/300-0.75mm2
BU UL#18 80/300-0.75mm2
BU UL#18 80/300-0.75mm2
TO SW
Control
Board
CNSWC
6
5
4
3
2
1
JST
YLR-06V
SYM-41T-P0.5A
YLS-03V
UL#18 105/600-0.75mm2BK
FG
NICHIFU
TMEE1.25-4
BU UL#18 80/300-0.75mm2
BU UL#18 80/300-0.75mm2
G24(X113-71)
AM03-003986A+007AA-2D
G24(X113-72)
AM03-003986A+007AA-2E
AM03-006494A
AM03-006495A
AM03-006561B
AM03-006571B
AM03-006498B
AM03-006572B
AM03-006493B
1
1
1
1
1
3
4
5
7

Page
+$1:+$
643
PW - DC Power3
EXCEN PRO(M)
EXCEN PRO(D)
EXCEN PRO(L)
NO. PART NO. PART NAME Q'TY Old No. Supply Supply LT Reference
1 AM03-006493B CABLE ASSY-PS2_CP7_TB9 1
2 AM03-006494A CABLE ASSY-HEADCAF_CABLE_ASSY 1
3 AM03-006495A CABLE ASSY-HEADCAR_CABLE_ASSY 1
4 AM03-006561B CABLE ASSY-BF_HEAD_SWITCHING_B/D_CABLE 1
5 AM03-006571B CABLE ASSY-BR_HEAD_SWITCHING_B/D_CABLE 1
6 AM03-006498B CABLE ASSY-CNIOP 1
7 AM03-006572B CABLE ASSY-SW_CONTROL_B/D_CABLE ASSY 1

Page
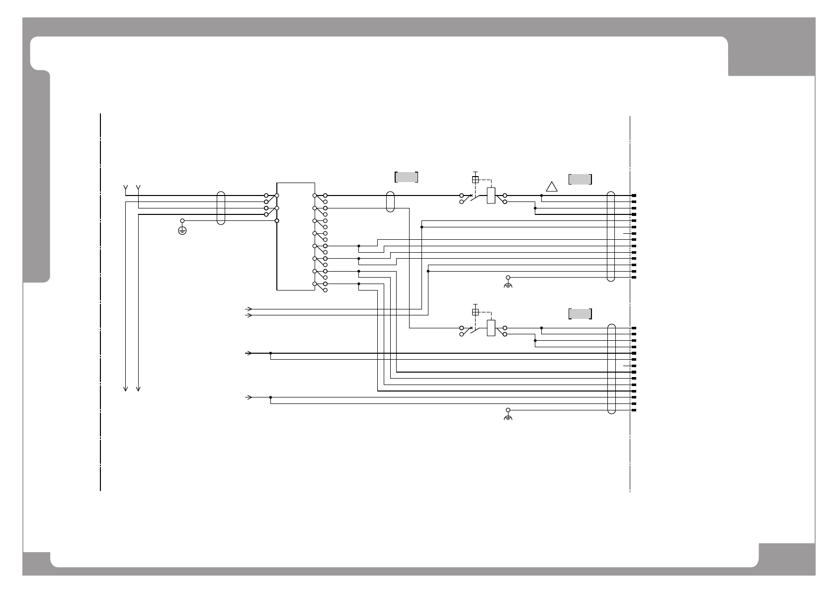
+$1:+$
644
EXCEN PRO(M)
EXCEN PRO(D
)
EXCEN PRO(L)
PW - DC Power4
-PS3(T123)
COSEL
ADA600F00F-48-N
(2.1/3.5A) (14A)
AC(L)
AC(N)
FG
+V(1)
+V(2)
+V(3)
+V(4)
-V(1)
-V(2)
-V(3)
-V(4)
L11 AM03-003986A+006AA-1E
L31 AM03-003986A+006AA-1E
(10A)
-CP9(F129)
FUJI ELECTRIC
CP31F1/10(CCC)
12
(10A)
-CP10(F130)
FUJI ELECTRIC
CP31F1/10(CCC)
12
AI 1,5-10 BK
PHOENIX CONTACT
UL#16 105/600-2.0mm2BK
L11
UL#16 105/600-2.0mm2BK
L31
UL#16 105/600-1.25mm2GN/YE
BU UL#20 80/300-0.5mm2
BU UL#20 80/300-0.5mm2
BU UL#20 80/300-0.5mm2
BU UL#20 80/300-0.5mm2
BU UL#20 80/300-0.5mm2
BU UL#20 80/300-0.5mm2
BU UL#20 80/300-0.5mm2
BU UL#20 80/300-0.5mm2
BU UL#20 80/300-0.5mm2
BU UL#20 80/300-0.5mm2
BU UL#20 80/300-0.5mm2
BU UL#20 80/300-0.5mm2
BU UL#20 80/300-0.5mm2
BU UL#20 80/300-0.5mm2
BU UL#20 80/300-0.5mm2
BU UL#20 80/300-0.5mm2
UL#14 80/300-2.0mm2
BU
UL#14 80/300-2.0mm2
BU
TMEE2-4
NICHIFU
PS3-(L)a PS3+V1a
NICHIFU
TMEE2-4
TMEE2-4
NICHIFU
CP9-1 CP9-2a
NICHIFU
TMEE1.25-4
CP9-2b
NICHIFU
TMEE1.25-4
TMEE2-4
NICHIFU
CP10-1 CP10-2a
NICHIFU
TMEE1.25-4
CP10-2b
NICHIFU
TMEE1.25-4
TMEE2-4
NICHIFU
PS3-(N)a
PS3+V2a
NICHIFU
TMEE2-4
TMEE2-4
NICHIFU
PS3-V1
NICHIFU
TMEE1.25-4
PS3-V2
NICHIFU
TMEE1.25-4
PS3-V3
NICHIFU
TMEE1.25-4
PS3-V4
NICHIFU
TMEE1.25-4
TMEE2-4
NICHIFU
TMEE2-4
NICHIFU
UL#18 105/600-0.75mm2BK
FG
NICHIFU
TMEE1.25-4
UL#18 105/600-0.75mm2BK
FG
NICHIFU
TMEE1.25-4
AM03-003986A+010AA-1A L11
AM03-003986A+010AA-1A L31
TO
AF HEAD
AMP
TO
AR HEAD
AMP
5558T
5559-14P-210
MOLEX
1
2
3
4
5
6
7
8
9
10
11
12
HEADAF
13
14
5558T
5559-14P-210
MOLEX
1
2
3
4
5
6
7
8
9
10
11
12
HEADAR
13
14
AM03-003986A+008AA-4D
+24V11
AM03-003986A+008AA-4E -V(1)
AM03-003986A+008AA-4D
+24V12
AM03-003986A+008AA-4E -V(2)
BU UL#20 80/300-0.5mm2
BU UL#20 80/300-0.5mm2
BU UL#20 80/300-0.5mm2
BU UL#20 80/300-0.5mm2
BU UL#20 80/300-0.5mm2
BU UL#20 80/300-0.5mm2
BU UL#20 80/300-0.5mm2
BU UL#20 80/300-0.5mm2
AM03-006501A
AM03-006502B
AM03-006573A
1
1
2
3