Excellent Modular Component Placer EXCEN Series EXCEN PRO(M)/(D)/(L) Technical Reference - 第654页
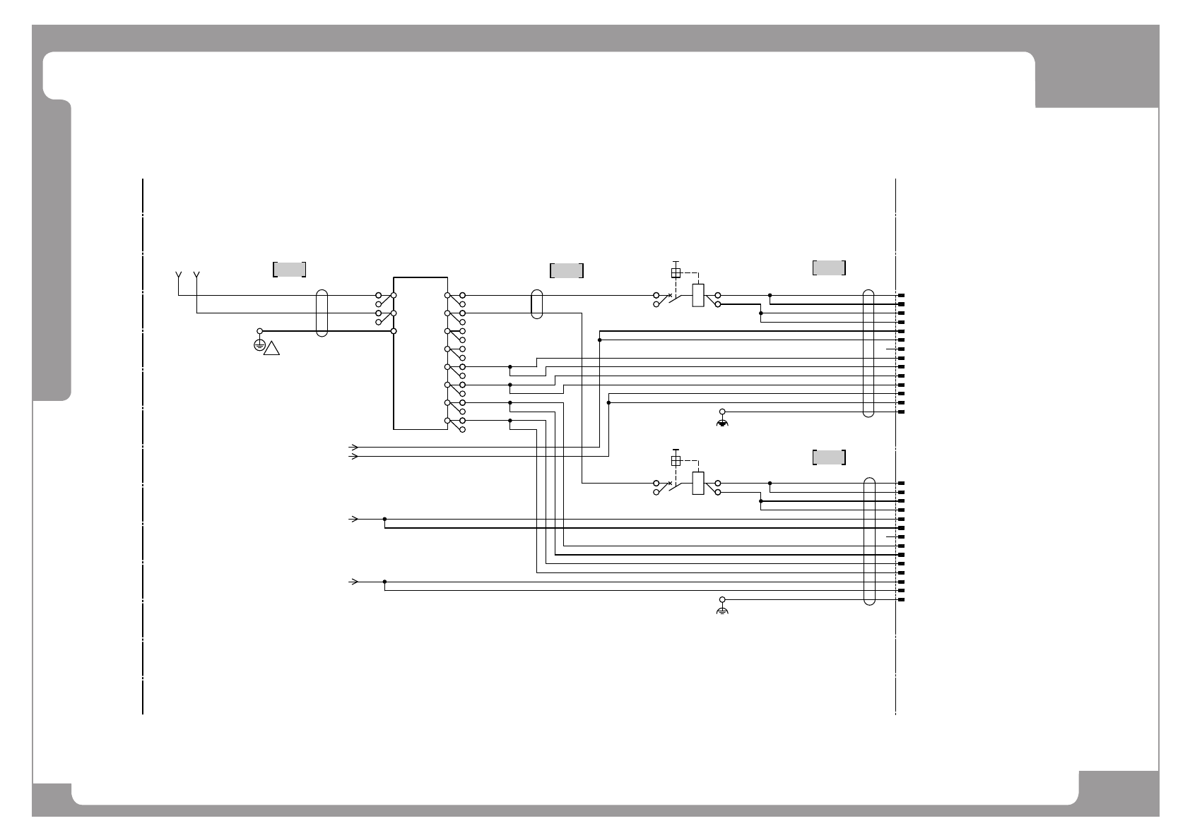
Page +$1:+$ 648 EXCEN PRO(M) EXCEN PRO(D ) EXCEN PRO(L) PW - DC Power5 L1 1 AM03-003986A+009AA-1E L31 AM03-003986A+009AA-1E -PS4(T124) COSEL ADA600F00F-48-N (2.1/3.5A) (14A) AC(L) AC(N) FG +V(1) +V(2) +V(3) +V(4) -V(1) -…

Page
+$1:+$
647
PW - DC Power4 - PRO(D) Standard
EXCEN PRO(M)
EXCEN PRO(D)
EXCEN PRO(L)
NO. PART NO. PART NAME Q'TY Old No. Supply Supply LT Reference
1 AM03-021089A CABLE ASSY-MTED-PS3 INPUT CABLE ASSY 1
2 AM03-006501A CABLE ASSY-PS3_OUTPUT_CABLE_ASSY 1
3 AM03-006502B CABLE ASSY-HEADAF_CABLE_ASSY 1
4 AM03-006573A CABLE ASSY-AR_HEAD_AMP_CABLE_ASSY 1
5 AM03-021088A CABLE ASSY-MTED-PS3 AF BR OUT CROSS CABL 1

Page
+$1:+$
648
EXCEN PRO(M)
EXCEN PRO(D
)
EXCEN PRO(L)
PW - DC Power5
L11 AM03-003986A+009AA-1E
L31 AM03-003986A+009AA-1E
-PS4(T124)
COSEL
ADA600F00F-48-N
(2.1/3.5A) (14A)
AC(L)
AC(N)
FG
+V(1)
+V(2)
+V(3)
+V(4)
-V(1)
-V(2)
-V(3)
-V(4)
(10A)
-CP11(F131)
FUJI ELECTRIC
CP31F1/10(CCC)
12
(10A)
-CP12(F132)
FUJI ELECTRIC
CP31F1/10(CCC)
12
AI 1,5-10 BK
PHOENIX CONTACT
UL#16 105/600-1.25mm2BK
L11
UL#16 105/600-1.25mm2BK
L31
UL#16 105/600-1.25mm2GN/YE
BU UL#20 80/300-0.5mm2
BU UL#20 80/300-0.5mm2
BU UL#20 80/300-0.5mm2
BU UL#20 80/300-0.5mm2
BU UL#20 80/300-0.5mm2
BU UL#20 80/300-0.5mm2
BU UL#20 80/300-0.5mm2
BU UL#20 80/300-0.5mm2
BU UL#20 80/300-0.5mm2
BU UL#20 80/300-0.5mm2
BU UL#20 80/300-0.5mm2
BU UL#20 80/300-0.5mm2
BU UL#20 80/300-0.5mm2
BU UL#20 80/300-0.5mm2
BU UL#20 80/300-0.5mm2
BU UL#20 80/300-0.5mm2
UL#14 80/300-2.0mm2BU
UL#14 80/300-2.0mm2
BU
TMEE2-4
NICHIFU
CP11-1 CP11-2a
NICHIFU
TMEE1.25-4
CP11-2b
NICHIFU
TMEE1.25-4
TMEE2-4
NICHIFU
CP12-1 MC12-2a
NICHIFU
TMEE1.25-4
MC12-2b
NICHIFU
TMEE1.25-4
TMEE2-4
NICHIFU
PS4-(L) PS4+V1a
NICHIFU
TMEE2-4
TMEE2-4
NICHIFU
PS4-(N) PS4+V2a
NICHIFU
TMEE2-4
TMEE2-4
NICHIFU
-V1aT124
NICHIFU
TMEE1.25-4
-V1aT124
NICHIFU
TMEE1.25-4
-V1aT124
NICHIFU
TMEE1.25-4
-V1aT124
NICHIFU
TMEE1.25-4
UL#18 105/600-0.75mm2BK
FG
NICHIFU
TMEE1.25-4
UL#18 105/600-0.75mm2BK
FG
NICHIFU
TMEE1.25-4
TO
BF HEAD
AMP
TO
BR HEAD
AMP
5558T
5559-14P-210
MOLEX
1
2
3
4
5
6
7
8
9
10
11
12
HEADBF
13
14
5558T
5559-14P-210
MOLEX
1
2
3
4
5
6
7
8
9
10
11
12
HEADBR
13
14
AM03-003986A+008AA-4D
+24V21
AM03-003986A+008AA-4E -V(3)
AM03-003986A+008AA-4D
+24V22
AM03-003986A+008AA-4E -V(4)
BU UL#20 80/300-0.5mm2
BU UL#20 80/300-0.5mm2
BU UL#20 80/300-0.5mm2
BU UL#20 80/300-0.5mm2
BU UL#20 80/300-0.5mm2
BU UL#20 80/300-0.5mm2
BU UL#20 80/300-0.5mm2
BU UL#20 80/300-0.5mm2
AM03-006574A
AM03-006575A
AM03-006505AAM03-006500A
AM03-006504B
1
1
2
3
4

Page
+$1:+$
649
PW - DC Power5
EXCEN PRO(M)
EXCEN PRO(D)
EXCEN PRO(L)
NO. PART NO. PART NAME Q'TY Old No. Supply Supply LT Reference
1 AM03-006500A CABLE ASSY-PS3_INPUT_CABLE_ASSY 1
2 AM03-006505A CABLE ASSY-PS4_OUTPUT_CABLE_ASSY 1
3 AM03-006574A CABLE ASSY-BF_HEAD_AMP_CABLE_ASSY 1
4 AM03-006575A CABLE ASSY-BR_HEAD_AMP_CABLE_ASSY 1