Excellent Modular Component Placer EXCEN Series EXCEN PRO(M)/(D)/(L) Technical Reference - 第661页
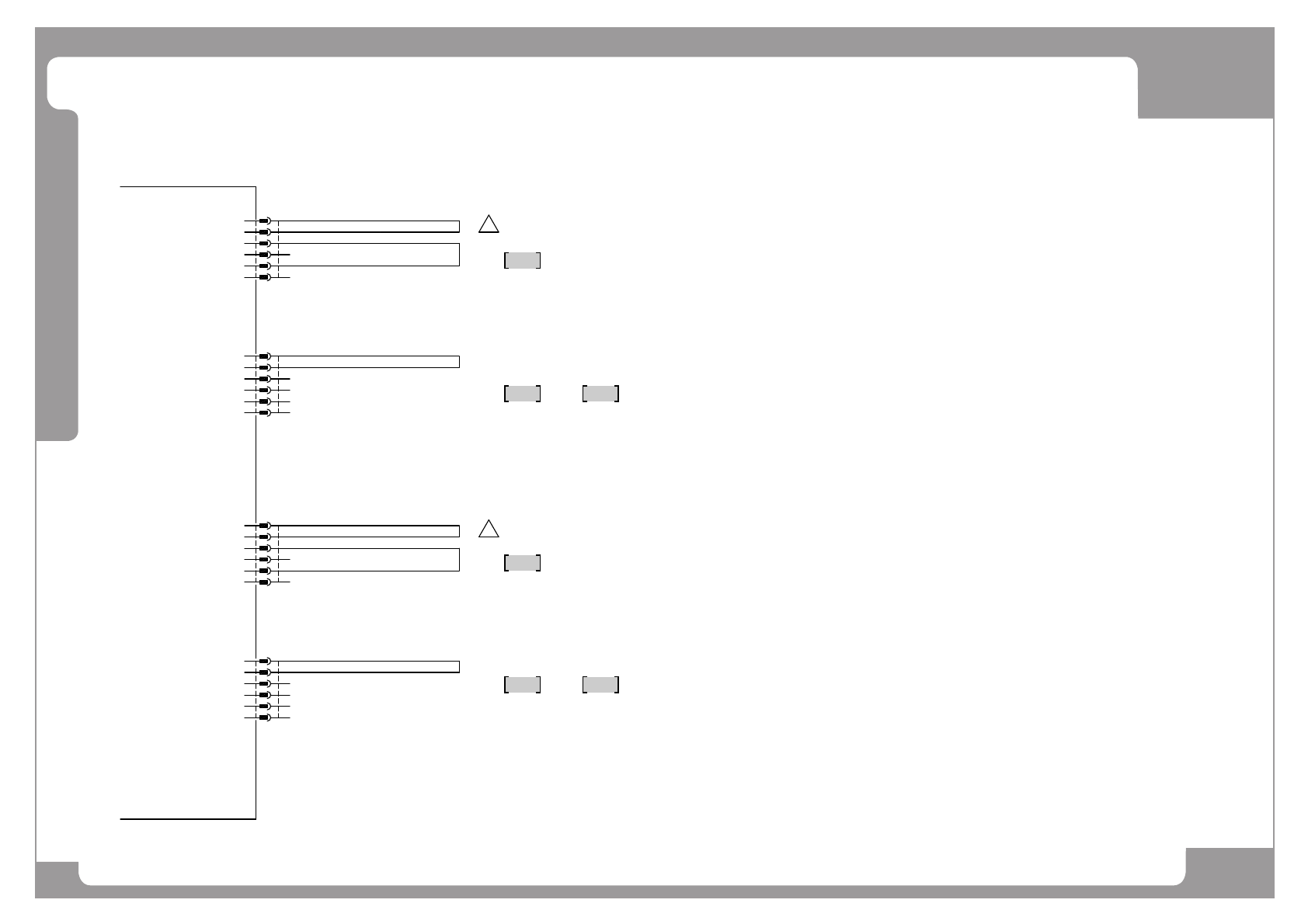
Page +$1:+$ 655 PW - B Cart Opening Sensor EXCEN PRO(M) EXCEN PRO(D) EXCEN PRO(L) NO. P ART NO. P ART NAME Q'TY Old No. Supply Supply L T Reference 1 AM03-006576A CAB LE ASSY -B/D_COPSAF_CABL E_ASSY 1 2 AM03-006577A…

Page
+$1:+$
654
EXCEN PRO(M)
EXCEN PRO(D
)
EXCEN PRO(L)
PW - B Cart Opening Sensor
-K321
BASE CONTROL BOBRD
6
5
4
3
2
1
COPSBFR
MOLEX
43025-0600
43030-0001
6
5
4
3
2
1
COPSBRR
MOLEX
43025-0600
43030-0001
+24Vsr
+24Vret
GND
+24V_LV
IN022
GND_LV
COPSBR
6
5
4
3
2
1
COPSBF
6
5
4
3
2
1
+24Vsr
+24Vret
GND
+24V_LV
IN023
GND_LV
6
5
4
3
2
1
FCOVBFR
MOLEX
43025-0600
43030-0001
6
5
4
3
2
1
FCOVBRR
MOLEX
43025-0600
43030-0001
+24Vsr
+24Vret
NC
+24V_LV
IN024
GND_LV
FCOVBR
6
5
4
3
2
1
FCOVBF
6
5
4
3
2
1
+24Vsr
+24Vret
NC
+24V_LV
IN025
GND_LV
BU UL#24 80/300-0.2mm2
BU UL#24 80/300-0.2mm2
BU UL#24 80/300-0.2mm2
BU UL#24 80/300-0.2mm2
BU UL#24 80/300-0.2mm2
1
1
BU UL#24 80/300-0.2mm2
BU UL#24 80/300-0.2mm2
AM03-006576A
AM03-006577A
FROM EP02-000999B (AM03-020185A)
FROM EP02-001000C (AM03-020186A)
1
3 5
2
4 6

Page
+$1:+$
655
PW - B Cart Opening Sensor
EXCEN PRO(M)
EXCEN PRO(D)
EXCEN PRO(L)
NO. PART NO. PART NAME Q'TY Old No. Supply Supply LT Reference
1 AM03-006576A CABLE ASSY-B/D_COPSAF_CABLE_ASSY 1
2 AM03-006577A CABLE ASSY-B/D_COPSAR_CABLE_ASSY 1
3 EP02-000999B HARNESS-AFTRAY CONNECT CABLE ASSY 1
4 EP02-001000C HARNESS-AR TRAY CONNECT CABLE ASSY 1
5 AM03-020185A CABLE ASSY-BF TRAY CONNECT CABLE ASSY 1 PRO(D)
6 AM03-020186A CABLE ASSY-BR TRAY CONNECT CABLE ASSY 1 PRO(D)

Page
+$1:+$
656
EXCEN PRO(M)
EXCEN PRO(D
)
EXCEN PRO(L)
PW - Base Board IF1
-K321
BASE CONTROL BOBRD
+24V
GND
24V-CHK
24V-CHK ret
3D SENSOR Irradiation STOP BF
GND
+24V
GND
CN3DF
8
7
6
5
4
3
2
1
CN3DR
8
7
6
5
4
3
2
1
+24V
GND
24V-CHK
24V-CHK ret
3D SENSOR Irradiation STOP BR
GND
+24V
GND
8
7
6
5
4
3
2
1
BC-CN3DF
JST
XARP-08V
SXA-01T-P0.6
XMS-08V
8
7
6
5
4
3
2
1
BC-CN3DR
JST
XARP-08V
SXA-01T-P0.6
XMS-08V
BU UL#24 80/300-0.2mm2
BU UL#24 80/300-0.2mm2
24VER
24VRET
N,C
+24V
IN044
24GND
TOPSA
6
5
4
3
2
1
TOPSB
6
5
4
3
2
1
6
5
4
3
2
1
BC-TOPSA
MOLEX
5557-06R-210
5556T
6
5
4
3
2
1
BC-TOPSB
MOLEX
5557-06R-210
5556T
24VER
24VRET
N,C
+24V
IN044
24GND
BU UL#24 80/300-0.2mm2
BU UL#24 80/300-0.2mm2
J90834648A
J90834649A
AM03-008863A
AM03-008864A
BU UL#24 80/300-0.2mm2
BU UL#24 80/300-0.2mm2
J90834470A
EP02-001874A
(3 D SNS OPTION)
(3 D SNS OPTION)
1
1
1
5
2
5
3
4