Excellent Modular Component Placer EXCEN Series EXCEN PRO(M)/(D)/(L) Technical Reference - 第682页
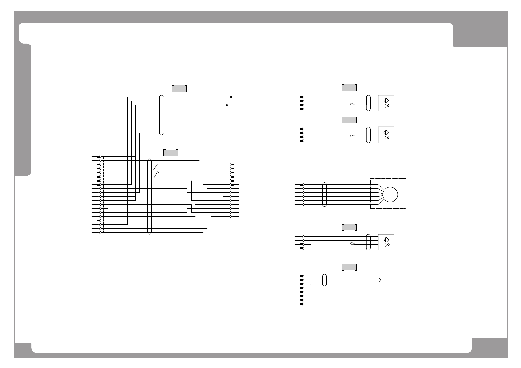
Page +$1:+$ 676 EXCEN PRO(M) EXCEN PRO(D ) EXCEN PRO(L) MFH - 8 Nozzle Sig R Axis XY_UNIT V ACUUM SENSOR 6 5 4 3 2 1 CN1 MOLEX 43025-0600 43030-0001 A COM B/ YE -M555 B A/ A V AL VE_ACTUA TOR M T AMAGA W A TS3644N120 BK …

Page
+$1:+$
675
MFH - 8 Nozzle Power Encoder
EXCEN PRO(M)
EXCEN PRO(D)
EXCEN PRO(L)
NO. PART NO. PART NAME Q'TY Old No. Supply Supply LT Reference
1 EP02-000838B HARNESS-HSM_CNHEAD1 CABLE ASSY 2 EP02-000838A Connector type: MOLEX
AM03-017776A CABLE ASSY-NEW MFH CNHEAD1 CABLE ASSY 2 Connector type: JST

Page
+$1:+$
676
EXCEN PRO(M)
EXCEN PRO(D
)
EXCEN PRO(L)
MFH - 8 Nozzle Sig R Axis
XY_UNIT
VACUUM
SENSOR
6
5
4
3
2
1
CN1
MOLEX
43025-0600
43030-0001
A COM
B/
YE
-M555
B
A/
A
VALVE_ACTUATOR
M
TAMAGAWA
TS3644N120
BK
GN
RD
BU
WH B COM
VALVE
ACTUATOR
OUT_A
OUT_A/
OUT_B
OUT_B/
A.COM
B.COM
CN1
6
5
4
3
2
1
RX+
RX-
TX+
TX-
SG
P24V
24GND
ALM
ORG SNS
V-DONE
HS-CW
HS-CCW
V-HOMING
ID
-ASHAHI V-AXIS DRIVER
ASHAHI V-AXIS
DRIVER
+24V
ORG
24GND
24GND
CN2
4
3
2
1
R-AXIS
HOME
SENSOR
BU
-B1041
BN
WH
BK
SUNX
PM-F24P
p
BN
BK
BU
SMC
PSE541-M3
-B1043
14
13
12
11
10
9
8
7
6
5
4
3
2
1
VAXIS-CN3
MOLEX
43025-1400
43030-0001
43030-0004
CN3
1
2
3
4
5
6
7
8
9
10
11
12
13
14
CNR-ORG
4
3
2
1
MOLEX
43020-0400
43031-0004
43030-0004
43025-0400
MOLEX
1
2
3
4
CNR-ORG
EP02-000839A
BU UL1007 AWG26
BU UL1007 AWG26
BU UL1007 AWG26
EP02-000933A
B9
A9
B8
#570
FA12-020-1
KEL
A1
B1
A2
B2
A3
B3
A4
B4
A5
B5
A6
B6
CNHEAD2
A7
B7
A8
A10
B10
24GND
GND
RX+
RX-
TX+
TX-
DONE(IN-2)
R(HOME)(IN-4)
HABP#1(IN-1)
TH(HOME)(IN-3)
DETACH
ZILK
OUT_3
OUT_4
OUT_1
OUT_2
ID(Address)
P24V
24GND
P24V
B10
A10
B9
A9
B8
A8
B7
A7
B6
A6
B5
A5
B4
A4
B3
A3
B2
A2
B1
A1
CNHEAD2
KEL
FA01-020-4
#566
RD UL1007 AWG22
BU
BU
EP02-000839A
BU UL1007 AWG26
WHUL1007 AWG26
WHUL1007 AWG26
WHUL1007 AWG26
WHUL1007 AWG26
WHUL1007 AWG26
BK UL1007 AWG22
WHUL1007 AWG26
BU UL1007 AWG26
WHUL1007 AWG26
WHUL1007 AWG26
NO Use
24VOUT
PRE SEN1
24GND
NC
24VOUT
PRE SEN2
24GND
NC
CN4
8
7
6
5
4
3
2
1
8
7
6
5
4
3
2
1
VAXIS-CN4
MOLEX
43645-0300
43030-0004
WHUL1007 AWG26
EP02-000896A
V-AXIS
HOME
SENSOR
BU
-B1044
BN
WH
BK
SUNX
PM-F24
43030-0004
43025-0400
MOLEX
1
2
3
4
THAXIS-CN2
EP02-001006A
BU UL1007 AWG26
BU
-B1042
BN
WH
BK
SUNX
PM-F24P
CNTH-ORG
4
3
2
1
MOLEX
43020-0400
43031-0004
43030-0004
43025-0400
MOLEX
1
2
3
4
CNTH-ORG
EP02-001744A
TH-AXIS
HOME
SENSOR
BU UL#26 80/300-0.15mm2
BU UL#26 80/300-0.15mm2
1
2
3
4
5
1

Page
+$1:+$
677
MFH - 8 Nozzle Sig R Axis
EXCEN PRO(M)
EXCEN PRO(D)
EXCEN PRO(L)
NO. PART NO. PART NAME Q'TY Old No. Supply Supply LT Reference
1 EP02-000839A HARNESS-HSM_CNHEAD2 CABLE ASSY 2
2 EP02-000933A HARNESS-R_Axis_PH SENSOR CABLE ASSY 1
3 EP02-001744A HARNESS-TH_Axis_PH SENSOR CABLE ASSY 1
4 EP02-001006A HARNESS-V_Axis_PH SENSOR CABLE 1
5 EP02-000896A HARNESS-VACUUM SENSOR CABLE ASSY 1