Excellent Modular Component Placer EXCEN Series EXCEN PRO(M)/(D)/(L) Technical Reference - 第688页
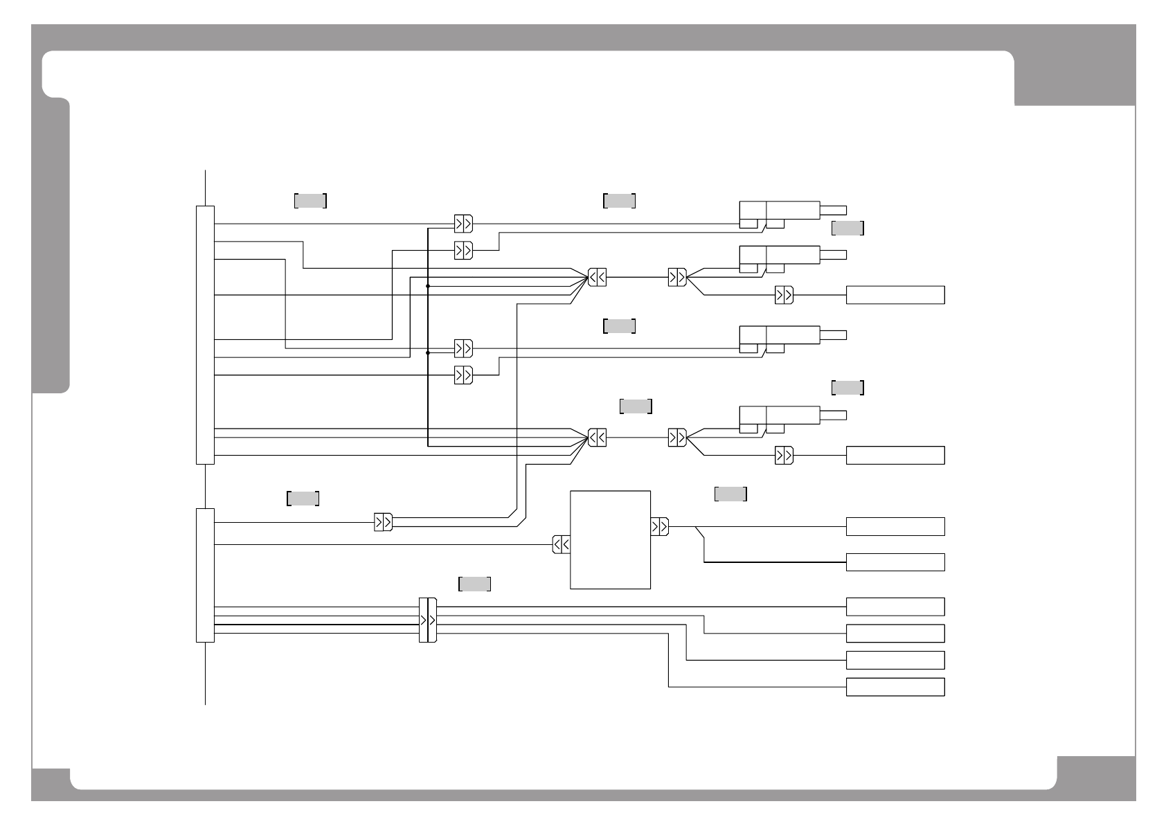
Page +$1:+$ 682 EXCEN PRO(M) EXCEN PRO(D ) EXCEN PRO(L) HPH - 2 Block Diagram Wiring -M551 Z1 MOTOR -M552 TH1 MOTOR -M553 Z2 MOTOR -M554 TH2 MOTOR -R4030 V AL VE -R4031 V AL VE -R4032 V AL VE -R4033 V AL VE -B1041 PH SEN…

Page
+$1:+$
681
MFH - 8 TH Axis Motor
EXCEN PRO(M)
EXCEN PRO(D)
EXCEN PRO(L)
NO. PART NO. PART NAME Q'TY Old No. Supply Supply LT Reference
1 AM03-014605A HARNESS-HSH TH MOTOR CABLE(30W) 1 EP02-001645B/ EP02-001645C Connector type: MOLEX
AM03-017781B CABLE ASSY-NEW 30W TH MOTOR CABLE 1 AM03-017781A Connector type: JST

Page
+$1:+$
682
EXCEN PRO(M)
EXCEN PRO(D
)
EXCEN PRO(L)
HPH - 2 Block Diagram Wiring
-M551 Z1 MOTOR
-M552 TH1 MOTOR
-M553 Z2 MOTOR
-M554 TH2 MOTOR
-R4030 VALVE
-R4031 VALVE
-R4032 VALVE
-R4033 VALVE
-B1041 PH SENSOR
-B1042 PH SENSOR
CNHEAD1
CNHEAD2
MOTOR
POWER
ENCODER
CONNECTOR
Z1,TH1,Z2,TH2
SIG
CONNECTOR
ASHAHI V-AXIS
BOARD
CN3
-B1044 PRESSURE
CN4
-B1043 PRESSURE
EP02-001998A
EP02-001999B
Z1
Z2
T1
T2
EP02-001143B
EP02-001143B
EP02-000842A
EP02-001741A
EP02-001741B
Z1-VP
Z1-PP
Z2-VP
Z2-PP
EP02-002011B
EP02-002011B
PS1
PS2
EP02-001144A
1
2
3
7
7
3
4
6
5

Page
+$1:+$
683
HPH - 2 Block Diagram Wiring
EXCEN PRO(M)
EXCEN PRO(D)
EXCEN PRO(L)
NO. PART NO. PART NAME Q'TY Old No. Supply Supply LT Reference
1 EP02-001999B HARNESS-V1P HPH CNHEAD1 CABLE ASSY 1 EP02-001999A
2 EP02-001998A HARNESS-V1P HPH CNHEAD2 CABLE ASSY 1
3 AM03-014220A CABLE ASSY-HPH V1+ Z MOTOR CABLE (30W) 2
4 EP02-001741B HARNESS-HPH HEAD FLAT CABLE 1 EP02-001741A
5 EP02-001144A HARNESS-HPH VACUUM SENSOR CABLE 2
6 EP02-000842A HARNESS-HPH_CNVALVE CABLE ASSY 1 EP02-000842A
7 EP02-001143B HARNESS-V1+ HPH T MOTOR (30W) 2 EP02-001143A