Excellent Modular Component Placer EXCEN Series EXCEN PRO(M)/(D)/(L) Technical Reference - 第692页
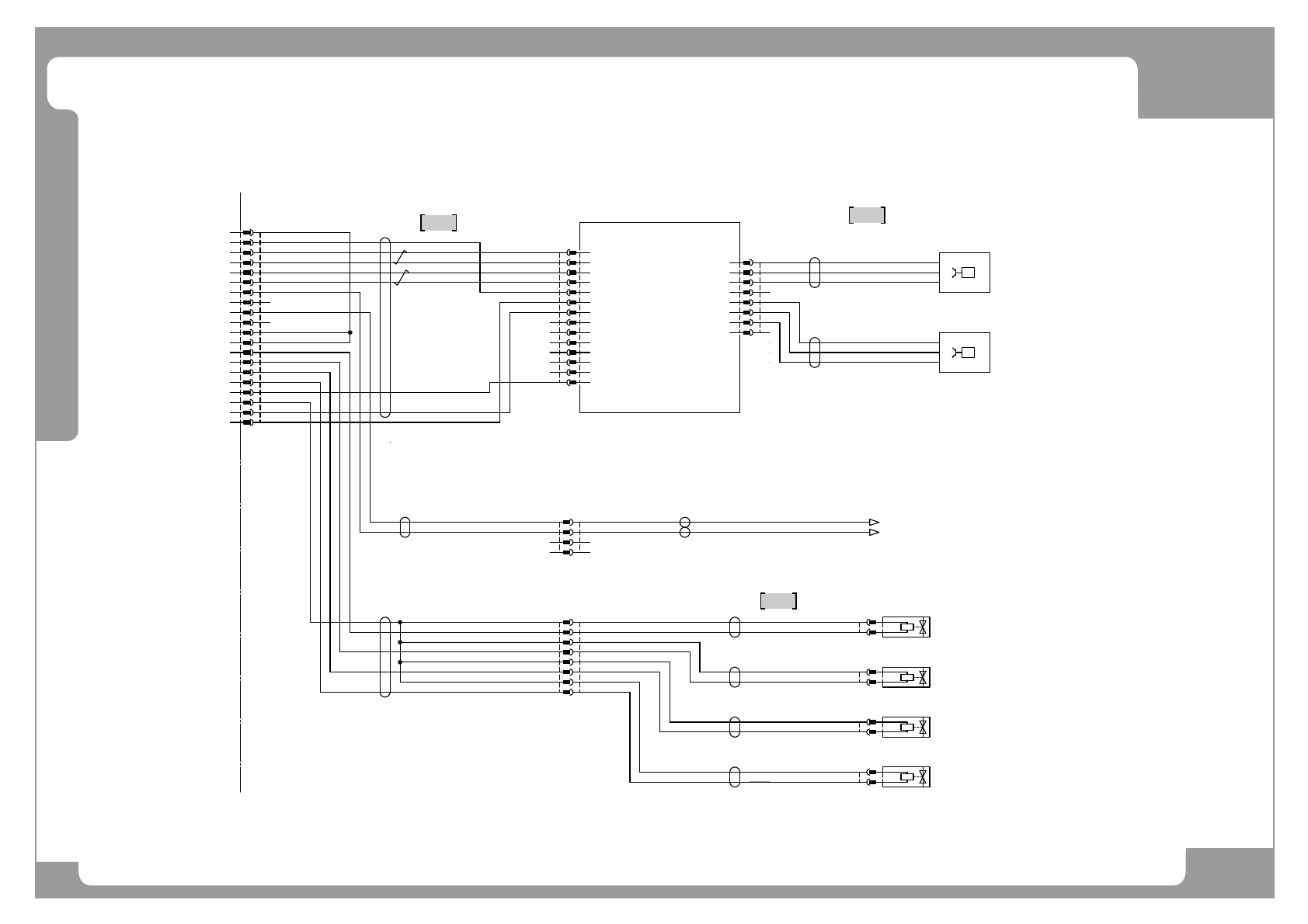
Page +$1:+$ 686 EXCEN PRO(M) EXCEN PRO(D ) EXCEN PRO(L) HPH - 2 Head Sig XY_UNIT -R4030 -R4031 -R4032 -R4033 - + Z1-VP - + Z1-PP - + Z2-VP - + Z2-PP Z1 Axis V acuum VA LV E Z1Axis BLOW VA LV E Z2 Axis V acuum VA LV E Z2 …

Page
+$1:+$
685
HPH - 2 Head Power Encoder
EXCEN PRO(M)
EXCEN PRO(D)
EXCEN PRO(L)
NO. PART NO. PART NAME Q'TY Old No. Supply Supply LT Reference
1 EP02-001999B HARNESS-V1P HPH CNHEAD1 CABLE ASSY 2 EP02-001999A

Page
+$1:+$
686
EXCEN PRO(M)
EXCEN PRO(D
)
EXCEN PRO(L)
HPH - 2 Head Sig
XY_UNIT
-R4030
-R4031
-R4032
-R4033
-
+
Z1-VP
-
+
Z1-PP
-
+
Z2-VP
-
+
Z2-PP
Z1 Axis
Vacuum
VALVE
Z1Axis
BLOW
VALVE
Z2 Axis
Vacuum
VALVE
Z2 Axis
BLOW
VALVE
WHUL1007 AWG26
-2EAM03-001757A+004AAZ1ILK
-2EAM03-001757A+005AAZ2ILK
Z1ILK
Z2ILK
EP02-000842A
RD UL1007 AWG26
RD UL1007 AWG26
RD UL1007 AWG26
RD UL1007 AWG26
BK UL1007 AWG26
BK UL1007 AWG26
BK UL1007 AWG26
BK UL1007 AWG26
BN UL1007 AWG26
BN UL1007 AWG26
BN UL1007 AWG26
BN UL1007 AWG26
WHUL1007 AWG26
WHUL1007 AWG26
WHUL1007 AWG26
WHUL1007 AWG26
WHUL1007 AWG26
CNVALVE
8
4
7
3
6
2
5
1
MOLEX
43020-0800
43031-0001
43031-0004
8
4
7
3
6
2
5
1
CNVALVE
MOLEX
43025-0800
43030-0004
VACUUM
SENSOR1
RX+
RX-
TX+
TX-
SG
+24V
24GND
ALM
ORG SNS
V-DONE
HS-CW
HS-CCW
V-HOMING
ID
-ASHAHI V-AXIS DRIVER
ASHAHI V-AXIS
DRIVER
p
BN
BK
BU
SMC
PSE541-M5
-B1043
14
13
12
11
10
9
8
7
6
5
4
3
2
1
VAXIS-CN3
MOLEX
43025-1400
43030-0001
43030-0004
CN3
1
2
3
4
5
6
7
8
9
10
11
12
13
14
VACUUM
SENSOR2
p
BN
BK
BU
SMC
PSE541-M5
-B1044
PS1
PS2
B9
A9
B8
#570
FA12-020-1
KEL
A1
B1
A2
B2
A3
B3
A4
B4
A5
B5
A6
B6
CNHEAD2
A7
B7
A8
A10
B10
24GND
GND
RX+
RX-
TX+
TX-
HABP#2(IN-2)
ORG(IN-4)
HABP#1(IN-1)
(IN-3)
DETACH
ZILK
OUT_3
OUT_4
OUT_1
OUT_2
ID(Address)
P24V
24GND
P24V
B10
A10
B9
A9
B8
A8
B7
A7
B6
A6
B5
A5
B4
A4
B3
A3
B2
A2
B1
A1
CNHEAD2
KEL
FA01-020-4
#566
24VOUT
PRE SEN1
24GND
NC
24VOUT
PRE SEN2
24GND
NC
CN4
8
7
6
5
4
3
2
1
8
7
6
5
4
3
2
1
VAXIS-CN4
MOLEX
43645-0300
43030-0004
WHUL1007 AWG26WHUL1007 AWG26
RD UL1007 AWG22
BK UL1007 AWG22
WHUL1007 AWG26
WHUL1007 AWG26
WHUL1007 AWG26
WHUL1007 AWG26
EP02-001998A
BU UL1007 AWG26
WHUL#26 80/300-0.15mm2
BU UL1007 AWG26
BU UL1007 AWG26
EP02-001144A
43030-0001
43025-0400
MOLEX
1
2
3
4
Z1SEN
Z1SEN
4
3
2
1
MOLEX
43020-0400
43031-0001
1
2
3

Page
+$1:+$
687
HPH - 2 Head Sig
EXCEN PRO(M)
EXCEN PRO(D)
EXCEN PRO(L)
NO. PART NO. PART NAME Q'TY Old No. Supply Supply LT Reference
1 EP02-001998A HARNESS-V1P HPH CNHEAD2 CABLE ASSY 1
2 EP02-001144A HARNESS-HPH VACUUM SENSOR CABLE 1
3 EP02-000842A HARNESS-HPH_CNVALVE CABLE ASSY 1 EP02-000842A