Excellent Modular Component Placer EXCEN Series EXCEN PRO(M)/(D)/(L) Technical Reference - 第711页
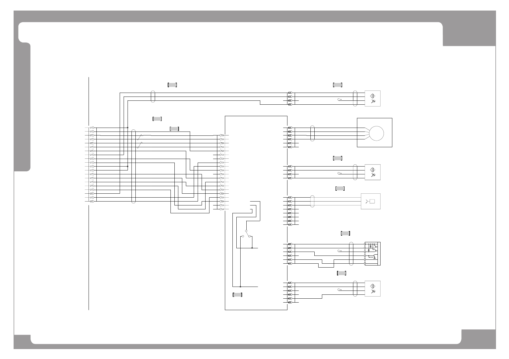
Page +$1:+$ 705 MFH (Auto Sensing) - 8 Nozzle Power Encoder EXCEN PRO(M) EXCEN PRO(D) EXCEN PRO(L) NO. P ART NO. P ART NAME Q'TY Old No. Supply Supply L T Reference 1 EP0 2-000838B HARNESS-HSM_CNHEAD 1 CABLE ASSY 1 …

Page
+$1:+$
704
EXCEN PRO(M)
EXCEN PRO(D
)
EXCEN PRO(L)
MFH (Auto Sensing) - 8 Nozzle Power Encoder
1
1
XY_UNIT
FG
P5V
P5G
MR#4
MRR#4
FG
P5V
P5G
MR#1
MRR#1
FG
P5V
P5G
MR#3
MRR#3
FG
P5V
P5G
MR#2
MRR#2
P24V
24GND
P24V
24GND
Z1_F,G
Z1_U
Z1_V
Z1-W
Z2_F,G
Z2_U
Z2_V
Z2-W
Z3_F,G
Z3_U
Z3_V
Z3-W
Z4_F,G
Z4_U
Z4_V
Z4_W
UL1007 AWG22GN
EP02-000838B
UL1007 AWG22RD
UL1007 AWG22WH
UL1007 AWG22BK
UL1007 AWG22GN
UL1007 AWG22RD
UL1007 AWG22WH
UL1007 AWG22BK
UL1007 AWG22GN
UL1007 AWG22RD
UL1007 AWG22WH
UL1007 AWG22BK
EP02-000838B
BK
UL1007 AWG26
BN UL1007 AWG26
BU UL1007 AWG26
WHUL1007 AWG26
GY UL1007 AWG26
BK UL1007 AWG26
BN UL1007 AWG26
BU UL1007 AWG26
WHUL1007 AWG26
GY UL1007 AWG26
BK UL1007 AWG26
BN UL1007 AWG26
BU UL1007 AWG26
WHUL1007 AWG26
GY UL1007 AWG26
-2AAM03-001756A+004AAZ-FG
-2AAM03-001756A+004AAZ-U
-2AAM03-001756A+004AAZ-V
-2AAM03-001756A+004AAZ-W
-2CAM03-001756A+004AAR-FG
-2CAM03-001756A+004AAR-U
-2CAM03-001756A+004AAR-V
-2CAM03-001756A+004AAR-W
-2AAM03-001756A+005AATH-FG
-2AAM03-001756A+005AATH-U
-2AAM03-001756A+005AATH-V
-2AAM03-001756A+005AATH-W
-2BAM03-001756A+004AAZE-FG
-2BAM03-001756A+004AAZE-P5
-2BAM03-001756A+004AAZE-P5G
-2BAM03-001756A+004AAZE-MR
-2BAM03-001756A+004AAZE-MRR
-2DAM03-001756A+004AARE-FG
-2DAM03-001756A+004AARE-P5
-2DAM03-001756A+004AARE-P5G
-2DAM03-001756A+004AARE-MR
-2DAM03-001756A+004AARE-MRR
-2BAM03-001756A+005AATHE-FG
-2BAM03-001756A+005AATHE-P5
-2BAM03-001756A+005AATHE-P5G
-2BAM03-001756A+005AATHE-MR
-2BAM03-001756A+005AATHE-MRR
NO USE
NO USE
B8
A8
B7
CNHEAD1
A7
B6
A6
B5
A5
B4
A4
B3
A3
B2
A2
B1
KEL
FA12-040-1
#570
A9
#566
FA01-040-4
KEL
CNHEAD1
B1
A2
B2
A3
B3
A4
B4
A5
B5
A6
B6
A7
B7
A8
B8
A9
A1
B20
A20
B19
A19
B18
B16
A16
B15
A15
B14
A14
B13
A13
B12
A12
B11
A11
B10
A10
B9
A17
B17
A18
B9
A10
B10
A11
B11
A12
B12
A13
B13
A14
B14
A15
B15
A16
B16
A17
B17
A18
B18
A19
B19
A20
B20
A1
Z-U
Z-V
Z-W
R-U
R-V
R-W
TH-U
TH-V
TH-W
Z-FG
R-FG
TH-FG
ZE-FG
RE-FG
THE-FG
ZE-P5
ZE-P5G
ZE-MR
ZE-MRR
RE-P5
RE-P5G
RE-MR
RE-MRR
THE-P5
THE-P5G
THE-MR
THE-MRR

Page
+$1:+$
705
MFH (Auto Sensing) - 8 Nozzle Power Encoder
EXCEN PRO(M)
EXCEN PRO(D)
EXCEN PRO(L)
NO. PART NO. PART NAME Q'TY Old No. Supply Supply LT Reference
1 EP02-000838B HARNESS-HSM_CNHEAD1 CABLE ASSY 1 EP02-000838A Connector type: MOLEX
AM03-017776A CABLE ASSY-NEW MFH CNHEAD1 CABLE ASSY 1 Connector type: JST

Page
+$1:+$
706
EXCEN PRO(M)
EXCEN PRO(D
)
EXCEN PRO(L)
MFH (Auto Sensing) - 8 Nozzle Sig R Axis
1 2
3
4
5
7
6
1
1
BU
-B1042
BN
WH
BK
SUNX
PM-F24P
6
5
4
3
2
1
CN1
MOLEX
43025-0600
43030-0004
CN1
6
5
4
3
2
1
CN2
4
3
2
1
B9
A9
B8
#570
FA12-020-1
KEL
A1
B1
A2
B2
A3
B3
A4
B4
A5
B5
A6
B6
CNHEAD2
A7
B7
A8
A10
B10
BU
-B1041
BN
WH
BK
SUNX
PM-F24P
p
BN
BK
BU
SMC
PSE541-M3
-B1043
B10
A10
B9
A9
B8
A8
B7
A7
B6
A6
B5
A5
B4
A4
B3
A3
B2
A2
B1
A1
CNHEAD2
KEL
FA01-020-4
#566
CNR-ORG
4
3
2
1
MOLEX
43020-0400
43031-0004 43030-0004
43025-0400
MOLEX
1
2
3
4
CNR-ORG
AM03-013210A
BU
UL1007 AWG26
BU UL1007 AWG26
BU UL1007 AWG26
RD UL1007 AWG22
BU
BU
AM03-013210A
BU
UL1007 AWG26
WHUL1007 AWG26
WHUL1007 AWG26
WHUL1007 AWG26
WHUL1007 AWG26
WHUL1007 AWG26
BK UL1007 AWG22
WHUL1007 AWG26
WHUL1007 AWG26
WHUL1007 AWG26
CN4
8
7
6
5
4
3
2
1
8
7
6
5
4
3
2
1
VAXIS-CN4
MOLEX
43025-0800
43030-0004
WHUL1007 AWG26
NO USE
BU
-B1042
BN
WH
BK
SUNX
PM-F24
43030-0004
43025-0400
MOLEX
1
2
3
4
VAXIS-CN2
BU UL1007 AWG26
6
5
4
3
2
1
VAXIS-CN5
MOLEX
43025-0600
43030-0001
CN5
6
5
4
3
2
1
GY
FX-505P-C2
SUNX
WH
BK
BN
-B1045
PK
BU
YE
RD
BU
OE
XSH2281-055
SANYO DENKI
M
V-axis MOTOR
A
A/
B
-M555
B/
WHUL1007 AWG26
WHUL1007 AWG26
CN6
6
5
4
3
2
1
6
5
4
3
2
1
VAXIS-CN6
MOLEX
43025-0600
43030-0004
SJ2F-01GF-P1.0
SJ2F-002GF-P1.0
J21DF-20V-KX-L
JST
VAXIS-CN3
A1
B1
A2
B2
A3
B3
A4
B4
A5
B5
A6
B6
A7
B7
A8
B8
A9
B9
A10
B10
B9
A9
B8
CN3
A1
B1
A2
B2
A3
B3
A4
B4
A5
B5
A6
B6
A7
B7
A8
A10
B10
AM03-013208A
TH-AXIS
SENSOR
XY_UNIT
VACUUM
SENSOR1
VALVE
ACTUATOR
OUT_A
OUT_A/
OUT_B
OUT_B/
A.COM
B.COM
RX+
RX-
TX+
TX-
SG
N,C
N,C
P24V
24GND
ALM
SEN
DONE
V-CW
V-CCW
V-HOMING
TRIG IN
ID
SEN OUT
TOUCH OUT1
TOUCH OUT2
-ASHAHI V-AXIS DRIVER
+24V
ORG
24GND
24GND
24GND
GND
RX+
RX-
TX+
TX-
DONE(IN-2)
R(HOME)(IN-4)
HABP#1(IN-1)
V(HOME)(IN-3)
DETACH
ZILK
OUT_3
OUT_4
OUT_1
OUT_2
ID(Address
P24V
24GND
P24V
R-AXIS
HOME
SENSOR
24VOUT
PRE SEN1
24GND
NC
24VOUT
PRE SEN2
24GND
NC
EP02-000933A
EP02-000896A
V-AXIS
HOME
SENSOR
EP02-001006A
ASHAHI D5190
SOFT
TOUCH
SENSOR1
AM03-013206A
24VOUT
TOUCH IN2(SENA)
DRV TRIG OUT2
ACTIVE OUT2
24VGND
PRE SEN4
EP06-000498
ASHAHI V-AXIS
DRIVER
24VOUT
TOUCH IN1(SENB)
DRV TRIG OUT1
ACTIVE OUT1
24VGND
PRE SEN3
AM03-013210A