Excellent Modular Component Placer EXCEN Series EXCEN PRO(M)/(D)/(L) Technical Reference - 第718页
Page +$1:+$ 712 EXCEN PRO(M) EXCEN PRO(D ) EXCEN PRO(L) HPH (Auto Sensing) - 2 Block Diagram Wiring 1 2 3 2 3 6 7 8 1 5 4 4 -M551 Z1 MOTOR -M552 TH1 MOTOR -M553 Z2 MOTOR -M554 TH2 MOTOR -R4030 V ALVE -R4031 V ALVE -R4032…

Page
+$1:+$
711
MFH (Auto Sensing) - 8 TH Axis Motor
EXCEN PRO(M)
EXCEN PRO(D)
EXCEN PRO(L)
NO. PART NO. PART NAME Q'TY Old No. Supply Supply LT Reference
1 AM03-014605A HARNESS-HSH TH MOTOR CABLE(30W) 1 EP02-001645B/ EP02-001645C Connector type: MOLEX
AM03-017781B CABLE ASSY-NEW 30W TH MOTOR CABLE 1 AM03-017781A Connector type: JST

Page
+$1:+$
712
EXCEN PRO(M)
EXCEN PRO(D
)
EXCEN PRO(L)
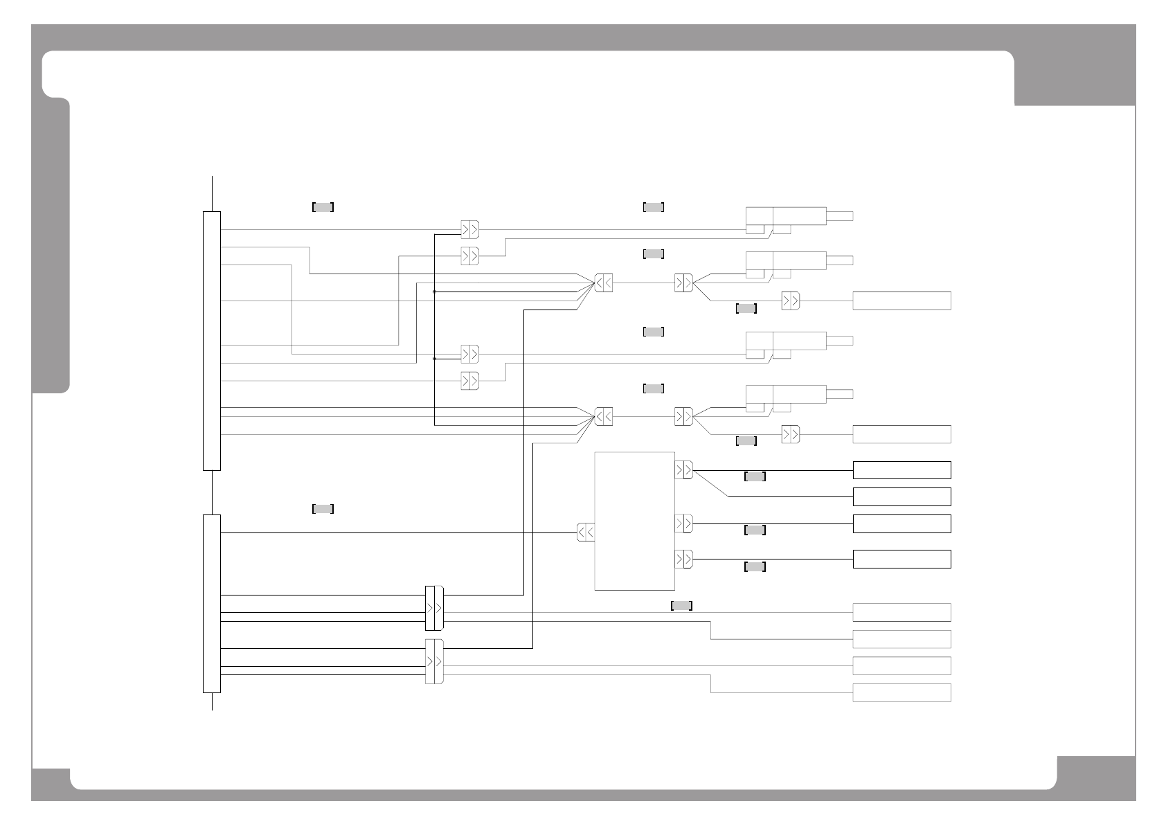
HPH (Auto Sensing) - 2 Block Diagram Wiring
1 2
3
2
3
6
7
8
1
5
4
4
-M551 Z1 MOTOR
-M552 TH1 MOTOR
-M553 Z2 MOTOR
-M554 TH2 MOTOR
-R4030 VALVE
-R4031 VALVE
-R4032 VALVE
-R4033 VALVE
-B1041 PH SENSOR
-B1042 PH SENSOR
CNHEAD1
CNHEAD2
MOTOR
POWER
ENCODER
CONNECTOR
Z1,TH1,Z2,TH2
SIG
CONNECTOR
ASHAHI V-AXIS
BOARD
CN3
CN5
SOFT-T-
SNS1
-B1044 PRESSURE
CN4
VAC
SEN1
-B1043 PRESSURE
CN6
SOFT-T-
SNS2
-B1046 PRESSURE
-B1045 PRESSURE
AM03-013496A/02
AM03-013497A/02
AM03-013499A/02
AM03-013499A/02
AM03-013206A/03
AM03-013397A/04
AM03-013823A/01
AM03-013823A/01
EP02-001143A
EP02-001143A
AM03-013498A/01
AM03-013496A/02

Page
+$1:+$
713
HPH (Auto Sensing) - 2 Block Diagram Wiring
EXCEN PRO(M)
EXCEN PRO(D)
EXCEN PRO(L)
NO. PART NO. PART NAME Q'TY Old No. Supply Supply LT Reference
1 AM03-013496A CABLE ASSY-ASH CNHEAD1 CABLE ASSY 1
2 AM03-013823A CABLE ASSY-AUTO SENSING HPH Z MOTOR CAB 1 Connector type: MOLEX
AM03-017780B CABLE ASSY-NEW 30W Z MOTOR CABLE 1 AM03-017780A Connector type: JST
3 AM03-013499A CABLE ASSY-ASH HPH FLAT CABLE ASSY 2
4 EP02-001143A HARNESS-V1+ HPH T MOTOR (30W) 2
5 AM03-013497A CABLE ASSY-ASH CNHEAD2 CABLE ASSY 1
6 AM03-013498A CABLE ASSY-ASH VACUUM SENSOR CABLE ASSY 1
7 AM03-013206A CABLE ASSY-SOFT TOUCH SENSOR HARNESS 1 Site repair
8 AM03-013397A CABLE ASSY-SOFT TOUCH SENSOR2 HARNESS 1