Excellent Modular Component Placer EXCEN Series EXCEN PRO(M)/(D)/(L) Technical Reference - 第727页
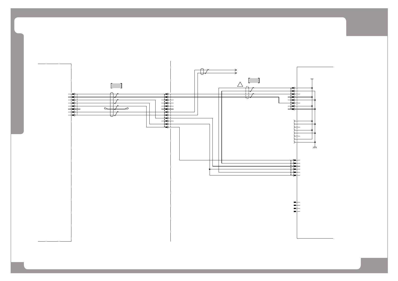
Page +$1:+$ 721 HPH (Auto Sensing) - 2 Z2 /TH2 Axis Motor EXCEN PRO(M) EXCEN PRO(D) EXCEN PRO(L) NO. P ART NO. P ART NAME Q'TY Old No. Supply Supply L T Reference 1 AM03-013823A CABLE ASSY -AUTO SENSING HPH Z MOTOR …

Page
+$1:+$
720
EXCEN PRO(M)
EXCEN PRO(D
)
EXCEN PRO(L)
HPH (Auto Sensing) - 2 Z2 /TH2 Axis Motor
-Z2 MOT
W
V
U
Z2-axis MOTOR
M
ENC
SERVO MOTOR
4
1
3
2
MITSUBISI
HG-AK0336-S2
RD
WH
BK
GN
OG/RD
GY/RD
GN
OG/BK
GY/BK
WH/BK
Z2-MOT
2
3
1
4
MOLEX
43020-0400
43031-0001
Z2-ENC
10
9
8
7
6
5
4
3
2
1
MOLEX
43020-1000
43031-0011 43030-0011
43025-1000
MOLEX
Z2-ENC
1
2
3
4
5
6
7
8
9
10
-7AAM03-001757A+002AA Z2-U
-7AAM03-001757A+002AA Z2-V
-7BAM03-001757A+002AA Z2-W
-7BAM03-001757A+002AA Z2-FG
-7DAM03-001757A+002AA Z2E-MR
-7DAM03-001757A+002AA Z2E-P5
-7DAM03-001757A+002AA Z2E-FG
-7DAM03-001757A+002AA Z2E-MRR
-7DAM03-001757A+002AA Z2E-P5G
-7BAM03-001757A+002AA TH2-U
-7BAM03-001757A+002AA TH2-W
-7BAM03-001757A+002AA TH2-FG
-7BAM03-001757A+002AA TH2-V
-7EAM03-001757A+002AA TH2E-FG
-7DAM03-001757A+002AA TH2E-MR
-7EAM03-001757A+002AA TH2E-P5
-7DAM03-001757A+002AA TH2E-MRR
-7EAM03-001757A+003AA P24V
-7CAM03-001757A+003AA Z2ILK
-7EAM03-001757A+002AA G24
-7EAM03-001757A+002AA TH2-P5G
14
13
12
7
6
5
4
10
11
3
GN
YE
RD
BN
RMFEV(2517) AWG25-6C
AM03-013499A
(0.2mm2-6C)
BK
WH
GN
YE
RD
BN
RMFEV(2517) AWG25-6C
(0.2mm2-6C)
BK
WH
GN
YE
RD
BN
RMFEV(2517) AWG25-6C
(0.2mm2-6C)
BK
WH
TH-MOT
2
8
9
1
MOLEX
43020-1400
43031-0001
-B1044
OMRON
EE-SX971P-C1
4
3
2
1
SPHD-001T-P0.5
PAP-04V-S
JST
LIMIT2
1
2
3
4
BK UL#26 80/300-0.15mm2
EP02-001143A
BN
UL#26 80/300-0.15mm2
BU UL#26 80/300-0.15mm2
-TH2(M523) MOT
W
V
U
TH-axis MOTOR
M
ENC
SERVO MOTOR
1
8
2
9
MITSUBISHI
HG-AK0336-S2
RD
WH
BK
GN
OG/RD
GY/RD
WH/BK
OG/BK
GY/BK
GN
43030-0004
43030-0001
43025-1400
MOLEX
TH-MOT-2
4
5
6
7
12
13
3
11
10
14
14
13
12
7
6
5
4
10
11
3
10
11
3
5
6
7
12
13
14
4
TH2-MOT
2
8
9
1
MOLEX
43020-1400
43031-0001
43031-0004
43030-0001
43025-1400
MOLEX
TH2-MOT
1
9
8
2
-7EAM03-001757A+002AA P24V
Z2 Axis
MOTOR
(30w)
TH2 Axis
MOTOR
(30w)
Z2 Axis
Air
Bearing
Position
#2
SENSOR
AM03-013823A/01
MOLEX
43025-0400
43030-0001
Z2-MOT
EP02-001143A
CE2
AM03-013499A/02
G24
Z2-V
Z2-W
Z2-FG
Z2E-MR
Z2E-P5
Z2E-FG
Z2E-MRR
Z2E-P5G
TH2-U
TH2-W
TH2-FG
TH2-V
TH2E-FG
TH2E-MR
TH2E-P5
TH2E-MRR
P24V
Z2ILK
G24
TH2E-P5G
P24V
1
3
2
2

Page
+$1:+$
721
HPH (Auto Sensing) - 2 Z2 /TH2 Axis Motor
EXCEN PRO(M)
EXCEN PRO(D)
EXCEN PRO(L)
NO. PART NO. PART NAME Q'TY Old No. Supply Supply LT Reference
1 AM03-013823A CABLE ASSY-AUTO SENSING HPH Z MOTOR CAB 1 Connector type: MOLEX
AM03-017780B CABLE ASSY-NEW 30W Z MOTOR CABLE 1 AM03-017780A Connector type: JST
2 EP02-001143A HARNESS-V1+ HPH T MOTOR (30W) 1
3 AM03-013499A CABLE ASSY-ASH HPH FLAT CABLE ASSY 1

Page
+$1:+$
722
EXCEN PRO(M)
EXCEN PRO(D
)
EXCEN PRO(L)
Flux - Flux Unit SIG Power Input
CART UNIT
6
5
4
3
2
1
CN10
-K511
8
7
6
5
4
3
2
1
N1
8
7
6
5
4
3
2
1
N2
MGND
MGND
SGND
M+24V
M+24V
S+24V
SIG_A
SIG_B
DS4460S
PULSE MOTOR DRIVER
P-DRV
C4
C3
C2
C1
B4
B3
B2
B1
A4
A3
A2
A1
MOLEX
55836-1270
56119-8228
56117-8228
4
3
2
1
CN9
SIG_A
SIG_B
GND
+24V
STP+
STP-
ALM+
ALM-
NO USE
6
5
4
3
2
1
P-DRV-CN10
MOLEX
5557-06R
5556T35556T
P-DRV-N1
8
7
6
5
4
3
2
1
HIROSE
TM10P-88P
C4
C3
C2
C1
B4
B3
B2
B1
A4
A3
A2
A1
P-DRV
MOLEX
51238-1211
56121-8428
56377-1200
UL1007 AWG20, BLACK
CN485
8
4
7
3
6
2
5
1
MOLEX
43020-0800
43031-0001
8
4
7
3
6
2
5
1
CFCB-CN485
MOLEX
43025-0800
43030-0001
UL2464-SB 4P*20AWG
J90834553A
(0.5mm2-4P)
(0.2mm2-1P)
UL2464 1P*24AWG
RS485+
RS485-
S,GND
+24V_CONT
+24GND
N,C
CH_SEL#0
CH_SEL#1
SEL#0 J90834552A+003AB-2D
SEL#1 J90834552A+003AB-2D
NO USE
UL1007 AWG20, BLACK
UL1007 AWG20, BLACK
UL1007 AWG20, BLACK
EP02-001984A
UL2919-SB 4P*26AWG RS485
2
1
2