Excellent Modular Component Placer EXCEN Series EXCEN PRO(M)/(D)/(L) Technical Reference - 第731页
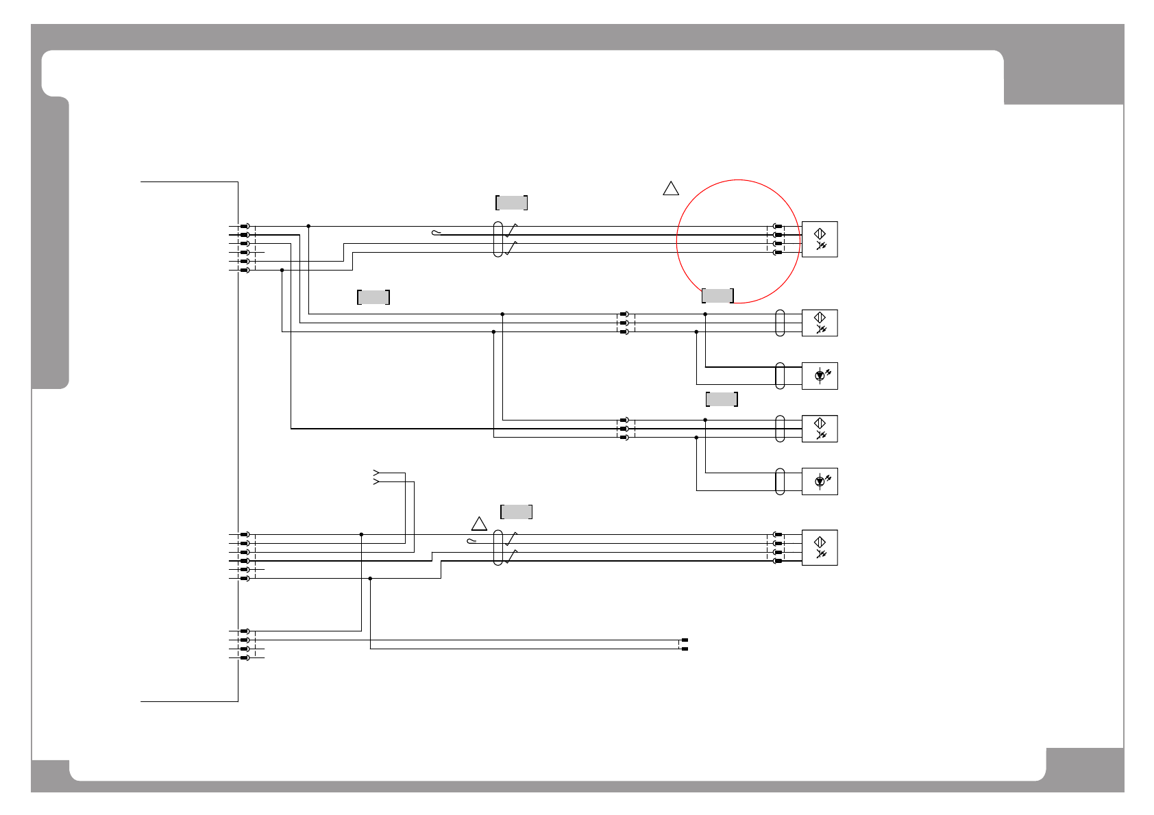
Page +$1:+$ 725 Flux - Motor TY, TS Axis Wiring EXCEN PRO(M) EXCEN PRO(D) EXCEN PRO(L) NO. P ART NO. P ART NAME Q'TY Old No. Supply Supply L T Reference 1 AM03-008838A CAB LE ASSY -TY AXIS 1 2 AM03-008871A CAB LE AS…

Page
+$1:+$
724
EXCEN PRO(M)
EXCEN PRO(D
)
EXCEN PRO(L)
Flux - Motor TY, TS Axis Wiring
A1
/A1
B1
/B1
DS4460S
PULSE MOTOR
DRIVER
CN1
4
2
3
1
BK
RD
YE
BU
OG
WH
M
103H7121-0740
SANYO
-FLUX-TY(-M511)
RD
YE
BU
OG
M
XSH1421-040
SANYO
-FLUX-TS(-M512)
FLUX TABLE
TY Axis
FLUX SQEEGEE
TS Axis
5556T
5557-04R
MOLEX
1
3
2
4
P-DRV-CN1
A2
/A2
B2
/B2
CN5
4
2
3
1
5556T
5557-04R
MOLEX
1
3
2
4
P-DRV-CN5
3
2
1
CN6
3
2
1
CN2
BRK1+
BRK1-
NC
BRK2+
BRK2-
NC
-R4027
SMC
VQZ232-5L-M5
FLUX Paste Supply
VALVE
-
+
FLUX-PS
SMC
SY100-29-1706412-2MK
SUMIKOTEC
FLUX-TY-MOT
6
5
4
3
2
1
MOLEX
5559-06P
5558T
6
5
4
3
2
1
FLUX-TY-MOT
MOLEX
5557-06R
5556T
UL2464 2P*22AWG
AM03-008838A
(0.3mm2-2P)
NO USE
P-DRV-CN2
3
1
2
JST
PARP-03V
SPA-001T-P0.5
PMS-03V-S
AM03-008871A
UL1007 AWG24, BLUE
UL1007 AWG24, BLUE
AM03-009815A
EP02-002076A
5556T
5557-02R
MOLEX
1
2
CN-P24
2
1
-
MOLEX
-
-
2
2
2
1
3
4
2

Page
+$1:+$
725
Flux - Motor TY, TS Axis Wiring
EXCEN PRO(M)
EXCEN PRO(D)
EXCEN PRO(L)
NO. PART NO. PART NAME Q'TY Old No. Supply Supply LT Reference
1 AM03-008838A CABLE ASSY-TY AXIS 1
2 AM03-008871A CABLE ASSY-SYRINGE CONT CN2 1
3 AM03-009815A TY_AXIS_MOTOR_CABLE;V1_FLUX_007 1
4 EP02-002076A HARNESS-TS AXIS MOTOR CABLE ASSY 1

Page
+$1:+$
726
EXCEN PRO(M)
EXCEN PRO(D
)
EXCEN PRO(L)
Flux - Sensor IO Wiring
DS4460S
PULSE MOTOR
DRIVER
+24V
SEN1
SEN2
SEN3
SEN4
GND
CN4
6
5
4
3
2
1
CN8
6
5
4
3
2
1
6
5
4
3
2
1
P-DRV-CN4
JST
PARP-06V
SPA-001T-P0.5
PMS-06V-S
+24V
SEN1
SEN2
SEN3
SEN4
GND
-B1032
BN
BK
BU
OMRON
E3T-FT21 2M
BU
BN
-B1032T
FLUX Syring Paste
detection(Received)
(SEN1)
FLUX Syring Paste
detection(Projection)
FLUX TY -axis ORG
(SEN4)
-B1033
BN
BK
BU
OMRON
E3T-FT21 2M
BU
BN
-B1033T
FLUX TABLE Paste
detection(Received)
(SEN2)
FLUX TABLE Paste
detection(Projection)
1
2
3
4
EE-SX972-C1
OMRON
-B1031
1
2
3
4
EE-SX972-C1
OMRON
-B1034
RD/WH
RD
BK/WH
BK
U-TKVV AWG24-2P
EP02-001984A
(0.2mm2-2P)
PMS-04V-S
SPA-001T-P0.5PARP-04V
JST
FLUX-TY-LS
1
2
3
4
PMS-04V-S
SPA-001T-P0.5PARP-04V
JST
B1034
1
2
3
4
RD/WH
RD
BK/WH
BK
U-TKVV AWG24-2P
J90834555A
(0.2mm2-2P)
FLUX-SP
3
1
2
JST
YLP-03V
SYF-01T-P0.5A
YLS-03V
3
2
1
FLUX-SP
JST
YLR-03V
SYM-01T-P0.5A
YLS-03V
FLUX-TP
3
1
2
JST
YLP-03V
SYF-01T-P0.5A
YLS-03V
3
2
1
FLUX-TP
JST
YLR-03V
SYM-01T-P0.5A
YLS-03V
J90834555A
BN UL#24 80/300-0.2mm2
BN UL#24 80/300-0.2mm2
WHUL#24 80/300-0.2mm2
BU UL#24 80/300-0.2mm2
BU UL#24 80/300-0.2mm2
OG UL#24 80/300-0.2mm2
FLUX TS axis ORG
(SEN3)
6
5
4
3
2
1
CN8
JST
PARP-06V
SPA-001T-P0.5
PMS-06V-S
J90834552A+001AA-7A SEL#0
J90834552A+001AA-7A SEL#1
CN9
4
3
2
1
STP+
STP-
ALM+
ALM-
PMS-04V-S
SPA-001T-P0.5
PARP-04V
JST
1
2
3
4
CN9
2
1
COVSW1
MOLEX
43020-0200
43031-0001
BN UL#24 80/300-0.2mm2
BK UL#24 80/300-0.2mm2
BU UL#24 80/300-0.2mm2
1
J90834562A
J90834561A
2
1
1
3
4
2