N7205A130B - 第101页
L1 Width Adjustment Axis Motor CNM9 +V24(M) GND(M) +24(C) 1 2 3 GND(C) ORG +LS 4 5 6 -K324 -LS EMG1W(OUT216) +V24(C) 7 8 9 10 11 12 13 14 EMG2W(OUT716) JST M9_K324 PHDR-18VS 1 2 3 4 5 6 7 8 9 10 11 12 13 14 15 16 17 18 N…

Note1) Connector Pin arrangement is not sequential.
-K321
CNST
ST_BU
ST_RD
4
1
2
3
ST_YE
ST_BZ
ST_GN
5
6
24V
PDG14041
CN Board : I/O #1(Front)
Signal Tower
MTKA008065** : Whole Cover (H):NPM-WX
MOLEX
B201P
43020-0600
5
4
3
2
1
6
MOLEX
B201R
43025-0600
5
4
3
2
1
6
GN/WH
GN
BK/WH
BK
RD/WH
RD
UL2464 (SPV840) 3P×24AWG(11/0.16TA) LF BK
Note1) Note1)
JST
ST_K321
PAP-06V-S
6
5
3
2
1
4
MTKC005868AE
BLUE
Lamp
GREEN
Lamp
YELLOW
Lamp
RED
Lamp
+
Buzzer
-B201
JD601RYG-024-W
TAYEE
Out of work Light : Front
B211
MPS-102-B
Patlite
BK/WH
BK
UL2464 (SPV840) 1P×24AWG(11/0.16TA) LF BK
AMP
B2XXR
177898-1
2
1
AMP
B211P
177906-1
2
1
CNLPA
24VOUT
PL_A1
24VOUT
PL_A2
N.C.
1
2
3
4
5
JST
LPA_K321
PAP-05V-S
5
4
3
2
1
MTKC005869AE
MTKC002524AC
BU
YE
-K322
CNST
ST_BU
ST_RD
4
1
2
3
ST_YE
ST_BZ
ST_GN
5
6
24V
PDG14041
CN Board : I/O #2(Rear)
Signal Tower
(OPTION)
MOLEX
B202P
43020-0600
5
4
3
2
1
6
MOLEX
B202R
43025-0600
5
4
3
2
1
6
GN/WH
GN
BK/WH
BK
RD/WH
RD
UL2464 (SPV840) 3P×24AWG(11/0.16TA) LF BK
Note1) Note1)
JST
ST_K322
PAP-06V-S
6
5
3
2
1
4
MTKC005870AE
BLUE
Lamp
GREEN
Lamp
YELLOW
Lamp
RED
Lamp
+
Buzzer
-B202
JD601RYG-024-W
TAYEE
Out of work Light : Rear
B212
MPS-102-B
Patlite
BK/WH
BK
UL2464 (SPV840) 1P×24AWG(11/0.16TA) LF BK
AMP
B2XXR
177898-1
2
1
AMP
B212P
177906-1
2
1
CNLPA
24VOUT
PL_A1
24VOUT
PL_A2
N.C.
1
2
3
4
5
JST
LPA_K322
PAP-05V-S
5
4
3
2
1
MTKC005871AE
MTKC002524AC
BU
YE
Note1)
Note1)
MTKA008065** : Whole Cover (H):NPM-WX
OPTION
ARROW
LPUKB-24W-3
ARROW
LPUKB-24W-3
2464C(BPF)VVP AWG#24×3P-B
6
2464C(BPF)VVP AWG#24×3P-B
6
2464C(BPF)VVP AWG#24×1P-B
6
2464C(BPF)VVP AWG#24×1P-B
6
Panasonic Smart Factory Solutions Co.,Ltd. パナソニック スマートファクトリーソリューションズ株式会社
Name
Drawing No.
Loc. No.
F4K1020-05A
1
2 3 4 5 6 7 8
A
B
C
D
E
F
1 2 3 4 5 6 7 8
A
B
C
D
E
F
Page. No.
Main Body Wiring (NPM-WX)
(Signal Tower Wiring)
MTKA010992+047AG
P047

L1 Width Adjustment Axis Motor
CNM9
+V24(M)
GND(M)
+24(C)
1
2
3
GND(C)
ORG
+LS
4
5
6
-K324
-LS
EMG1W(OUT216)
+V24(C)
7
8
9
10
11
12
13
14
EMG2W(OUT716)
JST
M9_K324
PHDR-18VS
1
2
3
4
5
6
7
8
9
10
11
12
13
14
15
16
17
18
N.C.
N.C.
15
16
17
18
JST
M619R
PHDR-18VS
18
17
16
15
13
12
11
10
9
8
7
6
5
4
14
3
2
1
MTKC007205AE
For M619
D+MAIN
D-MAIN
D+SUB
D-SUB
CN Board : Transfer #2(Rear)
PDG14040A
BN/WH
BN
YE/WH
YE
GN/WH
GN
BK/WH
BK
RD/WH
RD
NC
GND(C)
UL2464 (SPV840) 5P×24AWG(11/0.16TA) LF BK
L2 Width Adjustment Axis Motor
CNM9
+V24(M)
GND(M)
+24(C)
1
2
3
GND(C)
ORG
+LS
4
5
6
-K323
-LS
EMG1W(OUT216)
+V24(C)
7
8
9
10
11
12
13
14
EMG2W(OUT716)
JST
M9_K323
PHDR-18VS
1
2
3
4
5
6
7
8
9
10
11
12
13
14
15
16
17
18
N.C.
N.C.
15
16
17
18
JST
M629R
PHDR-18VS
18
17
16
15
13
12
11
10
9
8
7
6
5
4
14
3
2
1
MTKC007206AE
For M629
D+MAIN
D-MAIN
D+SUB
D-SUB
CN Board : Transfer #1(Front)
PDG14040A
BN/WH
BN
YE/WH
YE
GN/WH
GN
BK/WH
BK
RD/WH
RD
NC
GND(C)
UL2464 (SPV840) 5P×24AWG(11/0.16TA) LF BK
6
6
CNB5
+V24(C)
+LS
1
2
3
GND(C)
+V24(C)
4
5
6
ORG
GND(C)
7
8
NC
NC
JST
B5_K323
PAP-08V-S
8
7
6
5
4
3
2
1
UL1007 24AWG BU BU
MTKC008654AB
MTKA017733** : Dual Conveyor Support Wiring:NPM-WX
4
6
2464C(BPF)VVP AWG#24×5P-B
6
2464C(BPF)VVP AWG#24×5P-B
6
Panasonic Smart Factory Solutions Co.,Ltd. パナソニック スマートファクトリーソリューションズ株式会社
Name
Drawing No.
Loc. No.
F4K1020-05A
1
2 3 4 5 6 7 8
A
B
C
D
E
F
1 2 3 4 5 6 7 8
A
B
C
D
E
F
Page. No.
Main Body Wiring (NPM-WX)
(Width Adjustment Axis)
MTKA010992+048AG
P048

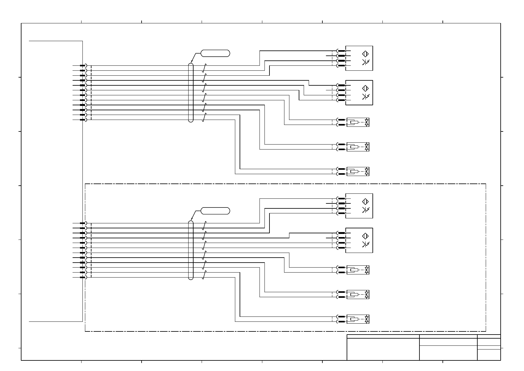
CNUP1
EX+24V
IN224
24GND
1
2
3
EX+24V
IN225
24GND
4
5
6
EX+24V
OUT210
EX+24V
OUT211
EX+24V
OUT212
7
8
9
10
11
12
SIO Board
-K311
PNF0C2
L1 PCB Support Up (Mount Position #1)
L1 PCB Support Down (Mount Position #1)
-
+
-
+
-R4210
-R4211
CKD
R4210R
4GR-SOCKET-E-100-FL644151
CKD
R4211R
4GR-SOCKET-E-100-FL644151
JST
UP1_K311
PUDP-12V-S
1
2
3
4
5
6
7
8
9
10
11
12
JST
B1224R
PAP-04V-S
4
3
2
1
P24
OUT1
OUT2
GND
1
2
3
4
-B1224
JST
B1225R
PAP-04V-S
4
3
2
1
P24
OUT1
OUT2
GND
1
2
3
4
-B1225
L1 PCB Support Upper (Mount Position #1)
L1 PCB Support Lower (Mount Position #1)
MTKC007207AF
BK/WH
BK
RD/WH
RD
GN/WH
GN
YE/WH
YE
BN/WH
BN
CNUP2
EX+24V
IN226
24GND
1
2
3
EX+24V
IN227
24GND
4
5
6
EX+24V
OUT213
EX+24V
OUT214
EX+24V
OUT215
7
8
9
10
11
12
L2 PCB Support Up (Mount Position #1)
L2 PCB Support Down (Mount Position #1)
-R4213
-R4214
P24
OUT1
OUT2
GND
1
2
3
4
-B1226
P24
OUT1
OUT2
GND
1
2
3
4
-B1227
L2 PCB Support Upper (Mount Position #1)
L2 PCB Support Lower (Mount Position #1)
-
+
-
+
CKD
R4213R
4GR-SOCKET-E-100-FL644151
CKD
R4214R
4GR-SOCKET-E-100-FL644151
JST
B1226R
PAP-04V-S
4
3
2
1
JST
B1227R
PAP-04V-S
4
3
2
1
JST
UP2_K311
PUDP-12V-S
1
2
3
4
5
6
7
8
9
10
11
12
MTKC007208AF
BK/WH
BK
RD/WH
RD
GN/WH
GN
YE/WH
YE
BN/WH
BN
L1 PCB Support Up/Down Speed Change (Mount Position #1)
-
+
-R4212
SMC
R4212R
SY100-29-1
BU/WH
BU
UL2464 (SPV840) 6P×24AWG(11/0.16TA) LF BK
L2 PCB Support Up/Down Speed Change (Mount Position #1)
-
+
-R4215
SMC
R4215R
SY100-29-1
BU/WH
BU
UL2464 (SPV840) 6P×24AWG(11/0.16TA) LF BK
5
5
MTKA017733** : Dual Conveyor Support Wiring:NPM-WX
6
6
4G-SOCKET-SET-FL388859
4G-SOCKET-SET-FL388859
4G-SOCKET-SET-FL388859
4G-SOCKET-SET-FL388859
4
4
4
4
4
4
2464C(BPF)VVP AWG#24×6P-B
6
2464C(BPF)VVP AWG#24×6P-B
6
Panasonic Smart Factory Solutions Co.,Ltd. パナソニック スマートファクトリーソリューションズ株式会社
Name
Drawing No.
Loc. No.
F4K1020-05A
1
2 3 4 5 6 7 8
A
B
C
D
E
F
1 2 3 4 5 6 7 8
A
B
C
D
E
F
Page. No.
Main Body Wiring (NPM-WX)
(Board Holder Wiring 1)
MTKA010992+049AG
P049