N7205A130B - 第104页
To Left Side Machine -K311 PNF0C2 SIO Board Note1) Connector Pin arrangement is not sequential. 1 2 3 4 5 6 7 8 9 10 11 12 13 14 15 16 17 18 19 20 21 22 23 24 25 26 27 28 29 30 31 32 33 34 V24(M) GND(M) V24(M) GND(M) V24…

CNUP3
EX+24V
IN724
24GND
1
2
3
EX+24V
IN725
24GND
4
5
6
EX+24V
OUT710
EX+24V
OUT711
EX+24V
OUT712
7
8
9
10
11
12
L1 PCB Support Up (Mount Position #2)
L1 PCB Support Down (Mount Position #2)
-R4710
-R4711
P24
OUT1
OUT2
GND
1
2
3
4
-B1724
P24
OUT1
OUT2
GND
1
2
3
4
-B1725
L1 PCB Support Upper (Mount Position #2)
L1 PCB Support Lower (Mount Position #2)
JST
UP3_K311
PUDP-12V-S
1
2
3
4
5
6
7
8
9
10
11
12
MTKC007209AF
BK/WH
BK
RD/WH
RD
GN/WH
GN
YE/WH
YE
BN/WH
BN
-
+
-
+
CKD
R4710R
4GR-SOCKET-E-100-FL644151
CKD
R4711R
4GR-SOCKET-E-100-FL644151
JST
B1724R
PAP-04V-S
4
3
2
1
JST
B1725R
PAP-04V-S
4
3
2
1
SIO Board
-K311
PNF0C2
CNUP4
EX+24V
IN726
24GND
1
2
3
EX+24V
IN727
24GND
4
5
6
EX+24V
OUT713
EX+24V
OUT714
EX+24V
OUT715
7
8
9
10
11
12
L2 PCB Support Up (Mount Position #2)
L2 PCB Support Down (Mount Position #2)
-R4713
-R4714
P24
OUT1
OUT2
GND
1
2
3
4
-B1726
P24
OUT1
OUT2
GND
1
2
3
4
-B1727
L2 PCB Support Upper (Mount Position #2)
L2 PCB Support Lower (Mount Position #2)
JST
UP4_K311
PUDP-12V-S
1
2
3
4
5
6
7
8
9
10
11
12
MTKC007210AF
BK/WH
BK
RD/WH
RD
GN/WH
GN
YE/WH
YE
BN/WH
BN
-
+
-
+
CKD
R4713R
4GR-SOCKET-E-100-FL644151
CKD
R4714R
4GR-SOCKET-E-100-FL644151
JST
B1726R
PAP-04V-S
4
3
2
1
JST
B1727R
PAP-04V-S
4
3
2
1
L2 PCB Support Up/Down Speed Change (Mount Position #2)
-
+
-R4715
SMC
R4715R
SY100-29-1
BU/WH
BU
UL2464 (SPV840) 6P×24AWG(11/0.16TA) LF BK
L1 PCB Support Up/Down Speed Change (Mount Position #2)
-
+
-R4712
SMC
R4712R
SY100-29-1
BU/WH
BU
UL2464 (SPV840) 6P×24AWG(11/0.16TA) LF BK
5
5
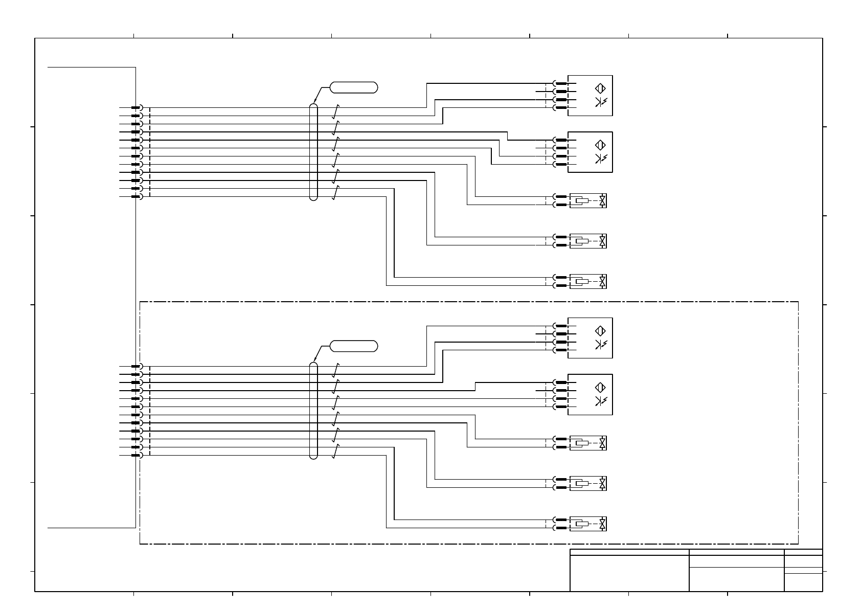
MTKA017733** : Dual Conveyor Support Wiring:NPM-WX
6
6
4G-SOCKET-SET-FL388859
4G-SOCKET-SET-FL388859
4G-SOCKET-SET-FL388859
4G-SOCKET-SET-FL388859
4
4
4
4
4
4
2464C(BPF)VVP AWG#24×6P-B
6
2464C(BPF)VVP AWG#24×6P-B
6
Panasonic Smart Factory Solutions Co.,Ltd. パナソニック スマートファクトリーソリューションズ株式会社
Name
Drawing No.
Loc. No.
F4K1020-05A
1
2 3 4 5 6 7 8
A
B
C
D
E
F
1 2 3 4 5 6 7 8
A
B
C
D
E
F
Page. No.
Main Body Wiring (NPM-WX)
(Board Holder Wiring 2)
MTKA010992+050AG
P050

To
Left Side Machine
-K311
PNF0C2
SIO Board
Note1) Connector Pin arrangement is not sequential.
1
2
3
4
5
6
7
8
9
10
11
12
13
14
15
16
17
18
19
20
21
22
23
24
25
26
27
28
29
30
31
32
33
34
V24(M)
GND(M)
V24(M)
GND(M)
V24(C)
GND(C)
IN220
IN221
OUT220
OUT221
OUT222
OUT036
D+MAIN
D-MAIN
OUT223
OUT224
OUT225
OUT037
D+SUB
D-SUB
IN222
IN223
OUT226
OUT227
IN207
+24V(C)
GND(C)
IN117
V24XL
G24XL
OPENL
24V_CN3K121
24GND_CN3K121
RLL
CNEXL
+A11
Power Unit
JST
EXL_K311
PUDP-34V-S
1
2
3
4
5
6
7
8
9
10
11
12
13
14
15
16
17
18
19
20
21
22
23
24
25
26
27
28
29
30
31
32
33
34
MTKC005880AD
UL1007 24AWG BU BU
UL1007 24AWG BU BU
LB/WH
LB
PK/WH
PK
LG/WH
LG
VT/WH
VT
OG/WH
OG
GY/WH
GY
BU/WH
BU
BN/WH
BN
YE/WH
YE
GN/WH
GN
BK/WH
BK
RD/WH
RD
GY/RD
GY/BK
BU/RD
BU/BK
BN/RD
BN/BK
YE/RD
YE/BK
GN/RD
GN/BK
WH/BK
WH
UL1007 24AWG BU BU
UL2464 (SPV840) 18P×24AWG(11/0.16TA) LF BK
MOLEX
CNEXL
51238-5011
E2
E1
A10
E3
E4
D3
A9
E5
E6
E7
E10
D10
D1
D8
D7
D6
A8
A7
C6
C5
C4
C1
C3
C2
B6
B5
B4
B1
B3
B2
D5
D4
A6
A5
A4
A3
A2
A1
Note1)
E8
D9
D2
C9
C8
C7
B10
B9
B8
B7
C10
E9
3
2464C(BPF)VVP AWG#24×18P-B
4
Panasonic Smart Factory Solutions Co.,Ltd. パナソニック スマートファクトリーソリューションズ株式会社
Name
Drawing No.
Loc. No.
F4K1020-05A
1
2 3 4 5 6 7 8
A
B
C
D
E
F
1 2 3 4 5 6 7 8
A
B
C
D
E
F
Page. No.
Main Body Wiring (NPM-WX)
(Left Extension Conveyor I/F)
MTKA010992+051AE
P051

To
Right Side Machine
-K311
PNF0C2
SIO Board
Note1) Connector Pin arrangement is not sequential.
+A11
Power Unit
MTKC005881AC
V24(M)
GND(M)
V24(M)
GND(M)
V24(C)
GND(C)
IN720
IN721
OUT720
OUT721
OUT722
OUT036
D+MAIN
D-MAIN
OUT723
OUT724
OUT725
OUT037
D+SUB
D-SUB
IN722
IN723
OUT726
OUT727
IN707
+24V(C)
GND(C)
IN117
V24XR
G24XR
OPENR
24V_CN2K121
24GND_CN2K121
RLR
CNEXR
1
2
3
4
5
6
7
8
9
10
11
12
13
14
15
16
17
18
19
20
21
22
23
24
25
26
27
28
29
30
31
32
33
34
JST
EXR_K311
PUDP-34V-S
1
2
3
4
5
6
7
8
9
10
11
12
13
14
15
16
17
18
19
20
21
22
23
24
25
26
27
28
29
30
31
32
33
34
UL1007 24AWG BU BU
UL1007 24AWG BU BU
LB/WH
LB
PK/WH
PK
LG/WH
LG
VT/WH
VT
OG/WH
OG
GY/WH
GY
BU/WH
BU
BN/WH
BN
YE/WH
YE
GN/WH
GN
BK/WH
BK
RD/WH
RD
GY/RD
GY/BK
BU/RD
BU/BK
BN/RD
BN/BK
YE/RD
YE/BK
GN/RD
GN/BK
WH/BK
WH
UL2464 (SPV840) 18P×24AWG(11/0.16TA) LF BK
UL1007 24AWG BU BU
Note1)
MOLEX
CNEXR
51233-5011
E1
C10
E9
E4
D3
A9
E5
E6
E7
E10
D10
D1
D8
D7
D6
D5
D4
C6
C5
C4
C1
C3
C2
B6
B5
B4
B1
B3
B2
A8
A7
A6
A5
A4
A3
A2
A1
C8
C7
B10
B9
B8
B7
E2
A10
E3
E8
D9
D2
C9
2
2464C(BPF)VVP AWG#24×18P-B
3
Panasonic Smart Factory Solutions Co.,Ltd. パナソニック スマートファクトリーソリューションズ株式会社
Name
Drawing No.
Loc. No.
F4K1020-05A
1
2 3 4 5 6 7 8
A
B
C
D
E
F
1 2 3 4 5 6 7 8
A
B
C
D
E
F
Page. No.
Main Body Wiring (NPM-WX)
(Right Extension Conveyor I/F)
MTKA010992+052AD
P052