N7205A130B - 第131页
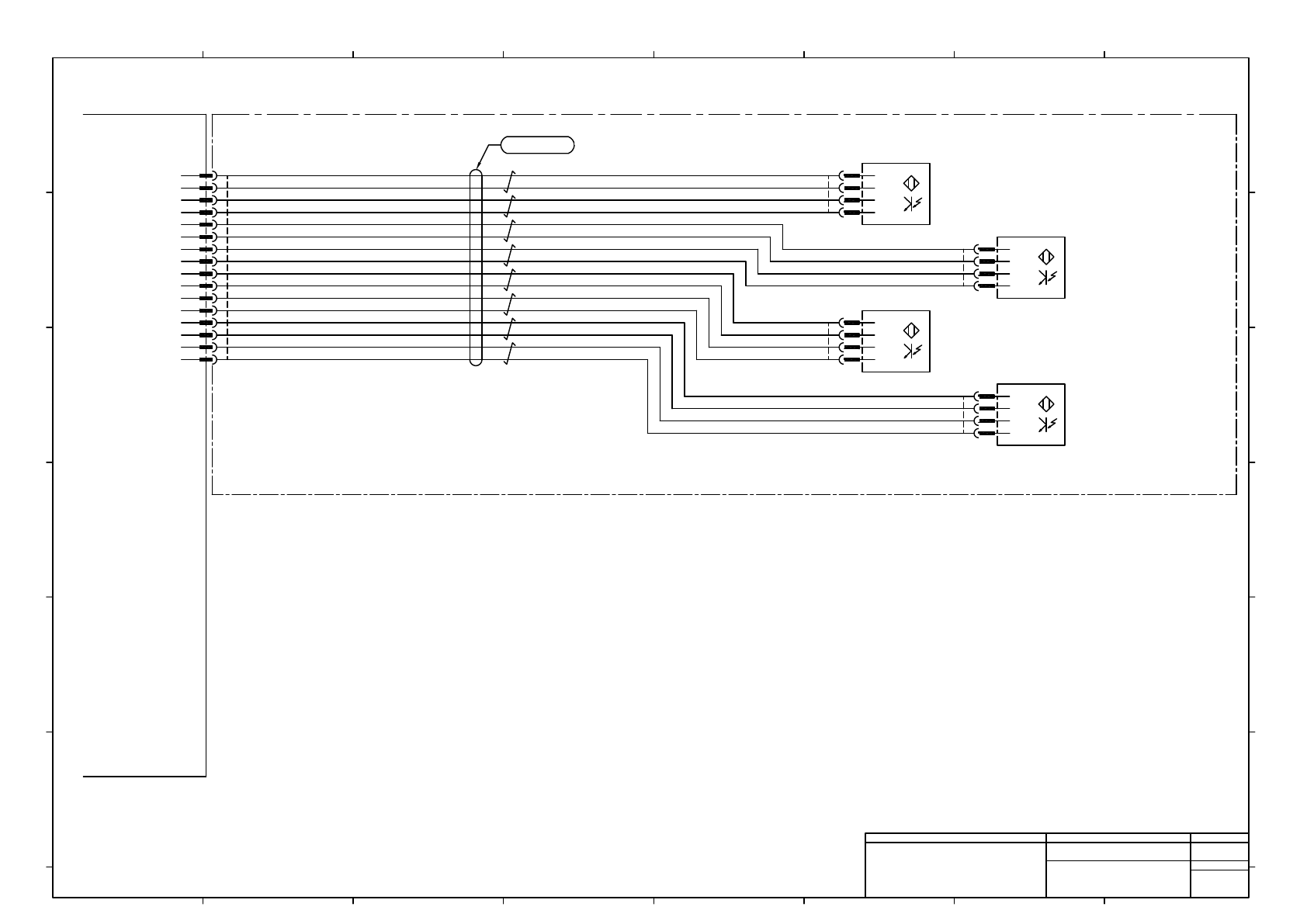
+V24(C) IN120 OUT110 GND(C) +V24(C) IN121 OUT110 GND(C) +V24(C) IN122 OUT112 GND(C) +V24(C) IN123 OUT112 GND(C) P24 OUT IN GND 1 2 3 4 -B1121 1 2 3 4 5 6 7 8 9 10 11 12 13 14 15 16 CNB1 -K324 JST B1_K324 PAP-16V-S 1 2 3 …

P24
OUT
IN
GND
1
2
3
4
-B1031
1
2
3
4
5
6
7
8
9
10
11
12
13
14
15
16
CNB3
-K323
JST
B3_K323
PAP-16V-S
1
2
3
4
5
6
7
8
9
10
11
12
13
14
15
16
P24
OUT
IN
GND
1
2
3
4
-B1030
MTKC005748AD
PDG14040A
OG/WH
OG
GY/WH
GY
BU/WH
BU
BN/WH
BN
YE/WH
YE
GN/WH
GN
BK/WH
BK
RD/WH
RD
P24
OUT
IN
GND
1
2
3
4
-B1033
P24
OUT
IN
GND
1
2
3
4
-B1032
JST
B1030R
PAP-04V-S
4
3
2
1
JST
B1031R
PAP-04V-S
4
3
2
1
JST
B1032R
PAP-04V-S
4
3
2
1
JST
B1033R
PAP-04V-S
4
3
2
1
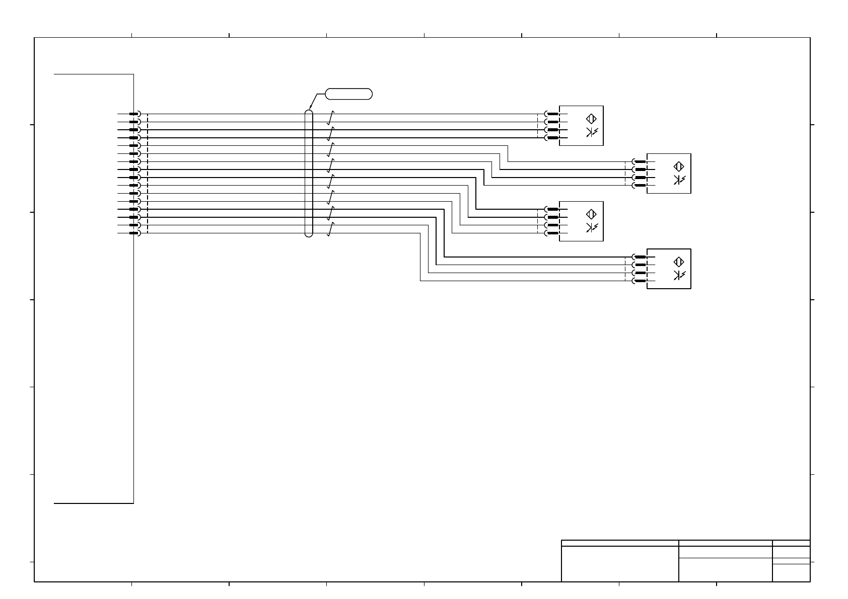
CN Board : Transfer #1(Front)
UL2464 (SPV840) 8P×24AWG(11/0.16TA) LF BK
+V24(C)
IN030
OUT012
GND(C)
+V24(C)
IN031
OUT012
GND(C)
+V24(C)
IN032
OUT013
GND(C)
+V24(C)
IN033
OUT013
GND(C)
5
L1 Mount Position #1 PCB Detection 1
L1 Mount Position #1 PCB Detection 2
L2 Mount Position #1 PCB Detection 1
L2 Mount Position #1 PCB Detection 2
MTKA013873** : Slide PCB Wiring(Dual):NPM-WX
4
2464C(BPF)VVP AWG#24×8P-B
5
3
Panasonic Smart Factory Solutions Co.,Ltd. パナソニック スマートファクトリーソリューションズ株式会社
Name
Drawing No.
Loc. No.
F4K1020-05A
1
2 3 4 5 6 7 8
A
B
C
D
E
F
1 2 3 4 5 6 7 8
A
B
C
D
E
F
Page. No.
Dual Conveyor Unit (NPM-WX)
(Position Sensor 2)
MTKA008067+015AF
P015

+V24(C)
IN120
OUT110
GND(C)
+V24(C)
IN121
OUT110
GND(C)
+V24(C)
IN122
OUT112
GND(C)
+V24(C)
IN123
OUT112
GND(C)
P24
OUT
IN
GND
1
2
3
4
-B1121
1
2
3
4
5
6
7
8
9
10
11
12
13
14
15
16
CNB1
-K324
JST
B1_K324
PAP-16V-S
1
2
3
4
5
6
7
8
9
10
11
12
13
14
15
16
P24
OUT
IN
GND
1
2
3
4
-B1120
MTKC005749AE
PDG14040A
OG/WH
OG
GY/WH
GY
BU/WH
BU
BN/WH
BN
YE/WH
YE
GN/WH
GN
BK/WH
BK
RD/WH
RD
P24
OUT
IN
GND
1
2
3
4
-B1123
P24
OUT
IN
GND
1
2
3
4
-B1122
JST
B1120R
PAP-04V-S
4
3
2
1
JST
B1121R
PAP-04V-S
4
3
2
1
JST
B1122R
PAP-04V-S
4
3
2
1
JST
B1123R
PAP-04V-S
4
3
2
1
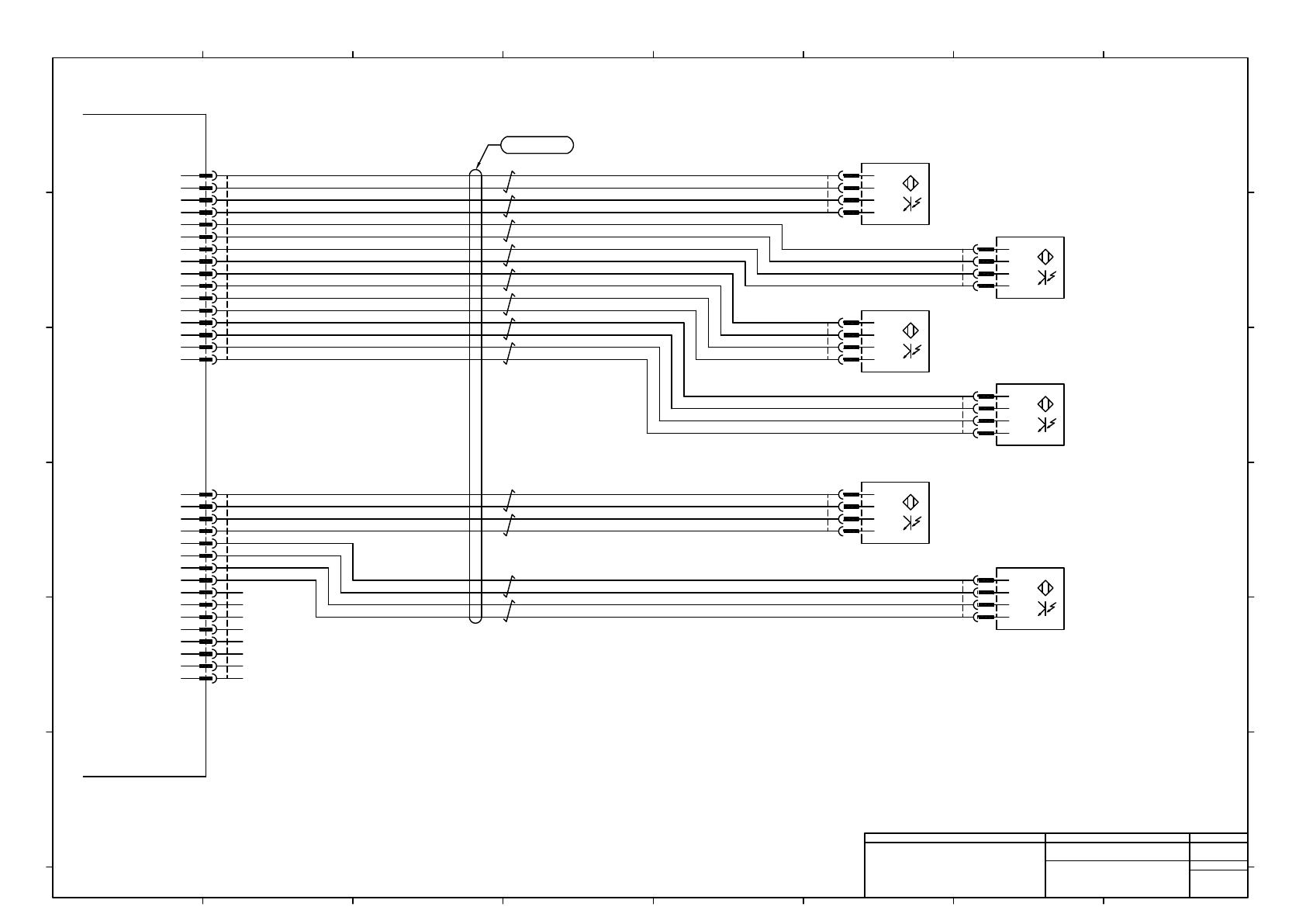
CN Board : Transfer #2(Rear)
+V24(C)
IN124
OUT111
GND(C)
+V24(C)
IN125
OUT111
GND(C)
+V24(C)
IN126
OUT111
GND(C)
+V24(C)
IN127
OUT112
GND(C)
P24
OUT
IN
GND
1
2
3
4
-B1124
JST
B1124R
PAP-04V-S
4
3
2
1
1
2
3
4
5
6
7
8
9
10
11
12
13
14
15
16
CNB2
JST
B2_K324
PAP-16V-S
1
2
3
4
5
6
7
8
9
10
11
12
13
14
15
16
P24
OUT
IN
GND
1
2
3
4
-B1125
JST
B1125R
PAP-04V-S
4
3
2
1
LG/WH
LG
VT/WH
VT
LB/WH
LB
PK/WH
PK
L2 Right Side PCB Detection 1
L2 Right Side PCB Detection 2
L2 Mount Position #2 PCB Detection 4
L2 Mount Position #2 PCB Detection 5
L1 Right Side PCB Detection 1
L1 Right Side PCB Detection 2
UL2464 (SPV840) 12P×24AWG(11/0.16TA) LF BK
5 4
3
2464C(BPF)VVP AWG#24×12P-B
5
Panasonic Smart Factory Solutions Co.,Ltd. パナソニック スマートファクトリーソリューションズ株式会社
Name
Drawing No.
Loc. No.
F4K1020-05A
1
2 3 4 5 6 7 8
A
B
C
D
E
F
1 2 3 4 5 6 7 8
A
B
C
D
E
F
Page. No.
Dual Conveyor Unit (NPM-WX)
(Position Sensor 3)
MTKA008067+016AF
P016

L2 Mount Position #1 PCB Detection 4
P24
OUT
IN
GND
1
2
3
4
-B1131
L2 Mount Position #1 PCB Detection 5
1
2
3
4
5
6
7
8
9
10
11
12
13
14
15
16
CNB3
-K324
JST
B3_K324
PAP-16V-S
1
2
3
4
5
6
7
8
9
10
11
12
13
14
15
16
P24
OUT
IN
GND
1
2
3
4
-B1130
MTKC005750AE
PDG14040A
OG/WH
OG
GY/WH
GY
BU/WH
BU
BN/WH
BN
YE/WH
YE
GN/WH
GN
BK/WH
BK
RD/WH
RD
L1 Mount Position #1 PCB Detection 4
P24
OUT
IN
GND
1
2
3
4
-B1133
L1 Mount Position #1 PCB Detection 5
P24
OUT
IN
GND
1
2
3
4
-B1132
JST
B1130R
PAP-04V-S
4
3
2
1
JST
B1131R
PAP-04V-S
4
3
2
1
JST
B1132R
PAP-04V-S
4
3
2
1
JST
B1133R
PAP-04V-S
4
3
2
1
CN Board : Transfer #2(Rear)
UL2464 (SPV840) 8P×24AWG(11/0.16TA) LF BK
+V24(C)
IN130
OUT112
GND(C)
+V24(C)
IN131
OUT112
GND(C)
+V24(C)
IN132
OUT113
GND(C)
+V24(C)
IN133
OUT113
GND(C)
6
4
5
2464C(BPF)VVP AWG#24×8P-B
6
Panasonic Smart Factory Solutions Co.,Ltd. パナソニック スマートファクトリーソリューションズ株式会社
Name
Drawing No.
Loc. No.
F4K1020-05A
1
2 3 4 5 6 7 8
A
B
C
D
E
F
1 2 3 4 5 6 7 8
A
B
C
D
E
F
Page. No.
Dual Conveyor Unit (NPM-WX)
(Position Sensor 4)
MTKA008067+017AG
P017