N7205A130B - 第188页
在线预览 N7205A130B PDF 文档。

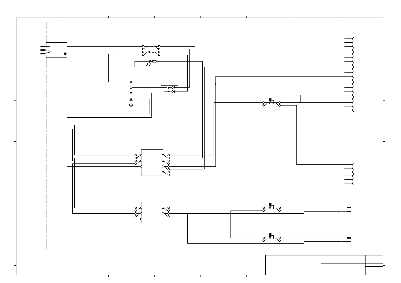
-T102
PBA300F-24
AC(L)
AC(N)
FG
+V
+V
-V
-V
COSEL
LOAD LINE
-F101
NH1L-2100S-3AA5C-TK2539
(3A)
1 2
3 4
BK RD
IDEC
-X001
N210001550AA
1aF101
FK1.25-4
JST
3aF101
4aF101
2aF101
FK2-4
JST
AC100V
~AC240V
INPUT
FK1.25-4
JST
FK1.25-4
JST
LaT101
FK2-3
JST
NaT101
FK1.25-3
JST
+VaT101
FK1.25-3
JST
-VaT101
3
4
RD
WH
GN/YE
1
2
AWG#18(0.75mm2)
AWG#20(0.5mm2)
AWG#20(0.5mm2)
-V01
FN9222R-3-06
SCHAFFNER
2bF101
4bF101
FK1.25-4
JST
2aF102
FK1.25-4
JST
1aF102
FK2-4
JST
LaT102
FK2-4
JST
NaT102
FK1.25-4
JST
+VaT102
FK2-4
JST
+VbT102
FK1.25-4
-VaT102
-F201
R.A.V-781BWZ-4
BK
BK
GN/YE
OKAYA
2aF104
FK2-4
JST
1aF104
FK2-4
JST
FK1.25-4
JST
LbT102
NbT102
-T101
PBA75F-12
(6.3A)
AC(L)
AC(N)
FG
+V
-V
COSEL
For
Feeder
cart
For
Tape
Feeder,
C-CON
-VbT102
-VcT102
For PDA
For PDA
1aF102
FK2-4
JST
1bF102
2bF104
FK1.25-4
JST
-F104
CP30FI-1P010
(10A)
1 2
FUJI ELECTRIC
1
1
1
1
-F102
CP30FI-1P003
(3A)
1 2
FUJI ELECTRIC
2
2
-F103
CP30FI-1P003
(3A)
1 2
FUJI ELECTRIC
2aF103
FK1.25-4
JST
MOLEX
CART
51238-2011
D5
D4
D3
D2
D1
C5
C4
C3
C2
C1
B5
B4
B3
B2
B1
A5
A4
A3
A2
A1
UL1007 18AWG BU BU
UL1007 18AWG BU BU
UL1007 18AWG BU BU
UL1007 18AWG BU BU
JAE
FEEDER
JR06-7A-6S-R
6
5
4
3
2
1
UL1007 24AWG BU BU
UL1007 24AWG BU BU
UL1007 20AWG BU BU
MOLEX
DC12-1
5559-02P-210
2
1
MOLEX
DC12-2
5559-02P-210
2
1
UL1007 20AWG BU BU
UL1007 20AWG BU BU
UL1007 20AWG BU BU
UL1007 16AWG BU BU
UL1007 16AWG BU BU
UL1007 16AWG BU BU
UL1015 16AWG GN/YE GN/YE
UL1015 16AWG BK BK
UL1015 16AWG BK BK
UL1015 16AWG BK BK
UL1015 16AWG BK BK
UL1015 16AWG GN/YE GN/YE
3
3
3
NICHIFU
4
TMEE1.25-4
NICHIFU
TMEE2-4
4
NICHIFU
TMEE1.25-4
NICHIFU
TMEE2-4
4
NICHIFU
TMEE2-4
4
NICHIFU
TMEE2-3
4
NICHIFU
4
TMEE1.25-4
TMEE1.25-3
NICHIFU
4
TMEE1.25-4
NICHIFU
TMEE2-4
4
NICHIFU
TMEE2-4
4
NICHIFU
TMEE2-4
NICHIFU
TMEE2-4
NICHIFU
4
TMEE1.25-4
NICHIFU
4
TMEE1.25-4
4
4
4
NICHIFU
TMEE1.25-4
4
NICHIFU
4
TMEE1.25-4
NICHIFU
4
TMEE1.25-3
Panasonic Smart Factory Solutions Co.,Ltd. パナソニック スマートファクトリーソリューションズ株式会社
Name
Drawing No.
Loc. No.
F4K1020-05A
1 2 3 4 5 6 7 8
A
B
C
D
E
F
1 2 3 4 5 6 7 8
A
B
C
D
E
F
Page. No.
Power supply unit
(Feeder and Cart PDA)
N610101909+007AD
P007

4.
LOAD WIRING DIAGRAM OPTION
負荷配線図 オプション
4-1 3-NOZZLE HEAD V2
3 ノズルヘッド V2
EJM9DB-10-401-00