N7205A130B - 第190页
在线预览 N7205A130B PDF 文档。

4.
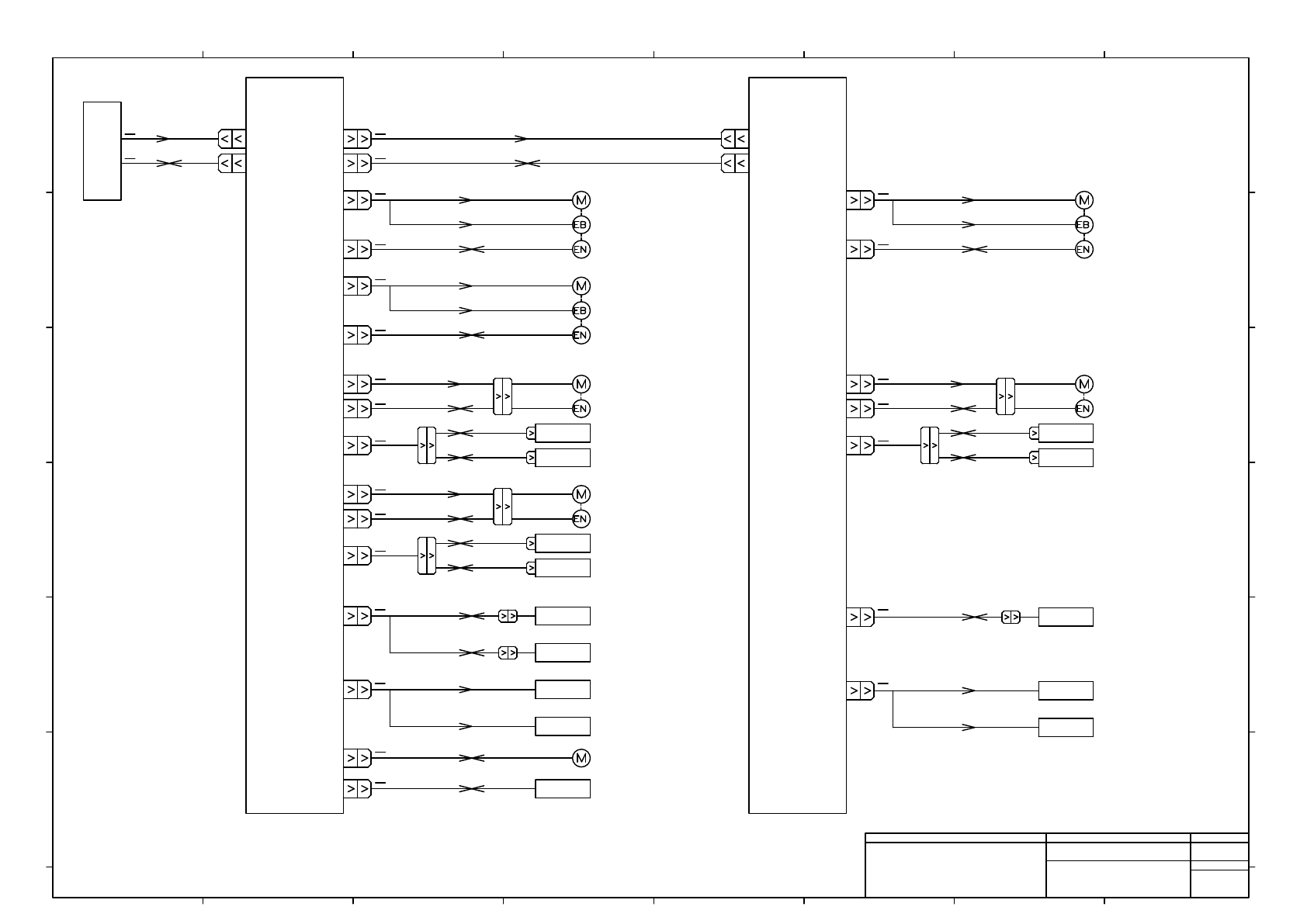
LOAD WIRING DIAGRAM OPTION
負荷配線図 オプション
4-1 3-NOZZLE HEAD V2
3 ノズルヘッド V2
EJM9DB-10-401-00

PMC0A9-BA
-K302
CN15
CN16
CN27
24V
PMC0A9-AA
-K301
CN1
CN15
CN16
48V
CN25
CN17
48V
CN21
SENSOR
Z2-Axis
Rough Origin Sensor
-B123
CN13
VALVE
Vacuum Valve 2
-R303
VALVE
Blow Valve 2
-R313
CN18
REGULATOR
Electro Pneumatic
Transducing Regulator
Load Control
-B501
θ2-Axis Encoder
θ2-Axis Motor
-M407
Flow Sensor 2
-B103
Z2-Axis
Cushion End Sensor
-B113
Z2-Axis Encoder
Z2-Axis Motor
-M403
CPU Cooling Fan
-G101
CN21
SENSOR
Z1-Axis
Rough Origin Sensor
-B121
SENSOR
Z3-Axis
Rough Origin Sensor
-B122
CN13
VALVE
Vacuum Valve
1,3
-R301,-R302
VALVE
Blow Valve
1,3
-R311,-R312
θ1-Axis Encoder
θ1-Axis Motor
-M405
Flow Sensor 1
-B101
Z1-Axis
Cushion End Sensor
-B111
θ3-Axis Encoder
θ3-Axis Motor
-M406
CN10
SENSOR
Flow Sensor 3
-B102
SENSOR
Z3-Axis
Cushion End Sensor
-B112
Z1-Axis Encoder
Z1-Axis Motor
-M401
Z1-Electromagnetic Brake
Z3-Axis Encoder
Z3-Axis Motor
48V
-M402
CN3
CN7
48V
CN1
CN5
CN8
CN4
CN9
SENSOR
SENSOR
CN6
CN2
CN1
CN5
CN9
SENSOR
SENSOR
CN6
CN2
24V 24V
48V
48V
24V
5V
5V
24V
5V
5V
24V
24V
24V
48V
48V
24V
5V
5V
24V
24V
Z3-Electromagnetic Brake
Z2-Electromagnetic Brake
CN18
Board Identity Check(Short:PMC0A9-AA)
Board Identity Check(Open:PMC0A9-BA)
Z2
Z2
Z2
θ2
2
θ2
Z2
Z2
2
2
Z3
Z3
Z3
θ3
θ3
Z3
3
Z3
3
3
Panasonic Smart Factory Solutions Co.,Ltd. パナソニック スマートファクトリーソリューションズ株式会社
Name
Drawing No.
Loc. No.
F4K1020-05A
1 2 3 4 5 6 7 8
A
B
C
D
E
F
1 2 3 4 5 6 7 8
A
B
C
D
E
F
Page. No.
Light Weight 3 Nozzle Head (H)
(Block Diagram)
MTKA012727+002AB
P002