N7205A130B - 第228页
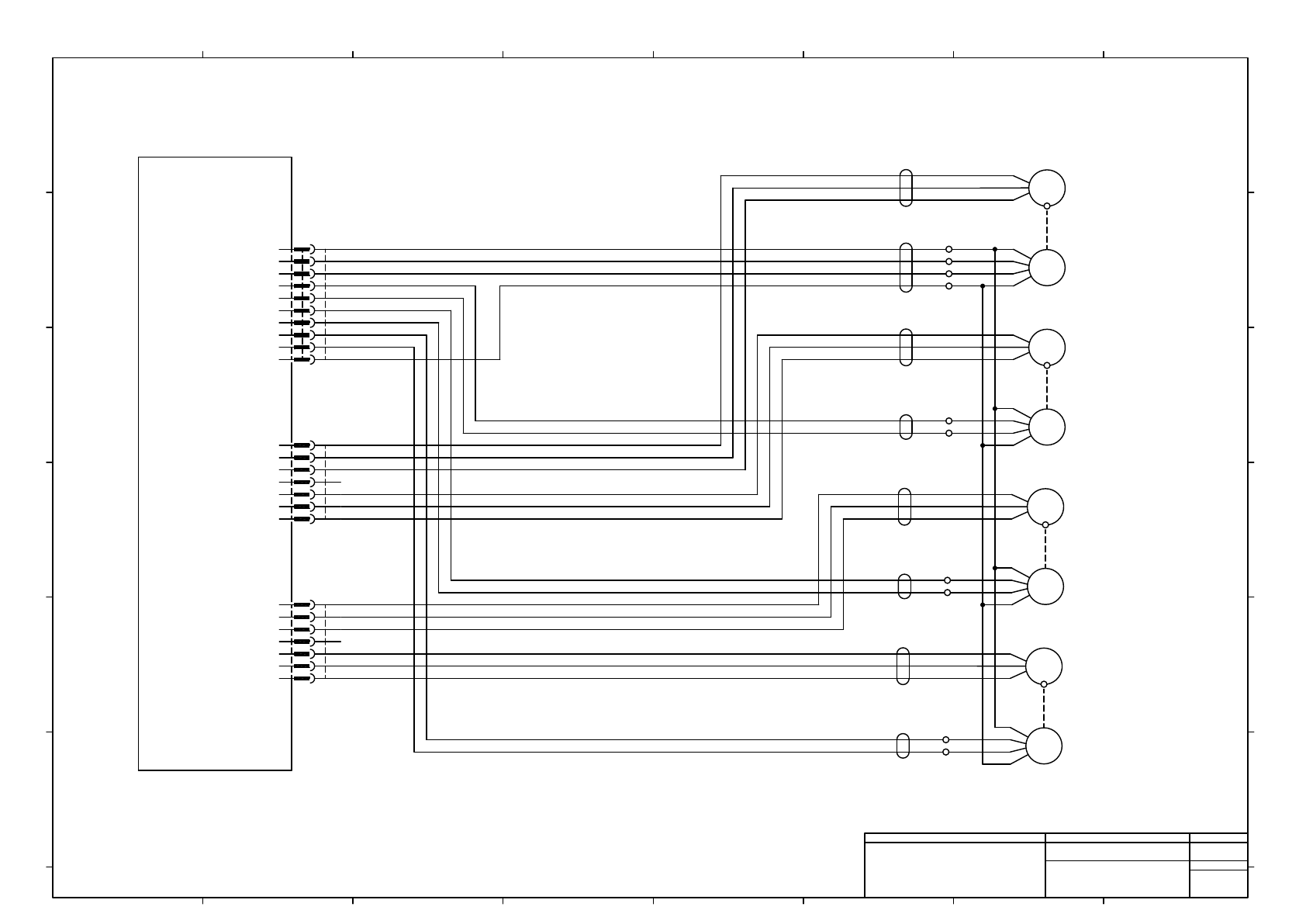
-K301 PMC0A8 CN1 1 2 3 4 5 6 7 Z1-PHASE_V Z1-PHASE_U FG Z1-PHASE_W VDD A B GND U V W SM SSG -M403 RMTA-A002A16-MA12 RD WH BU RD1 BU1 WH1 BK YASKAWA ELECTRIC Z2-PHASE_V Z2-PHASE_U Z2-PHASE_W CN9 Z1-A +5V Z2-A Z1-B Z3-A Z2…

SSG
SM
U
V
W
FG
A
A
B
B
Z
Z
VDD
GND
Sanyo Denki
BK2
RD2
YE
WH2
VT
GN
BN
BU
GY
BK
WH
RD
P50B02002BXS2D
-M401
θ1-axis motor
9
3
6
12
5
11
4
10
8
2
1
7
CN33
3
9
12
6
11
5
10
4
2
MOLEX
CN33
43025-1200
8
7
1
T1-PHASE_V
T1-PHASE_U
FG
T1-PHASE_W
+5V
GND
B
Z
Z
A
A
B
-K301
PMC0A8
9
3
6
12
5
11
4
10
8
2
1
7
CN34
T2-PHASE_V
T2-PHASE_U
FG
T2-PHASE_W
+5V
GND
B
Z
Z
A
A
B
θ1-axis encoder
θ2-axis motor
θ2-axis encoder
3
9
12
6
11
5
10
4
2
MOLEX
CN34
43025-1200
8
7
1
SSG
SM
U
V
W
FG
A
A
B
B
Z
Z
VDD
GND
BK2
RD2
YE
WH2
VT
GN
BN
BU
GY
BK
WH
RD
P50B02002BXS2D
-M402
Sanyo Denki
PMC0A3
Panasonic Smart Factory Solutions Co.,Ltd. パナソニック スマートファクトリーソリューションズ株式会社
Name
Drawing No.
Loc. No.
F4K1020-05A
1 2 3 4 5 6 7 8
A
B
C
D
E
F
1 2 3 4 5 6 7 8
A
B
C
D
E
F
Page. No.
Light Weight 16 Nozzle Head (H) DC48V
(θ1-2 axis wiring)
MTKA006382+004AB
P004

-K301
PMC0A8
CN1
1
2
3
4
5
6
7
Z1-PHASE_V
Z1-PHASE_U
FG
Z1-PHASE_W
VDD
A
B
GND
U
V
W
SM
SSG
-M403
RMTA-A002A16-MA12
RD
WH
BU
RD1
BU1
WH1
BK
YASKAWA ELECTRIC
Z2-PHASE_V
Z2-PHASE_U
Z2-PHASE_W
CN9
Z1-A
+5V
Z2-A
Z1-B
Z3-A
Z2-B
Z3-B
Z4-B
Z4-A
GND
CN2
1
2
3
4
5
6
7
Z3-PHASE_V
Z3-PHASE_U
FG
Z3-PHASE_W
Z4-PHASE_V
Z4-PHASE_U
Z4-PHASE_W
Z1-axis motor
Z1-axis encoder
Z2-axis motor
Z2-axis encoder
A
B
U
V
W
SM
SSG
-M404
RMTA-A002A16-MA12
RD
WH
BU
BU1
WH1
YASKAWA ELECTRIC
Z3-axis motor
Z3-axis encoder
Z4-axis motor
Z4-axis encoder
A
B
U
V
W
SM
SSG
-M405
RMTA-A002A16-MA12
RD
WH
BU
BU1
WH1
YASKAWA ELECTRIC
A
B
U
V
W
SM
SSG
-M406
RMTA-A002A16-MA12
RD
WH
BU
BU1
WH1
YASKAWA ELECTRIC
CN9
1
2
3
4
5
6
7
8
9
10
JAPAN SOLDERLESS TER
1
PAP-07V-S
7
6
5
4
3
2
1
MOLEX
9
502380-1000
1
2
3
4
5
6
7
8
9
10
JAPAN SOLDERLESS TER
2
PAP-07V-S
7
6
5
4
3
2
1
PMC0A3
Panasonic Smart Factory Solutions Co.,Ltd. パナソニック スマートファクトリーソリューションズ株式会社
Name
Drawing No.
Loc. No.
F4K1020-05A
1 2 3 4 5 6 7 8
A
B
C
D
E
F
1 2 3 4 5 6 7 8
A
B
C
D
E
F
Page. No.
Light Weight 16 Nozzle Head (H) DC48V
(Z 1-4 axis wiring)
MTKA006382+005AB
P005

-K301
PMC0A8
CN3
1
2
3
4
5
6
7
Z5-PHASE_V
Z5-PHASE_U
FG
Z5-PHASE_W
VDD
A
B
GND
U
V
W
SM
SSG
-M407
RMTA-A002A16-MA12
RD
WH
BU
RD1
BU1
WH1
BK
YASKAWA ELECTRIC
Z6-PHASE_V
Z6-PHASE_U
Z6-PHASE_W
CN10
Z5-A
+5V
Z6-A
Z5-B
Z7-A
Z6-B
Z7-B
Z8-B
Z8-A
GND
CN4
1
2
3
4
5
6
7
Z7-PHASE_V
Z7-PHASE_U
FG
Z7-PHASE_W
Z8-PHASE_V
Z8-PHASE_U
Z8-PHASE_W
Z5-axis motor
Z5-axis encoder
Z6-axis motor
Z6-axis encoder
A
B
U
V
W
SM
SSG
-M408
RMTA-A002A16-MA12
RD
WH
BU
BU1
WH1
YASKAWA ELECTRIC
Z7-axis motor
Z7-axis encoder
Z8-axis motor
Z8-axis encoder
A
B
U
V
W
SM
SSG
-M409
RMTA-A002A16-MA12
RD
WH
BU
BU1
WH1
YASKAWA ELECTRIC
A
B
U
V
W
SM
SSG
-M410
RMTA-A002A16-MA12
RD
WH
BU
BU1
WH1
YASKAWA ELECTRIC
1
2
3
4
5
6
7
8
9
10
JAPAN SOLDERLESS TER
3
PAP-07V-S
7
6
5
4
3
2
1
MOLEX
10
502380-1000
1
2
3
4
5
6
7
8
9
10
JAPAN SOLDERLESS TER
4
PAP-07V-S
7
6
5
4
3
2
1
PMC0A3
Panasonic Smart Factory Solutions Co.,Ltd. パナソニック スマートファクトリーソリューションズ株式会社
Name
Drawing No.
Loc. No.
F4K1020-05A
1 2 3 4 5 6 7 8
A
B
C
D
E
F
1 2 3 4 5 6 7 8
A
B
C
D
E
F
Page. No.
Light Weight 16 Nozzle Head (H) DC48V
(Z 5-8 axis wiring)
MTKA006382+006AB
P006