N7205A130B - 第257页
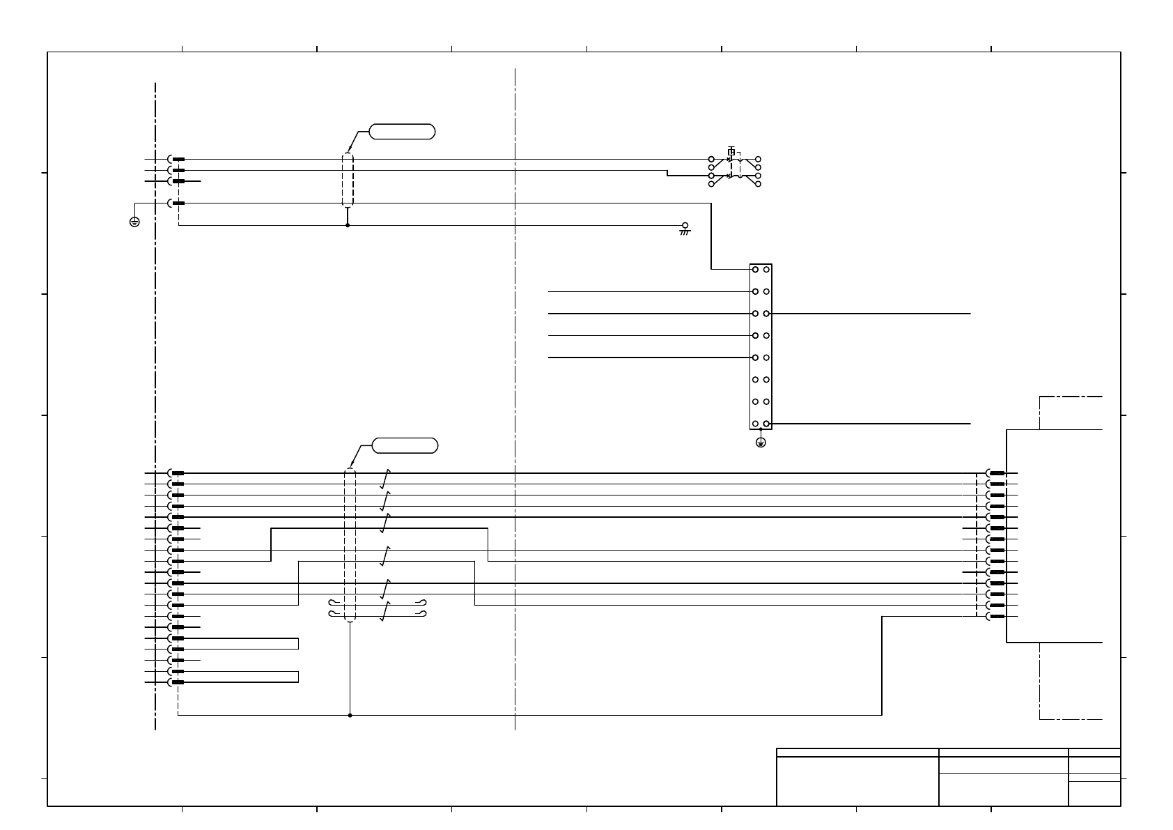
U V CNP3 1 2 3 W -A05 Tray Control box TL-axis MOTOR DRIVER P5 LG CN2 1 2 3 4 5 6 7 8 9 10 MR MRR MD MDR BT CNP3K401 03JFAT-SAXGDK-H7.5 U V W JST V-CNP3K401 U-CNP3K401 AI1.5-10BK PHOENIX CONTACT W-CNP3K401 E2K401 R1.25-4…

UL1007 24AWG BU
M/C FRAME
RXD+
RXD-
RXD+
TRAY.SR
C1
C2
D1
RXD-
D2
GND
C3
N.C
A1
N.C
A2
SVONSW
A3
G24
A4
N.C
A5
B2
B3
IN***
B1
N.C
B4
N.C
B5
CHK2a
C4
CHK2b
C5
N.C
D3
CHK1a
D4
CHK1b
D5
<TRAY FEEDER>
-K301
PNF0AT #1
Tray control board
COM-UP
1
8
2
9
3
10
4
5
6
7
11
12
13
14
TXD+
TXD-
GND
N.C
ILKST
SRVIN
24G
N.C
+24V
EMGHST
CNCHK(24G)
FG
-A05
Tray Control box
TXD+
TXD-
EMG+
EMG-
UL1007 24AWG BU BU
BU
MOLEX
TRAY.S
55836-2070
C1
C2
D1
D2
C3
A1
A2
A3
A4
A5
B2
B3
B1
B4
B5
C4
C5
D3
D4
D5
MOLEX
COM-UPK301
43025-1400
14
13
12
11
7
6
5
4
10
3
9
2
8
1
Note1) Connector pin arrangement is not sequential.
Note1)
Note1)
MTKC011161AD
L1
L2
N.C
TRAY.PR
A1
A2
B1
B2
-F101
CP30-BA 2P 1-MD 5A
1 2
3 4
Mitsubishi Electric
1aF101
FK2-4
JST
3aF101
FGTRAY
R5.5-4
JST
BK
-X001
N510013515AA
Asada Metal Industry
9
11
1
10
3
4 12
E1X001
R1.25-4
JST
2
13 5
6 14
15 7
8 16
MOLEX
TRAY.P
55887-0474
B2
B1
A2
A1
MTKC011160AC
2464C(BPF)VSVP AWG#24×6P-B
RD
RD/WH
BK
BK/WH
GN
GN/WH
YE
YE/WH
BN
BN/WH
BU
BU/WH
GN/YE
UE/2501E-SBX(N)[Y/G]黒 LF 3×16AWG
BK2
BK1
E11X001
R1.25-4
JST
E5X001
To/From ID
E2X001
E3X001
TP-axis
Motor Driver -K402 MTKA016615+ 004**
Noise Filter -V01 MTKA016615+ 003**
TL-axis
Motor Driver -K401 MTKA016615+ 004**
E4X001
Power Supply -T101 MTKA016615+ 005**
To/From ID
Power Supply -T102 MTKA016615+ 005**
E16X001
Power Supply -T102 MTKA016615+ 005**
FK2-5
TXD-
TXD+
IN045
IN111
Panasonic Smart Factory Solutions Co.,Ltd. パナソニック スマートファクトリーソリューションズ株式会社
Name
Drawing No.
Loc. No.
F4K1020-05A
1
2 3 4 5 6 7 8
A
B
C
D
E
F
1 2 3 4 5 6 7 8
A
B
C
D
E
F
Page. No.
Tray Feeder Wiring ; X10
(Power, communication wiring)
MTKA016614+003AD
P003

U
V
CNP3
1
2
3
W
-A05
Tray Control box
TL-axis
MOTOR DRIVER
P5
LG
CN2
1
2
3
4
5
6
7
8
9
10
MR
MRR
MD
MDR
BT
CNP3K401
03JFAT-SAXGDK-H7.5
U
V
W
JST
V-CNP3K401
U-CNP3K401
AI1.5-10BK
PHOENIX CONTACT
W-CNP3K401
E2K401
R1.25-4
JST
BK
WH
RD
GN/YE
BN
HRNVV-SLABLA(2464) AWG16/5C
1
2
3
AMP
TLM401R
1-178128-4
4
1
2
3
AMP
TLM401P
1-179553-4
4
1
2
AMP
TLB401R
1-178128-2
10
9
8
7
6
5
4
Sumitomo 3M
CN2K401
36210-0100PL
3
2
1 7
8
3
AMP
TLE401P
172161-1
6
1
2
4
5
9
7
8
3
AMP
TLE401R
1-172169-9
6
1
2
4
5
9
RD
RD/WH
BK
BK/WH
GN
GN/WH
YE
YE/WH
BN
BN/WH
EB
U
V
W
SM
4
3
2
1
SSG
1
2
3
6
2
1
5
4
8
7
9
TL-axis MOTOR
4
3
2
1
1
2
3
6
2
1
5
4
8
7
9
RD
WH
BK
GN/YE
2174053-1
AMP
JN4FT02SJ1-R
JAE
JN4FT04SJ1-R
JAE
Note1)
Note1) Connector pin arrangement is not sequential.
Note1)
Note1)
MTKC006776AC
-K301
PNF0AT #1
Tray control board
+24V(MBR0)
24G
BTL
1
2
1
2
AMP
BTLK301
1-178128-2
1
2
AMP
TLB401P
1-179553-2
UL2464 (SPV855) 1P×20AWG(26/0.16TA) LF BK
BK
BK/WH
MTKC006773**
BU/WH
BU
2464C(BPF)VSVP AWG#24×6P-B
-K401
MR-J4-20A-NE125
MITSUBISHI ELECTRIC
-M401
HG-KR23B
MITSUBISHI ELECTRIC
MTKC007167AE
2464C(BPF)VVP AWG#20×1P-B
3
Panasonic Smart Factory Solutions Co.,Ltd. パナソニック スマートファクトリーソリューションズ株式会社
Name
Drawing No.
Loc. No.
F4K1020-05A
1
2 3 4 5 6 7 8
A
B
C
D
E
F
1 2 3 4 5 6 7 8
A
B
C
D
E
F
Page. No.
Tray Feeder Wiring ; X10
(TL-axis motor wiring)
MTKA016614+004AD
P004

U
V
CNP3
1
2
3
W
-A05
Tray Control box
TP-axis
MOTOR DRIVER
P5
LG
CN2
1
2
3
4
5
6
7
8
9
10
MR
MRR
MD
MDR
BT
CNP3K402
03JFAT-SAXGDK-H7.5
U
V
W
JST
2
1
3
4
36210-0100PL
CN2K402
Sumitomo 3M
5
6
7
8
9
10
V-CNP3K402
U-CNP3K402
AI1.5-10BK
PHOENIX CONTACT
W-CNP3K402
1-172169-9
TPE402R
AMP
3
8
7
2
1
6
9
5
4
E2K402
R1.25-4
JST
-M402
HG-KR13
MITSUBISHI ELECTRIC
1
2
3
AMP
TPM402R
1-178128-4
4
1
2
3
AMP
TPM402P
1-179553-4
4
7
8
3
AMP
TPE402P
172161-1
6
1
2
4
5
9
AMP
2174053-1
9
7
8
4
5
1
2
6
3
TP-axis MOTOR
9
7
8
4
5
1
2
6
3
SSG
JAE
JN4FT04SJ1-R
GN/YE
BK
WH
RD
1
2
3
4
1
2
3
4
SM
W
V
U
MTKC006777AD
MTKC006779AD
Note1)
Note1) Connector pin arrangement is not sequential.
Note1)
Note1)
RMFEV(2517) AWG17(1.25)/4C
GN
BK
WH
RD
RMFEV-SB(2517) AWG25(0.2)/6P
GY
BK
VT
PK
YE
WH
OG
GN
BU
RD
LB
BN
-K402
MR-J4-10A-NE125
MITSUBISHI ELECTRIC
1
1
2
2
Panasonic Smart Factory Solutions Co.,Ltd. パナソニック スマートファクトリーソリューションズ株式会社
Name
Drawing No.
Loc. No.
F4K1020-05A
1 2 3 4 5 6 7 8
A
B
C
D
E
F
1 2 3 4 5 6 7 8
A
B
C
D
E
F
Page. No.
Tray Feeder Wiring ; X10
(TP-axis Motor wiring)
MTKA016614+005AC
P005