N7205A130B - 第264页
BK/WH BK RD/WH RD UL2464 (SPV840) 2P×24AWG(11/0.16TA) LF BK From PT2R (P007) MTKC011146AD TP軸引き出し位置2 (吸着側) TP moving the lever Detection (take up unit side) JST B1355R PAP-04V-S 4 3 2 1 P24 OUT1 OUT2 GND 1 2 3 4 -B1355 P…

-K301
PNF0AT #1
Tray control board
-A05
Tray Control box
MOLEX
EXINK301
43025-2000
11
12
13
14
15
16
19
9
1
2
20
10
5
6
17
8
18
11
12
13
14
15
16
19
9
1
2
3
4
20
10
5
6
17
8
18
IN2-1
IN2-2
IN2-3
IN2-4
IN2-5
IN2-6
+24V
24G
IN1-1
IN1-2
IN1-3
IN1-4
+24V
24G
IN1-5
IN1-6
IN2-7
IN1-8
IN2-8
EXIN
Note1)
7
7
IN1-7
MTKC011150AD
UL1007 24AWG BU
UL1007 24AWG BU
Note1) Connector pin arrangement is not sequential.
MOLEX
1PT2P
5559-08P-210
8
7
6
5
4
3
2
1
To
1PT2R
(P007)
MTKC011145AD
MOLEX
1B1322P
5559-06P-210
6
5
4
3
2
1
MOLEX
1B1322R
5557-06R-210
6
5
4
3
2
1
BK
BK/WH
YE/WH
YE
RD/WH
RD
GN/WH
GN
BN/WH
BN
UL2464 (SPV840) 6P×24AWG(11/0.16TA) LF BK
UL1007 24AWG BU
3
4
BU/WH
BU
AMP
B1320P
177907-1
3
2
1
AMP
B1321P
177907-1
3
2
1
AMP
B1322P
177907-1
3
2
1
AMP
B1323P
177907-1
3
2
1
GN/WH
GN
BK/WH
BK
RD/WH
RD
AMP
B1304TP
177907-1
3
2
1
UL1007 24AWG BU
UL1007 24AWG BU
UL1007 24AWG BU
UL1007 24AWG BU
UL2464 (SPV840) 3P×24AWG(11/0.16TA) LF BK
-B1320
CDQSBS12-20-DCL7078L
BN
BU
SMC
マガジン左側 パレット飛出し防止駆動 開
Magazine over flow prevention drive Open
(Left side)
-B1321
CDQSBS12-20-DCL7078L
BN
BU
SMC
マガジン左側 パレット飛出し防止駆動 閉
Magazine over flow prevention drive Close
(Left side)
AMP
B1320R
177899-1
3
2
1
AMP
B1321R
177899-1
3
2
1
マガジン右側 パレット飛出し防止駆動 開
Magazine over flow prevention drive Open
(Right side)
マガジン右側 パレット飛出し防止駆動 閉
Magazine over flow prevention drive Close
(Right side)
-B1322
CDQSBS12-20-DCL7078L
BN
BU
SMC
-B1323
CDQSBS12-20-DCL7078L
BN
BU
SMC
AMP
B1322R
177899-1
3
2
1
AMP
B1323R
177899-1
3
2
1
-B1304T
E3Z-T61
BN
BU
OMRON
パレットはみ出し有無 (投光部)
Pallet over flow check;
Supply Unit
AMP
B1304TR
177899-1
3
2
1
2 1
2464C(BPF)VVP AWG#24×6P-B
3
3
2464C(BPF)VVP AWG#24×3P-B
3
Panasonic Smart Factory Solutions Co.,Ltd. パナソニック スマートファクトリーソリューションズ株式会社
Name
Drawing No.
Loc. No.
F4K1020-05A
1
2 3 4 5 6 7 8
A
B
C
D
E
F
1 2 3 4 5 6 7 8
A
B
C
D
E
F
Page. No.
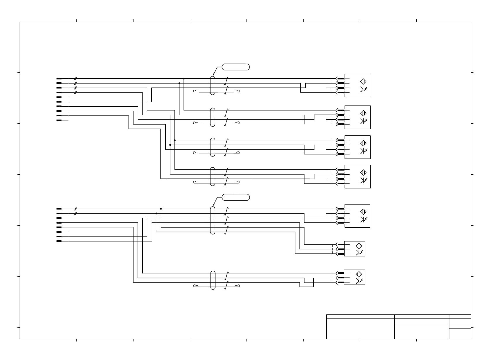
Tray Feeder Wiring ; X10
(EXIN wiring)
MTKA016614+010AD
P010

BK/WH
BK
RD/WH
RD
UL2464 (SPV840) 2P×24AWG(11/0.16TA) LF BK
From
PT2R
(P007)
MTKC011146AD
TP軸引き出し位置2 (吸着側)
TP moving the lever Detection (take up unit side)
JST
B1355R
PAP-04V-S
4
3
2
1
P24
OUT1
OUT2
GND
1
2
3
4
-B1355
PM-Y65
Panasonic
From
PT1R
(P007)
BK/WH
BK
RD/WH
RD
UL2464 (SPV840) 2P×24AWG(11/0.16TA) LF BK
BK/WH
BK
RD/WH
RD
UL2464 (SPV840) 2P×24AWG(11/0.16TA) LF BK
BK/WH
BK
RD/WH
RD
UL2464 (SPV840) 2P×24AWG(11/0.16TA) LF BK
TP +OVR Detection
JST
B1353R
PAP-04V-S
4
3
2
1
P24
OUT1
OUT2
GND
1
2
3
4
-B1353
PM-Y65
Panasonic
TP -OVR Detection
JST
B1352R
PAP-04V-S
4
3
2
1
P24
OUT1
OUT2
GND
1
2
3
4
-B1352
PM-Y65
Panasonic
TP軸引き出し位置(マガジン側)
TP moving the lever Detection (magazine side)
JST
B1354R
PAP-04V-S
4
3
2
1
P24
OUT1
OUT2
GND
1
2
3
4
-B1354
PM-Y65
Panasonic
吸着部高さ確認
Check height of take up unit
JST
B1313R
PAP-04V-S
4
3
2
1
P24
OUT1
OUT2
GND
1
2
3
4
-B1313
PM-Y65
Panasonic
BK/WH
BK
RD/WH
RD
MTKC011147AD
4
3
2
1
7
6
5
8
1
2
3
4
5
6
7
8
9
10
MOLEX
PT2P
5559-08P-210
MOLEX
PT1P
5559-10P-210
引き出し軸パレット有無 (吸着側)
Pallet detection of Lift unit1 (take up unit side)
Panasonic
B1307R
CN-13
0V
OUT
+V
1
2
3
+V
OUT
0V
-B1307
PM2-LH10B
Panasonic
GN/WH
GN
UL2464 (SPV840) 3P×24AWG(11/0.16TA) LF BK
BK/WH
RD/WH
RD
UL2464 (SPV840) 2P×24AWG(11/0.16TA) LF BK
引き出し軸パレット有無 (マガジン側)
Pallet detection of Lift unit1 (magazine side)
Panasonic
B1306R
CN-13
0V
OUT
+V
1
2
3
+V
OUT
0V
-B1306
PM2-LH10B
Panasonic
2
2
1
1
2464C(BPF)VVP AWG#24×2P-B
3
2464C(BPF)VVP AWG#24×2P-B
3
2464C(BPF)VVP AWG#24×2P-B
3
2464C(BPF)VVP AWG#24×2P-B
3
2464C(BPF)VVP AWG#24×2P-B
3
2464C(BPF)VVP AWG#24×3P-B
3
3
3
Panasonic Smart Factory Solutions Co.,Ltd. パナソニック スマートファクトリーソリューションズ株式会社
Name
Drawing No.
Loc. No.
F4K1020-05A
1
2 3 4 5 6 7 8
A
B
C
D
E
F
1 2 3 4 5 6 7 8
A
B
C
D
E
F
Page. No.
Tray Feeder Wiring ; X10
(Withdraw unit sensor wiring)
MTKA016614+011AD
P011

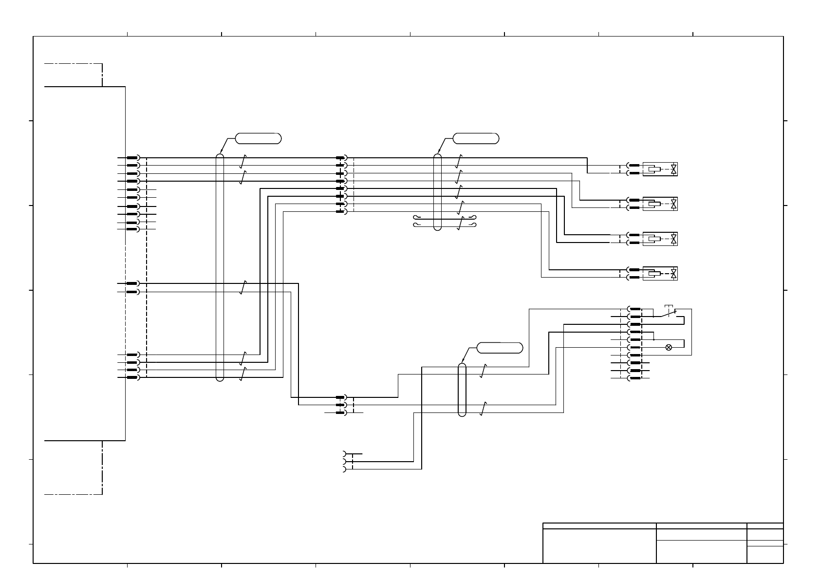
-K301
PNF0AT #1
Tray control board
-A05
Tray Control box
OUT1
3
11
OP4
+24 V
OP5
+24 V
OP6
+24 V
OP7
+24 V
9
1
10
2
11
3
12
4
MOLEX
OUT1K301
43025-1600
マガジン部パレット飛出し防止
Magazine over flow Prevention
-R401
VQZ1221-5LZ1-C4-X550-Q
SMC
OP2
+24 V
OP1
+24 V
OP0
+24 V
OP3
+24 V
13
5
16
8
15
7
14
6
マガジンドアロック 開
Magazine door Unlock
-R404
VQZ1121-5LZ1-C4-X550-Q
SMC
-R405
VQZ1121-5LZ1-C4-X550-Q
SMC
マガジンドアロック 閉
Magazine door Lock
Note1)
Note1) Connector pin arrangement is not sequential.
BK/WH
BK
RD/WH
RD
BN/WH
BN
GN/WH
YE/WH
YE
2
10
1
9
GN
補給部パレット飛出し防止
Supply table pallet over flow
Prevention
-R402
VQZ1221-5LZ1-C4-X550-Q
SMC
GN/WH
GN
BK/WH
BK
RD/WH
RD
MTKC011148AD
4
12
A3UL-TBU-3A1C-M-S
OMRON
-S01
JST
B10B-PASK
1
2
3
4
5
6
7
8
9
10
JST
S01R
PAP-10V-S
10
9
8
7
6
5
4
3
2
1
MTKC011149AD
補給完了SW
Supply completion SW
BK/WH
BK
RD/WH
RD
AMP
1S01R
177899-1
3
2
1
AMP
1S01P
177907-1
3
2
1
AMP
2S01R
177899-1
3
2
1
UL2464 (SPV840) 2P×24AWG(11/0.16TA) LF BK
MOLEX
1R402P
5559-08P-210
8
7
6
5
4
3
2
1
MOLEX
1R402R
5557-08R-210
8
7
6
5
4
3
2
1
-
+
SMC
R401R
SY100-29-1
-
+
SMC
R402R
SY100-29-1
-
+
SMC
R404R
SY100-29-1
-
+
SMC
R405R
SY100-29-1
From
2S01P
(P008)
MTKC011158AD
YE/WH
YE
BN/WH
BN
UL2464 (SPV840) 5P×24AWG(11/0.16TA) LF BK
UL2464 (SPV840) 5P×24AWG(11/0.16TA) LF BK
5
13
7
15
8
16
6
14
2 2
1
1
2
1
2464C(BPF)VVP AWG#24×5P-B
3
3
2464C(BPF)VVP AWG#24×5P-B
3
3
2464C(BPF)VVP AWG#24×2P-B
3
3
Panasonic Smart Factory Solutions Co.,Ltd. パナソニック スマートファクトリーソリューションズ株式会社
Name
Drawing No.
Loc. No.
F4K1020-05A
1
2 3 4 5 6 7 8
A
B
C
D
E
F
1 2 3 4 5 6 7 8
A
B
C
D
E
F
Page. No.
Tray Feeder Wiring ; X10
(Out1 wiring)
MTKA016614+012AD
P012