N7205A130B - 第28页
在线预览 N7205A130B PDF 文档。

1.
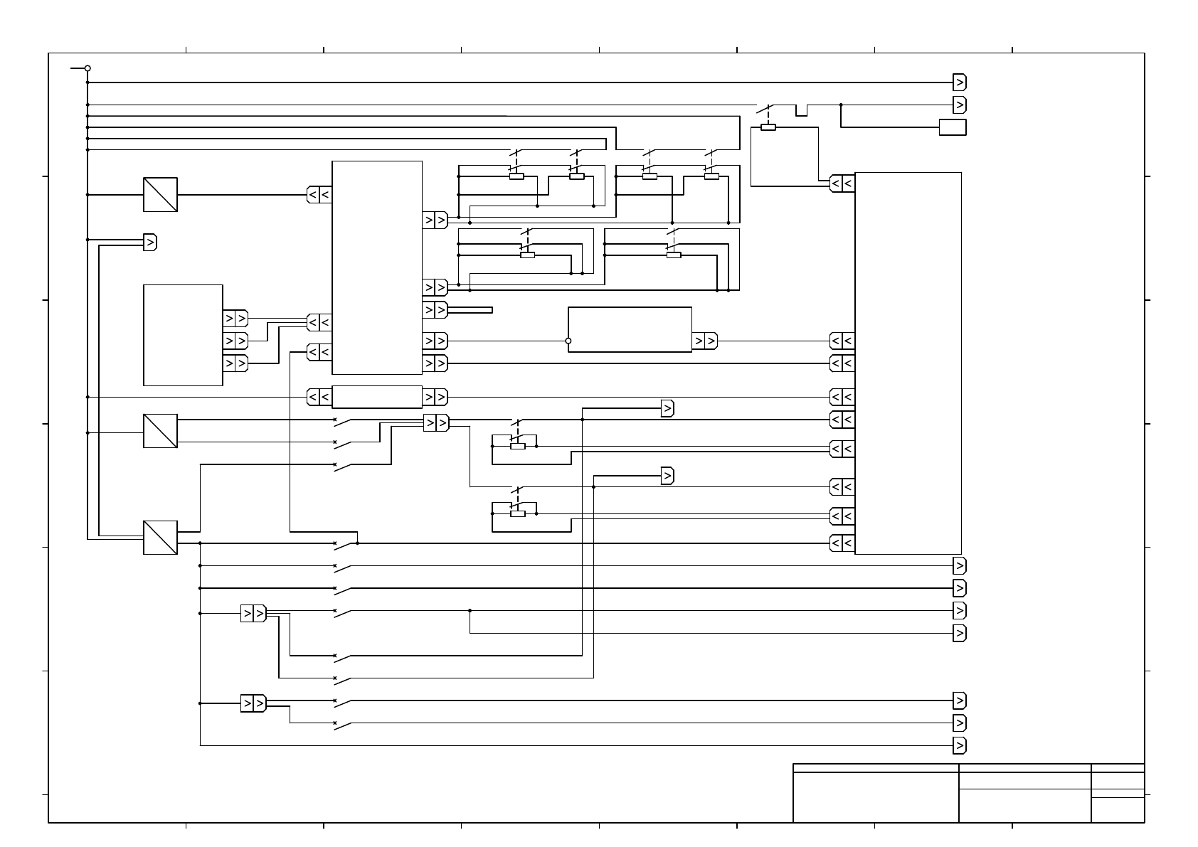
CONTROL BOX DIAGRAM
コントロール BOX 配線図
1-2 POWER UNIT
パワーユニット
EJM9DB-10-102-00

3~200V
-X111
A2
-K211
CN Board : Safety
-K313
-T112
DC24
AC200
CNMC
CNSR1
SIO Board
PNF0C2
CNTC1
PUMP
CNSC
Safety Controller
-K114
INPUT/OUT/TEST
RS232C
CN232
PNF0AN
-K312
CN1
CNX2
CNX1
T2
-T121
DC48
AC200
-F130
-F131
CNHPF
CNHPONF
-T111
DC24
AC200
-F124
-F128
CN24V
TP1P
TP2P
-F121
-F122
MCFP
MCRP
CNS24V
To Option
To Vacuum Pump
To Transfer Board #1
To Transfer Board #2
To Multi Recognition Camera (Front)
To Multi Recognition Camera (Rear)
To Type2
-K311
-K212
-K217
-F221
Surge Killer
G9SP-N20S
-F123
CNSB1/2
CNSB1/2
-K213 -K214
-K111 -K112
CNSR2
K215
-F125
CNHPR
CNHPONR
K216
HFPW To Head1 Power (Front)
HRPW To Head2 Power (Rear)
-F126
CAF24VP
CAR24VP
To Cart (Front)
To Cart (Rear)
-F127
Safety Connection
-K113
CN1
CN3
CN2
CNTOS
G9SC-PF
CN24V1
AD24P To NPM Head
-F129
PDG14042A
Panasonic Smart Factory Solutions Co.,Ltd. パナソニック スマートファクトリーソリューションズ株式会社
Name
Drawing No.
Loc. No.
F4K1020-05A
1 2 3 4 5 6 7 8
A
B
C
D
E
F
1 2 3 4 5 6 7 8
A
B
C
D
E
F
Page. No.
Power Unit (NPM X)
Block Diagram
MTKA016685+002AA
P002