N7205A130B - 第319页
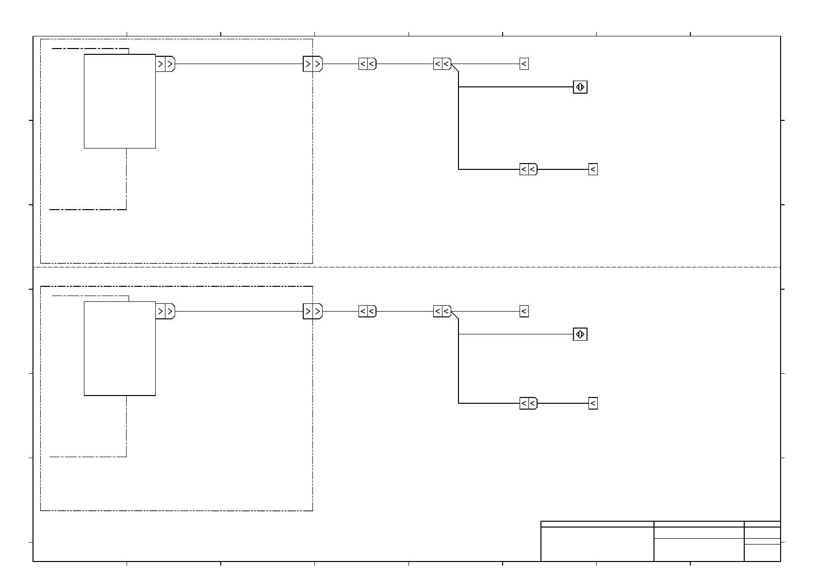
-K311B CNEXR Transpotasion opening sensor PNF0C2 POWER UNIT +A11B SIO board -B1901T CNEXR Main Body wiring -B1901 For Option Unit Next to machine(Right side) Main Body wiring 1B1900L CNEXL/ CNEXR/ 1B1900R -K311A CNEXL Tr…

-K311B
CNEXR
Transpotasion opening sensor
PNF0C2
POWER UNIT
+A11B
SIO board
-B1901T
CNEXR
Main Body wiring
-B1901
For Option Unit
Next to machine(Right side)
Main Body wiring
1B1900L CNEXL/
CNEXR/
1B1900R
-K311A
CNEXL
Transpotasion opening sensor
PNF0C2
POWER UNIT
+A11A
SIO board
-B1900T
CNEXL
-B1900
Next to machine(Left side)
※ Left Extension Conveyor Unit
1B1900R CNEXR/
For Option Unit
1B1900L
CNEXL/
※ Right Extension Conveyor Unit
1
1
1
(NPM-DX)
2
Wiring
2
Wiring
2
Panasonic Smart Factory Solutions Co.,Ltd. パナソニック スマートファクトリーソリューションズ株式会社
Name
Drawing No.
Loc. No.
F4K1020-05A
1 2 3 4 5 6 7 8
A
B
C
D
E
F
1 2 3 4 5 6 7 8
A
B
C
D
E
F
Page. No.
Extension Conveyor Unit (NPM X)
(Block Diagram)
MTKA003998+002AC
P002

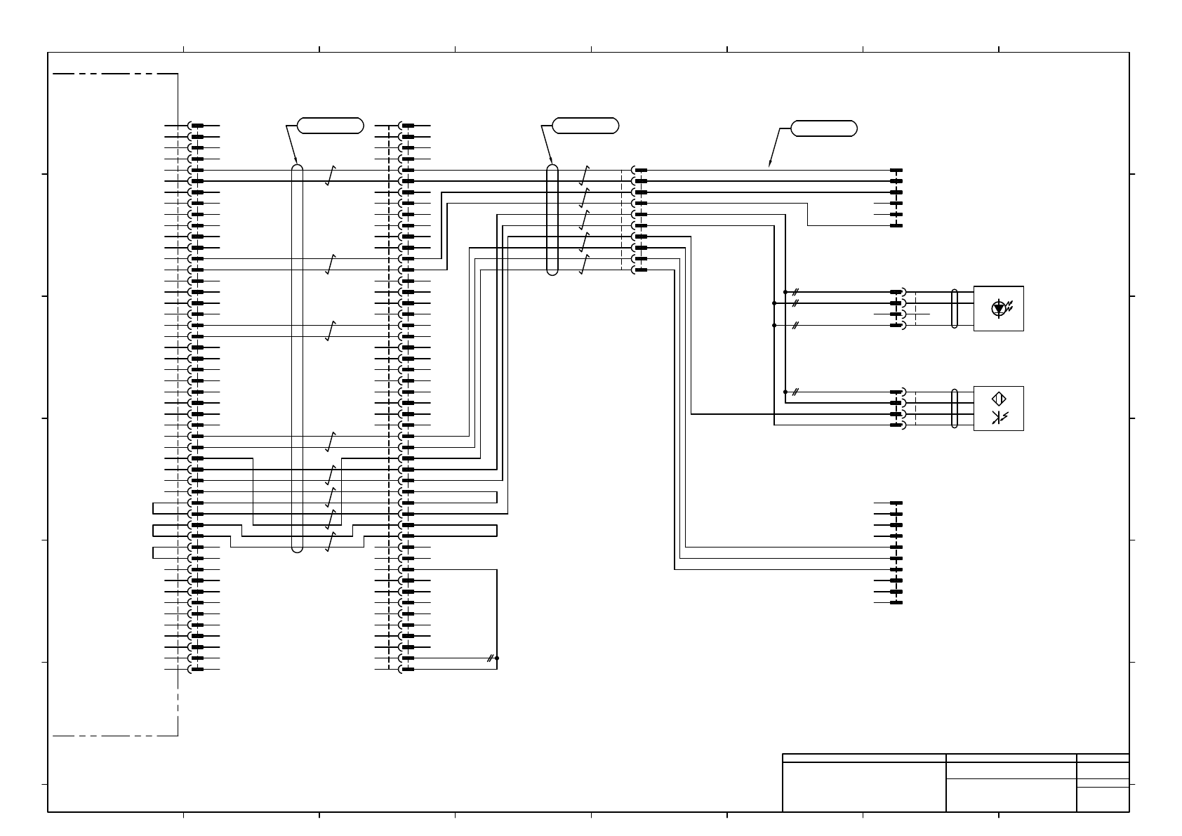
To 1B1900L (P004)
CNEXL
A1
A2
A3
A4
A5
A6
A7
A8
B1
B2
B4
B5
B6
C1
C2
C3
C4
C5
C6
D4
D1
E8
D8
E7
E10
E6
B3
V24(M)
GND(M)
V24(M)
GND(M)
V24(C)
GND(C)
IN220
IN221
OUT220
OUT221
OUT222
OUT036
D+MAIN
D-MAIN
OUT223
OUT224
OUT225
OUT037
D+SUB
D-SUB
IN222
IN223
OUT226
OUT227
IN207
+24V(C)
GND(C)
IN117
V24XLA
G24XLA
OPENLA
24V_CN3K121
24GND_CN3K121
RLL
Main Body
From
Left Side
Connector
A9
E5
D3
E4
E3
E1
A10
E2
E9
D5
D6
D7
B7
C10
B8
B9
C7
B10
C8
C9
D2
D9
D10
MOLEX
CNEXL
55836-5001
A1
A2
A3
A4
A5
A6
A7
A8
B1
B2
B3
B4
B5
B6
C1
C2
C3
C4
C5
C6
D4
D5
D6
D7
D1
E8
D8
E10
E7
E6
E5
A9
D3
E4
E3
A10
E1
E2
E9
C10
B7
B8
B9
B10
C7
C8
C9
D2
D9
D10
Note1)
MOLEX
CNEXR
54332-5001
C10
E9
D2
B9
B8
B7
B10
C9
C8
C7
D10
D9
E4
E3
E5
E1
E2
E6
E7
A10
D3
A9
E10
E8
D8
D1
D7
D6
D5
D4
C6
C5
C4
C3
C2
C1
B6
B5
B4
B3
B2
B1
A8
A7
A6
A5
A4
A3
A2
A1
Note1)
MOLEX
CNEXR/
51233-5011
A1
A2
A3
A4
A5
A6
A7
A8
B1
B2
B3
B4
B5
B6
C1
C2
C3
C4
C5
C6
D4
D5
D6
D7
D1
D8
E8
E10
A9
D3
A10
E7
E6
E2
E1
E5
E3
E4
D9
D10
C7
C8
C9
B10
B7
B8
B9
D2
E9
C10
Note1)
MOLEX
1B1900R
5557-10R-210
10
9
8
7
6
5
4
3
2
1
MOLEX
1B1900R/L
5559-10P-210
1
2
3
4
5
6
7
8
9
10
2464C(BPF)VVP AWG#24×5P-B
BN/WH
BN
YE/WH
YE
GN/WH
GN
BK/WH
BK
RD/WH
RD
UL1007 24AWG BU BU
UL1007 24AWG BU BU
Left side
Transportation opening
sensor (projection)
-B1900T
BN
BK
BU
Left side
Transportation opening
sensor (Receive)
-B1900
BN
PK
BK
BU
UL1007 24AWG BU BU
UL1007 24AWG BU BU
UL1007 24AWG BU BU
UL1007 24AWG BU BU
UL1007 24AWG BU BU
UL1007 24AWG BU BU
UL1007 24AWG BU BU
AMP
B1900/1TP
177908-1
4
3
2
1
AMP
B1900/1P
177908-1
4
3
2
1
AMP
B1900/1TR
177900-6
4
3
2
1
AMP
B1900/1R
177900-6
4
3
2
1
MOLEX
1RS485P
5559-06P-210
6
5
4
3
2
1
MOLEX
1B1900L/R
5559-10P-210
10
9
8
7
6
5
4
3
2
1
UL1007 24AWG BU BU
UL1007 24AWG BU BU
GY/WH
GY
BU/WH
BU
BN/WH
BN
YE/WH
YE
GN/WH
GN
BK/WH
BK
RD/WH
RD
For OPTION
Note1) Connector Pin arrangement is not sequential.
※ Left Extension Conveyor Unit
MTKC002426AC MTKC002465AC
MTKC002504AA
UL1007 24AWG BU BU
UL1007 24AWG BU BU
UL1007 24AWG BU BU
UL1007 24AWG BU BU
UL1007 24AWG BU BU
UL1007 24AWG BU BU
UL1007 24AWG BU BU
1
C10
1
C10
OG/WH
OG
2464C(BPF)VVP AWG#24×8P-B
1 1
2464-1061/ⅡA(PF)LF 7P×24AWG
1
1
1
2464-1061/ⅡA(PF)LF 5P×24AWG
1
(NPM-DX)
2
Wiring
2
3
3
Panasonic Smart Factory Solutions Co.,Ltd. パナソニック スマートファクトリーソリューションズ株式会社
Name
Drawing No.
Loc. No.
F4K1020-05A
1 2 3 4 5 6 7 8
A
B
C
D
E
F
1 2 3 4 5 6 7 8
A
B
C
D
E
F
Page. No.
Extension Conveyor Unit (NPM X)
(Left Extension Conveyer I/F 1)
MTKA003998+003AD
P003