N7205A130B - 第326页
在线预览 N7205A130B PDF 文档。

4.
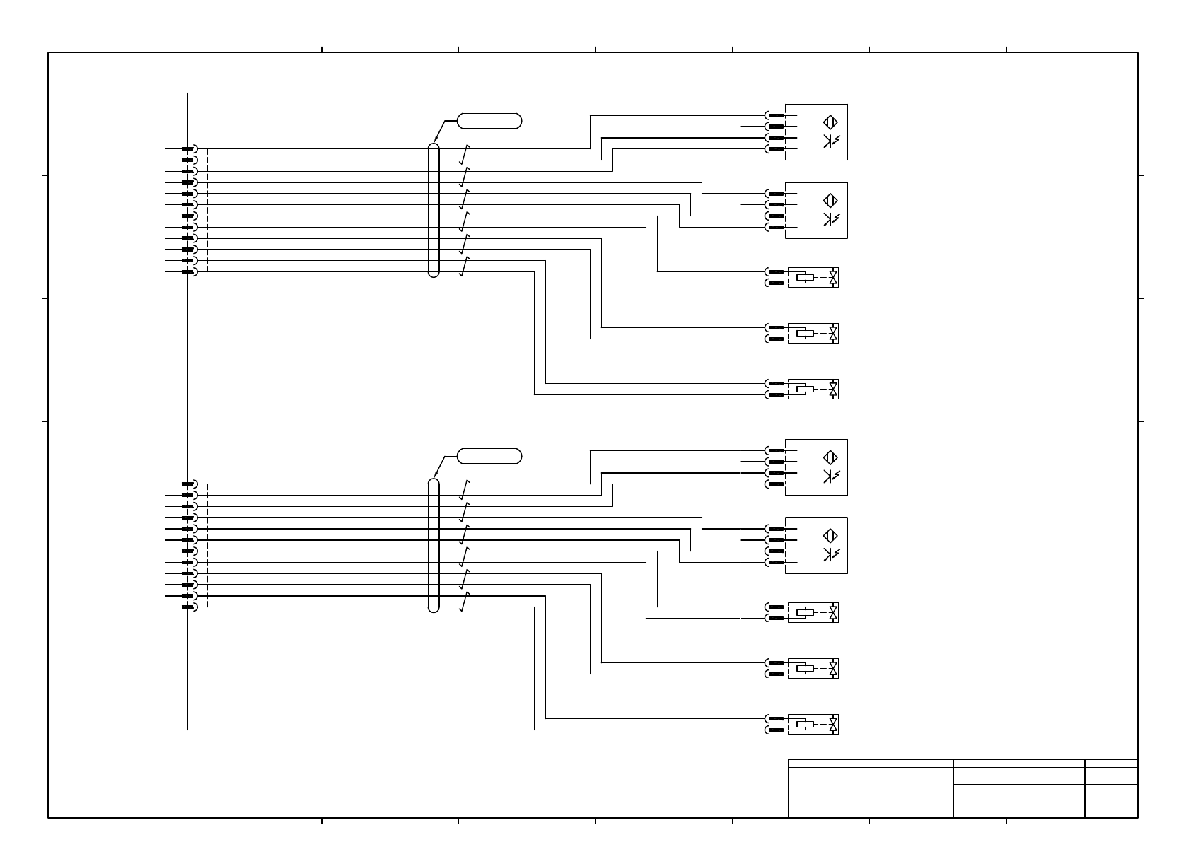
LOAD WIRING DIAGRAM OPTION
負荷配線図 オプション
4-18 SINGLE CONVEYOR (REAR REFERENCE)
SUPPORT WIRING
シングルコンベア奥基準対応配線
(
本体部用
)
EJM9DB-10-418-00

CNUP1
EX+24V
IN224
24GND
1
2
3
EX+24V
IN225
24GND
4
5
6
EX+24V
OUT210
EX+24V
OUT211
EX+24V
OUT212
7
8
9
10
11
12
SIO Board
-K311
PNF0C2
L1 PCB Support Up (Mount Position #1)
L1 PCB Support Down (Mount Position #1)
-
+
-
+
-R4210
-R4211
CKD
R4210R
4G-SOCKET-SET-FL388859
CKD
R4211R
4G-SOCKET-SET-FL388859
JST
UP1_K311
PUDP-12V-S
1
2
3
4
5
6
7
8
9
10
11
12
JST
B1224R
PAP-04V-S
4
3
2
1
P24
OUT1
OUT2
GND
1
2
3
4
-B1224
JST
B1225R
PAP-04V-S
4
3
2
1
P24
OUT1
OUT2
GND
1
2
3
4
-B1225
L1 PCB Support Upper (Mount Position #1)
L1 PCB Support Lower (Mount Position #1)
MTKC007208**
BK/WH
BK
RD/WH
RD
GN/WH
GN
YE/WH
YE
BN/WH
BN
L1 PCB Support Up/Down Speed Change (Mount Position #1)
-
+
-R4212
SMC
R4212R
SY100-29-1
BU/WH
BU
2464C(BPF)VVP AWG#24×6P-B
CNUP3
EX+24V
IN724
24GND
1
2
3
EX+24V
IN725
24GND
4
5
6
EX+24V
OUT710
EX+24V
OUT711
EX+24V
OUT712
7
8
9
10
11
12
L1 PCB Support Up (Mount Position #2)
L1 PCB Support Down (Mount Position #2)
-R4710
-R4711
P24
OUT1
OUT2
GND
1
2
3
4
-B1724
P24
OUT1
OUT2
GND
1
2
3
4
-B1725
L1 PCB Support Upper (Mount Position #2)
L1 PCB Support Lower (Mount Position #2)
JST
UP3_K311
PUDP-12V-S
1
2
3
4
5
6
7
8
9
10
11
12
MTKC007210**
BK/WH
BK
RD/WH
RD
GN/WH
GN
YE/WH
YE
BN/WH
BN
-
+
-
+
CKD
R4710R
4G-SOCKET-SET-FL388859
CKD
R4711R
4G-SOCKET-SET-FL388859
JST
B1724R
PAP-04V-S
4
3
2
1
JST
B1725R
PAP-04V-S
4
3
2
1
L1 PCB Support Up/Down Speed Change (Mount Position #2)
-
+
-R4712
SMC
R4712R
SY100-29-1
BU/WH
BU
2464C(BPF)VVP AWG#24×6P-B
Panasonic Smart Factory Solutions Co.,Ltd. パナソニック スマートファクトリーソリューションズ株式会社
Name
Drawing No.
Loc. No.
F4K1020-05A
1 2 3 4 5 6 7 8
A
B
C
D
E
F
1 2 3 4 5 6 7 8
A
B
C
D
E
F
Page. No.
Single Conveyor (Rear Reference) (NPM-WX)
(Board Holder Wiring)
MTKA017574+002AA
P002