N7205A130B - 第33页
UL1007 16AWG BU UL1007 16AWG BU PLA30F-24 Cosel (0.7A) -T112 AC(L) AC(N) +V -V +V +VaT112 FK1.25-M3 JST -VaT112 -VbT112 FK1.25-M3 JST AC(L)aT112 AC(N)aT112 R1.25-3.5 ET112 CP30-BA 1P 1-F 10A Mitsubishi Electric 1 1 2 2 -…

UL1007 24AWG BU
UL1007 24AWG BU
UL1015 16AWG BK
-K312
PNF0AN
FK2-M3
JST
1aK217
3aK217
5aK217
FK1.25-M3
JST
A1aK217
FK1.25-M3
JST
95aK217
97aK217
-K217
MSOD-Q11KP 1.3A 200V DC24V
Mitsubishi Electric
1
3
5
13
A1
2
4
6
14
A2
96
98
95
97
A2aK217
FK1.25-M3
JST
2aK217
FK2-M3
JST
2bK217
4aK217
4bK217
6aK217
6bK217
96aK217
FK1.25-M3
JST
98aK217
-K311
PNF0C2
SIO Board
AMP
1_K312
1-178128-4
4
3
2
1
AMP
PUMP
2-179553-4
4
3
2
1
JST
X1_K311
PAP-05V-S
5
4
3
2
1
AMP
X2_K312
1-178288-5
5
4
3
2
1
JST
TC1_K311
PAP-04V-S
4
3
2
1
W1 P003-3B
W1 P003-3C
W1 P003-3D
W1 P003-3B
W1 P003-3C
W1 P003-3D
W1 P003-3E
W1 P003-3E
MTKC001051AG
MTKC001052AF
MTKC001054AE MTKC001053AF
MTKC001047AD
MTKC001046AE
MTKC001045AE
MTKC001044AE
To Vacuum Pump
JST
1_T111
PHDR-10VS
1
2
3
4
5
6
7
8
9
10
-T121
HWS600P-48
TDK-Lambda
-T111
PLA600F-24-XPFS
Cosel
JST
FAND_K311
PAP-03V-S
3
2
1
JST
FANE_K311
PAP-03V-S
3
2
1
MTKC001235AE
MTKC001236AE
CNX1
L1-L3
GND
L1-L2
1
2
3
GND
N.C.
4
5
CNTC1
IN146/546
24GND
OUT046/446
1
2
3
24GND
4
CN-FAND
24VOUT
IN037/437
24GND
1
2
3
CN-FANE
24VOUT
IN134/534
24GND
1
2
3
CN1
L1
L2
L3
1
2
3
FG
4
CN1
1
2
3
4
5
6
7
8
CN1
N.C.
1
2
3
4
5
6
FAN ALARM
FAN ALARM GND
7
8
9
10
N.C.
N.C.
N.C.
N.C.
N.C.
N.C.
N.C.
CNX2
L1-3
1
2
3
4
5
L1-3COM
L1-2
L1-2COM
N.C.
FK2-M3
JST
U_F221
V_F221
W_F221
UN-SA33
Mitsubishi Electric
-F221
MTKC002601AC
MTKC002602AC
MTKC002600AC
COM
PC
N.C.
N.C.
CNT
TOG
PF
TOG
JST
1_T121
PHDR-08VS
8
7
6
5
4
3
2
1
CN-FANG
24VOUT
IN136/536
24GND
1
2
3
JST
FANG_K311B
PAP-03V-S
3
2
1
IN136/536 P007-1B
UL1015 16AWG BK BK
UL1015 16AWG BK BK
UL1015 16AWG BK BK
UL1007 22AWG BU BU
UL1015 16AWG BK BK
UL1015 16AWG BK BK
BK
UL1015 16AWG BK BK
UL1015 16AWG BK
BK
UL1015 16AWG BK BK
UL1015 16AWG BK BK
UL1015 16AWG BK
BK
UL1015 16AWG BK BK
UL1015 16AWG BK BK
UL1007 22AWG BU BU
UL1007 22AWG BU BU
UL1007 22AWG BU BU
UL1007 22AWG BU BU
UL1007 22AWG BU BU
UL1007 22AWG BU BU
UL1007 22AWG BU BU
UL1007 22AWG BU BU
UL1007 24AWG BU BU
UL1007 24AWG BU BU
UL1007 24AWG BU BU
BU
BU
UL1015 16AWG GN/YE GN/YE
1
1
1
1
1
1
1
1
1
1
1
1
1
Panasonic Smart Factory Solutions Co.,Ltd. パナソニック スマートファクトリーソリューションズ株式会社
Name
Drawing No.
Loc. No.
F4K1020-05A
1 2 3 4 5 6 7 8
A
B
C
D
E
F
1 2 3 4 5 6 7 8
A
B
C
D
E
F
Page. No.
Power Unit (NPM X)
Vacuum Pump
MTKA016685+005AB
P005

UL1007 16AWG BU
UL1007 16AWG BU
PLA30F-24
Cosel
(0.7A)
-T112
AC(L)
AC(N)
+V
-V
+V
+VaT112
FK1.25-M3
JST
-VaT112
-VbT112
FK1.25-M3
JST
AC(L)aT112
AC(N)aT112
R1.25-3.5
ET112
CP30-BA 1P 1-F 10A
Mitsubishi Electric
1 1 2 2
-F124
2aF124
FK2-4
JST
FK2-4
JST
1aF124
AC(L)aT111
FK2-M3
JST
AC(L)bT111
AC(N)aT111
AC(N)bT111
R2-3.5
ET111
+V1aT111
FK2-4
JST
-V1aT111
FK1.25-4
-V2aT111
-V3aT111
+V3bT111
-V3bT111
-V1bT111
+V3aT111
-V2bT111
W1 P003-3E
W1 P003-3E
PLA600F-24
Cosel
-T111
AC(L)
AC(N)
A +V1
+V2
+V3
+V4
-V1
-V2
-V3
-V4
FK1.25-4
JST
AC(L)aT121
AC(L)bT121
AC(N)aT121
AC(N)bT121
R2-4
ET121
W1 P003-3C
W1 P003-3C
CP30-BA 1P 1-F 10A
Mitsubishi Electric
1 1 2 2
-F130
+V1aT121
FK2-5
JST
2aF130
FK1.25-4
JST
FK2-4
JST
1aF130
MTKC001056AF
MTKC001055AF
MTKC001060AG
MTKC001059AF
MTKC001065AF
MTKC001062AF
MTKC001063AF
CP30-BA 1P 1-F 10A
Mitsubishi Electric
1 1 2 2
-F131
2aF131
FK1.25-4
JST
FK2-4
JST
1aF131
+V2aT121
W1 P003-3E
To Type2
-V1aT121
FK5.5-5
2bF124
-V4bT111
MTKC001066AG
MTKC001071AF
CP30-BA 1P 1-F 10A
Mitsubishi Electric
1 1 2 2
-F125
2aF125
FK1.25-4
JST
FK2-4
JST
1aF125
CP30-BA 1P 1-F 10A
Mitsubishi Electric
1 1 2 2
-F128
2aF128
FK1.25-4
JST
FK2-4
JST
1aF128
To
Transfer Board #1
To
Transfer Board #2
-V2aT121
AMP
T2
1-179555-3
B3
B2
B1
A3
A2
A1
24V2 P007-6B
24GND2 P007-6B
MTKC001068AE
MTKC001069AE
MTKC001070AF
MTKC001057AF
MTKC000688AF
MTKC001061AF
MTKC001064AH
MTKC001058AF
W1 P003-3E
+V3aT111 P008-1D
-V3aT111 P008-1D
CP30-BA 1P 1-F 10A
Mitsubishi Electric
1 1 2 2
-F129
FK1.25-4
JST
1aF129
MOLEX
TP2P
5559-08P-210
8
7
6
5
4
3
2
1
-V4aT111
+V4aT111
MTKC001213AF
MTKC001215AE
AMP
AD24P
177908-1
4
3
2
1
To
NPM Head
MTKC001214AF
2bF128
2aF129
FK1.25-4
JST
2bF129
MTKC001072AF
MTKC006120AD
R-CONV
F-CONV
I/O 24V
FR H24V
R-48V
F-48V
W1 P003-3C
W1 P003-3D
AMP
F48P
177911-1
9
8
7
6
5
4
3
2
1
AMP
R48P
177911-1
9
8
7
6
5
4
3
2
1
1bF125
MOLEX
TP1P
5559-08P-210
8
7
6
5
4
3
2
1
1bF128
+V3bT111 P008-1A
-V3bT111 P008-1A
AMP
F48R
177903-1
9
8
7
6
5
4
3
2
1
AMP
R48R
177903-1
9
8
7
6
5
4
3
2
1
MTKC004150AC
MTKC004151AC
+V2aT111
-T121
HWS600P-48
TDK-Lambda
AC(L)
AC(N)
A +V1
+V2
-V1
-V2
2bF125
HFPW-11 P007-3B
HFPW-2 P007-3A
HFPW-6 P007-3B
1aK215 P007-1B
1aK216 P007-1E
HRPW-11 P007-3D
HRPW-2 P007-3D
HRPW-6 P007-3D
MTKC006121AD
HPR-5 P007-6E
HPF-5 P007-6C
24GND P007-6D
24VIN P007-6D
24V1 P007-1A
W1 P003-3E
UL1015 14AWG BK
BK
UL1015 14AWG GN/YE
GN/YE
UL1015 14AWG BK
BK
UL1015 16AWG BK BK
UL1015 16AWG GN/YE
GN/YE
UL1015 16AWG BK BK
UL1015 16AWG BK BK
UL1015 16AWG BK BK
UL1015 16AWG BK BK
UL1015 16AWG GN/YE GN/YE
UL1015 16AWG BK BK
UL1007 16AWG BU BU
UL1007 16AWG BU BU
UL1015 16AWG BK BK
UL1007 16AWG BU BU
UL1007 16AWG BU
BU
UL1007 16AWG BU BU
UL1007 16AWG BU BU
BU
UL1007 16AWG BU BU
UL1007 16AWG BU BU
UL1007 16AWG BU BU
UL1007 16AWG BU BU
UL1007 16AWG BU BU
UL1007 16AWG BU BU
UL1007 16AWG BU BU
BU
UL1007 16AWG BU BU
UL1007 16AWG BU BU
UL1007 16AWG BU BU
UL1015 14AWG BU
BU
UL1015 14AWG BU
BU
UL1007 18AWG BU BU
UL1007 18AWG BU
BU
UL1007 22AWG BU BU
UL1007 22AWG BU BU
UL1007 20AWG BU BU
UL1007 20AWG BU BU UL1007 20AWG BU BU
UL1007 20AWG BU BU
UL1007 20AWG BU
BU
UL1007 20AWG BU BU
UL1007 20AWG BU BU
UL1007 20AWG BU
BU
UL1007 20AWG BU BU
UL1007 20AWG BU BU
UL1007 20AWG BU
BU
UL1007 20AWG BU BU
UL1007 20AWG BU BU
UL1007 20AWG BU
BU
UL1007 20AWG BU BU
UL1007 20AWG BU
BU
UL1007 20AWG BU BU
UL1007 20AWG BU
BU
UL1007 20AWG BU
BU
UL1007 20AWG BU BU
UL1015 16AWG BK BK
UL1015 16AWG GN/YE
GN/YE
UL1015 16AWG BK BK
1
1
1
1
1
1
1
1
1
1
1
1
1
1
1
1
1
1
1
1
1
1
1
1
1
Panasonic Smart Factory Solutions Co.,Ltd. パナソニック スマートファクトリーソリューションズ株式会社
Name
Drawing No.
Loc. No.
F4K1020-05A
1 2 3 4 5 6 7 8
A
B
C
D
E
F
1 2 3 4 5 6 7 8
A
B
C
D
E
F
Page. No.
Power Unit (NPM X)
DC Power Supply
MTKA016685+006AB
P006

UL1007 22AWG BU
UL1007 22AWG BU
UL1007 22AWG BU
UL1007 22AWG BU
UL1007 22AWG BU
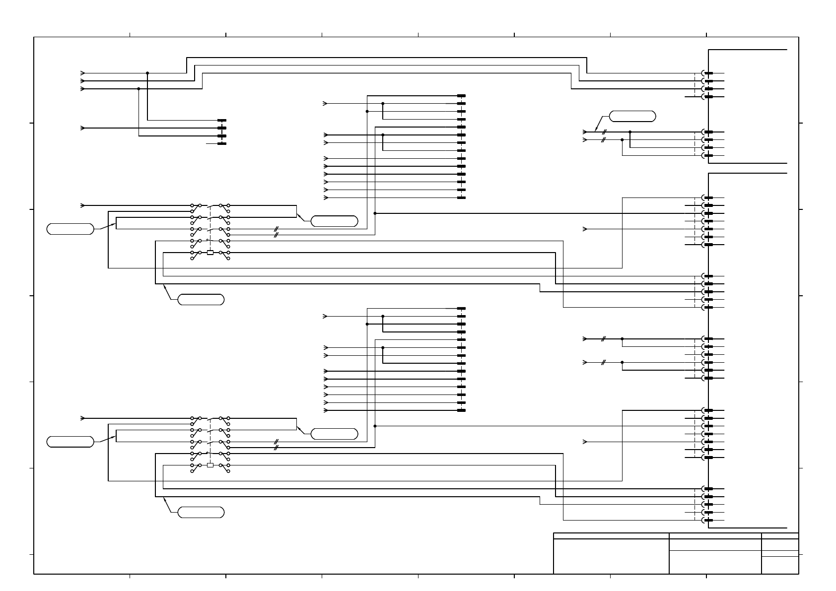
-K215
1
3
5
2
4
6
SD-Q11 DC24V1b
Mitsubishi Electric
21 22
A1 A2
2aK215
FK2-M3
JST
4aK215
FK1.25-M3
6aK215
FK1.25-M3
JST
1aK215
FK2-M3
3aK215
A1aK215 A2aK215
5aK215
-K311
PNF0C2
SIO Board
-K216
1
3
5
2
4
6
SD-Q11 DC24V1b
Mitsubishi Electric
21 22
A1 A2
2aK216
FK2-M3
JST
4aK216
FK1.25-M3
6aK216
FK1.25-M3
JST
1aK216
FK2-M3
3aK216
A1aK216 A2aK216
5aK216
1bK215
1bK216
6bK215
6bK216
JST
HPF_K311
PAP-07V-S
7
6
5
4
3
2
1
JST
HPONF_K311
XHP-5
5
4
3
2
1
JST
HPR_K311
PAP-07V-S
7
6
5
4
3
2
1
JST
HPONR_K311
XHP-5
5
4
3
2
1
MTKC001092AD
4bK216
22aK215 21aK215
22aK216 21aK216
CNHPF
24V/48VIN_F
N.C.
24V/48VOUT_F
1
2
3
N.C.
24/48GND
4
5
6
7
24/48GND
N.C.
CNHPONF
24VOUT
OUT_PW_ON_F
IN_WELD_F
1
2
3
N.C.
24VOUT
4
5
7
24/48GND
CNHPONR
24VOUT
OUT_PW_ON_R
IN_WELD_R
1
2
3
N.C.
24VOUT
4
5
24V/48VIN_R
N.C.
24V/48VOUT_R
1
2
3
N.C.
24/48GND
4
5
6
24/48GND
N.C.
CNHPR
MOLEX
HFPW
5559-14P-210
14
13
12
11
10
9
8
7
6
5
4
3
2
1
MOLEX
HRPW
5559-14P-210
14
13
12
11
10
9
8
7
6
5
4
3
2
1
MOLEX
24V_K311
5557-06R-210
6
5
4
3
2
1
W1 P006-7C
W1 P006-5F
CN24V
24VIN
1
2
3
24GND
4
5
6
24VIN
24GND
24VIN
24GND
-K313
CN Board : Safety
JST
S24V_K313
PAP-04V-S
4
3
2
1
MTKC001078AF
W1 P006-5F
W1 P006-5F
PDG14042A
CNS24V
S24V
S24GND
1
2
3
4
CN24IN
24VOUT
24GND
1
2
S24V
S24GND
24GND
3
N.C.
4
MOLEX
24IN_K313
5557-04R-210
4
3
2
1
To Head Power(Front)
To Head Power(Rear)
MTKC001077AF
MTKC001076AF
W1 P008-7C
W1 P008-7C
W1 P008-7C
W1 P008-7C
W1 P008-7C
W1 P008-7C
W1 P008-7C
W1 P008-7D
W1 P008-7D
W1 P008-7D
W1 P008-7D
W1 P008-7D
W1 P006-7A
W1 P006-7A
MTKC006122AC
MTKC001093AD
MTKC006123AC
W1 P006-7B
W1 P006-7B
W1 P006-7C
W1 P006-7C
MOLEX
FANGP
5559-04P-210
4
3
2
1
W1 P005-6E
W1 P006-7C
W1 P008-1C
W1 P008-1C
W1 P006-7A
W1 P006-7C
W1 P006-7B
W1 P006-7B
UL1007 20AWG BU BU
UL1007 20AWG BU
BU
UL1007 20AWG BU BU
UL1007 20AWG BU BU
UL1007 20AWG BU
BU
UL1007 20AWG BU BU
UL1007 20AWG BU BU UL1007 20AWG BU BU
UL1007 20AWG BU
BU
UL1007 22AWG BU BU
UL1007 22AWG BU BU
UL1007 22AWG BU BU
UL1007 22AWG BU BU
BU
UL1007 22AWG BU BU
UL1007 20AWG BU
BU
UL1007 20AWG BU BU
UL1007 20AWG BU BU
UL1007 20AWG BU
BU
UL1007 20AWG BU BU
UL1007 20AWG BU BU
UL1007 20AWG BU
BU
UL1007 20AWG BU
BU
UL1007 20AWG BU BU
UL1007 22AWG BU BU
BU
UL1007 22AWG BU BU
UL1007 22AWG BU BU
BU
UL1007 22AWG BU BU
UL1007 22AWG BU BU
UL1007 22AWG BU BU
BU
UL1007 22AWG BU BU
UL1007 22AWG BU BU
UL1007 22AWG BU
BU
UL1007 22AWG BU BU
UL1007 22AWG BU BU
BU
UL1007 22AWG BU BU
UL1007 22AWG BU BU
UL1007 20AWG BU
BU
UL1007 20AWG BU
BU
UL1007 22AWG BU BU
UL1007 16AWG BU BU
UL1007 16AWG BU BU
UL1007 16AWG BU BU
UL1007 16AWG BU BU
UL1007 16AWG BU BU
UL1007 16AWG BU BU
UL1007 18AWG BU
BU
UL1007 18AWG BU BU
UL1007 18AWG BU BU
UL1007 18AWG BU BU
UL1007 18AWG BU BU
UL1007 18AWG BU BU
UL1007 18AWG BU
BU
1
1
1
1
1
1
1
Panasonic Smart Factory Solutions Co.,Ltd. パナソニック スマートファクトリーソリューションズ株式会社
Name
Drawing No.
Loc. No.
F4K1020-05A
1 2 3 4 5 6 7 8
A
B
C
D
E
F
1 2 3 4 5 6 7 8
A
B
C
D
E
F
Page. No.
Power Unit (NPM X)
Head Power Supply
MTKA016685+007AB
P007