N7205A130B - 第53页
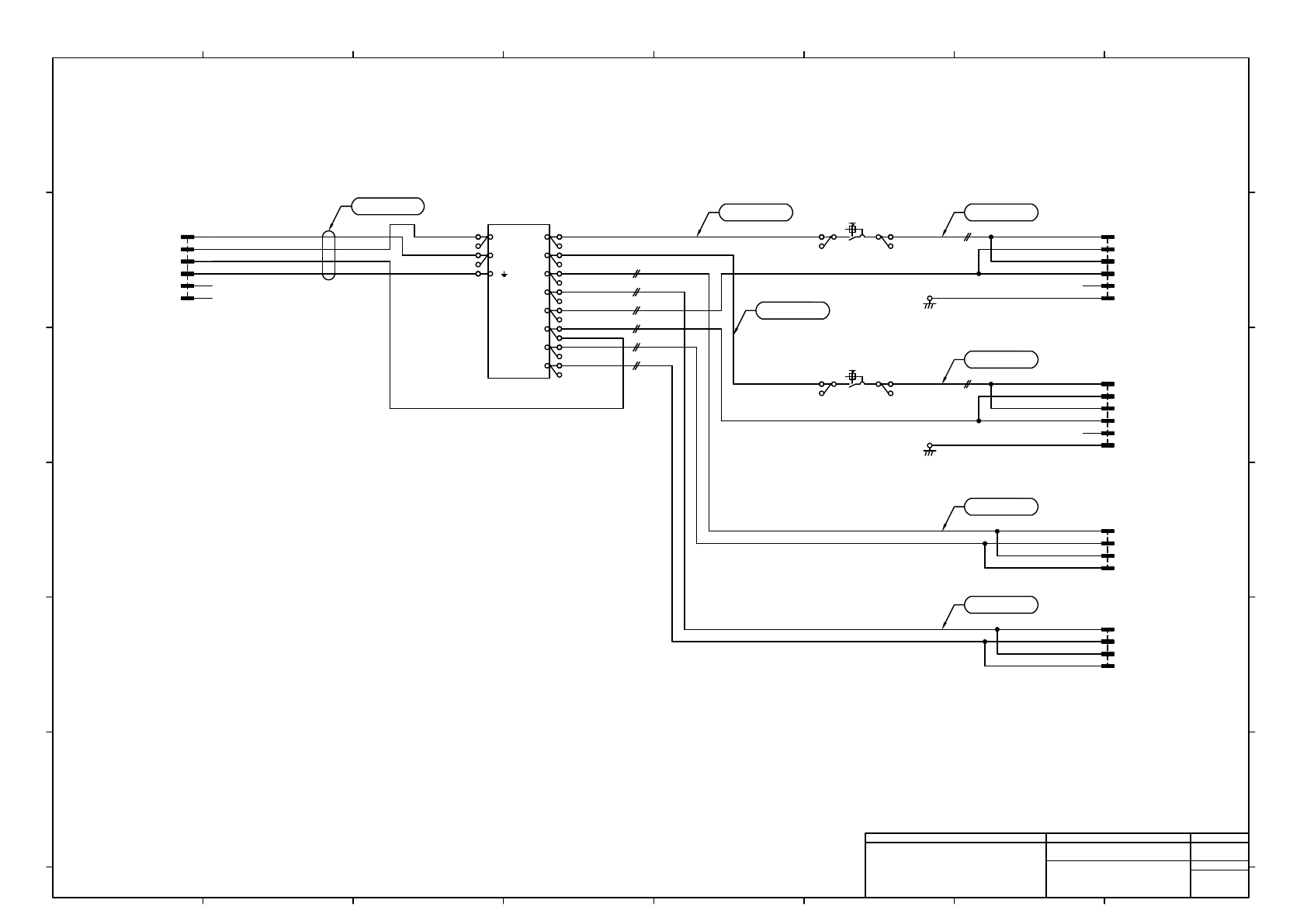
2. LOAD WIRING DIAGRAM 負荷配線図 2-1 MAIN BODY WIRING 本体部配線 EJM9DB-10-201-00

FK1.25-M3
JST
AC(L)T113
FK1.25-M3
AC(N)T113
R1.25-3.5
ET113
+V1aT113
FK1.25-4
JST
-V1aT113
PLA600F-24-XPFS
Cosel
-T113
AC(L)
AC(N)
A +V1
+V2
+V3
+V4
-V1
-V2
-V3
-V4
UL1015 16AWG BK BK
UL1015 16AWG GN/YE GN/YE
UL1007 20AWG BU
CP30-BA 1P 1-F 10A
Mitsubishi Electric
1 1 2 2
-F134
2aF134
FK1.25-4
JST
FK1.25-4
JST
1aF134
CP30-BA 1P 1-F 10A
Mitsubishi Electric
1 1 2 2
-F135
2aF135
FK1.25-4
JST
FK1.25-4
JST
1aF135
UL1007 16AWG BU BU
UL1007 20AWG BU BU
UL1007 20AWG BU BU
BU
UL1007 20AWG BU BU
To Cart
(Front/F2)
To Cart
(Rear/R2)
R1.25-4
JST
FGCBF
R1.25-4
JST
FGCBR
UL1007 18AWG BK BK
R-CART
F-CART
AMP
CBF24VP
177909-1
6
5
4
3
2
1
AMP
CBR24VP
177909-1
6
5
4
3
2
1
+V2aT113
-V2aT113
UL1015 16AWG BK BK
UL1015 16AWG BK BK
-V4aT113
UL1007 16AWG BU BU
AMP
24VOT
177908-1
4
3
2
1
UL1007 16AWG BU
UL1007 16AWG BU
UL1007 16AWG BU
UL1007 16AWG BU
+V3aT113
FK5.5-4
-V3aT113
To Power Unit
From Power Unit
BU
BU
BU
BU
BK
UL1007 18AWG BK
BU
UL1007 20AWG BU
BU
BU
UL1007 20AWG BU
BU
UL1007 20AWG BU
UL1007 20AWG BU
AMP
24VOP
177908-1
4
3
2
1
UL1007 16AWG BU
UL1007 16AWG BU
UL1007 16AWG BU
UL1007 16AWG BU
BU
BU
BU
BU
+V4aT113
-V2bT113
MTKC005894AC
MTKC005896AC
MTKC005895AC
MTKC005897AC
MTKC005898AC
MTKC008548AC
AMP
ACIN
1-179555-3
B3
B2
B1
A3
A2
A1
AWG6/16 600V VW-1(BK)
MTKC005605AE
For Option
5
5
3
4
3
5
5
5
5
5
3
Panasonic Smart Factory Solutions Co.,Ltd. パナソニック スマートファクトリーソリューションズ株式会社
Name
Drawing No.
Loc. No.
F4K1020-05A
1
2 3 4 5 6 7 8
A
B
C
D
E
F
1 2 3 4 5 6 7 8
A
B
C
D
E
F
Page. No.
24V power supply unit (NPM-WX)
(DC Power Supply)
MTKA009560+003AF
P003

2.
LOAD WIRING DIAGRAM
負荷配線図
2-1 MAIN BODY WIRING
本体部配線
EJM9DB-10-201-00